P-188-003e - 第124页
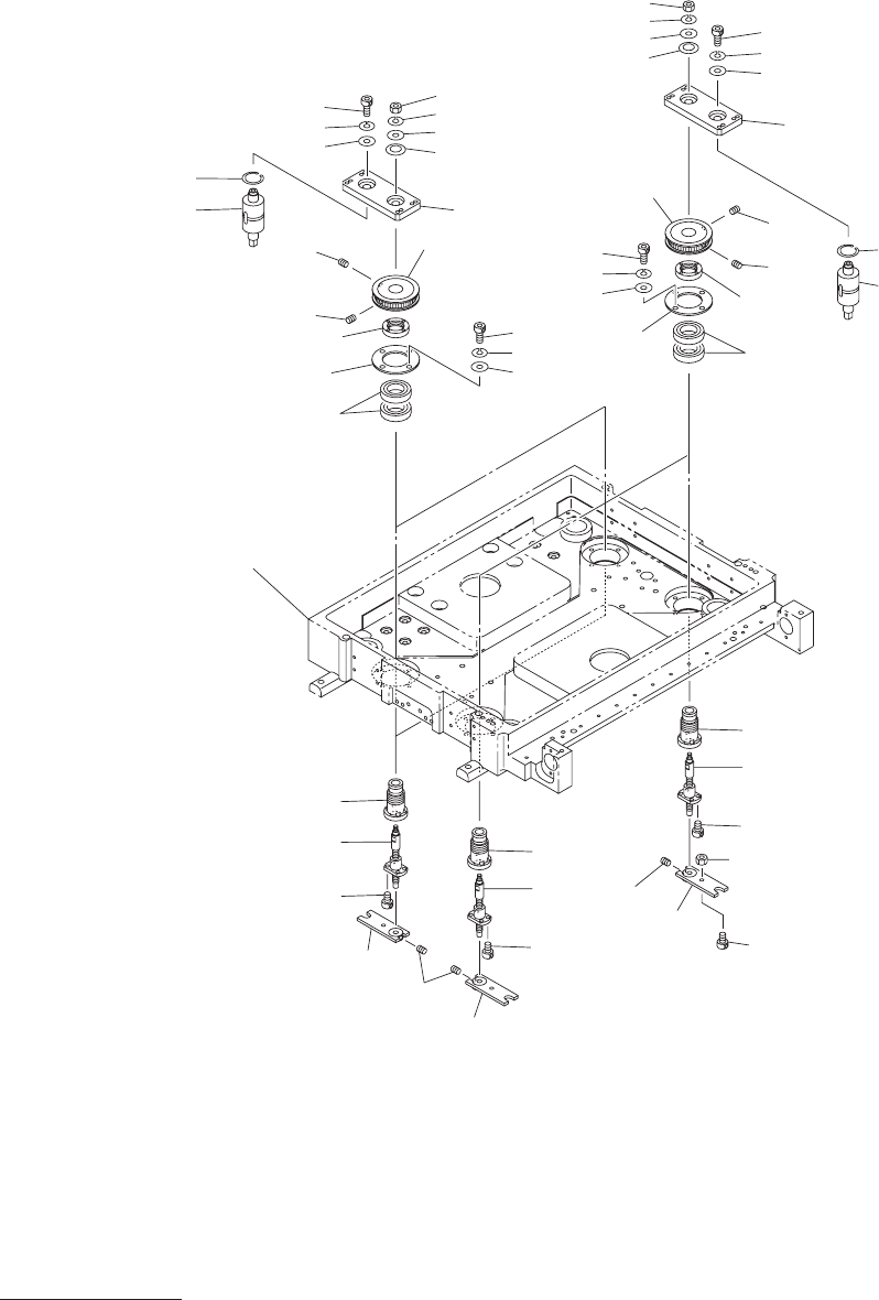
MODEL TCM-X1 10J 0306-001 122 XY トップベース部 XY T OP BASE SECTION Fig. JC-4 バックアップベース上下ユニット Back-up Base Leveller 309 334 309 See Fig.JC-1 Key No.4 328 324 326 314 328 324 326 314 302 330 330 306 307 31 1 310 302 330 330 306…

Key No. PART No. PART NAME Q’ty REMARKS
NOTE
MODEL TCM-X110J
0306-001
121
201 630 098 4378 PIN,LOCATE 1 810JC-020-201
202 630 056 7205 PLATE,LOCATE 1 810JC-020-202
203 630 056 7212 PLATE,LOCATE 1 810JC-020-203
204 630 056 7137 GUIDE 1 810JC-020-204
205 630 089 7289 PLATE 1 810JC-020-205
206 630 089 7272 PLATE 1 810JC-020-206
207 630 093 6926 ASSY,LEVER 1 810JC-020-207
207 -01 630 093 5387 PLATE 1
207 -03 630 093 3031 SPRING,TORSION 1
207 -05 630 093 5363 SHAFT 1
207 -07 630 105 8559 SPRING,TORSION 1
207 -08 630 093 5370 LEVER 1
207 -09 630 093 3000 BLOCK 1
207 -14 630 008 1053 SET SCREW 1
208 630 008 1213 BOLT,HEX-SCT 4 810JC-020-208
209 630 000 7527 BOLT,HEX-SCT 4 810JC-020-209
210 630 000 7763 BOLT,HEX-SCT 2 810JC-020-210
211 411 141 2806 WASHER SPR 3 4 810JC-020-211
212 411 141 6705 WASHER SPR 5 2 810JC-020-212
213 411 141 3902 WASHER V 3X7X0.5 4 810JC-020-213
214 411 141 4107 WASHER V 5X10X1 2 810JC-020-214
215 630 008 1053 SET SCREW 2 810JC-020-215
JC-3

MODEL TCM-X110J
0306-001
122
XY
トップベース部
XY TOP BASE SECTION
Fig. JC-4
バックアップベース上下ユニット
Back-up Base
Leveller
309
334
309
See Fig.JC-1
Key No.4
328
324
326
314
328
324
326
314
302
330
330
306
307
311
310
302
330
330
306
307
311
310
335
324
337
335
324
337
320
313
316
324
326
320
313
316
324
326
305
312
318
328
305
318
309
312
338
305
312
318
334

Key No. PART No. PART NAME Q’ty REMARKS
NOTE
MODEL TCM-X110J
0306-001
123
302 630 096 7920 PLATE 4 810JC-020-302
305 630 119 8675 BOSS 4 810JC-020-305
306 630 093 5684 DISK 4 810JC-020-306
307 630 093 5691 DISK 4 810JC-020-307
309 630 093 5707 PLATE 4 810JC-020-309
310 630 065 8897 PULLEY,TIMING 4 810JC-020-310
311 630 064 6801 BEARING,RADIAL 8 7903CTSULP4PS2K 810JC-020-311
312 630 119 8699 BALL SCREW 4 810JC-020-312
313 630 118 2643 GUIDE,SLIDE 4 810JC-020-313
314 630 064 6818 SPRING 4 BD-10 810JC-020-314
316 411 141 9003 RING C 21 4 810JC-020-316
318 630 000 7503 BOLT,HEX-SCT 16 810JC-020-318
320 630 000 7626 BOLT,HEX-SCT 20 810JC-020-320
324 411 141 2905 WASHER SPR 4 24 810JC-020-324
326 411 141 4008 WASHER V 4X9X0.8 20 810JC-020-326
328 411 141 0307 NUT HEX 4 5 810JC-020-328
330 630 000 8890 SET SCREW 8 810JC-020-330
334 630 094 3528 SET SCREW 4 810JC-020-334
337 630 029 1391 WASHER 4 810JC-020-337
338 630 000 7640 BOLT,HEX-SCT 1 810JC-020-338
JC-4