P-188-003e - 第69页
Key No. P AR T No. P AR T NAME Q’ty REMARKS NOTE MODEL TCM-X1 10J 0306-001 67 101 630 098 4156 BRACKET(R) 1 810F--010-101 102 630 107 7031 HOLDER(R) 1 810F--010-102 103 41 1 141 4008 W ASHER V 4X9X0.8 2 810F--010-103 104…

MODEL TCM-X110J
0306-001
66
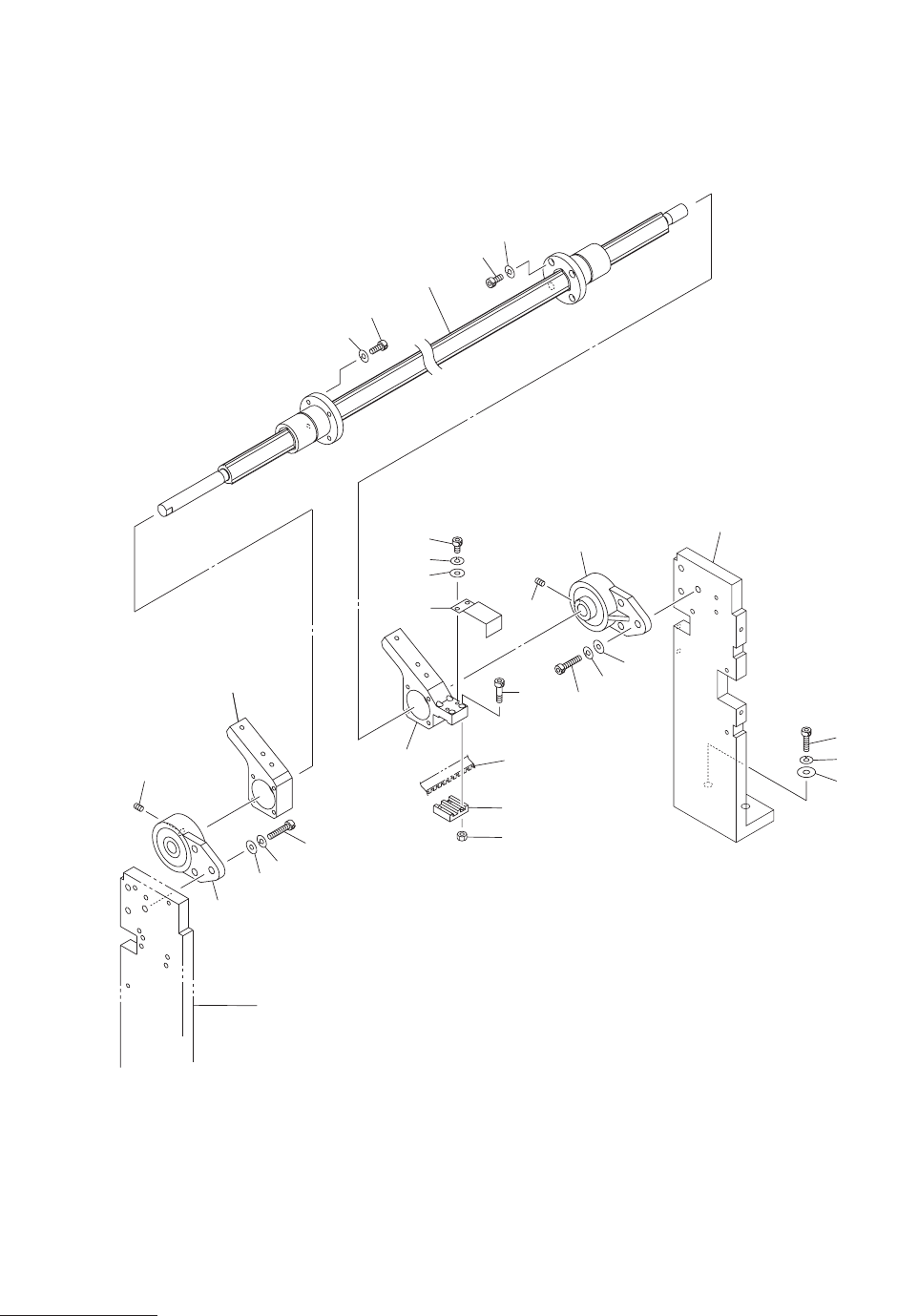
トランスファ部
TRANSFER SECTION
Fig. F-2
スプライン軸
Spline Shaft
Fig.F-2
TCM-X100J-002
4797S-002
108
106
108
107
107
105
104
103
116
101
114
113
117
118
119
125
122
See Fig.F-1
Key No.1
126
12
4
123
110
109
111
102
121
112
120
115
See Fig.F-6
Key No.527

Key No. PART No. PART NAME Q’ty REMARKS
NOTE
MODEL TCM-X110J
0306-001
67
101 630 098 4156 BRACKET(R) 1 810F--010-101
102 630 107 7031 HOLDER(R) 1 810F--010-102
103 411 141 4008 WASHER V 4X9X0.8 2 810F--010-103
104 411 141 2905 WASHER SPR 4 2 810F--010-104
105 630 000 7619 BOLT,HEX-SCT 2 810F--010-105
106 630 084 1893 GUIDE,LINEAR 1 810F--010-106
107 411 141 6705 WASHER SPR 5 8 810F--010-107
108 630 000 7763 BOLT,HEX-SCT 8 810F--010-108
109 630 048 8821 PLATE(BELT CLIP) 1 810F--010-109
110 630 000 7565 BOLT,HEX-SCT 4 810F--010-110
111 411 140 9905 NUT HEX 3 4 810F--010-111
112 630 001 0237 WASHER 2 810F--010-112
113 411 141 3001 WASHER SPR 6 2 810F--010-113
114 630 000 7916 BOLT,HEX-SCT 2 810F--010-114
115 630 090 0927 PLATE(SHADE B) 1 810F--010-115
116 630 001 1883 BEARING,UNIT 1 UCFH202D1 810F--010-116
117 411 141 4503 WASHER V 8X17X1.6 3 810F--010-117
118 411 141 3100 WASHER SPR 8 3 810F--010-118
119 630 000 8036 BOLT,HEX-SCT 3 810F--010-119
120 630 000 8975 SET SCREW 1 810F--010-120
121 630 107 7048 HOLDER(L) 1 810F--010-121
122 630 001 1883 BEARING,UNIT 1 UCFH202D1 810F--010-122
123 411 141 4503 WASHER V 8X17X1.6 3 810F--010-123
124 411 141 3100 WASHER SPR 8 3 810F--010-124
125 630 000 8036 BOLT,HEX-SCT 3 810F--010-125
126 630 000 8975 SET SCREW 1 810F--010-126
F-2

MODEL TCM-X110J
0306-001
68
トランスファ部
TRANSFER SECTION
Fig. F-3
送り位置検出部
Transfer Position Detector
204
208
207
206
219
218
214
215
209
210
211
212
213
217
216
203
202
220
221
222
See Fig.F-2
Key No.106
205
208
207
206
204
203
202
201
209
210
211
218
214
215
217
216
212
213