文档中心
/
M2PartsList
M2PartsList - 第101页
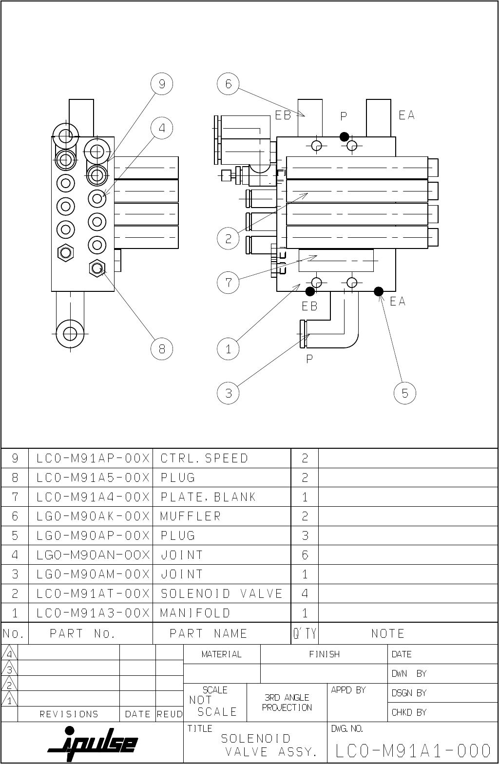
LC0-M91AT-00X SOLENOID VALVE
目录
100%
显示:宽度
宽度
1 / 150
回到旧版
旧版
?
LC0-M91AT-00X
SOLENOID VALVE
LG0-M90AP-00X
PLUG
该页面需要启用 JavaScript 才能进行交互式预览。