文档中心
/
M2PartsList
M2PartsList - 第116页
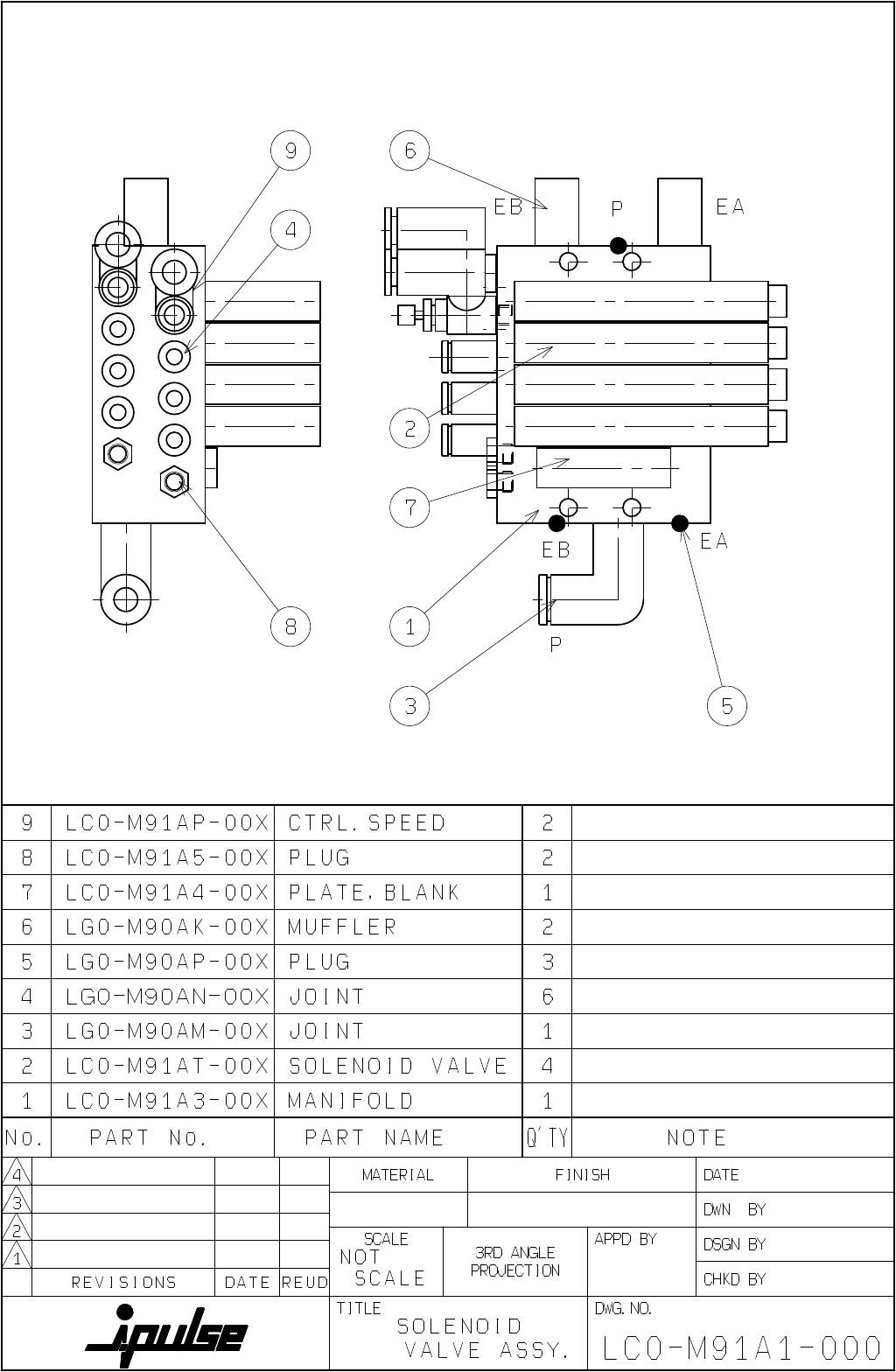
LC0-M91AL-00X CTRL. SPEED
目录
100%
显示:宽度
宽度
1 / 150
回到旧版
旧版
?
LG0-M90AV-00X
JOINT
LC0-M91AL-00X
CTRL. SPEED
该页面需要启用 JavaScript 才能进行交互式预览。