JM-100-Rev06PDF - 第128页
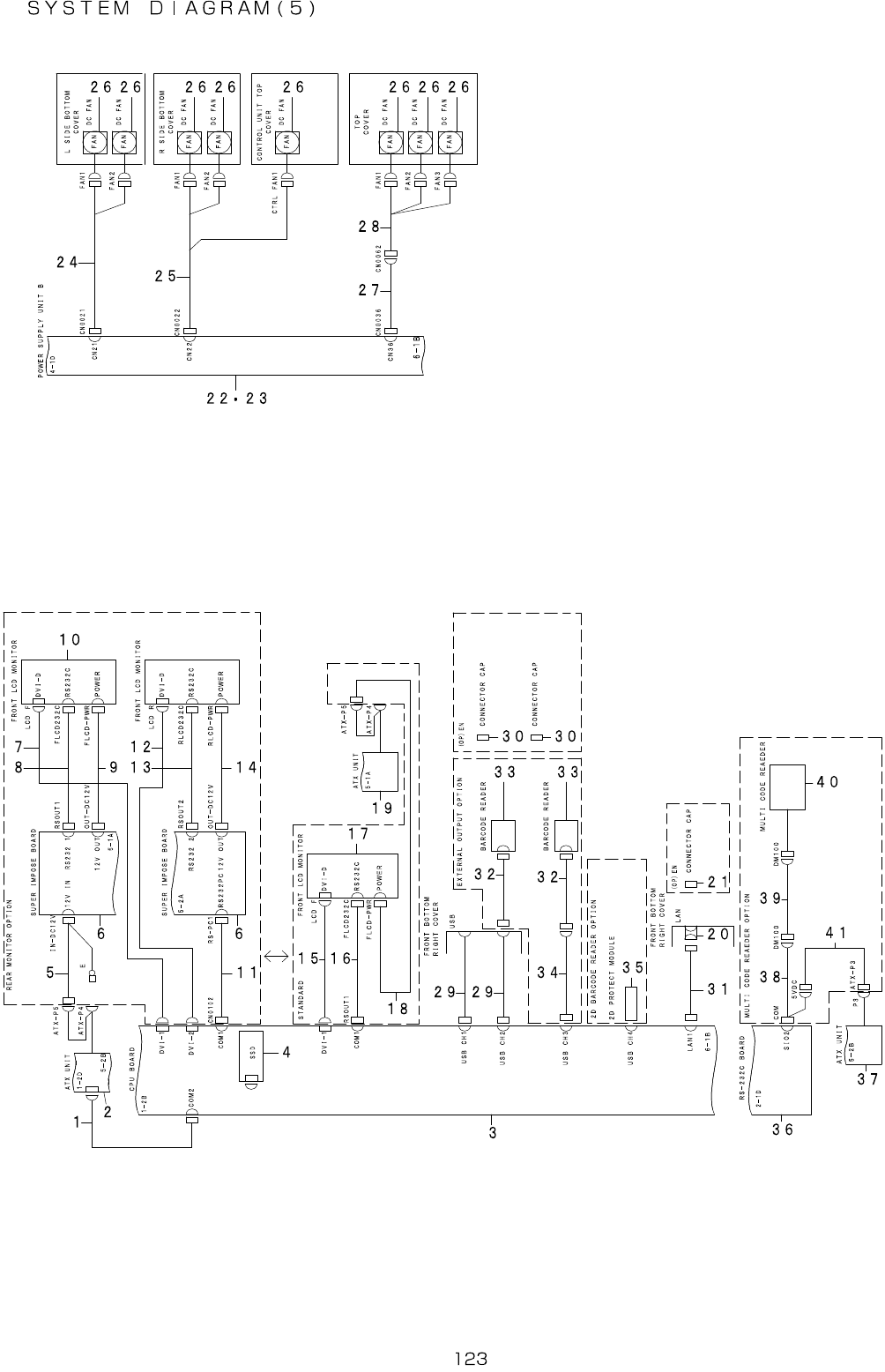
- - 62. SYSTEMDIAGRA M(5)

- -
REF.NO NOTE PARTNO DESCRIPTION Qty
1 401-29046 SIDESENSORCABLEASM 1
2 401-28871 IOCONTROLPCBASM 1
3 401-82259 IO-RCNVSERIALCABLEASM 1
4 401-28875 CONVEYORPCBASM 1
5
#02
401-50822 IN/OUTSENSRLYCABLEASM 1
6 402-05742 SIDE(R)CABLEASM 1
7 401-29080 AIR(N)SENSORCABLEASM 1
8 401-29256 CONVEYOR(F)-CALVAC(S/R)CABLEASM 1
9 400-47908 SBL2CABLEASM 1
10 402-05740 CNVRELAYCABLEASM 1
11
#01
401-29053 BULOCKSVCABLEASM 1
12 401-82338 SIDESENSOR(L)CABLEASM 1
13
#02
401-61237 BUPINRECEIVESENSASM 1
14
#02
401-61236 BUPINEMISSIONSENSASM 1
15
#02
401-82339 BUPINDETECTSENSORCABLEASM 1
16 401-29056 CNVAUTOSET1WIREASM 1
17 401-29059 CNVAUTOSET2WIREASM 1
18 401-29060 CNVAUTOSET3WIREASM 1
19 402-05760 WAITSTOPCOUTSENSASM 1
20
#01
402-05741 BUCLINCHUNITSENSCABLEASM 1
21
#01
400-92574 BULOCKSENSASM 1
22 402-06696 ASM_JM100_POWER_SUPPLY_UNIT_B 1
23
#01
402-06708 ASM_JM100_POWER_SPLY_UNIT_B_EN 1
24 401-82328 CNVPWRCABLEASM 1
25 401-82329 CNVPWRRLYCABLEASM 1
26 402-05735 CMOTORCABLEASM 1
27 HM-0013200-00 MOTORDRIVER 1
28 400-48075 JOINTMOTORASM 1
29 402-05736 RMOTORCABLEASM
1
30 401-58136 2PHASESTEPPINGMOTOR 1
31 402-05739 LMOTORDRVCABLEASM 1
32 402-05738 LMOTORCABLEASM 1
33 402-05737 AWCMOTORCABLEASM 1
34 401-29040 AWCMOTORASM 1
35 402-05743 CALWAITSTPSVCABLEASM 1
36 400-07376 CALBLOCKPCBASM 1
37 401-29260 CAL-VACUUMSVCABLEASM 1
38 401-56969 STOPPERSVCABLEASM 1
39 402-05760 WAITSTOPCOUTSENSASM 1
40 401-82340 CNV-ATC(F)CABLEASM 1
41 402-05761 ATCSVRELAYCABLEASM 1
42 401-29261 ATCSVCABLEASM 1
43 401-29062 PHOTOMICROSENSORASM 1
44 401-82342 CNV-SMEMALRELAY(F)CABLEASM 1
45 401-29031 SMEMACABLEASM 1
46 401-29029 CNV-SMEMARRELAY(F)CABLEASM 1
47 401-28871 IOCONTROLPCBASM 1
48 401-82333 IO-LCNVSERIALCABLEASM 1
49 402-00005 BUDRIVECABLEASM 1
50 401-29636 BUAXISSERVOAMP 1
51 402-00006 BUDRIVEPWRCABLEASM 1
52 401-10035 BUDRVFGCABLEASM(EN) 1
53 402-06695 ASM_JM100_ELECTRICAL_UNIT_A 1
54
#01
402-06707 ASM_JM100_ELECTRICAL_UNIT_A_EN 1
55 402-00007 BUENC/ORGRELAYCABLEASM 1
56 402-00195 BUMOTORCABLEASM 1
57 400-48076 BACKUPMOTORASM 1
58 E9433-729-0A0 BUENCASM. 1
59 401-29042 AWC/BUORGSENSORCABLEASM 1
60 402-13480 PCBCLAMPSVCABLEASM 1
61 402-13516 CYLMTSENSRECEIVEASM 1
62 402-13517 CYLMTSENSEMISSONASM
1
63 402-13520 CYSENSORCABLEASM 1
64 400-92512 FIBER 1
65 401-81868 STOPSENSORCABLEASM 1
66 402-13481 PCBCLAMPDOWNSENSRASM 1
67 402-13479 PCBCLAMPDOWNSENSFASM 1

- -
62.SYSTEMDIAGRAM(5)

- -
REF.NO NOTE PARTNO DESCRIPTION Qty
1 401-82290 ATX232CCABLEASM2 1
2 EZ-1468979-11 POWER(ENSP-300P-S20-11S) 1
3 402-05765 CPUBOARD 1
4 402-06824 ENVSYSDSKASM(JM100MES) 1
5
#02
402-05757 ATX-SPIMPPWRCABLEASM2 1
6
#02
401-29641 SUPERIMPOSEBOARD 1
7
#02
401-29642 DVICABLEL2.5M 1
8
#02
401-29084 SPIMP-FLCDSERIALCABLEASM 1
9
#02
401-90366 SPIMP-FLCDPWRCABLEASM 1
10
#02
401-58158 15INCHLCDMONITOR 1
11
#02
401-82263 CPU-SPIMPSERIALCABLEASM 1
12
#02
401-29643 DVICABLEL4.0M 1
13
#02
401-29087 SPIMP-RLCDSERIALCABLEASM 1
14
#02
401-90370 SPIMP-RLCDPWRCABLEASM 1
15 401-29642 DVICABLEL2.5M 1
16 401-29084 SPIMP-FLCDSERIALCABLEASM 1
17 401-58158 15INCHLCDMONITOR 1
18 402-05756 FLCDPWRCABLEASM 1
19 EZ-1468979-11 POWER(ENSP-300P-S20-11S) 1
20 HK-0651200-80 MODULARKAPLA 1
21
#01
HX-0066000-00 DUSTCOVER 1
22 402-06696 ASM_JM100_POWER_SUPPLY_UNIT_B 1
23
#01
402-06708 ASM_JM100_POWER_SPLY_UNIT_B_EN 1
24 401-89241 BASELFANRELAYCABLEASM 1
25 402-05758 BASERFANRELAYCABLEASM 1
26 401-89090 DCFANASM 1
27 401-89243 TOPCOVERFANRELAYCABLEASM 1
28 401-89244 TOPCOVERFANCABLEASM 1
29 400-44522 USBRELAYCABLE 1
30
#01
HX-0066700-00 DUSTCOVER 1
31 HW-0018100-80 LANCABLE 1
32 401-73482 USBBARCORDREADERCABLE(4M) 1
33 EZ-1458644-11 READERBARCODE 1
34 401-73481 USBREPEATERCABLE 1
35 401-29932 2DPROTECTMODULE(USB) 1
36 401-35433 8-PORTCOMBOARD 1
37 EZ-1468979-11 POWER(ENSP-300P-S20-11S) 1
38 401-39308 SCANNERADAPTERCABLE 1
39 401-39307 HIGHFLEXIBLECABLE 1
40 401-99830 BARCODEREADER 1
41 402-13470 MULTISENSPOWERCABLEASM 1