PTS-NXT-飞达.pdf - 第123页
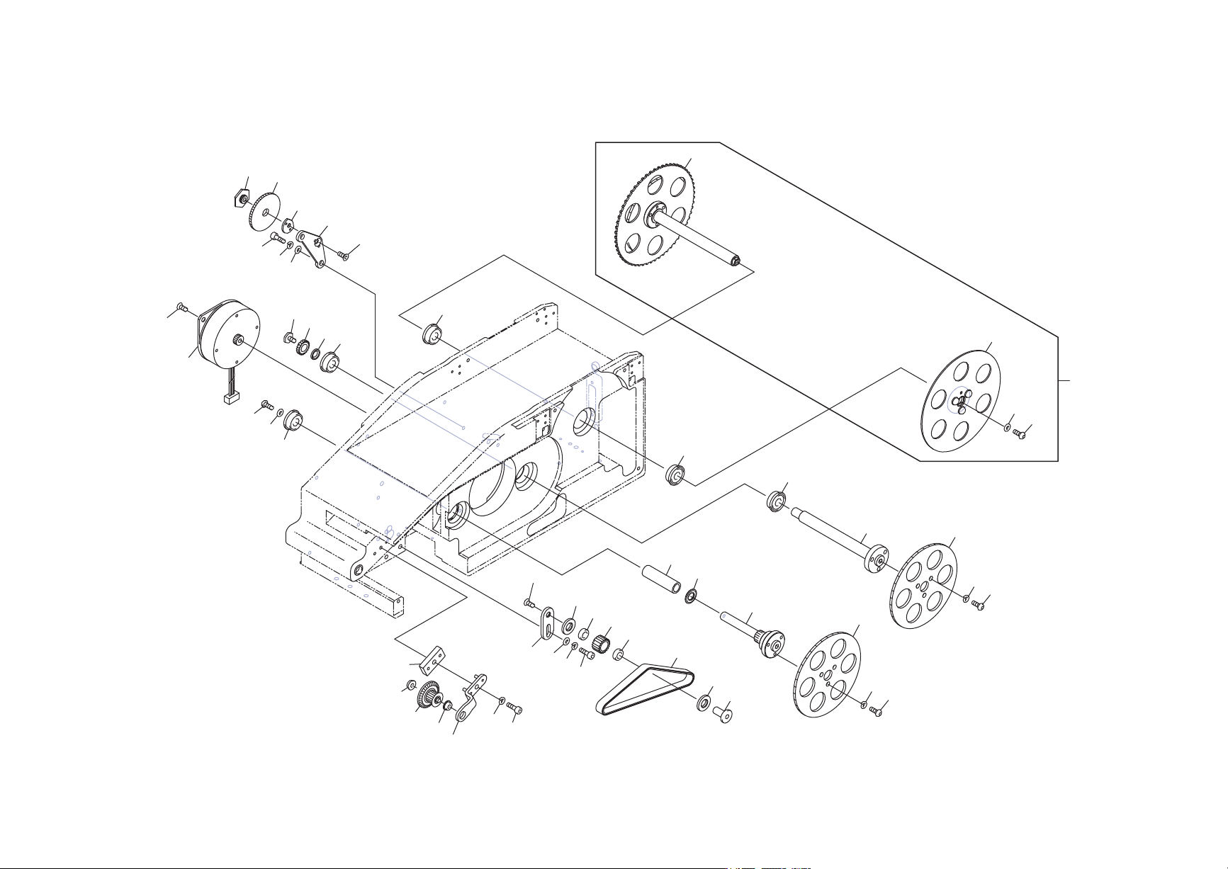
FEEDER W88 1/3 フィーダ W88 1/3 AA2HA36 No. Dr g .No. & Code No. QTY Descri p tion Ratin g Materials Remarks 番号 図番 & コード番号 個数 品名 規 格材 質 備 考 56 PZ27752 4 BOLT ボルト OT 57 PM22174 1 PIN ピン FE 58 K5357M 1 SCREW, HEX SOCK…

FEEDER W88 1/3
フィーダ W88 1/3
AA2HA36
No. Dr
g
.No. & Code No. QTY Descri
p
tion Ratin
g
Materials Remarks
番号 図番 & コード番号 個数 品名
規
格材質 備考
56 PZ27752 4 BOLT ボルト OT
57 PM22174 1 PIN ピン FE
58 K5357M 1 SCREW, HEX SOCKET COUNTERSUNK 小ネジ 六角穴皿 M03X006 FE
59 PM87182 1 PIN ピン FE
60 K5357M 1 SCREW, HEX SOCKET COUNTERSUNK 小ネジ 六角穴皿 M03X006 FE
61 PX02072 1 SEAL, BAR CODE シール バーコード OT unit serial number
62 PJ02962 1 BKT BKT PL
63 K5358N 4 SCREW, HEX SOCKET COUNTERSUNK 小ネジ 六角穴皿 M03X018 FE
64 N10795 4 NUT, HEX ナット 六角 M03(3カ クロ) FE
65 PJ02971 1 SPACER スペーサ PL
66 T4107K 1 DIGITAL SW デジタルSW A7BS-254-79-1 OT
67 PX08820 2 SEAL シール PL W88
68 XK04820 1 BOARD, PRINTED CIRCUIT 基板
プ
リント OT
69 PB01842 1 PLATE
プ
レート FE
70 2MDLFB000302 1 SHEET, SW シートSW OT
71 XH00201 1 HARNESS ハーネス OT
72 PB88197 1 LEVER レバー FE
73 PM02WC5 1 PIN ピン FE
74 K5359E 1 SCREW, HEX SOCKET COUNTERSUNK 小ネジ 六角穴皿 M04X008 FE
75 PM66294 1 BLOCK
ブ
ロック FE
76 K5357T 1 SCREW, HEX SOCKET COUNTERSUNK 小ネジ 六角穴皿 M03X008 FE
77 N4018A 1 SCREW, HEX SOCKET SET ネジ 六角穴止め M03X003 クボミサキ FE
79 RZ00490 1 TAPE テー
プ
OT
80 RZ00500 1 TAPE テー
プ
OT
122
PTS-FIFEEDER-13JE

7
13
20
49
18
19
21
28
22
23
29
33
31
37
38
39
43
44
45
46
40
41
42
32
53
55
48
56
16
17
36
35
34
54
57
57.1
59
58
60
26
60
61
51
47
49
50
52
52
8
14
15
2
24
1
ࣇ࣮ࢲ:
)(('(5:
AA2HA36
124
PTS-FIFEEDER-13JE