PTS-NXT-飞达.pdf - 第129页
ࡇࡢ࣮࣌ࢪࡣࣈࣛࣥࢡ࣮࣌ࢪ࡛ࡍࠋ This page is intentionally blank. 129 PTS-FIFEEDER-13JE

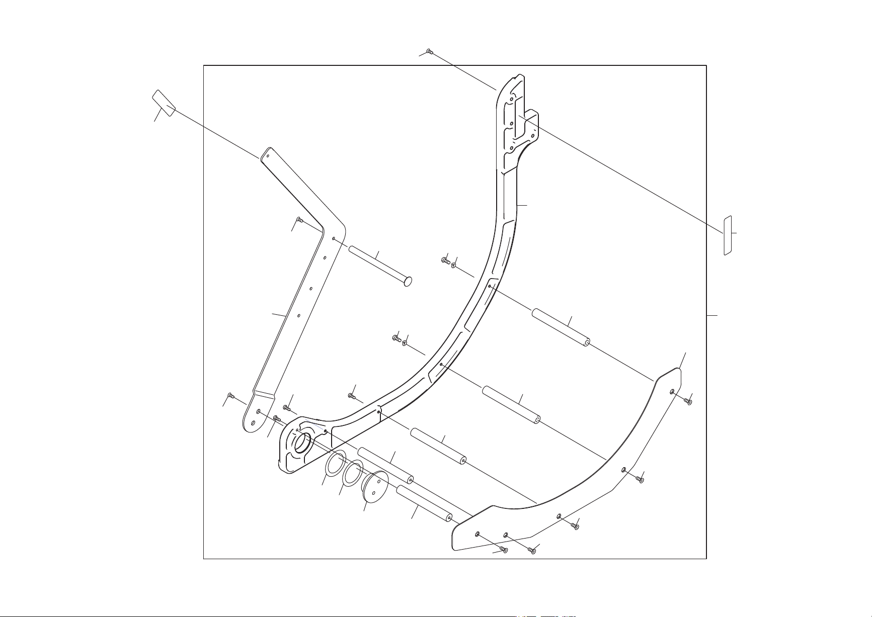
FEEDER W88 3/3
フィーダ W88 3/3
AA2HA36
No. Dr
g
.No. & Code No. QTY Descri
p
tion Ratin
g
Materials Remarks
番号 図番 & コード番号 個数 品名
規
格材質 備考
48 PM94563 1 BLOCK
ブ
ロック AL
49 K5357T 3 SCREW, HEX SOCKET COUNTERSUNK 小ネジ 六角穴皿 M03X008 FE
50 K5357M 3 SCREW, HEX SOCKET COUNTERSUNK 小ネジ 六角穴皿 M03X006 FE
128
PTS-FIFEEDER-13JE

ࡇࡢ࣮࣌ࢪࡣࣈࣛࣥࢡ࣮࣌ࢪ࡛ࡍࠋ
This page is intentionally blank.
129
PTS-FIFEEDER-13JE

21
5
4
6
5
5
6
7
22
9
10
11
12
12
8
22
3
4
4
15
16
15
16
14
14
1
2
15
4
4
࣮ࣜࣝ࣍ࣝࢲ:ࣥࢳ
5((/+2/'(5:LQFK
130
PTS-FIFEEDER-13JE