PTS-NXT-飞达.pdf - 第49页
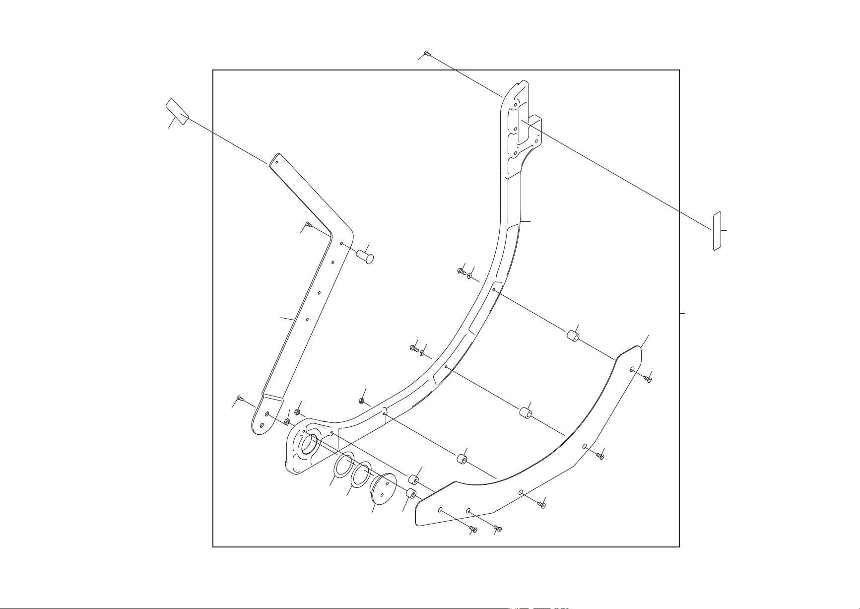
REEL HOLDER W12c 7inch リール ホルダ W12c 7インチ No. Dr g .No. & Code No. QTY Descri p tion Ratin g Materials Remarks 番号 図番 & コード番号 個数 品名 規 格材 質 備 考 1 AA84915 1 HOLDER, REEL ホルダ リール OT 2 PJ02982 1 HOLDER, REEL ホルダ リール O…

5
6
2
7
8
9
10
12
13
11
21
15
3
22
22
1
11.1
࣮ࣜࣝ࣍ࣝࢲ:Fࣥࢳ
5((/+2/'(5:FLQFK
48
PTS-FIFEEDER-13JE

REEL HOLDER W12c 7inch
リール ホルダ W12c 7インチ
No. Dr
g
.No. & Code No. QTY Descri
p
tion Ratin
g
Materials Remarks
番号 図番 & コード番号 個数 品名
規
格材質 備考
1 AA84915 1 HOLDER, REEL ホルダ リール OT
2 PJ02982 1 HOLDER, REEL ホルダ リール OT
3 PB09182 1 ARM アーム FE
5 PM081G1 1 PIN ピン FE
6 K5357T 1 SCREW, HEX SOCKET COUNTERSUNK 小ネジ 六角穴皿 M03X008 FE
7 PM04075 1 PIN, PIVOT ピン 支点 FE
8 W1007A 1 WASHER ワッシャ WW-16 ウェーブワッシャ OT
9 K5359E 1 SCREW, HEX SOCKET COUNTERSUNK 小ネジ 六角穴皿 M04X008 FE
10 PB09092 1 RETAINER, REEL 押え リール FE
11 PJ03311 2 SPACER スペーサ PL
11.1 W60245 2 WASHER ワッシャ CC-0310-10B PL
12 K5358N 2 SCREW, HEX SOCKET COUNTERSUNK 小ネジ 六角穴皿 M03X018 FE
13 N10795 2 NUT, HEX ナット 六角 M03(3カ クロ) FE
15 N10796 4 NUT, HEX ナット 六角 M04(3カクロ) FE
21 PZ27762 4 BOLT ボルト OT
22 PX01812 2 SEAL, BAR CODE シール バーコード OT unit serial number
49
PTS-FIFEEDER-13JE

2
21
5
6
6
5
5
6
7
22
9
10
11
12
12
8
22
3
14
15
16
17
14
15
16
17
1
4
4.1
4
࣮ࣜࣝ࣍ࣝࢲ:Fࣥࢳ
5((/+2/'(5:FLQFK
50
PTS-FIFEEDER-13JE