PTS-NXT-飞达.pdf - 第61页
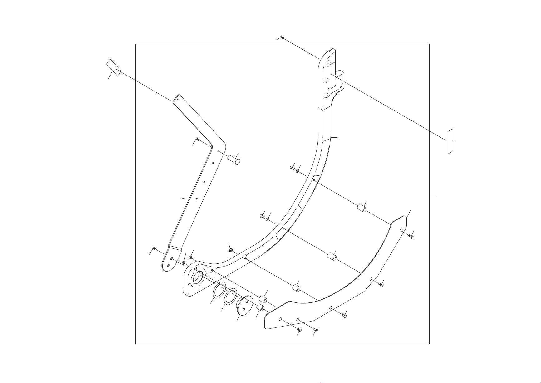
REEL HOLDER W16c 15inch リール ホルダ W16c 15インチ No. Dr g .No. & Code No. QTY Descri p tion Ratin g Materials Remarks 番号 図番 & コード番号 個数 品名 規 格材 質 備 考 1 AA85115 1 HOLDER, REEL ホルダ リール OT 2 2MDLFB016900 1 HOLDER, REEL ホル…

21
6
6
6
7
22
10
11
12
12
8
5
5
5
9
22
2
3
14
15
16
17
14
15
16
17
1
4
4
4.1
࣮ࣜࣝ࣍ࣝࢲ:Fࣥࢳ
5((/+2/'(5:FLQFK
60
PTS-FIFEEDER-13JE

REEL HOLDER W16c 15inch
リール ホルダ W16c 15インチ
No. Dr
g
.No. & Code No. QTY Descri
p
tion Ratin
g
Materials Remarks
番号 図番 & コード番号 個数 品名
規
格材質 備考
1 AA85115 1 HOLDER, REEL ホルダ リール OT
2 2MDLFB016900 1 HOLDER, REEL ホルダ リール AL
3 2MDLFB016800 1 RETAINER, REEL 押え リール FE
4 K5358M 2 SCREW, HEX SOCKET COUNTERSUNK 小ネジ 六角穴皿 M03X022 FE
4.1 K5358S 1 SCREW, HEX SOCKET COUNTERSUNK 小ネジ 六角穴皿 M03X020 FE
5 PJ03321 3 SPACER スペーサ PL
6 N10795 3 NUT, HEX ナット 六角 M03(3カ クロ) FE
7 PB01796 1 ARM アーム FE
8 K5359E 2 SCREW, HEX SOCKET COUNTERSUNK 小ネジ 六角穴皿 M04X008 FE
9 PM081H1 1 PIN ピン FE
10 K5357T 1 SCREW, HEX SOCKET COUNTERSUNK 小ネジ 六角穴皿 M03X008 FE
11 PM45091 1 PIN, PIVOT ピン 支点 FE
12 W1007H 2 WASHER ワッシャ WW-26 ウェーブワッシャ OT
14 PM011C1 2 SPACER スペーサ FE
15 K5256E 2 SCREW, HEX SOCKET BUTTON 小ネジ 六角穴ボタン M03X010 FE
16 W1021A 2 WASHER, LOCK ワッシャ ス
プ
リン
グ
3M
/
MFE
17 K5357M 2 SCREW, HEX SOCKET COUNTERSUNK 小ネジ 六角穴皿 M03X006 FE
21 PZ27762 4 BOLT ボルト OT
22 PX01822 2 SEAL, BAR CODE シール バーコード OT unit serial number
61
PTS-FIFEEDER-13JE

C
C
B
B
A
A
B
B
D
D
D
D
C
C
A
A
୧
㠃
ࢸ
࣮
ࣉ
15
mm x
20
mm
NW-5
10mm x 55mm
K
K
Ref.2/
81
66
77
15
34
9
12
14
16
10
18
19
20
61
62
63
11
64
39
40
43
39
38
32
31
53
54
49
47
52
46
51
50
27
23
24
27
28
21
1
5
6.1
6
6
5.1
6
59
58
57
8
60
8
48
42
22
30
17
67
70
65
70
76
79
75
71
73
69
68
72
78
80
7
7
41
41
45
29
33
35
36
37
46.1
83
82
2
74
26
25
26
25
26.1
26.1
12
ࣇ࣮ࢲ:F
)(('(5:F
AB10215
62
PTS-FIFEEDER-13JE