PTS-NXT-飞达.pdf - 第94页
5 5 5 9 21 6 15 6 11 12 12 22 3 14 4 16 14 15 15 16 7 22 10 8 1 2 4 4 4 4 ࣮ࣜࣝ࣍ࣝࢲ:Fࣥࢳ 5((/+2/'(5:FLQFK 94 PTS-FIFEEDER-13JE

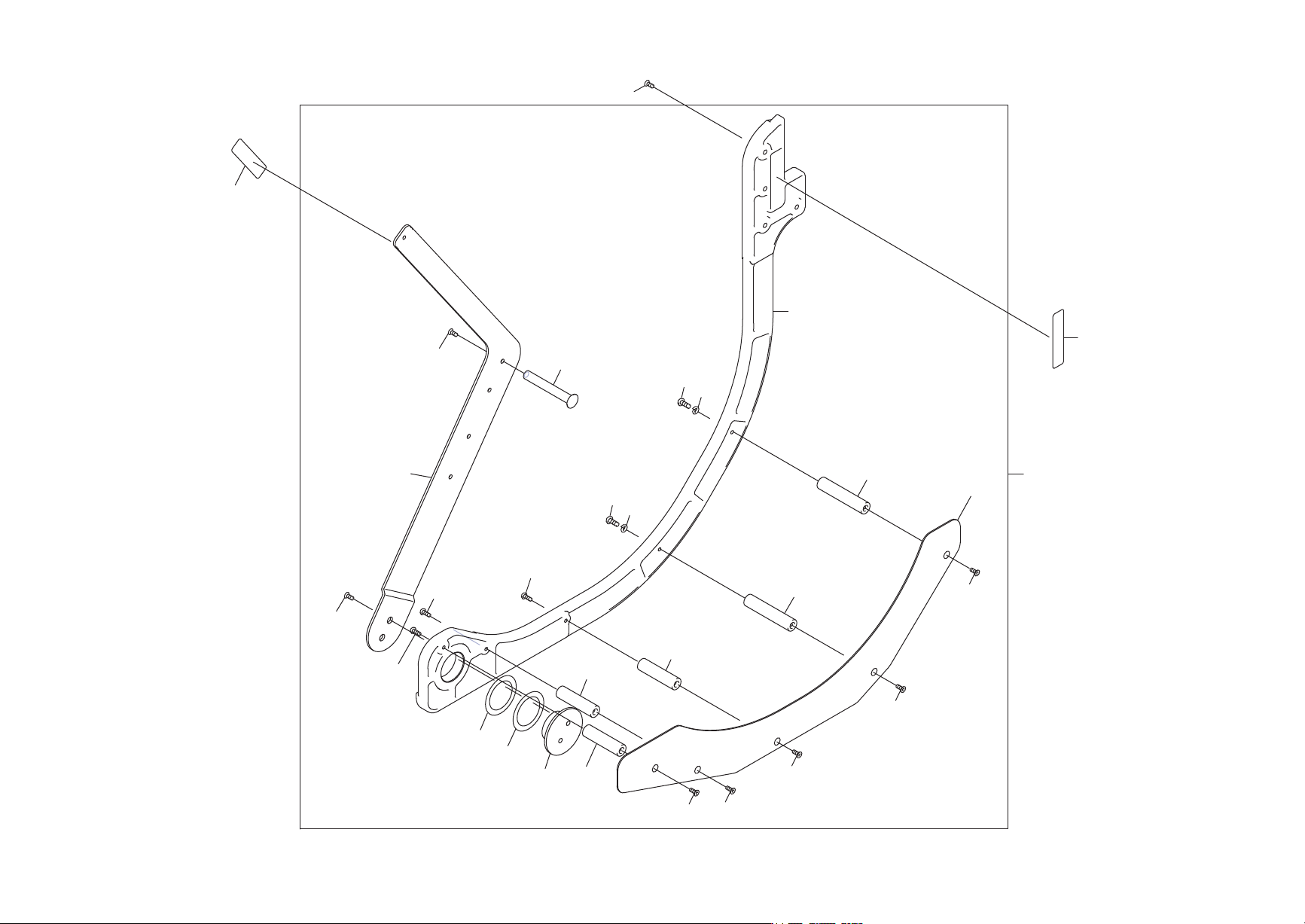
FEEDER W44c 3/3
フィーダ W44c 3/3
AB10413
No. Dr
g
.No. & Code No. QTY Descri
p
tion Ratin
g
Materials Remarks
番号 図番 & コード番号 個数 品名
規
格材質 備考
1 AA8GM03 1 SENSOR センサ OT
2 K5357M 1 SCREW, HEX SOCKET COUNTERSUNK 小ネジ 六角穴皿 M03X006 FE
3 H5274A 1 BOLT, HEX SOCKET ボルト 六角穴 M03X006 FE
4 W1021A 1 WASHER, LOCK ワッシャ ス
プ
リン
グ
3M
/
MFE
5 K5357H 1 SCREW, HEX SOCKET COUNTERSUNK 小ネジ 六角穴皿 M03X005 FE
8 PM87182 1 PIN ピン FE
9 K5357M 1 SCREW, HEX SOCKET COUNTERSUNK 小ネジ 六角穴皿 M03X006 FE
11 2ADLFC001800 1 BKT, ROLLER BKT ローラ OT
12 K5357H 2 SCREW, HEX SOCKET COUNTERSUNK 小ネジ 六角穴皿 M03X005 FE
13 2MDLFC003000 1 BKT, ROLLER BKT ローラ FE
14 PJ03553 1 ROLLER ローラ PL
15 PM90432 1 PIN ピン FE
16 S1003N 1 CIR-CLIP サークリッ
プ
ST-EW-2.5(3カ シロ) OT
17 S1003D 1 CIR-CLIP サークリッ
プ
ST-EW-2(3カ シロ) OT
18 PJ04532 1 ROLLER ローラ PL
19 PM44121 1 PIN ピン FE
20 PJ00965 1 ROLLER ローラ PL
21 PJ01095 1 ROLLER ローラ PL
22 PM44152 1 PIN ピン FE
23 S61924 2 CIR-CLIP, E-TYPE サークリッ
プ
E形 E-1.5 (3カ シロ) OT
24 PB063F0 1 BKT, SUPPORT BKT 支え FE
31 PM90441 1 PIN ピン FE
32 PJ03553 1 ROLLER ローラ PL
33 S1003N 1 CIR-CLIP サークリッ
プ
ST-EW-2.5(3カ シロ) OT
93
PTS-FIFEEDER-13JE

5
5
5
9
21
6
15
6
11
12
12
22
3
14
4
16
14
15
15
16
7
22
10
8
1
2
4
4
4
4
࣮ࣜࣝ࣍ࣝࢲ:Fࣥࢳ
5((/+2/'(5:FLQFK
94
PTS-FIFEEDER-13JE

REEL HOLDER W44c 15inch
リール ホルダ W44c 15インチ
No. Dr
g
.No. & Code No. QTY Descri
p
tion Ratin
g
Materials Remarks
番号 図番 & コード番号 個数 品名
規
格材質 備考
1 AA85414 1 HOLDER, REEL ホルダ リール OT
2 2MDLFB016900 1 HOLDER, REEL ホルダ リール AL
3 2MDLFB016800 1 RETAINER, REEL 押え リール FE
4 K5357M 5 SCREW, HEX SOCKET COUNTERSUNK 小ネジ 六角穴皿 M03X006 FE
5 PM32281 3 SPACER スペーサ FE
6 K5256K 2 SCREW, HEX SOCKET BUTTON 小ネジ 六角穴ボタン M03X015 FE
7 PB08305 1 ARM アーム FE
8 K5359E 2 SCREW, HEX SOCKET COUNTERSUNK 小ネジ 六角穴皿 M04X008 FE
9 PM083N1 1 PIN ピン FE
10 K5357T 1 SCREW, HEX SOCKET COUNTERSUNK 小ネジ 六角穴皿 M03X008 FE
11 PM45091 1 PIN, PIVOT ピン 支点 FE
12 W1007H 2 WASHER ワッシャ WW-26 ウェーブワッシャ OT
14 PM011F1 2 SPACER スペーサ FE
15 K5256E 3 SCREW, HEX SOCKET BUTTON 小ネジ 六角穴ボタン M03X010 FE
16 W1021A 2 WASHER, LOCK ワッシャ ス
プ
リン
グ
3M
/
MFE
21 PZ27762 4 BOLT ボルト OT
22 PX01852 2 SEAL, BAR CODE シール バーコード OT unit serial number
95
PTS-FIFEEDER-13JE