KE-3010A_KE-3020VA_KE-3020VRA-Rev13 - 第181页
- 174 - NOTE( 注記 ) #01....FOR EN EN 用 #02....FOR 3010A, 3010ACL 3010 A,3010 ACL 用 #03....FOR 3020VA ,3020VRA 3020 VA ,3020 VRA 用 #04....FOR 3010A( EN),3010ACL(EN) 3010 A(EN) ,3010 ACL(EN)用 #05....FOR 3020VA (EN),3020VRA(…

- 173 -
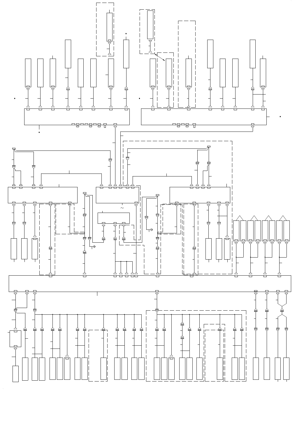
87.SYSTEM DIAGRAM(3)
SYSTEM DIAGRAM(3)
㹁㹌㸳
㹆㹍㹂
㹋㹌㹊㹒
㸲㸫㸳㸿
㹋㹌㹊㹒
㹁㹌㸯
㹁㹌㸰
㹁㹌㸱
㹁㹌㸱
㹁㹌㸵
㹁㹌㸰
㹁㹌㸯
㹁㹌㸶
㹁㹌㸳
㹁㹌㸴
㹁㹌㸱
㹁㹌㸯㸮
㹁㹌㸷
㹁㹌㸰
㸯
㸱
㸲㸷
㸶
㸰
㸴
㸵
㸵
㸯㸮
㸯㸮
㸳
㸯㸮
㸯㸮
㸯㸯
㸯㸰
㸯㸰
㸯㸰
㸰㸲㸰㸳
㸯㸱
㸯㸱
㸯㸲
㸯㸵
㸯㸱
㸯㸱
㸯㸳
㸯㸴
㸯㸯㸮
㸯㸴
㸯㸴
㸯㸶
㸯㸷
㸰㸮
㸰㸯
㸰㸰
㸰㸱
㸰㸴 㸰㸴 㸰㸵
㸰㸶 㸰㸷 㸱㸮
㸱㸯
㸱㸰
㸱㸱
㸱㸲
㸱㸳
㸱㸴
㸱㸵
㸲㸯
㸱㸴
㸱㸷
㸱㸶
㸲㸮
㸲㸶
㸳㸮
㸲㸰 㸲㸷
㸳㸯
㸲㸱
㸲㸲
㸲㸵
㸳㸰
㸳㸱
㸳㸲
㸳㸳
㸳㸴
㸳㸰
㸳㸵
㸳㸶 㸳㸶㸳㸷
㸴㸮 㸴㸯
㸴㸰
㸴㸷 㸵㸮 㸵㸯 㸵㸰
㸯㸮㸴 㸯㸮㸴 㸯㸮㸴 㸯㸮㸴
㸴㸱
㸵㸱
㸵㸲
㸵㸳
㸴㸲
㸴㸳
㸴㸴
㸴㸵
㸴㸶
㸵㸶 㸵㸷 㸶㸮 㸶㸯 㸶㸱 㸶㸳 㸶㸴 㸶㸵 㸶㸷
㸶㸲
㸶㸰
㸶㸶
㸲㸫㸳㸿
㸷㸮
㸷㸯
㸷㸰 㸷㸱
㸯㸮㸮
㸷㸴 㸷㸵 㸯㸮㸯 㸶㸳 㸶㸴
㸯㸮㸱
㸯㸮㸲㸶㸲
㸵㸴 㸵㸵
㸷㸲 㸷㸳
㸯㸮㸳
㹁㸿㹊ࠉ㹑㸬㹔
㹁㸿㹊ࠉ㹔㸿㹁㹓㹓㹋ࠉ
㹑㹃㹌㹑㹍㹐
㸿㹒㹁ࠉ㹍㹎㹃㹌ࠉ㹑㹃㹌㹑
㸿㹒㹁ࠉ㹁㹊㹍㹑㹃ࠉ㹑㹃㹌㹑
㸿㹒㹁ࠉ㹑㸬㹔
㹄㹃㹃㹂㹃㹐ࠉ㹄㹊㹍㸿㹒
㹑㹃㹌㹑㸦㹄㹄㸧㸦㹃㹋㹇㸧
㹄㹃㹃㹂㹃㹐ࠉ㹄㹊㹍㸿㹒ࠉ
㹑㹃㹌㹑㸦㹄㹄㸧㸦㹐㹃㹁㸧
㹄㹃㹃㹂㹃㹐ࠉ㹄㹊㹍㸿㹒
㹑㹃㹌㹑㸦㹄㹐㸧㸦㹐㹃㹁㸧
㹀㸿㹌㹉ࠉ㹓㹎ࠉ
㹑㹕ࠉ㸦㹄㸧
㹃㹊㹃㹁ࠉ㹄㹃㹃㹂ࠉ㹂㹃㹒ࠉ
㹑㹃㹌㹑㸦㹄㸧㸦㹐㹃㹁㸧
㹃㹊㹃㹁ࠉ㹄㹃㹃㹂ࠉ㹄㹊㹍㸿㹒ࠉ
㹑㹃㹌㹑㸦㹄㸧㸦㹐㹃㹁㸧
㹄㹃㹃㹂㹃㹐ࠉ㹄㹊㹍㸿㹒ࠉ
㹑㹃㹌㹑㸦㹄㹐㸧㸦㹃㹋㹇㸧
㹃㹊㹃㹁ࠉ㹄㹃㹃㹂ࠉ㹄㹊㹍㸿㹒
㹑㹃㹌㹑㸦㹄㸧㸦㹃㹋㹇㸧
㹃㹊㹃㹁ࠉ㹄㹃㹃㹂ࠉ㹄㹊㹍㸿㹒
㹑㹃㹌㹑㸦㹐㸧㸦㹃㹋㹇㸧
㹃㹊㹃㹁ࠉ㹄㹃㹃㹂ࠉ㹂㹃㹒
㹑㹃㹌㹑㹍㹐㸦㹄㸧㸦㹃㹋㹇㸧
㹃㹁㹓㹒㹒㹃㹐㸦㹄㸧
㹃㹁㹓㹒㹒㹃㹐㸦㹐㸧
㹄㹃㹃㹂㹃㹐ࠉ㹄㹊㹍㸿㹒ࠉ
㹑㹃㹌㹑㸦㹐㹄㸧㸦㹐㹃㹁㸧
㹄㹃㹃㹂㹃㹐ࠉ㹄㹊㹍㸿㹒
㹑㹃㹌㹑㸦㹐㹐㸧㸦㹐㹃㹁㸧
㹀㸿㹌㹉ࠉ㹓㹎ࠉ
㹑㹕ࠉ㸦㹐㸧
㹁㹌㸲㸰㸷
㹃㹊㹃㹁ࠉ㹄㹃㹃㹂ࠉ㹂㹃㹒ࠉ
㹑㹃㹌㹑㸦㹐㸧㸦㹐㹃㹁㸧
㹃㹊㹃㹁ࠉ㹄㹃㹃㹂ࠉ㹄㹊㹍㸿㹒ࠉ
㹑㹃㹌㹑㸦㹐㸧㸦㹐㹃㹁㸧
㹄㹃㹃㹂㹃㹐ࠉ㹄㹊㹍㸿㹒
㹑㹃㹌㹑㸦㹐㹄㸧㸦㹃㹋㹇㸧
㹄㹃㹃㹂㹃㹐ࠉ㹄㹊㹍㸿㹒ࠉ
㹑㹃㹌㹑㸦㹐㹐㸧㸦㹃㹋㹇㸧
㹁㹌㸲㸰㸴
㹁㹌㸯㸱㸰㸳
㸿㹇㹐㸦㹌㸧ࠉ㹑㹃㹌㹑㹍㹐
㸿㹇㹐㸦㹎㸧ࠉ㹑㹃㹌㹑㹍㹐
㹁㹌㸯㸱㸱㸱
㹁㸿㹊ࠉࠉ㹎㹁㹀
㹀㹉㸫㹄㹐
㹀㸿㹌㹉ࠉ
㹎㹁㹀ࠉ㸦㹄㸧
㹂㹐㹇㹔㹃ࠉ㹁㹗㹊㹇㹌㹂㹃㹐ࠉ
㸿㹑㹑㹗
㹂㹐㹇㹔㹃ࠉ㹁㹗㹊㹇㹌㹂㹃㹐ࠉ
㸿㹑㹑㹗
㹋㸫㹃ࠉ㹀㸿㹌㹉ࠉ㹑㹕
㹀㹉㸫㹄㹊
㹃ࠉ㹀㸿㹌㹉㸦㹐㸧
㹀㸿㹌㹉ࠉ
㹎㹁㹀ࠉ㸦㹐㸧
㹎㹍㹕㹃㹐ࠉ㹓㹌㹇㹒ࠉ㸲㸭㸳
㹃㹒㹄ࠉ㹎㹍㹕㹃㹐ࠉ
㹓㹌㹇㹒ࠉ㸰㸭㸰
㹋㸫㹀㸿㹌㹉㸦㹄㸧
㹃㹋㹅ࠉ㹑㹕㹝㹐
㹍㹎㹃㹐㸿㹒㹇㹍㹌ࠉ㹎㹁㹀ࠉ
㸦㹐㸧ࠉ㸰㸭㸰
㹑㹃㹐㹔㹍ࠉ㹄㹐㹃㹃
㹑㹒㸿㹐㹒
㹍㹌ࠉ㹊㹇㹌㹃
㹁㹗㹁㹊㹃㸭㹎㸿㹓㹑㹃
㹑㹒㹍㹎
㹍㹐㹇㹅㹇㹌
㹋㸿㹇㹌㹒㸿㹇㹌ࠉ㹉㹃㹗
㹍㹎㹃㹐㸿㹒㹇㹍㹌ࠉ㹎㹁㹀ࠉ
㸦㹄㸧ࠉ㸰㸭㸰
㹁㹍㹔㹃㹐㸦㹄㸧ࠉ㹊㹍㹁㹉ࠉ㹑㹔
㹁㹍㹔㹃㹐ࠉ㹍㹎㹃㹌ࠉ
㹑㹕㸦㹄㸧
㹃㹋㹅ࠉ㹑㹕㹝㹄
㹌㹍㹌㸫㹑㹒㹍㹎ࠉ㹑㹇㹅㹌㸿㹊ࠉ
㹊㹇㹅㹆㹒㸦㹄㸧
㹄㹃㹃㹂㹃㹐ࠉ㹑㹕㸦㹄㸧
㸦㹌㹍㹌㸫㹑㹒㹍㹎ࠉ㹍㹎㹃㹐㸿㹒㹇㹍㹌㸧
㹉㹃㹗ࠉ㹁㹆㸿㹌㹅㹃ࠉ㹑㹕
㹓㹑㹀ࠉ㹑㹃㹊㹃㹁㹒㹍㹐ࠉ
㸯㸭㸰
㹆㹍㹂ࠉ㹀㹍㹖
㹋㹍㹓㹑㹃㸭㹉㹃㹗㹀㹍㸿㹐㹂
㹑㹃㹊㹃㹁㹒㹍㹐ࠉ㸯㸭㸰
㸱㸮㸰㸮㹔㹐㸿ࠉ㹍㹌㹊㹗
㹁㹍㹔㹃㹐㸦㹐㸧ࠉ㹊㹍㹁㹉ࠉ㹑㹔
㹌㹍㹌㸫㹑㹒㹍㹎ࠉ㹑㹇㹅㹌㸿㹊ࠉ
㹊㹇㹅㹆㹒㸦㹐㸧
㹄㹃㹃㹂㹃㹐ࠉ㹑㹕㸦㹐㸧
㸦㹌㹍㹌㸫㹑㹒㹍㹎ࠉ㹍㹎㹃㹐㸿㹒㹇㹍㹌㸧
㹉㹃㹗ࠉ㹁㹆㸿㹌㹅㹃ࠉ㹑㹕
㹑㹇㹅㹌㸿㹊ࠉ㹊㹇㹅㹆㹒
㹇㹍㹌ࠉ㹑㹔
㹁㹌㸰
㹁㹌㸯
㹁㸿㹊㹄
㹁㹌㸴㸴㸷
㹁㹌㸯㸮㸶㸵
㹁㹌㸯㸷
㹁㹌㸯㸮㸶㸶
㹁㹌㸯㸱㸰㸱
㹁㹌㸯㸱㸱㸮
㹁㹌㸯㸱㸱㸱
㹁㹌㸯㸱㸰㸳
㸿㹒㹁ࠉ㹑㸬㹔㸬
㹁㹌㸯㸱㸰㸷
㹁㹌㸯㸱㸰㸲
㹁㹌㸯㸱㸱㸯
㹁㹌㸯㸱㸰㸱
㹁㹌㸯㸱㸱㸮
㹁㹌㸰㸯
㹁㹌㸯㸱㸰㸷
㹁㹌㸯㸱㸰㸲
㹁㹌㸯㸱㸱㸯
㹁㹌㸯㸱㸰㸵
㹃㸫㹁㹓㹒㹒㹃㹐
㹃㸫㹁㹓㹒㹒㹃㹐
㹁㹌㸯㸲㸱㸳
㹁㹌㸯㸱㸱㸳
㹁㹓㹒ࠉ㹄
㹁㹓㹒ࠉ㹐
㸿㹇㹐ࠉ
㹑㹃㹌㹑㹍㹐
㹂㹐㹇㹔㹃ࠉ㹁㹗㹊㹇㹌㹂㹃㹐ࠉ
㸿㹑㹑㹗
㹂㹐㹇㹔㹃ࠉ㹁㹗㹊㹇㹌㹂㹃㹐ࠉ
㸿㹑㹑㹗
㹋㸫㹃ࠉ㹀㸿㹌㹉ࠉ㹑㹕
㹊㹃㹂ࠉ㹎㹁㹀㸦㹄㸫㹊㹊㸧
㹊㹃㹂ࠉ㹎㹁㹀㸦㹄㸫㹊㹐㸧
㹊㹃㹂ࠉ㹎㹁㹀㸦㹄㸫㹐㹊㸧
㹊㹃㹂ࠉ㹎㹁㹀㸦㹄㸫㹐㹐㸧
㹊㹃㹂ࠉ㹎㹁㹀㸦㹐㸫㹐㹐㸧
㹊㹃㹂ࠉ㹎㹁㹀㸦㹐㸫㹐㹊㸧
㹊㹃㹂ࠉ㹎㹁㹀㸦㹐㸫㹊㹐㸧
㹊㹃㹂ࠉ㹎㹁㹀㸦㹐㸫㹊㹊㸧
㹋ࠉ㹀㸿㹌㹉ࠉ㹍㹌㹊㹗
㹁㹌㸱㸵㸮
㹁㹌㸱㸳㸱
㹃ࠉ㹀㸿㹌㹉㸦㹄㸧
㹐㹊㹗㸮㸱
㹁㹌㸲㸯㸶
㹁㹌㸶
㹁㹌㸵
㹁㹌㸰㸲
㹁㹌㸰㸱
㹁㹌㸯㸷
㹁㹌㸳
㹁㹌㸰㸮
㹁㹌㸱
㹁㹌㸱
㹁㹌㸰㸵
㹁㹌㸰㸶
㹁㹌㸱㸮
㹁㹌㸱㸯
㹁㹌㸯
㹁㹌㸲
㹁㹌㸲
㹁㹌㸯㸳
㹁㹌㸯㸴
㹁㹌㸯㸵
㹁㹌㸯㸶
㹁㹌㸰㸯
㹁㹌㸱
㹁㹌㸱
㹁㹌㸱㸵㸮
㹁㹌㸱㸳㸱
㹁㹌㸱㸳㸯
㹁㹌㸱㸳㸯
㹁㸿㹊㹐
㸯㸫㸯㹀
㹁㹌㸴㸷
㹁㹌㸴㸵
㹁㹌㸵㸮
㹁㹌㸲
㹁㹌㸲
㹀㹉㸫㹐㹊
㹀㹉㸫㹐㹐
㹁㹌㸰
㹁㹌㸷
㹁㹌㸯㸮
㹁㹌㸯㸱
㹁㹌㸵
㹁㹌㸶
㹁㹌㸳
㹁㹌㸴
㹁㹌㸰㸱
㸰㸫㸱㹀
㹁㹌㸰㸲
㹁㹌㸴㸳
㹁㹌㸱㸮
㹁㹌㸱㸯
㹁㹌㸴㸴
㹁㹌㸰㸳
㸲㸫㸲㸿
㸰㸫㸳㹁
㹁㹌㸯㸰
㹑㹕㸰
㹑㹕㸯
㹑㹕㸱
㹑㹕㸲
㹑㹕㸳
㹑㹕㸴
㹑㹕㸵
㹁㹌㸯
㹁㹌㸶
㹁㹌㸰㸱
㹁㹌㸵
㹁㹌㸰㸰
㹁㹌㸯㸳
㹁㹌㸰㸯
㹁㹌㸰㸲
㹁㹌㸯㸰
㹁㹌㸶
㹁㹌㸰㸱
㹁㹌㸵
㹁㹌㸰㸰
㹁㹌㸯㸳
㹁㹌㸯㸮
㹁㹌㸰㸮
㹁㹌㸯㸱
㸰㸫㸳㹁
㹑㹕㸰
㹑㹕㸯
㹑㹕㸲
㹑㹕㸳
㹁㹌㸯
㹁㹌㸯㸱
㹋㸫㹀㸿㹌㹉㸦㹐㸧
㸦㹋㸭㹃ࠉ㹀㸿㹌㹉ࠉ㹓㹌㹇㹒ࠉ㹍㹎㸧
㸷㸷
㹍㹌㹊㹗ࠉ㸱㸮㸯㸮㸿㸭㸰㸮㹔㸿㸭㸰㸮㹔㹐㸿
㹋ࠉ㹀㸿㹌㹉ࠉ㹍㹌㹊㹗
㹁㹍㹔㹃㹐ࠉ㹍㹎㹃㹌ࠉ㹑㹕㸦㹐㸧
㸶㸮
㹁㹍㹔㹃㹐ࠉ㹍㹎㹃㹌ࠉ㹑㹕㸦㹐㸧
㸷㸶
㹍㹌㹊㹗ࠉ㸱㸮㸯㸮㸿㹁㹊
㸯㸮㸰
㹍㹌㹊㹗ࠉ㸱㸮㸯㸮㸿㸭㸰㸮㹔㸿㸭㸰㸮㹔㹐㸿
㹂㹐㹇㹔㹃ࠉ㹁㹗㹊ࠉ
㹑㹃㹌㹑㹍㹐ࠉ㹄ࠉ㸿㹑㹋
㹁㹌㸲㸳㸯
㹄㹃㹃㹂㹃㹐ࠉ
㹎㹁㹀ࠉ㸰㸭㸰
㸰㸫㸳㸿
㸯㸮㸵
㹍㹌㹊㹗ࠉ㸱㸮㸯㸮㸿㸭㸰㸮㹔㸿㸭㸰㸮㹔㹐㸿
㸦㹋㸭㹃ࠉ㹀㸿㹌㹉ࠉ㹓㹌㹇㹒ࠉ㹍㹎㸧
㸯㸮㸶
㹁㹌㸰
㸦㹋㸭㹃ࠉ㹀㸿㹌㹉ࠉ㹓㹌㹇㹒ࠉ㹍㹎㸧
㹁㹌㸰
㸦㹋㸭㹃ࠉ㹀㸿㹌㹉ࠉ㹓㹌㹇㹒ࠉ㹍㹎㸧
㸯㸮㸷

- 174 -
NOTE( 注記 ) #01....FOR EN EN 用
#02....FOR 3010A,3010ACL 3010 A,3010 ACL 用
#03....FOR 3020VA,3020VRA 3020 VA,3020 VRA 用
#04....FOR 3010A(EN),3010ACL(EN) 3010 A(EN),3010 ACL(EN)用
#05....FOR 3020VA(EN),3020VRA(EN) 3020 VA(EN),3020 VRA(EN)用
#06....FOR 3010ACL 3010 ACL 用
#07....EXCEPT 3010ACL 3010 ACL を除く
#08....FOR 3020VRA 3020 VRA 用
#09....ME BANK COMMON USE SPECIFICATION メカ電動バンク共用仕様
REF.NO NOTE PART NO D E S C R I P T I O N
品 名
Qty
1 400-02125 CAL VACUUM SV ASM
CALバキュームSV組
1
2 401-48271 CAL BLOCK PCB ASM
CALブロック基板組
1
3 401-09996 CAL BLOCK CABLE ASM
CALブロックケーブル組
1
4 400-47483 FEEDER CAL(F) CABLE ASM
CAL(F)ケーブル組
1
5 400-47560 FEEDER PCB ASM
フィーダ基板組
1
6 401-22811 CAL-VACUUM SENSOR
CAL−VCUMセンサ組
1
7 401-29062 PHOTOMICRO SENSOR ASM
PHOTOMICRO センサ組
1
8 401-46402 FEEDER SENSOR CABLE F ASM
フィーダセンサケーブル組
1
9 400-48176 FEEDER SENSOR RELAY(F) CABLE ASM
フィーダセンサ中継ケーブル(F)組
1
10 401-29058 SEPARATE SENSOR EMISSION ASM
SEPARATE センサ投光組
1
11 400-92510 ATC SV CABLE ASM
ATCソレノイドバルブケーブル組
1
12 401-29057 SEPARATE SENSOR RECEIVER ASM
SEPARATE センサ受光組
1
13
#07
401-29058 SEPARATE SENSOR EMISSION ASM
SEPARATE センサ投光組
1
14
#07
401-46400 FEEDER SENS CABLE R ASM
フィーダセンサケーブル R 組
1
15
#07
401-46399 REAR FEEDER DETECT SENSOR RELAY CABLE ASM
リアフィーダDETECT センサ中継ケーブル組
1
16
#07
401-29057 SEPARATE SENSOR RECEIVER ASM
SEPARATE センサ受光組
1
17 400-48177 FEEDER SENS RELAY(R) CABLE ASM
フィーダセンサ中継ケーブル(R)組
1
18 401-23126 AUTO TAPE CUTTER F CABLE ASM
オートテープカッターFケーブル組
1
19 401-23124 FEEDER CUTTER(F) WIRE ASM
フィーダカッターFケーブル組
1
20 401-23127 AUTO TAPE CUTTER R CABLE ASM
オートテープカッターRケーブル組
1
21 401-23125 FEEDER CUTTER(R) WIRE ASM
フィーダカッターRケーブル組
1
22 401-46358 AIR PRESSURE SENSOR RELAY CABLE ASM
AIR PRESSURE センサ中継ケーブル組
1
23 401-46357 FEEDER AIR SENSOR RELAY CABLE ASM
フィーダAIR センサ中継ケーブル組
1
24 401-29080 AIR(N) SENSOR CABLE ASM
AIR(N)センサケーブル組
1
25 401-29071 AIR(P) SENSOR CABLE ASM
AIR(P)センサケーブル組
1
26 400-00574 DRIVE CYLINDER ASSY
ドライブシリンダ組
1
27 400-92511 SWITCH D3DC-3
スイッチD3DC−3
1
28 401-35350 BANK FIXED FR CABLE ASM
バンク固定 FR ケーブル組
1
29 401-35351 BANK FIXED FL CABLE ASM
バンク固定 FL ケーブル組
1
30 401-09990 M BANK SWITCH F CABLE ASM
メカバンクスイッチ F ケーブル組
1
31 400-66568 BANK PCB ASM
バンク基板組
1
32 401-09986 MECH BANK CONNECTOR F CABLE ASM
メカバンクコネクタ F ケーブル組
1
33 401-09985 MECH BANK CABLE ASM
メカバンクケーブル組
1
34 401-09988 M BANK DC PWR CABLE F ASM
メカバンクDC電源 F ケーブル組
1
35 401-09987 BANK PWR CABLE F ASM
バンク電源 F ケーブル組
1
36 400-47481 FEEDER IF RELAY(F) CABLE ASM
フィーダIF中継ケーブル(F)組
1
37 401-46390 FEEDER IF RELAY(F) CABLE ASM
フィーダIF 中継ケーブル(F)組
1
38 401-07941 FEEDER IF RELAY-03 CABLE ASM
フィーダIF 中継03ケーブル(F)組
1
39 401-46392 E-FDR IF F CABLE ASM
E−FDR IF Fケーブル組
1
40 401-11734 ELEC BANK RELAY WIRE ASM
電動バンク中継ワイヤ組
1
41 401-13687 ELEC BANK FG WIRE ASM
電動バンクFGワイヤ組
1
42 401-09983 ETF(F) PWR CABLE ASM
ETF 電源ケーブルF組
1
43 401-14533 ETF_POWER_ASM
ETF電源組
1
44
#02
401-49489 POWER SUPPLY UNIT 10 ASM
電源ユニット10組
1
45
#04
401-49490 POWER SUPPLY UNIT 10(EN) ASM
電源ユニット10(EN)組
1
46
#03
401-49556 POWER SUPPLY UNIT 20 ASM
電源ユニット20組
1
47
#05
401-49559 POWER SUPPLY UNIT 20(EN) ASM
電源ユニット20(EN)組
1
48 401-46428 FEEDER CAL (R) CABLE ASM
フィーダCAL(R)ケーブル組
1
49 401-09999 FEEDER XY EMG CABLE ASM
フィーダXY EMGケ−ブル組
1
50 401-09980 FEEDER PWR CABLE ASM
フィーダ電源ケーブル組
1
51
#07
401-09984 ETF(R) PWR CABLE ASM
ETF 電源ケーブルR組
1
52
#07
400-47482 FEEDER IF RELAY(R) CABLE ASM
フィーダIF中継ケーブル(R)組
1
53
#07
401-07942 FEEDER IF RELAY-04 CABLE ASM
フィーダIF 中継04ケーブル組
1
54
#07
401-13687 ELEC BANK FG WIRE ASM
電動バンクFGワイヤ組
1
55
#07
401-46393 E-FDR IF R CABLE ASM
E−FDR IF Rケーブル組
1
56
#07
401-11734 ELEC BANK RELAY WIRE ASM
電動バンク中継ワイヤ組
1
57
#07
401-46391 FEEDER IF RLY(R) CABLE ASM
フィーダIF 中継ケーブル(R)組
1
58
#07
400-00574 DRIVE CYLINDER ASSY
ドライブシリンダ組
1
59
#07
400-92511 SWITCH D3DC-3
スイッチD3DC−3
1
60
#07
401-35352 BANK FIXED RL CABLE ASM
バンク固定 RL ケーブル組
1
61
#07
401-35353 BANK FIXED RR CABLE ASM
バンク固定 RR ケーブル組
1
62
#07
401-09995 M BANK SWITCH R CABLE ASM
メカバンクスイッチ R ケーブル組
1
63
#07
400-66568 BANK PCB ASM
バンク基板組
1
64
#07
401-09994 M BANK AC PWR CABLE R ASM
メカバンクAC電源 R ケーブル組
1
65
#07
401-09985 MECH BANK CABLE ASM
メカバンクケーブル組
1
66
#07
401-09992 BANK PWR CABLE R ASM
バンク電源 R ケーブル組
1
67
#07
401-09993 M BANK DC PWR CABLE R ASM
メカバンクDC電源 R ケーブル組
1
68
#07
401-09991 MECH BANK CONNECTOR R CABLE ASM
メカバンクコネクタ R ケーブル組
1
69 401-13653 FPI LED CABLE(FL)ASM
FPI LED ケーブル(FL)組
1
70 401-13654 FPI LED CABLE(FR)ASM
FPI LED ケーブル(FR)組
1
71 401-13655 FPI LED CABLE(RR)ASM
FPI LED ケーブル(RR)組
1
72 401-13656 FPI LED CABLE(RL)ASM
FPI LED ケーブル(RL)組
1
73 401-09989 M BANK AC PWR CABLE F ASM
メカバンクAC電源 F ケーブル組
1
74 401-10070 OPERATION PWR CABLE(F)ASM
オペレーション電源ケーブル組(F)
1
75 401-10071 OPERATION PWR CABLE(R)ASM
オペレーション電源ケーブ組(R)
1
76 401-48273 OPERATION PCB FRONT10 PCB ASM
オペレーション基板フロント10組
1
77
#01
401-48277 OPERATION PCB FRONT10 ASM(EN)
オペレーション基板フロント10組(EN)
1
78 401-20505 EMG SW ASM
EMG SW組
1
79
#01
401-31989 EMG SW F CABLE ASM (EN)
EMG SW Fケーブル組(EN)
1
80 400-02254 COVER OPEN SW CABLE ASM
カバーオープンスイッチケーブル組
1
81 401-46406 COVER LOCK SV CABLE ASM
カバーロック SV ケーブル組
1
82 401-46405 COVER LOCK SV ASM
カバーロック SV組
1
83 401-13676 MINI SIGNAL RLY CABLE F ASM
ミニシグナル中継ケーブル F組
1
84 400-48055 MINI PATLITE ASM
ミニパトライト組
1
85 400-48035 L_FEEDER SW ASM
レフトフィーダSW組
1
86 400-48036 CONSOLE SW ASM
コンソールSW組
1
87 401-46446 USB SELECT CABLE ASM
USBセレクタ組
1
88 401-41515 USB SELECT PCB ASM
USBセレクタ基板組
1
89 401-46412 HOD-OPERATION I/F CABLE ASM
HOD−OPERATION I/F ケーブル組
1
90
#08
401-10072 CONSOLE SELECT CABLE ASM
コンソール切り替えケーブル組
1
91
#08
400-03281 MOUSE/KEYBOARD SELECTOR
マウス/キーボード切り替え
1
92 E9649-729-000 HOD ASM.
HOD組
1
93
#01
E9662-729-000 HOD (EN)
HOD(EN)
1
94 401-48275 OPERATION PCB REAR10 ASM
オペレーション基板リア10組
1
95
#01
401-48279 OPERATION PCB REAR10 ASM(EN)
オペレーション基板リア10組(EN)
1
96 401-20506 EMG SW (R) ASM
EMG SW(R)組
1
97
#01
401-31990 EMG SW R CABLE ASM (EN)
EMG SW R ケーブル組(EN)
1
98
#06
401-58866 COVER OPEN SW CABLE ASM
カバーオープンSWケーブル組
1
99
#07
401-46406 COVER LOCK SV CABLE ASM
カバーロック SV ケーブル組
1
100
#07
401-46405 COVER LOCK SV ASM
カバーロック SV組
1
101 401-13677 MINI SIGNAL RLY CABLE R ASM
ミニシグナル中継ケーブルR組
1
102 401-46359 SIGNAL TOWER CABLE ASM
シグナルタワーケーブル組
1
103 401-46451 IONIZER SV CABLE ASM
イオナイザSVケーブル組
1
104 401-29009 SIGNAL TOWER CABLE ASM
シグナルタワーケーブル組
1
105 401-13674 IONIZER SV ASM
イオナイザSV組
1
106 E8626-729-0A0 FPI LED BOARD ASM.
FPI LED基板組
1
107
#09
400-92513 DRIVE CYL SENSOR F ASM
ドライブシリンダセンサFケーブル組
1
108
#09
401-09981 FEEDER IF F CABLE ASM
フィーダIF Fケーブル組
1
109
#09
401-09982 FEEDER IF R CABLE ASM
フィーダIF Rケーブル組
1
110
#09
401-29057 SEPARATE SENSOR RECEIVER ASM
SEPARATE センサ受光組
1

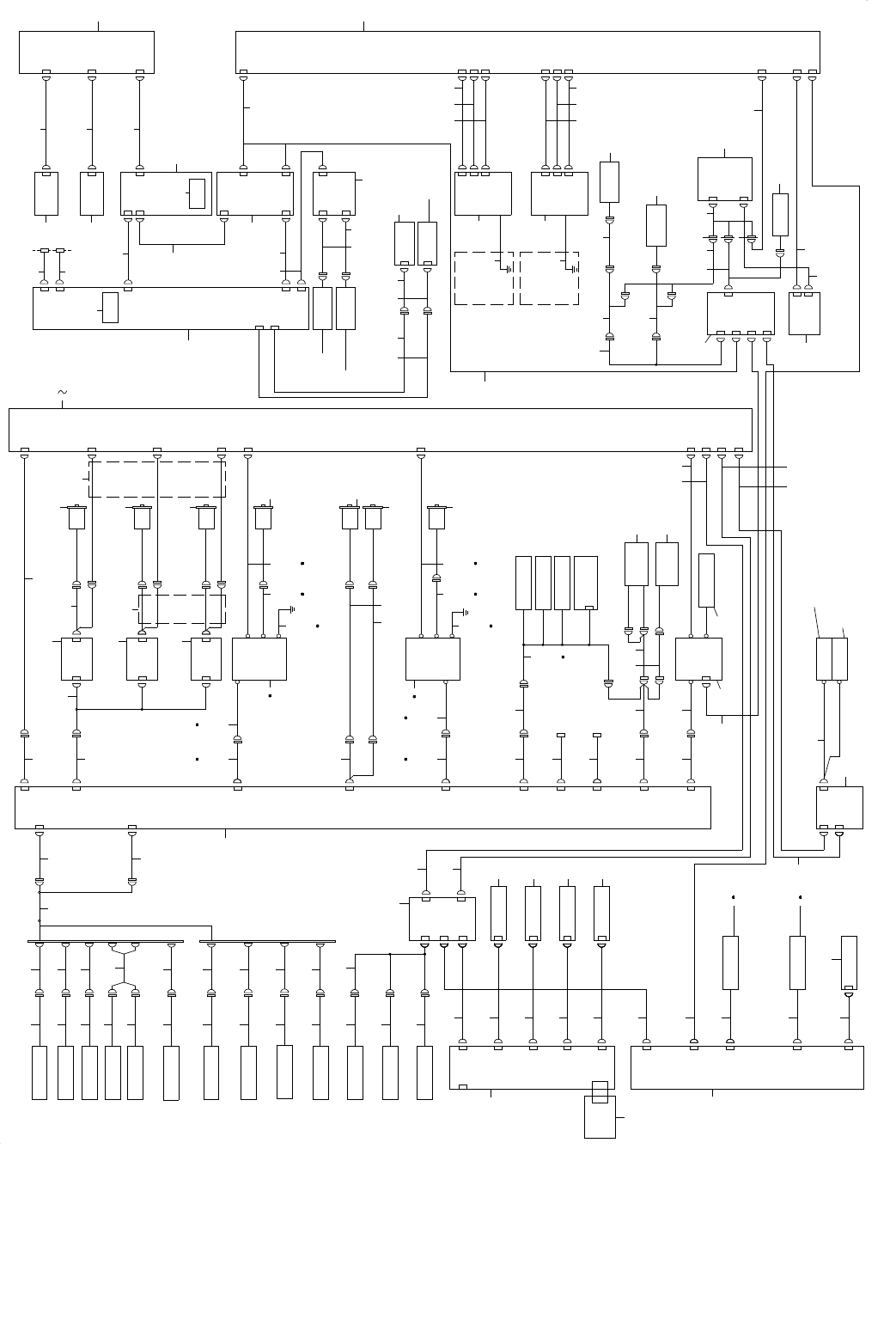
- 175 -
88.SYSTEM DIAGRAM(4)
SYSTEM DIAGRAM(4)
1 3 5 7 3
1
2 4 6
9 11
13
15
10
12
14
16
8
153
154 42
20 21
19
43
23
24 25 25 25 33 34 35
22
26
32
36 37
30
17
18
31 31 31
28 29
27
38
40
39
38 41
101
103
44 46
47
45
51 52
53 54
55 51 52
56 57
59
58 61 62
48
76
77
48
48
49 50
60 82
49 50
106 109
74
757575
83 88
89 96
63
69
64 70
71
72
65
66
67 68
87
86
105
104
102
94 95
92 93
90 91
84 85
80
81
78 79
97
98
99
100
110
112
111
111
113
114
115
116
119
118
122 123 126
120 121
125
127
130
128
124 129
117
131
133
132
133
132
140
141141
144 110
146
145
147
149
143
143
142
150
152
151
148
134
135
136
139
138
137
73
LEFT SENSOR
WAIT SENSOR
BU ORG SENSOR
STOP SENSOR
COUT SENSOR
RIGHT SENSOR
BU PIN SENSOR
(EMISSION)
BU LOCK SENSOR
BU PIN SENSOR
(RECEIVING)
AWC ORG SENSOR
VCS OP
SENS ASM
VCS ST
SENS ASM
VCS S.V.
CABLE ASM
S BOTTOM
LIGHT PCB
IP-X7
PCB 2/2
2-1B
CN10 72
CN10 67
CN1065
CN1066
CN1370
CN1371
CN475
CN474
CN476
S4
S3
S1
S6
S7
S5
SB1
S1
S3
S2
S5
SB2
COAXIA L
LIGHT PCB
CN2
CN1
CN9
CN6
CN6
CN6
CN6
VOUT
AC1
AC2
IP-X7 ENC
CN4
CN1
VCS
CAMERA
VCS
CAMERA
XENC
LENZE ST
LENZE OP
1-2B
X SERVO AMP
MR-J4-70B-KM012 2/2
SSIDE
LIGHT PCB
CN1
SSIDE
LIGHT PCB
CN1
SSIDE
LIGHT PCB
CN1
S LIGHT
CTRL PCB
2/2
BACK LIGHT
PCB
CN1
CN10
CN9
CN8
2-1A
CN7
CN6
CN10
CN9
BASE I/O
PCB 2/2
2-5B
CN22
CN16
CN12
CN14
CN17
CN14
CN23
CN25
CN3
CN4
CN21
CN15
CN5
CN8
SMEMA
(LOWER
UNIT)
SMEMA
(UPPER
UNIT)
CN13
FLUX SV
EV
FLUXER1
FLUXER2
LOAD CELL
AMP
CN1
CN1
CN2
CVS PCB
CN3
CVS
CONTACT(+)
CVS
CONTACT(-)
FLUXER
UNIT ASM
(BANK)
FLUXER
UNIT ASM
(BASE)
STOPPER SV
SHAPE Y SV
(BU_L LOCK SV)
CN909
(SAFTY UNIT)
LOAD CELL ASM
AWC MOTOR
AWC MOTOR
BU UP ENCODER
AWCM
AWCE
BUE
CN8
2P
4P
BANK
CN60
CN36
CN28
CN11
CN12
BU UP MOTOR
CN34
CN35
CEN T
MOTOR
OUT
MOTOR
IN
MOTOR
POWER UNIT 5/5
3-3B
CN27
CN33
CN16
CN12
BUM
OTM-P
RMT
CMT
CM-P
LMT
INM-P
IN MOTOR
DRV
CENT MOTOR
DRV
OUT MOTOR
DRV
CN1
CN2
CN1
CN2
CN1
CN2
5PHASE DRIVER
CN15
5PHASE DRIVER
CN17
CN18
CN14
S-XY RELAY
PCB 3/3
YL SERVO AMP
MR-J4-200B-KM012
2/2
COPLA CPU
BOAD 2/2
COPLA MONITOR
SWITCH BOARD
2/2
CN13
2-5C
YENC
1-2C
LAN1
DVI1
LAN 2
1-3D
CN3
CN2
CN8
CN1
CN1
CN3
CN2
USB
SELECTOR
2/2
CPU
BOARD
1/2
USB
USB
USB
LAN
SSD
DVI1
2-4D
USB
KEYBOARD
SP ASM
USB
KEYBOARD
SP ASM
REAR
FRONT
SUPER IMPOSE
BOARD
COPLA SENSOR
HEAD
RS232C
VIDEO
DC12V
RS232C
DC12V
VIDEO
MONITOR(F)
MONITOR(R)
EN ONLY
EN ONLY
CODE
READER
(HEAD)
DM100
DM100
CODE
READER
(CONVE YOR)
DM100
ATX- POWER
2/2
1-2D
HD
COM
RS1
DVI1
M1(OUT 12V)
RS2
M2(OUT 12V)
DVI2
INPUT DC12V
RS PC1
NTSC1
CN9
CN6
CN5
BARCODE
READER
BR
SIO7
SIO8
5VDC
5VDC
8-PORT COM
BOARD 3/3
2-5B
SIO7/8
SIO5
SIO6
SIO4
SIO3
2-4B
CPU
BOARD
2/2
COM2
COM1
LAN
DVI PC
155
COPLA
SSD ASM
BARCORD
READER(R)
BARCORD
READER(F)
USB
USB
156
156
157
157
158
158
117