KE-2070_KE-2080_KE-2080R-Rev14PDFA - 第153页
- 14 6 - N O TE( 注記 ) # 01.. .. FOR 2070E,2080E, 20 8 0RE 2070 E,2080 E,2080 RE 用 #0 2 ....F O R 20 80 , 20 80 R 2080,2080 R 用 #0 3 ....REFER TO THE LAS T P AGE 最終ページのマシン Rev 管理表を参照下さい。 M /C RE V C HA RT . #0 4 ....F O R…

- 145 -
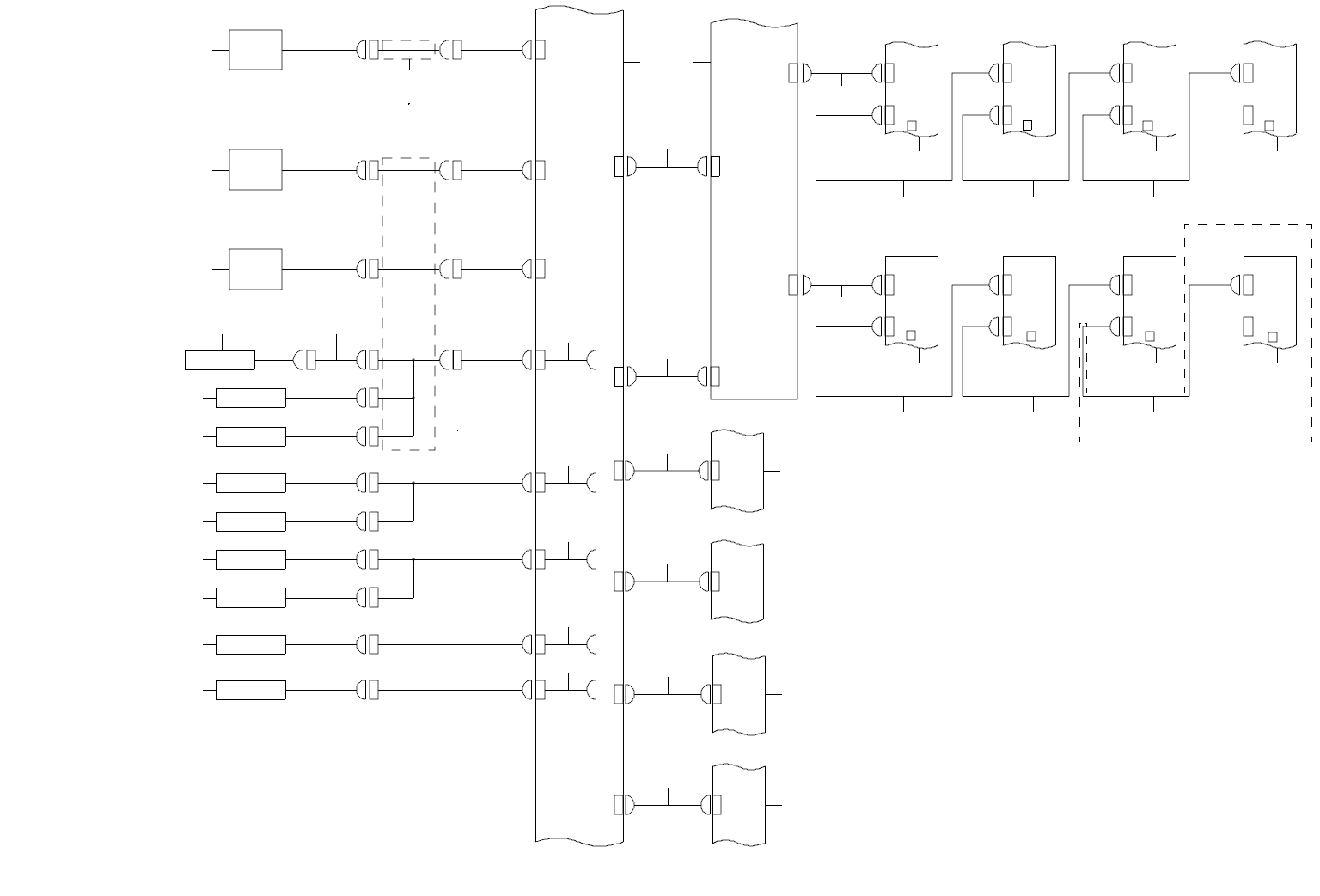
73. SYSTEM DIAGRAM (XY MOTOR/SSC NET)
SYSTEM DIAGRAM(XY MOTOR / SSC NET)
ONLY KE-2080
LS0-9
LS 0- 7
LS 0- 3
LS0-2
LS0-1
4- 5C4-5 C4-5B4-5A
3-2C
3- 2A
3-2B
1-4B
1-3B
1-4B
1-3B
2- 4A
2- 5A
2- 4A
2 -5A
CN13 LS0-13 YR CN2LCN2L
CN12 LS0-12 YL CN2LCN2L
CN11 LS0-11 XR CN2LC N2L
CN10 LS0-10 XL CN2LC N2L
YR SERVO
AMP(2/4)
MR-J3-200B-RJ024
YL SERVO
AMP(2/4)
MR-J3-200B-RJ024
XR SER VO
AMP(2/ 4)
MR-J3- 70B-RJ024
XL SER VO
AMP(2/ 4)
MR-J3- 70B-RJ024
Y BEAR CABLES(E)
XY BEAR CABLES
CN8
CN6
CN142
MAGNETIC
SCALE Y
SENSOR
UNIT
CN134 LS0-8
CN141
MAGNETIC
SCALE Y
SENSOR
UNIT
CN133
LS0-6
CN5
XY BEAR CABLES(E)
CN176
MAGNETIC
SCALE X
SENSOR
UNIT
CN175 LS0-5
CN140
YR OR G SEN SOR
LS0-9
CN136
YL OR G SEN SOR
LS0-7
+Y LIMIT(FEEDER)
SENSOR
CN139
CN132
CN C OVE R
ZTDCN1A
ZTC CN2A
ZTCCN1A
ZT BCN2 A
ZTBCN1A
ZT ACN2A
ZTACN1A
ID
2
ZT C S ERV O
AM P(1 /5)
MR -MD 100
CN2A
CN1A
ID
0
CN2A
CN1A
Z TA SER VO
A MP( 1/5 )
M R-M D10 0
MR-J3BUS015M
ID
3
Z TD SER VO
A MP( 1/5 )
M R-M D10 0
CN 2A
CN1A
CN 2A
CN1A
ID
1
ZTB SE RVO
AMP (1/ 5)
MR- MD1 00
MR-J3BUS1M
MR-J3BUS015MMR-J3 BU S01 5M
LS0-4-2 M CCN2C H
3- 2B
2- 3D
ID
3
YR SERVO
AMP(3/4)
MR-J3-200B-RJ024
CN2A
CN1A
Y BEAR CABLES
2 -3D
ID
2
CN2A
CN1A
YL
YL SERVO
AMP(3/4)
MR-J3-200B-RJ024
MR-J3BUS015M
CN143
CN137
CN138
CN130
CN131
CN156 CN127
LS0-3
LS0-2
LS0-1
CN9
CN7
CN3
CN2
CN1
Y NEAR SENS OR
-Y LIMI T SEN SOR
+Y LI MI T( TR AY )
SENSOR
-X LIMI T SEN SOR
+X LIMI T SEN SOR
X N EAR S ENSOR
1-2C
2-3C2-3C
12-4C
1-2C
2CH
XR
ID
1
XR SERVO
AMP(3/4)
MR-J3-70B- RJ024
CN 2A
CN1A
CN 2A
CN1A1CH
C N4-2 2 CH
YR
XL
ID
0
XL SERVO
AMP(3/4)
MR-J3-70B- RJ024
XY RELA Y
PCB(2 /5)
LS0-4-1CN4-1 MCCN1CH 1CH
POSITION
BOARD(1/2)
MR-MC-121-S01
MR-J3BUS1M
MR-J3BUS015MMR-J3 BU S01 5M
321
4
5 6 7 8 9 10 11 12
13
14
15
34
35
16 17 18 19 20 21 22 23
25 26 27 28 29
39
40 42
41
30 31
32 33
24 36
37 38
45 53
44 52
47
49 57
55
50 58
48
46
43 51
54
56

- 146 -
NOTE( 注記 ) #01....FOR 2070E,2080E,2080RE 2070 E,2080 E,2080 RE 用
#02....FOR 2080,2080R 2080,2080 R 用
#03....REFER TO THE LAST PAGE 最終ページのマシン Rev 管理表を参照下さい。
M/C REV CHART.
#04....FOR 2080,2080R 2080,2080 R 用
(REFER TO THE LAST PAGE (最終ページのマシン Rev 管理表を参照下さい。)
M/C REV CHART.)
REF.NO NOTE PART NO D E S C R I P T I O N
品 名
Qty
1 400-44531 MAGNETIC SC ALE X SENSOR UNIT
マグネチックスケール X センサユニット
1
2 400-44532 MAGNETIC SC ALE Y SENOR UNIT
マグネチックスケール Y センサユニット
1
3 400-44532 MAGNETIC SC ALE Y SENOR UNIT
マグネチックスケール Y センサユニット
1
4 400-02227 X PLUS LMT SENSOR ASM
X 軸プラスリミットセンサ組
1
5 400-02228 X MINUS LMT SENSOR ASM
X 軸マイナスリミットセンサ組
1
6 400-02229 X ORG RANGE SENSOR ASM X 軸原点周囲センサ組 1
7 400-02070 YL+ LMT SENSOR(FEEDER)ASM
Y 軸プラスリミットフィーダセンサ組
1
8 400-02069 YL+ LMT SENSOR(TRAY)ASM
Y 軸プラスリミットトレイセンサ組
1
9 400-02068 Y MINUS LMT SENSOR ASM
Y 軸マイナスリミットセンサ組
1
10 400-45414 Y NEAR SENSOR ASM
Y ニアセンサ組
1
11 400-02171 YL ORG SENS ASM
YL 原点センサ組
1
12 400-02172 YR ORG SENS ASM
YR 原点センサ組
1
13 400-45409 X SENSOR RELAY CABLE ASM
X センサーリレーケーブル組
1
14 400-58385 XY BEAR CABLES ASM
XY ベアケーブル組
1
15
#01
400-59779 XY BEAR CABLES ASM(E)
XY ベアケーブル組(E)
1
16 400-45405 X LINEAR SENSOR CABLE ASM
X リニアセンサーケーブル組
1
17 400-45406 YL LINEAR SENSOR CABLE ASM
YL リニアセンサーケーブル組
1
18 400-45407 YR LINEAR SENSOR CABLE ASM
YR リニアセンサーケーブル組
1
19 400-45408 X SENSOR CABLE ASM X センサーケーブル組 1
20 400-45410 Y POS LMT SENSOR CABLE ASM
Y POS LMT センサーケーブル組
1
21 400-45411 Y NEG LMT SENSOR CABLE ASM
Y NEG LMT センサーケーブル組
1
22 400-45412 YL ORG SENSOR CABLE ASM
YL ORG センサーケーブル組
1
23 400-45413 YR ORG SENSOR CABLE ASM
YR ORG センサーケーブル組
1
24 400-44538 SERVO AMP 750W
X 軸サーボアンプ750 W
1
25 400-44848 XY RELAY CABLE4
XY リレーケーブル4
1
26 400-44849 XY RELAY CABLE5
XY リレーケーブル5
1
27 400-44851 XY RELAY CABLE7
XY リレーケーブル7
1
28 400-44850 XY RELAY CABLE6
XY リレーケーブル6
1
29 400-44852 XY RELAY CABLE8
XY リレーケーブル8
1
30 400-45415 XL L-ENC CABLE ASM XL L − ENC ケーブル組 1
31 400-45416 XR L-ENC CABLE ASM
XR L − ENC ケーブル組
1
32 400-45417 YL L-ENC CABLE ASM
YL L − ENC ケーブル組
1
33 400-45418 YR L-ENC CABLE ASM
YR L − ENC ケーブル組
1
34 400-58384 Y BEAR CABLES ASM
Y ベアケーブル組
1
35
#01
400-59779 XY BEAR CABLES ASM(E)
XY ベアケーブル組(E)
1
36 400-44538 SERVO AMP 750W
X 軸サーボアンプ750 W
1
37 400-44539 SERVO AMP 2000W
Y 軸サーボアンプ2000 W
1
38 400-44539 SERVO AMP 2000W
Y 軸サーボアンプ2000 W
1
39 400-44557 XY RELAY PCB ASM
XY リレー基板組
1
40 400-45393 DI 1CH CABLE ASM
DI 1 CH ケーブル組
1
41 400-44540 16AXIS 2CH SERVO CONTROLLER
16軸 2 CH ポジションボード
1
42 400-45394 DI 2CH CABLE ASM
DI 2 CH ケーブル組
1
43 400-44539 SERVO AMP 2000W Y 軸サーボアンプ2000 W 1
44 401-18620 OPTICAL FIBER CABLE 1M
光ファイバケーブル 1M
1
45 400-44541 OPTICAL FIBER CABLE 0.15M
光ファイバケーブル0.15 M
1
46 400-44538 SERVO AMP 750W
X 軸サーボアンプ750 W
1
47 400-44541 OPTICAL FIBER CABLE 0.15M
光ファイバケーブル0.15 M
1
48 400-44539 SERVO AMP 2000W
Y 軸サーボアンプ2000 W
1
49 400-44541 OPTICAL FIBER CABLE 0.15M
光ファイバケーブル0.15 M
1
50 400-44538 SERVO AMP 750W
X 軸サーボアンプ750 W
1
51
#03
401-55289 4AXIS SERVO AMP
4軸一体型サーボアンプ
1
52 400-48070 OPTICAL FIBER CABLE 7M
光ファイバケーブル 7M
1
53 400-44541 OPTICAL FIBER CABLE 0.15M
光ファイバケーブル0.15 M
1
54
#03
401-55289 4AXIS SERVO AMP
4 軸一体型サーボアンプ
1
55 400-44541 OPTICAL FIBER CABLE 0.15M
光ファイバケーブル0.15 M
1
56 #03 401-55289 4AXIS SERVO AMP 4軸一体型サーボアンプ 1
57
#02
400-44541 OPTICAL FIBER CABLE 0.15M
光ファイバケーブル0.15 M
1
58
#04
401-55289 4AXIS SERVO AMP
4 軸一体型サーボアンプ
1

- 147 -
74. SYSTEM DIAGRAM (XY MOTOR)
SYSTEM DIAGRAM(XY MOTOR)
Y BEAR CABLES(E)
F8E
F12E
F13E
F14E
CN168CN168
CN164CN164
YRCNMTR
Y MOTOR SW(2/2 )
YRCNENC
YRCNP3
YRCN2
YLCNMTR
Y MOTOR SW(1/2)
3-2C
YLCNENC
XRCNMTR
XRCNENC
XLCNMTR
XLCNENC
CN167
CN155
CN166
CN154
CN165
CN152
2-3A
YL SERVO
AMP(4/4)
MR-J3-200B-RJ0 24
YL SERVO
MOTOR
HF-RP153D-S1
YLCNP3
YLCN2
CNP3
CN2
Y BEAR CABLES
2-4A
XL
XL SERVO
AMP(4/4)
MR-J3-70B-RJ02 4
XL SERVO
MOTOR
HF-KP7SD-S1
CN162
CN153
CN161
CN151
XLCNP3
XLCN2
CNP3
CN2
YR SERVO
MOTOR
HF-RP153D-S1
CNP3
CN2
2-4A
2-5A
YR
YR SERVO
AMP(4/4)
MR-J3-200B-RJ0 24
YL
XR
XR SERVO
AMP(4/4)
MR-J3-70B-RJ02 4
XR SERVO
MOTOR
HF-KP73D-S1
XRCNP3
XRCN2
CNP3
CN2
221681
23 910
28 7 11 12
13 14
6
15
21 27
17
18
19
20
23
24
25
26
4 5