KE-2070_KE-2080_KE-2080R-Rev14PDFA - 第156页
- 14 9 - 75 . SY ST E M DI AG RA M (Z T P OW E R) SYSTEM DIAGRAM(ZT POWER) ON LY KE -2 08 0 CN 09 8 CN 03 3 CN 03 2 5 -3A 5 -2A 5-1 A X Y BEA R CAB LES(E ) XY BE AR C AB LES CN 098 CN 033 CN21 4 CN21 3 CN21 2 Z TAC NP 1 …

- 148 -
NOTE( 注記 ) #01...FOR 2070E,2080E,2080RE 2070 E,2080 E,2080 RE 用
REF.NO NOTE PART NO D E S C R I P T I O N
品 名
Qty
1 400-44538 SERVO AMP 750W
X 軸サーボアンプ750 W
1
2 400-45395 XL ENC CABLE ASM
XL ENC ケーブル組
1
3 400-45396 XL MTR CABLE ASM
XL MTR ケーブル組
1
4 400-58384 Y BEAR CABLES ASM
Y ベアケーブル組
1
5
#01
400-59789 Y BEAR CABLES ASM(E)
Y ベアケーブル組(E)
1
6 400-44536 SERVO MOTOR 750W
X 軸サーボモータ750 W
1
7 400-44546 X MTR PWR CABLE
X MTR パワーケーブル
1
8 400-44538 SERVO AMP 750W
X 軸サーボアンプ750 W
1
9 400-45397 XR ENC CABLE ASM
XR ENC ケーブル組
1
10 400-45398 XR MTR CABLE ASM
XR MTR ケーブル組
1
11 400-45399 XR ENC RELAY CABLE ASM
XR ENC リレーケーブル組
1
12 400-45400 XR MTR RELAY CABLE ASM
XR MTR リレーケーブル組
1
13 400-44545 X MOTOR ENCODER CABLE
X 軸エンコーダ中継ケーブル
1
14 400-44546 X MTR PWR CABLE
X MTR パワーケーブル
1
15 400-44536 SERVO MOTOR 750W
X 軸サーボモータ750 W
1
16 400-44539 SERVO AMP 2000W
Y 軸サーボアンプ2000 W
1
17 400-45401 YL ENC CABLE ASM
YL ENC ケーブル組
1
18 400-46668 YL MOTOR RELAY CABLE ASM
YL モータリレーケーブル組
1
19 400-46670 Y MOTOR SW CABLE ASM
Y モータ SW ケーブル組
1
20 400-46666 YL MOTOR CABLE ASM
YL モータケーブル組
1
21 400-44537 SERVO MOTOR 1500W
Y 軸サーボーモータ1500 W
1
22 400-44539 SERVO AMP 2000W
Y 軸サーボアンプ2000 W
1
23 400-45403 YR ENC CABLE ASM
YR ENC ケーブル組
1
24 400-46669 YR MOTOR RELAY CABLE ASM
YR モータリレーケーブル組
1
25 400-46670 Y MOTOR SW CABLE ASM
Y モータ SW ケーブル組
1
26 400-46667 YR MOTOR CABLE ASM
YR モータケーブル組
1
27 400-44537 SERVO MOTOR 1500W Y 軸サーボーモータ1500 W 1
28 400-44545 X MOTOR ENCODER CABLE
X 軸エンコーダ中継ケーブル
1

- 149 -
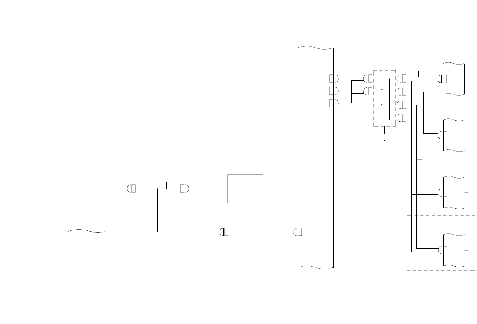
75. SYSTEM DIAGRAM (ZT POWER)
SYSTEM DIAGRAM(ZT POWER)
ONLY KE-2080
CN098
CN033
CN032
5-3A
5-2A
5-1A
XY BEA R CABLES(E)
XY BEAR CABLES
CN098
CN033
CN214
CN213
CN212
ZTAC NP1
CN20 2
CN211
2-4B
CNP1
ZTA SERVO
AMP(2/5)
MR-MD100
CN201CN03 2
ZTDCNP1
ZTCC NP1
ZTBC NP1
5-4A
2-5B
ZTC SERVO
AMP(2/5)
MR-MD100
CNP1
2-5B
2-4B
ZTD SERVO
AMP(2/5)
MR-MD100
CNP1
CNP1
ZTB SERVO
AMP(2/5)
MR-MD100
1-4D
POWER UNIT
(3/13)
7-1D
SCS OPTION WI RING
CN016 CN016
CN056
BARCODE
READER
BR
CTRL UNIT
2CH S ERIAL
COMMU NICATION
BOARD
EXT1
COM1
14
13
15
8
1
6 7
2
34
5
10 11 9
18-2C
12

- 150 -
NOTE( 注記 ) #01....FOR 2070E,2080E,2080RE 2070 E,2080 E,2080 RE 用
#02....FOR 2080,2080R 2080,2080 R 用
#03....REFER TO THE LAST PAGE 最終ページのマシン Rev 管理表を参照下さい。
M/C REV CHART.
#04....FOR 2080,2080R 2080,2080 R 用
(REFER TO THE LAST PAGE (最終ページのマシン Rev 管理表を参照下さい。)
M/C REV CHART.)
REF.NO NOTE PART NO D E S C R I P T I O N
品 名
Qty
1 400-45430 ZT PWR CABLE ASM A
ZT パワーケーブル組 A
1
2 400-45431 ZT PWR CABLE ASM B
ZT パワーケーブル組 B
1
3 400-45432 ZT PWR CABLE ASM C
ZT パワーケーブル組 C
1
4
#02
400-45433 ZT PWR CABLE ASM D
ZT パワーケーブル組 D
1
5
#03
401-55289 4AXIS SERVO AMP
4軸一体型サーボアンプ
1
6 400-58385 XY BEAR CABLES ASM XY ベアケーブル組 1
7
#01
400-59779 XY BEAR CABLES ASM(E)
XY ベアケーブル組(E)
1
8 400-45429 ZT PWR RELAY CABLE ASM
ZT パワーリレーケーブル組
1
9
#04
401-55289 4AXIS SERVO AMP
4軸一体型サーボアンプ
1
10
#04
401-55289 4AXIS SERVO AMP
4軸一体型サーボアンプ
1
11
#04
401-55289 4AXIS SERVO AMP
4軸一体型サーボアンプ
1
12 401-35433 8-PORT COM BOARD
8− PORT COM ボード
1
13 400-28458 BARCODE READER CABLE ASM
バーコードリーダケーブル組
1
14 HX-0061000-00 BARCODE READER
バーコードリーダ
1
15 400-52723 SCS POWER CABLE ASM
エスシーエスパワーケーブル組
1