KE-2070_KE-2080_KE-2080R-Rev14PDFA - 第161页
- 154 - NOTE( 注記 ) #01....FOR 2080RE 2080 RE 用 #02....FOR 2080R 2080 R 用 #03....FOR 2080RM,2080RL 2080 RM,2080 RL 用 #04....FOR 2070E,2080E,2 080RE 2070 E,2080 E,2080 RE 用 #05....FOR 2080 2080用 (REFER TO THE LAST PAGE (最終…

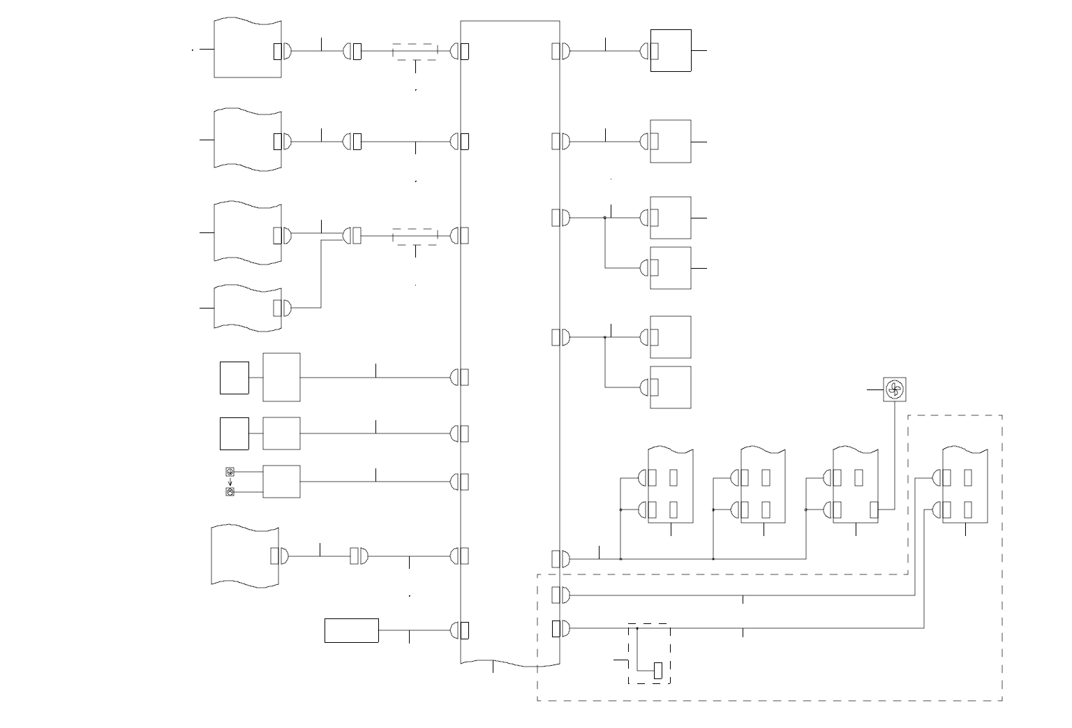
- 153 -
77. SYSTEM DIAGRAM (LASER ALIGE)
SYSTEM DIAGRAM(LASER ALIGE)
1-2C
7-5C
7-4C
7-4C
7-3C
IEEE 1394a
BOARD(2/2)
CN1
CN1CN2LNC60
IEEE 1394a
REPEATER
CN1
ONLY KE-2080
5-4C
CN5
ZTD SERVO
AMP(4/5)
MR-MD100
5-3C
CN5
ZTC SERVO
AMP(4/5)
MR-MD100
5-2C
CN5
ZTB SERVO
AMP(4/5)
MR-MD100
LNC60
5-1C
CN5
ZTA SERVO
AMP(4/5)
MR-MD100
13-3C
2-2D
7-2A
XY RELAY PCB(3/5)
LA SENSOR
BEAR CABLE
LA SENSOR BEAR
CABLE(E)
FMLA
LA
LS0-16 LS0-16 CN16 CN16
CN848
MCM
MCMR
CN5
HEAD MAIN PCB(1/3)
CN24
1234
5 6
11
7 8
20
9
10
21
19
12
13
14
15
18
17
16

- 154 -
NOTE( 注記 ) #01....FOR 2080RE 2080 RE 用
#02....FOR 2080R 2080 R 用
#03....FOR 2080RM,2080RL 2080 RM,2080 RL 用
#04....FOR 2070E,2080E,2080RE 2070 E,2080 E,2080 RE 用
#05....FOR 2080 2080用
(REFER TO THE LAST PAGE (最終ページのマシン Rev 管理表を参照下さい。)
M/C REV CHART.)
#06....REFER TO THE LAST PAGE 最終ページのマシン Rev 管理表を参照下さい。
M/C REV CHART.
REF.NO NOTE PART NO D E S C R I P T I O N
品 名
Qty
1
#06
401-55289 4AXIS SERVO AMP
4軸一体型サーボアンプ
1
2
#06
401-55289 4AXIS SERVO AMP
4軸一体型サーボアンプ
1
3
#06
401-55289 4AXIS SERVO AMP
4軸一体型サーボアンプ
1
4
#05
401-55289 4AXIS SERVO AMP
4軸一体型サーボアンプ
1
5 400-45434 LNC60 I/F CABLE ASM
LNC 60 I / F ケーブル組
1
6
#02
400-80203 LNC60 I/F CABLE ASM
LNC 60 I / F ケーブル組
1
7 400-44517 1394 ROBOT CABLE ASM
1394ロボットケーブル組
1
8
#01
400-80215 1394 ROBOT CABLE(E)
1394ロボットケーブル(E)
1
9 400-44516 1394 RELAY CABLE ASM
1394中継ケーブル組
1
10
#04
400-48033 1394 CABLE 4.5M
1394ケーブル 4.5 M
1
11 400-45547 LNC60
LNC 60
1
12
#02
400-03264 FMLA SENSOR
FMLA センサ
1
13
#02
E9345-721-0A0 CABLE ASM.
LA センサー接続ケーブル組
1
14
#03
400-80206 LA SENSOR BEAR CABLE ASM
LA センサベアケーブル組
1
15
#01
400-80214 LA SENSOR BEAR CABLE ASM(E)
LA センサベアケーブル組(E)
1
16
#02
400-80207 LA SENSOR RELAY CABLE ASM
LA センサ中継ケーブル組
1
17
#02
400-44846 XY RELAY PCB ASM OPE - CN16 CABLE ASM
XY リレー PCB 組 OPEー CN 16 ケーブル組
1
18
#02
E9610-729-0A0 MCMR
MCMR
1
19
#02
400-86176 ICT ENC CABLE ASM
ICT ENC ケーブル組
1
20 400-48078 IEEE1394 REPEATER BOARD
IEEE 1394リピータボード
1
21
#06
401-50021 IEEE1394 BOARD
IEEE 1394ボード
1

- 155 -
78. SYSTEM DIAGRAM (HEAD UNIT 1)
SYSTEM DIAGRAM(HEAD UNIT 1)
HEAD
FAN
8-4 C
10-1A
4- 3C
CN018 CN018
13-4A
1-2C
1-2C
17-1A
1-2C
1-2C
6-2 C6-2B6 -2B
6- 2A
CN80 8 CN8
9-1C
XY BEAR CABLES(E)
XY BE AR CABLES
POWER UNIT
(4/13)
C N24 6
XY BEAR CABLES(E)
XY BEAR CABLES
XY BEAR CABLES
XY BEAR CABLES(E)
XY BEAR CABLES
ONL Y KE-2080
CN19CN19
ZTD SERVO
AMP(5/5)
MR-MD100
ZT C S ER VO
AMP(5/5)
MR-MD100
ZTB SERVO
AMP(5/5)
MR-MD100
CN13CN13
CN4 B C N4A
CN4 D C N4C
CN 4B CN4 A
CN 4D CN 4C
C N4B C N4A
C N4D C N4C
CN 4B CN4 A
CN 4D CN4 C
ZTA SERVO
AMP(5/5)
MR-MD100
OCC-C
LIGHT
PCB
OCC-A
LIGHT
PCB
OCC-C
LIGHT
PCB
AMP
BAD
MAR K
S ENS OR
AMP
H EIG HT
S ENS OR
AMP
LS 4-5CN 5
CN 2CN802
XY BEAR CABLES(E)
CN 807CN7
CN 820 CN20
CN 809
CN9
CN8 52 CN12(CN52)
LIGHT CT RL
PCB(2/3)
CN4 79LS2-1CN1
CN 805
C N47 8LS 5- 4
CN 5
IP-X3R PCB
(2/2)
CN 4
OCC2(R)
OCC1(R)
OCC2(L)
OCC1(L)
C N82 4CN4
OCC-A
LIGHT
PCB
OCC R
OC C L
C N82 3CN3
CN806CN6
SAFETY
PCB(2/4)
LS1-7CN7
CN801
CN2 45
HEAD MAIN PCB(1/2)
CN1
I/O C ONTROL
PCB(2 /5)
for OP option
H/S -3 5
CN811C N11
CN10CN810
E2S-W23
T7 SLOW
DOWN SENS OR
20 21 1 2 3
456
8
92526 27 28
22 10 11
7
29 30
12
13 14
15 23 16
17 24 18 19
31
32
33
34
35
39
36
3729
30
38
40