KE-2070_KE-2080_KE-2080R-Rev14PDFA - 第35页
- 28 - NO TE( 注記 ) #01. . ..F OR EN (2070M,2080M,2080RM) EN(2 070 M ,2080 M,2 080 R M)用 #02. . ..F OR EN (2070L,2080L,2080RL, EN(2 070 L ,2080 L,2 080 R L, 2070CL) 2070 CL)用 #03. . ..F OR EN (2070E,2080E,2080RE) EN(2 070…

- 27 -
14. COVER COMPONENTS (6)
カバー関係(6)
7 9
10 12
13 15
16 19 20
16 18
21 23
21 23
24 26
27 28
27 28
29
29
29
29
29
29
29
29
29
29
29
4
6
30
1 3
29
30
24 26
31

- 28 -
NOTE( 注記 ) #01....FOR EN(2070M,2080M,2080RM) EN(2070 M,2080 M,2080 RM)用
#02....FOR EN(2070L,2080L,2080RL, EN(2070 L,2080 L,2080 RL,
2070CL) 2070 CL)用
#03....FOR EN(2070E,2080E,2080RE) EN(2070 E,2080 E,2080 RE)用
REF.NO NOTE PART NO D E S C R I P T I O N
品 名
Qty
1
#01
400-57295 CONVEYOR COVER (M) ASSY
コンベアカバー(M)組
1
2
#02
400-57296 CONVEYOR COVER (L) ASSY
コンベアカバー(L)組
1
3
#03
400-61003 CONVEYOR COVER(E_EN) ASSY
コンベアカバー(E _ EN)組
1
4 #01 400-57291 CONVEYOR COVER L (EN) コンベアカバー L(EN) (1)
5
#02
400-57293 CONVEYOR COVER L (L EN)
コンベアカバー L(L EN)
(1)
6
#03
400-60218 CONVEYOR COVER L(E EN)
コンベアカバー L(E EN)
(1)
7
#02
400-57294 CONVEYOR COVER R (L EN)
コンベアカバー R(L EN)
(1)
8
#01
400-57292 CONVEYOR COVER R (EN)
コンベアカバー R(EN)
(1)
9
#03
400-60219 CONVEYOR COVER R(E EN)
コンベアカバー R(E EN)
(1)
10
#01
400-01477 CONVEYOR SIDE COVER(EN)
搬送サイドカバー(EN)
(1)
11
#02
400-01482 CONVEYOR SIDE COVER L(LEN)
搬送サイドカバー L(L、EN)
(1)
12
#03
400-27243 CONVEYOR SIDE COVER L(E EN)
搬送サイドカバー L(E EN)
(1)
13 #02 400-17315 CONVEYOR SIDE COVER R(L EN) 搬送サイドカバー R(L EN) (1)
14
#01
400-17243 CONVEYOR SIDE COVER R(EN)
搬送サイドカバー R(EN)
(1)
15
#03
400-27244 CONVEYOR SIDE COVER R(E EN)
搬送サイドカバー R(E EN)
(1)
16
#01
400-01479 CONVEYOR UPPER COVER(EN)
搬送上カバー(EN)
(2)
17
#02
400-01483 CONVEYOR UPPER COVER L(LEN)
搬送上カバー L(L、EN)
(1)
18
#03
400-27246 CONVEYOR UPPER COVER L(E EN)
搬送上カバー L(E EN)
(1)
19
#02
400-01499 CONVEYOR UPPER COVER R(L,EN)
搬送上カバー R(L、EN)
(1)
20
#03
400-27247 CONVEYOR UPPER COVER R(E EN)
搬送上カバー R(E EN)
(1)
21
#01
400-01480 CONVEYOR SHUTTER U (EN)
搬送シャッター U(EN)
(2)
22 #02 400-01484 CONVEYOR SHUTTER U(LEN) 搬送シャッター U(L、EN) (2)
23
#03
400-27248 CONVEYOR SHUTTER U(E EN)
搬送シャッター U(E EN)
(2)
24
#01
400-01481 CONVEYOR SHUTTER B (EN)
搬送シャッター B(EN)
(2)
25
#02
400-01485 CONVEYOR SHUTTER B(LEN)
搬送シャッター B(L、EN)
(2)
26
#03
400-27249 CONVEYOR SHUTTER B(E EN)
搬送シャッター B(E EN)
(2)
27 400-01493 CONVEYOR COVER STOPPER(EN)
搬送カバーストッパ(EN)
(2)
28
#03
400-27245 CONVEYOR COVER STOPPER(E EN)
搬送カバーストッパ(E EN)
(2)
29 SM-0040801-SC SCREW
トラスねじ M 4 L =8
(40)
30 E1143-721-000 WOOLEN CLOTH PAPER
搬送カバーラシャペーパ(CE)
(8)
31 400-01490 TAPE テープ (2)

- 29 -
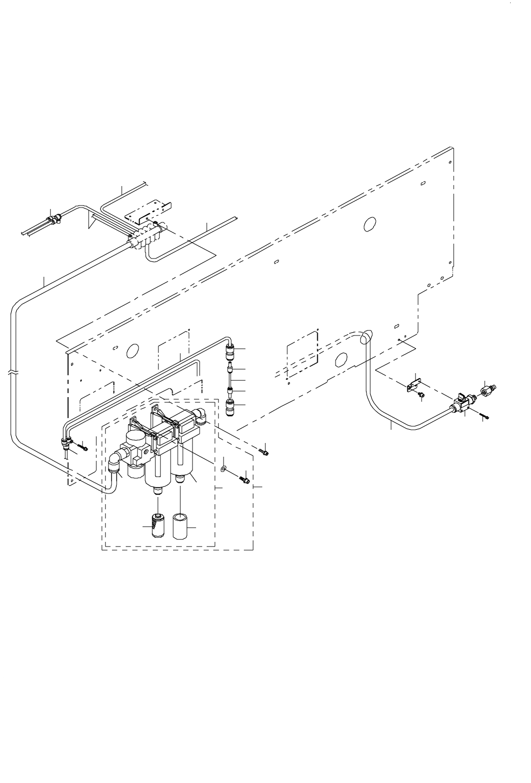
15. AIR COMPONENTS
エアー関係
19
20
23
10
13
12
16
22
15
18
11
12
17
17
9
9
14
12
21
21
2
3
6
7
1
5
4
8