KE-2070_KE-2080_KE-2080R-Rev14PDFA - 第87页
- 80 - N O TE( 注記 ) # 01.. .. O PTINOAL PARTS オプション部品 (FOR FRON T ・ LE F T - RI GH T) (手前・左右用) (FOR RE A R ・ R I GHT-LEFT) (奥・右左用) #0 2 ....OPTINOAL PARTS オプション部品 (FOR FRON T ・ RIGHT-LEFT) (手前・右左用) (FOR RE A R ・ LE FT-RI…

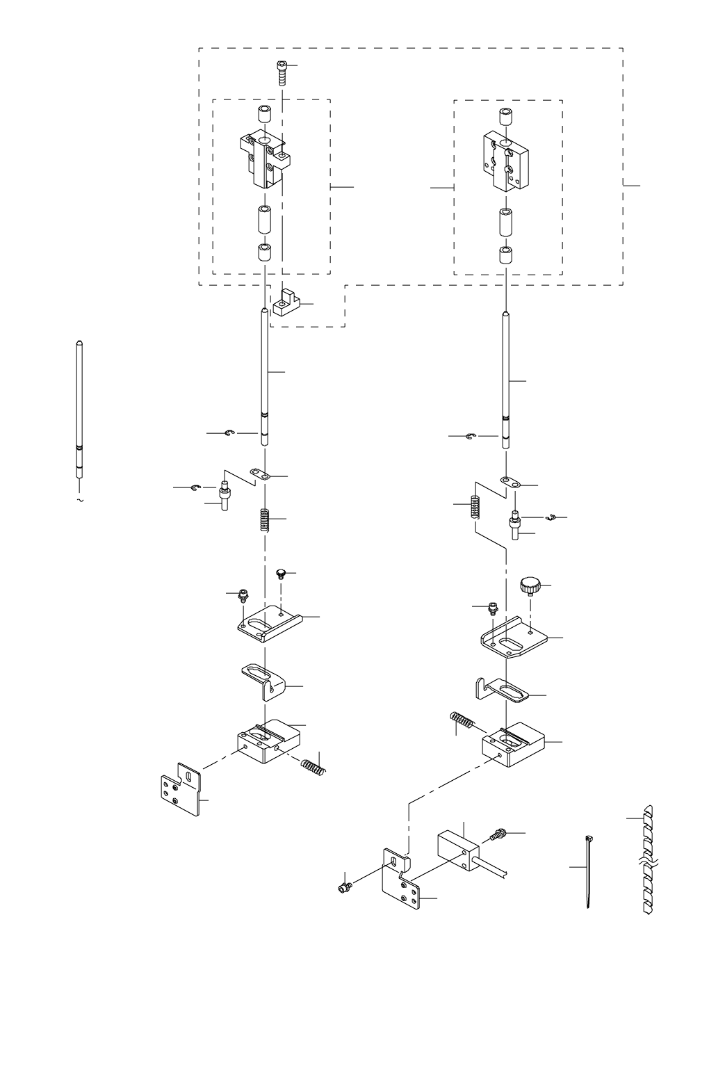
- 79 -
40. PWB CONVEYOR COMPONENTS (7)
基板搬送関係(7)
5
25
23
23
26
9
10
1
11
18
19
6
7
8
8
6
20
22
24
12
13
14
15
16
17
21
17
12
24
14
13
27 44
2
3
4
45
46

- 80 -
NOTE( 注記 ) #01....OPTINOAL PARTS オプション部品
(FOR FRONT ・ LEFT-RIGHT) (手前・左右用)
(FOR REAR ・ RIGHT-LEFT) (奥・右左用)
#02....OPTINOAL PARTS オプション部品
(FOR FRONT ・ RIGHT-LEFT) (手前・右左用)
(FOR REAR ・ LEFT-RIGHT) (奥・左右用)
#03....OPTIONAL PARTS オプション部品
*INSTALLATION POSITION AND DIRECTION VARY IF THE PWB TRANSFER
REFERENCE IS DIFFERENT.
基板搬送基準が異なると取付位置、方向が変わります。
REF.NO NOTE PART NO D E S C R I P T I O N
品 名
Qty
1 400-62328 GUIDE BLOCK ST ASM
ガイドブロック ST 組
1
2 400-00887 GUIDE_BLOCK_A_ASM.
ガイドブロック A 組
(1)
3 400-00889 GUIDE BLOCK B ASM.
ガイドブロック B 組
(1)
4 400-00877 GUIDE BLOCK CLAMP
ガイドブロッククランプ
(1)
5 SM-6041602-TN SCREW M4 X 16
六角穴ボルト M 4 X 0.7 L =16
(1)
6 #03 400-15793 LOCK SPRING ロックスプリング 2
7
#03
400-00895 DAMPER BLOCK R
ダンパブロック R
1
8
#03
SL-6030892-TN SCREW M3 L=8
座金付き六角穴ボルト M 3 L =8
4
9
#03
400-00891 STOPER SLIDE LEVER L
ストッパスライドレバー L
1
10
#03
400-00897 STOPER SLIDE LEVER R
ストッパスライドレバー R
1
11
#03
400-00892 DAMPER BLOCK L
ダンパブロック L
1
12
#03
400-00978 DAMPER LOCK LINK
ダンパロックリンク
2
13
#03
400-00950 DAMPER SPRING
ダンパスプリング
2
14
#03
RE-0300000-K0 E-RING 3
E 形止め輪 3
6
15
#03
EA-9500B00-00 CLIP CV-70S
結束バンド 60
5
16
#03
HX-0031400-00 SPIRAL TABE
スパイラル チューブ
0.3
17
#03
400-01081 CENTERING PIN 4.0
センタリングピン4.0
2
18
#03
400-15791 DAMPER PLATE L
ダンパープレート L
1
19
#03
400-15792 DAMPER PLATE R
ダンパープレート R
1
20
#03
400-02122 T.PIN SENS ASM
ティーピンセンサ組
1
21
#03
SL-6030692-TN SCREW M3 L=6
座金付き六角穴ボルト M 3 L =6
1
22
#03
SL-4031091-SC SCREW M3 X 10
なべ小ねじセムス
2
23
#03
RE-0300000-K0 E-RING 3
E 形止め輪 3
2
24
#03
400-00896 DAMPER LOCK PIN
ダンパロックピン
2
25
#01
E2148-721-000 SENSOR BRACKET R
センサブラケット R
1
26
#02
E2147-721-000 SENSOR BRACKET L
センサブラケット L
1
27
#03
400-01087 CENTERING PIN 3.4
センタリングピン3.4
1
28
#03
400-01088 CENTERING PIN 3.3
センタリングピン3.3
1
29
#03
400-01089 CENTERING PIN 3.2
センタリングピン3.2
1
30 #03 400-01090 CENTERING PIN 3.1 センタリングピン3.1 1
31
#03
400-01091 CENTERING PIN 3.0
センタリングピン3.0
1
32
#03
400-01092 CENTERING PIN 2.9
センタリングピン2.9
1
33
#03
400-01093 CENTERING PIN 2.8
センタリングピン2.8
1
34
#03
400-01094 CENTERING PIN 2.7
センタリングピン2.7
1
35
#03
400-01095 CENTERING PIN 2.6
センタリングピン2.6
1
36
#03
400-01096 CENTERING PIN 2.5
センタリングピン2.5
1
37
#03
400-01097 CENTERING PIN 2.0
センタリングピン2.0
1
38
#03
400-01098 CENTERING PIN 1.9
センタリングピン1.9
1
39
#03
400-01099 CENTERING PIN 1.8
センタリングピン1.8
1
40
#03
400-01082 CENTERING PIN 3.9
センタリングピン3.9
1
41
#03
400-01083 CENTERING PIN 3.8
センタリングピン3.8
1
42
#03
400-01084 CENTERING PIN 3.7
センタリングピン3.7
1
43 #03 400-01085 CENTERING PIN 3.6 センタリングピン3.6 1
44
#03
400-01086 CENTERING PIN 3.5
センタリングピン3.5
1
45
#03
E2141-725-000 BU HAND KNOB S
BU ハンドノブ S
1
46
#03
E2076-721-000 BU HAND KNOB
BU ハンドノブ
1

- 81 -
41. PWB CONVEYOR COMPONENTS (8)
基板搬送関係(8)
29
50
49
48
51
44
47
A
43
46
46
A
39
45
9
18
19 28
42
30
31
32
33
34
35
36
37
40
41
1 52
2
3
4
5
6
8
7
B
B
38
3