RL132电路图N7205A093E.pdf - 第103页
CN15- K303 - - - - 5557-06R-210 3 3 ; ; >u 5557-06R-210 REFER TO N61 01 30865+007 京 m — 5557-06R-210 PFSC PMC0AA-AA -K303 XN61 0053632) UL2O266- WH BU WH BZ 7 BU A3 WH B3 BU A4 WH B4 BU A5 WH B5 RD A6 WH B6 BU A7 WH B…

VIU
I
OK-DKlVtK
)
u
se
motor
contro
er
SANYO
DENK1
PM-UDSB1S04-22
-K601
REFER
TO
N61
01
30796+001
1
216-223
UATTRO
BK
o
o
o
ST2.5^QUATTRO
BK
2
3
3
工
4
WAGO
21&223
WAGO
216-223
UL1007
AWG22
RD
UL1007
AWG22
BK
UL1007
AWG22
BK
N610053630
PFSC
PMCOAA-AA
-K303
UL1007
AWG22
RD
UL1007
AWG22
RD
N610053631
PNFCAA-AA
PFSC
-K305
Name
Drawing
No.
AUTO
WIDTH
CLOSING
DIAGRAM
N610130865+001AA
Kit
No.
Loc.
No.
Axis
and
I/O
Control
Board
CN10
TXD+
1
RXD+
2
TXD-
4
RXD-
5
EMG
3
GND
6
F4K1020-05A
j
2
।
6
।
7
।
、
8
Panasonic
Factory
Solutions
Co.,
Ltd
/^7—
'7^
77
U
—
VUn.
—
株
式会社
1
I
2
I
3
I
4
7
I
8
3
T-l
D*
D+
D-
D-
MG
ND
TX
RX
TX
RX
EM
G
3
5

CN15-
K303
-
-
-
-
5557-06R-210
3
3
;
;
>u
5557-06R-210
REFER
TO
N61
01
30865+007
京
m
—
5557-06R-210
PFSC
PMC0AA-AA
-K303
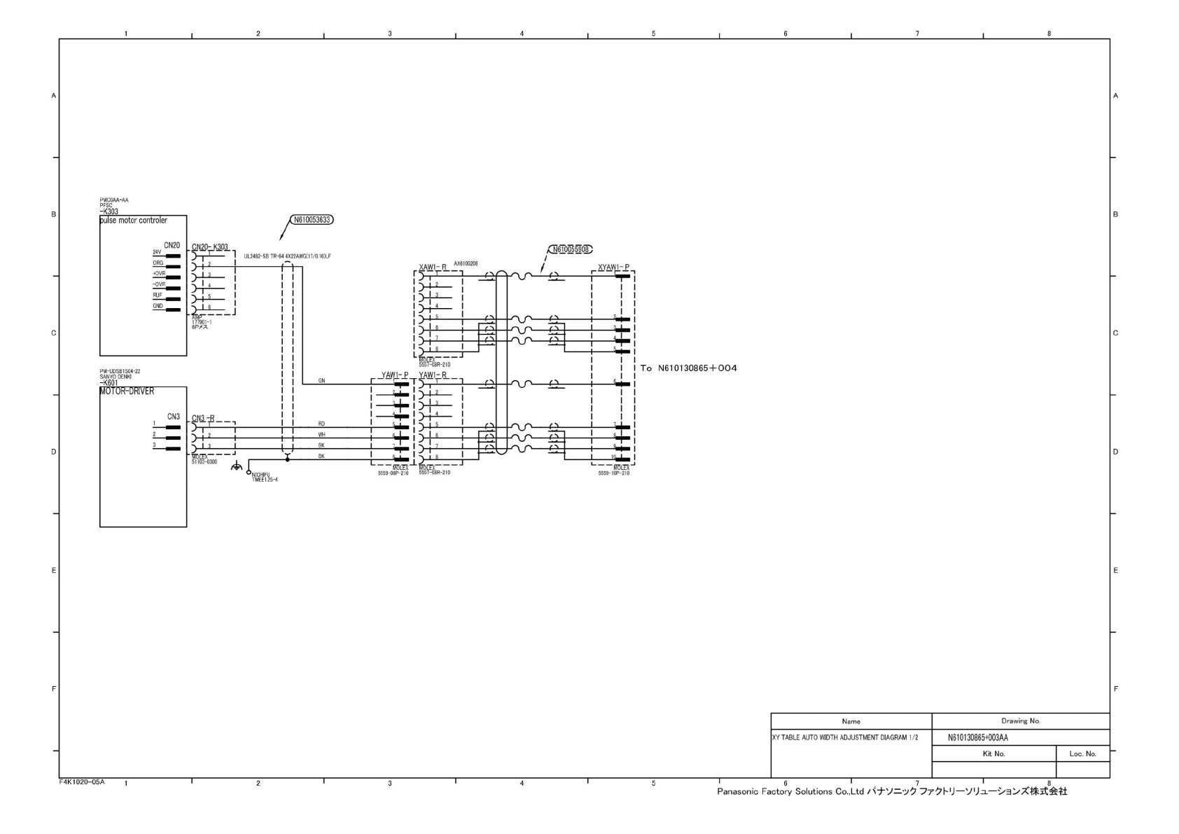
XN61
0053632)
UL2O266-
WH
BU
WH
BZ
7
BU
A3
WH
B3
BU
A4
WH
B4
BU
A5
WH
B5
RD
A6
WH
B6
BU
A7
WH
B7
BU
A8
N
WH
BU
WH
BU
WH
RD
AH
WH
7
BU
WH
R12
Drawing
No.
Name
N610130865+002AA
AUTO
WIDTH
ADJUSTMENT
DIAGRAM
2/2
Kit
No.
RIO
A12
c
c
c
—
RD
y
c
SANYO
DENK1
PM-UDSB1S04-22
二迎
MOTOR-DRIVER
B13
I
厘
JAE
PS-34SM-D4P1-1C
B9
1
/
CN2
——
Ai
CK1+
CK1-
UD1+
——
B2
UD1-
——
A3
P.DOWM
+
工
PDOWN1-
二
CK2+
CK2-
ZZ
UD2+
——
B5
UD2-
P.DOWN2+
PDOWN2
-
二
CK3
+
ZE
CK3-
——
A8
UD3+
二
UD3-
ZZ
P.DOWN3
+
B9
PDOWN3-
A10
CK4+
B10
CK4-
UD4
+
UD4-
P.DOWN4+
BI2
P.DOWN4-
11Al
3
CK5
+
^^B13
CK5-
1Ml
A14
UD5+
UD5-
_A15
P.DOWN5
+
B15
PDOWN5
-
A16
N.C
^^B16
N.C
二
77
N.C
R
N.C
)
ulse
motor
controler
CK1+
CK1-
UD1+
for
Y
TABLE
UD1-
P.DOWN1+
5
P.DOWN1-
6
CN11
CK2+
CK2-
UD2+
for
PIN
UD2-
P.DOWN2+
5
P.DOWN2-
6
CN12
CK3
+
CK3-
UD3+
for
RIGHT
RAIL
UD3-
P.DOWN3
+
5
P.DOWN3-
6
CK4+
CK4-
UD4+
for
RIGHT
SIDE
CONV.
野
P.DOWN4+
5
P.DOWN4-
6
CN14
CK5+
CK5-
UD5
+
for
LEFT
SIDE
CONV.
P.DOWN5
+
5
P.DOWN5-
6
CN15
CK6+
CK6-
UD6+
UD6-
for
LEFT
RAIL
P.DOWN6
+
5
P.DOWN6-
6
CN13
1
CN10
1
F4K1020-05A
j
।
6
।
7
।
、
8
Panasonic
Factory
Solutions
Co.,
Ltd
/^7—
'7^
77
U
—
VUn.
—
株
式会社
1
I
2
I
3
I
4
7
I
8
)3
4
2-
CN
>
A
A
A
A

5559-10P-210
To
N610130865
+
OO4
PM-UDSB1S04-22
SANYO
DENK1
-K601
5559-08P-2
1
0
5557-08R-2
1
0
M610053633
PMCOAA-AA
PFSC
-K303
Name
Drawing
No.
XY
TABLE
AUTO
WIDTH
ADJUSTMENT
DIAGRAM
1/2
N610130865+003AA
Kit
No.
Loc.
No.
MOTOR-DRIVER
CN3
三
)
ulse
motor
controler
CN20
ORG_^—
+07^^^
GND
F4K1020-05A
j
2
4
।
6
।
7
।
、
8
Panasonic
Factory
Solutions
Co.,
Ltd
十、/
二^夕
77
U
—
VUn.
—
株
式会社
1
I
2
I
3
I
4
7
I
8
i
±