RL132电路图N7205A093E.pdf - 第107页

1 2 3 4 7 8 A A M610129853 N610053639 CN25 UL'OO7 AWG 22 BN 24V ULI 007 AWG 22 BN UL1007AWG22 RD ORG UL1007 AWG22 RD ULI 007 AWG 22 OG +OVR -OVR P9T4S1 (PESO P.ORG GND UL1007 AWG 22 BU B B M61005364* N610129854 MOTO…

100%1 / 130
5557-O4R-210
N610129851
UL'007
AWG22
BN
UL1007
AWG22
RD
UL'007
AWG22
OG
N610133222
MULtA
5559-06P-210
5557-06R-210
UL1OO7
AWG22
RD
UL1OO7
AWG22
WH
UL1OO7
AWG22
BK
-M603
PMCOAA-AA
PFSC
-K303
6P"
UL1OO7
AWG22
BU
PM-UDSB1S04-22
SANYO
DENKI
-K601
.辔
¥
M610053637
RD
UL2484-SB
TR-64
3X22AWG(17/0.16)LF
1
MT3-P
原点
RIGHT
RAIL
AXIS
ORIGIN
P914S1
(PFSC)
Name
Drawing
No.
RIGHT
SIDE
RAIL
AUTO
WIDTH
ADJUSTMENT
DIAGRAM
N610130865+005AB
Kit
No.
Loc.
No.
WH
BK
MOTOR-DRIVER
CN5
1
TMEE
1.25-4
)
ulse
motor
controler
CN22
24V
1
ORG
+OVR
-OVR
P.ORG
GND
F4K1020-05A
j
7
8
Panasonic
Factory
Solutions
Co.,
Ltd
十、/
二^夕
77
U
VUn.
式会社
1
I
2
1
3
1
4
1
5
7
I
8
-R
13
1
2
3
4
7
8
A
A
M610129853
N610053639
CN25
UL'OO7
AWG
22
BN
24V
ULI
007
AWG
22
BN
UL1007AWG22
RD
ORG
UL1007
AWG22
RD
ULI
007
AWG
22
OG
+OVR
-OVR
P9T4S1
(PESO
P.ORG
GND
UL1007
AWG
22
BU
B
B
M61005364*
N610129854
MOTOR-DRIVER
-M606
D
D
MT6A
1
3
RD
UL1007
AWG22
RD
M
WH
UL1007
AWG22
WH
BK
UL1007
AWG22
BK
B3P-VH(JST)
E
E
F
F
F4K1020-05A
1
2
4
7
8
Panasonic
Factory
Solutions
Co.,
Ltd
/^7—
'7^
VUn.
式会社
103H7832-0312
SANYO
DENKI)
177901-1
6P
>
)
)
)
l/fz
轴原点
LEFT
RAIL
AXIS
ORIGIN
PM-UDSB1S04-22
SANYO
DENKI
-K601
MT6-
P
MT6-
R
LM61-R
UL2484-SB
TR-64
3X22AWG(1
7/0.1
6)LF
A
JST
XHP-3
福值
旗更
u
5559-06P-210
5557-06R-210
A
f
NICHIFU0
TMEE
1.25-4
」短;
都舞
~
555
版工
LM6-
P
LM6-
R
I
二二
丁十
1
!
_
.明
B
CN6
1
ov
2
$
3
Vcc
J—
PMC0AA-AA
PFSC
-K303
)
ulse
motor
controler
Name
Drawing
No.
LEFT
SIDE
RAIL
AUTO
WIDTH
ADJUSTMENT
DIAGRAM
N610130865+006AB
Kit
No.
Loc.
No.
NICHIFU
TMEE1.25-4
4CN15-R
177901-1
6P/X
M61005364S
//
IL-P
UL1007
AWQ2
BUI
UL1007
AWQ2
RD|
[
UL1007
AWQ2
O&
I
L
I
局必上
5559-04P-210
177901-1
6P
X
NICHIFU
TMEE1.25-4
BU
RD
WH
BU
WH
N6
10053644)
UL20266-TW-SB
5PX28AWG(7/0.127)Lf
PNFOAA-AA
PFSC
-K311
PFSC
PMCOAA-AA
-K303
8
10
U
12
13
14
15
c
c
c
c
<
JAE
DASP-JB15SF
To
RIGHT
SIDE
CONNECTOR
BRACKET
Al
0
NICHIFU
TMEE1.25-4
To
LEFT
SIDE
CONNECTOR
BRACKET
Al
0
NICHIFU
TMEE
1.25-4
UL1007
AWG22
RD
UL1007
AWG22
YE
Name
Drawing
No.
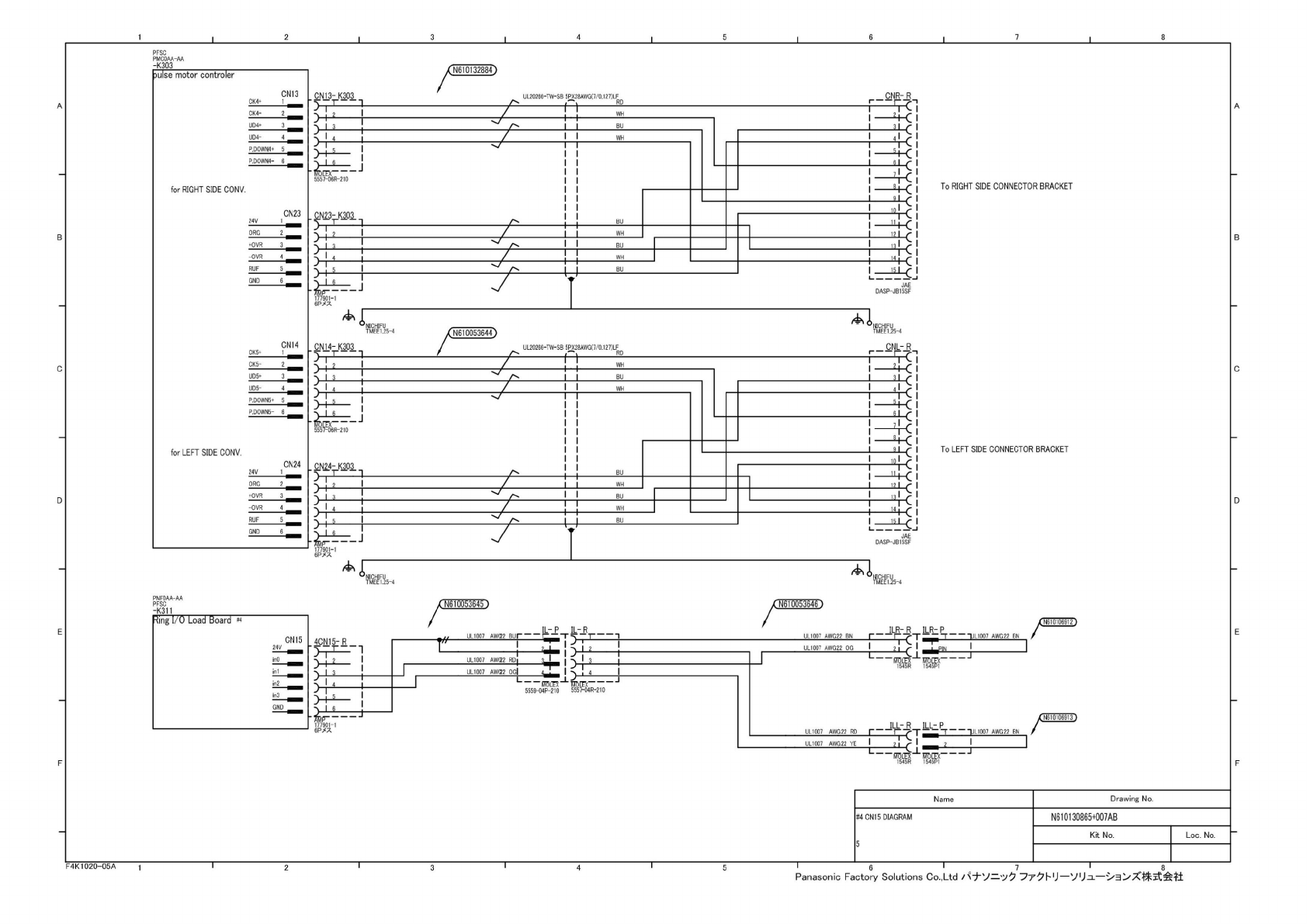
#4
CN
15
DIAGRAM
5
N610130865+007AB
Kit
No.
Loc.
No.
WH
J
J
img
I/O
Load
Board
CN15
pulse
motor
controler
CN13
CK4+
1
.
CK4
-
2
.
UD4
+
3
.
UD4
-
4
.
PDOWN4+
5
.
P.DOWN4-
6
for
RIGHT
SIDE
CONV.
CN23
i
ORG
+OVR
-OVR
RUF
GND
for
LEFT
SIDE
CONV.
CNI4
CK5
+
CK5
-
2
.
UD5+
3
UD5
-
4
P.DOWN5
+
5
P.DOWN5-
6
CN24
24V
1
ORG
2
+OVR
3
-OVR
4
RUF
5
F4K1020-05A
j
6
7
8
Panasonic
Factory
Solutions
Co.,
Ltd
/^7—
'7^
77
U
VUn.
式会社
1
I
2
I
3
I
4
7
I
8
o