RL132电路图N7205A093E.pdf - 第112页
ST 2.5-QUATTRO RD 睢 MX CONTACT ST 2.5-QUATTRO -X119 TDK ZCAT3035-1330 忍廿 艇配 DENSEI-LAMBDA ZWS240PAF-24/T -T103 L-T1031l POWER N 扃曹 J Q NICHIFU Y TMEE2-4 / (N61 0053666) UL1015 AWG14 G/Y3 1- 集中了 一入板 PROTECTIVE EARTH PLATE…

1
2
3
4
7
8
A
A
4
-
K011
3-
K011
1-K011I
UL1007
AWG22
RD
24V
24V
24V
out16
out17
XOUT24
UL1007
AWG22
BN
XOUT24
ULI007
AWG22
BN
B
B
CNOO-
R
N610055250
out24
in3O(12Vin)
GND24
UL1007
AWG22
YE
in3O
UL1OO7
AWG22
RD
GND24
UL1OO7
AWG22
OG
NC
UL1OO7
AWG22
YE
in29
24V
UL1OO7
AWG22
BN
UL1007
AWG22
RD
UL1OO7
AWG22
OG
UL1OO7
AWG22
YE
206043-1
PIN3
BOARD
AVAILABLE
UL1007
AWG22
BN
ULI007
AWG22
BN
D
D
CN01-1P
CN01-
SR
UL1007
AWG22
BN
310055251
UL1007
AWG22
YE
UL1007
AWG22
RD
UL1007
AWG22
OG
UL1007
AWG22
YE
E
E
UL1007
AWG22
BN
UL1007
AWG22
RD
UL1007
AWG22
OG
UL1007
AWG22
YE
PIN3
BOARD
AVAILABLE
F
F
F4K1020-05A
1
2
4
7
8
Panasonic
Factory
Solutions
Co.,
Ltd
)工十、)
二
、力
夕卜
U
—
VUn.
—
株
式会社
PIN1
MACHINE
READY
MOLEX
43025-1400
OLEX
43025-1400
SG1-R
SG1-P
I
C
I
—
I
•
c
CNXOUT
24V
匿
*
)
口
4
X
SMEMA
仕棣畤
CNOO-
未使用
At
SMEMA
specification
the
connectors
of
CNOO
—
1
R
and
CNO1
—
1
R
are
no
use.
__SG1A-_R
L
F1
右侧
口未
夕夕3
卜
2"
•
right
side
connector
bracket
府自
—
1490P1
CNOO
out24(GND)
43025-0800
CTOlR
砸
田(
5559-O2P-210
5557-02R-210
匿
匿
府必
砸必
1490R
1490Pl
CN00-1P
CN00-
SR
UL1007
AWG22
BN
|
;
丁^
1
CN00-1R
「
5;!
1
X
;
2
Lfm
1
5557-02R-2I0
OMRON
G7T-1112SDC24V
zKQU
P
板供
i^CYL
信号
P.CB
SUPPLY
CYLINDER
SIGNAL
2AK
尸二三
左便口
未夕夕
勺^卜
1
I
LEFT
SIDE
CONNECTOR
BRACKET
I
f
够
I
PIN1
MACHINE
READY
206043-1
|5-
K011
N1CHIFU
TMEE1.25-3.5
—
!
>L2
——
加值」
做必
5559-02P-210
5557-02R-210
CN01-
R
PFSC
PNF0AE-AA
-K302
_
PNF0AE-AA
(ILK
Control
Board
)
CNXOUT-
R
-
任
—
UL1007
AWG22
BK
NICHFU
TMEE125-3.5
GND24
NC
NC_
GND24
in31
24V
out24(GND)
out24
.l
_
NC
NC
out28
in31(24V)
out28(GND)
out24
[£_
Name
Drawing
No.
SMEMA
CONNECTION
SIGNAL
DIAGRAM
N610130867+001AA
Kit
No.
Loc.
No.

ST
2.5-QUATTRO
RD
睢
MX
CONTACT
ST
2.5-QUATTRO
-X119
TDK
ZCAT3035-1330
忍廿
艇配
DENSEI-LAMBDA
ZWS240PAF-24/T
-T103
L-T1031l
POWER
N
扃曹
J
Q
NICHIFU
Y
TMEE2-4
/
(N61
0053666)
UL1015
AWG14
G/Y3
1-
集中了
一入板
PROTECTIVE
EARTH
PLATE
216-2:
REFER
TO
N61
01
30865+001
REFER
TO
N61
01
30796+001
o
o
o o
o o
o o
o o
o o
Name
Drawing
No.
FOR
OP1TION
UNIT
DC
24V
POWER
DIAGRAM
N610130868+001AA
Kit
No.
Loc.
No.
F4K1020-05A
j
2
।
6
।
7
।
、
8
Panasonic
Factory
Solutions
Co.,
Ltd
十、/
二^夕
77
U
—
VUn.
—
株
式会社
1
I
2
I
3
I
4
7
I
8

ULI007
AWG22
YE
UL1007
AWG22
BK
UL1007
AWG22
BK
16
)
UL1007
AWG22
BN
UL1007
AWG22
OG
(N6
10085206
UL1007
AWG22
BN
UL1007
AWG22
OG
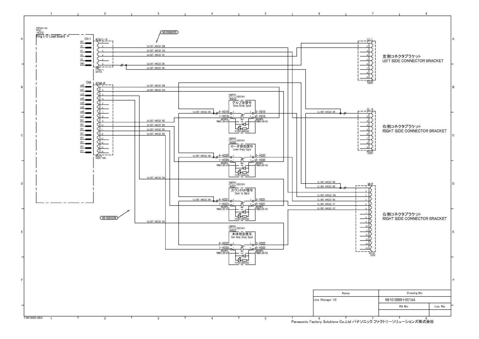
4CN11-R
——
PNFOAA-AA
PFSC
兰
31
5
Ring
I/O
Load
Board"
「
UL1007
AWG22
RD
UL1007
AWG22
RD
UL1007
AWG22
RD
UL1007
AWG22
RD
UL1007
AWG22
GN
OMRON
G7T-1112SDC24V
-K019
力心
嗓宿百
Group
Empty
Signal
3-
K019
5q|5-
K019
NICHIFU
TMEE1.
25T.5
UL1007
AWG22
BK
]
"4一
K019
1-K019I
NICHIFU
TMEE1.25-3.5
P70D(OMRON)
UL1007
AWG22
BU
[
左他
口木
夕
卜
LEFT
SIDE
CONNECTOR
BRACKET
ULI
007
AWG22
BK
1292R1
UL1007
AWG22
BK
I
r
ULI
007
AWG22
BK
UL1007
AWG22
GN
3-
K021
UL1007
AWG22
BU
ULI
007
AWG22
VT
UL1007
AWG22
GY
in
12
13
4
-
K022
3-
K022
14
1-K022I
15
MOLEX
1375R
c
c
c
c
NICHIFU
TMEE1.25-3.5
逊丝
本体部
空信号
Main
Body
Empty
Signal
//
1
5-
K021
NICHIFU
TMEE1
25-3.5
|5
-
K022
NICHIFU
TMEE1
25-3.5
UL1007
AWG22
BK
1-K021I
NICHIFU
TMEE1.25-3.5
右便
口未
夕夕
卜
RIGHT
SIDE
CONNECTOR
BRACKET
右仰
口未
夕夕
卜
RIGHT
SIDE
CONNECTOR
BRACKET
Name
Line
Manager
V2
Drawing
No.
N61O130869+OO1AA
Kit
No.
Loc.
No.
P70D(OMRON)
OMRON
G7T-1112SDC24V
ko%
口一夕
''丽
胆
i
百
Loader
Empty
Signal
3
o
3
-
K020
|5
-
K020
NICHIFU
TMEE125-3.5
UL1007
AWG22
BK
1
"4-K020
工
NICHIFU
TMEEL25-
3.5
OMRON
G7T-1112SDC24V
-K0
力
力如
口防百
Count
Up
Signal
F4K1020-05A
j
2
4
।
6
।
7
।
、
8
Panasonic
Factory
Solutions
Co.,
Ltd
十、/
二^夕
77
U
—
VUn.
—
株
式会社
1
I
2
I
3
I
4
I
5
I
6
I
7
I
8