RL132电路图N7205A093E.pdf - 第115页

1 2 3 4 7 8 A A 然也3 一】 6 I 8 B B (N610088622) ^ing I/O Load Board — CN61008862Q 华 旦早上一】 UL1007 AWG22 RD 24V 24V 24V OV UL1007 AWG22 BK PNFOAE-AA ULK Control Board ) #22 D D *(Note 1) 、 w / E E Note 1: Existing Cable, tak…

100%1 / 130
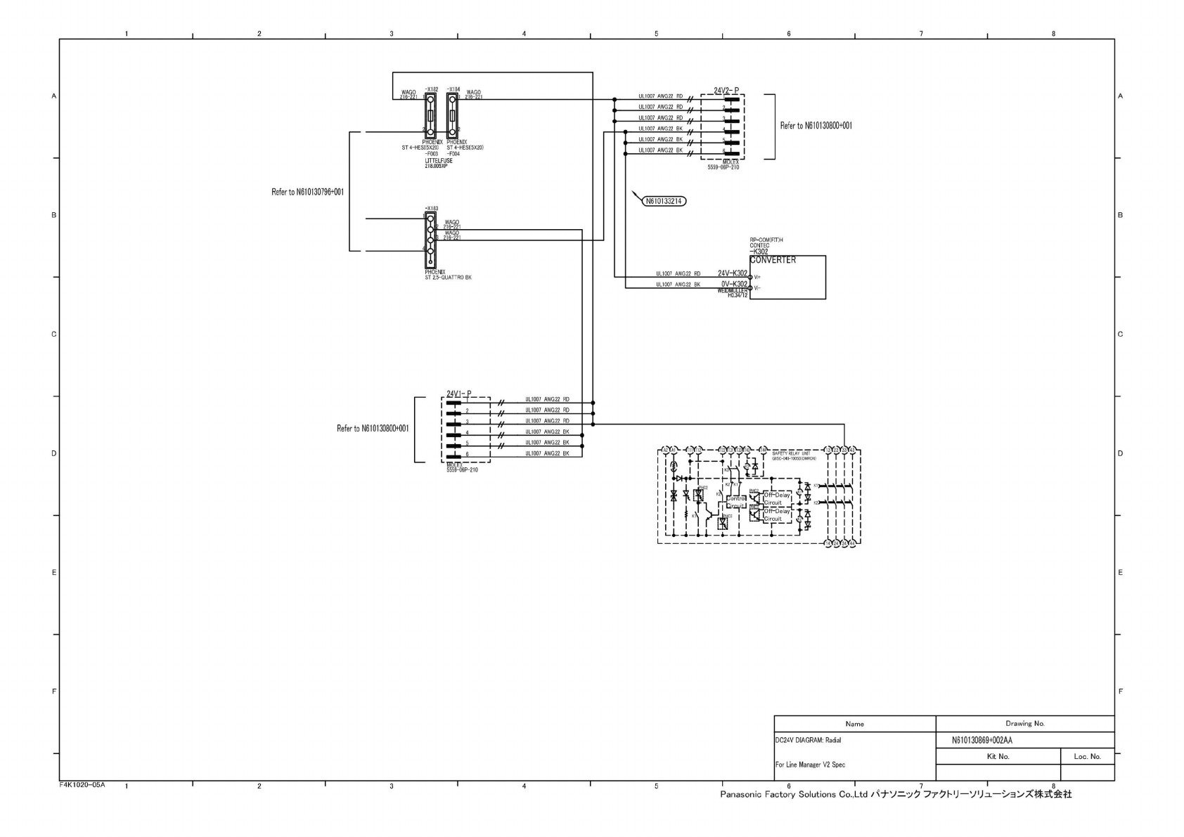
UL1007
AWG22
RD
ULI007
AWG22
RD
ULI
007
AWG22
RD
.
UL1007
AWG22
BK
UL1007
AWG22
BK
UL1007
AWG22
BK
fluin
5559-06P-210
4M
1
SAFETY
RELAY
UNIT
[Off-Delay
耳'
(Circuit
4
Refer
to
N61
01
30800+001
XN610133214)
RP-COM(FIT)H
CONTEC
-K302
UL1007
AWG22
RD
UL1OO7
AWG22
RD
UL1OO7
AWG22
RD
ULI
007
AWG22
BK
UL1007
AWG22
BK
UL1007
AWG22
BK
Refer
to
N6
101
30800+001
ULI
007
AWG22
RD
UL1007
AWG22
BK
JUNVtKItK
0V-K302
Vi-
H0.34/i2
Mil"
24V-K302
Vi+
Refer
to
N61
01
30796+001
-X183
ST
4-HESK5X20)
ST
4-HESK5X20)
-F003
-F004
UTTELFUSE
2I8.005XP
PHOENIX
ST
2.5-QUAT'RO
BK
O
WAGO
?
21
~221
WAGO
Name
Drawing
No.
DC
24V
DIAGRAM:
Radial
For
Line
Manager
V2
Spec
N610130869+002AA
Kit
No.
Loc.
No.
F4K1020-05A
j
6
7
8
Panasonic
Factory
Solutions
Co.,
Ltd
/^7—
'7^
77
U
VUn.
式会社
1
I
2
I
3
I
4
7
I
8
1
2
3
4
7
8
A
A
然也3
一】
6
I
8
B
B
(N610088622)
^ing
I/O
Load
Board
CN61008862Q
旦早上一】
UL1007
AWG22
RD
24V
24V
24V
OV
UL1007
AWG22
BK
PNFOAE-AA
ULK
Control
Board
)
#22
D
D
*(Note
1)
w
/
E
E
Note
1:
Existing
Cable,
take
out
cable
from
connector
0CN3-P
and
plug
into
4CN3-P
F
F
2
4
7
8
Panasonic
Factory
Solutions
Co.,
Ltd
、力
77^
U
VUn-
式会社
GH4001
MITSUBISHI
RAYON
Ring
I/O
Load
Board
F4K
1020-05
A
1
PFSC
PNFOAE-AA
-K302
CN1
24V
GH4001
MITSUBISHI
RAYON
@
——
CN2
24V
PNFOAA-AA
PFSC
-K311
PNFOAA-AA
PFSC
-K314
)
~
QcN4
X)
)
QcN3(TX)
>-©
)
©CN3CTX)
24V
24V
24V
OV
OV
OV
OV
V-
f^CN4(RX)
OV
)—
@CN3(TX)
Name
Drawing
No.
DC2^V
Diagram:
10
Board
#4
N610130870+001AA
Kit
No.
Loc.
No.
ZFO-R
I
L
UL1007
AWG22
RD
UL1007
AWG22
OG|
UL1007
AWG22
GN
UL1007
AWG22
BU
UL1007
AWG22
VT
UL1007
AWG22
GY
UL1007
AWG22
WH|
UL1007
AWG22
BK
藕一
I
iLLr
UL1007
AWG22
GN|
I
LEFT
SIDE
CONNECTOR
BRACKET
ZR
品交换
中出力
ZR
PARTS
EXCHANGING
OUTPUT
2
斗7
•夕:
/八
4
•横出
ZL
pUS
STANDBY
DETECTION
ZR
轴;;
彳检出
ZR
AXIS
STANDBY
DETECTION
ZLm
品交换
可入力
~
ZL
tARTS
EXCHANGE
ENABLING
INPUT
工成
品交福
可入分
ZL0ARTS
EXCHANGE
ENABLING
INPUT
ZR
品交换
可入力
ZRfARTS
EXCHANGE
ENABLING
INPUT
ZR
品交换
可入力
ZR
ARTS
EXCHANGE
ENABLING
INPUT
UL1007
AWG22
VT
UL1007
AWG22
WH
M6
10094238
1375P
+24V
14
Name
Drawing
No.
CVT
SPEC
UNIT
CONNECTION
DIAGRAM
N610130871+001AA
Kit
No.
Loc.
No.
Refer
to
N61
01
30871
+003
Refer
to
N61
01
30871
+002
F4K1020-05A
j
2
6
7
8
Panasonic
Factory
Solutions
Co.,
Ltd
十、/
二^夕
77
U
VUn.
式会社
1
I
2
1
3
1
4
1
5
7
I
8