RL132电路图N7205A093E.pdf - 第119页
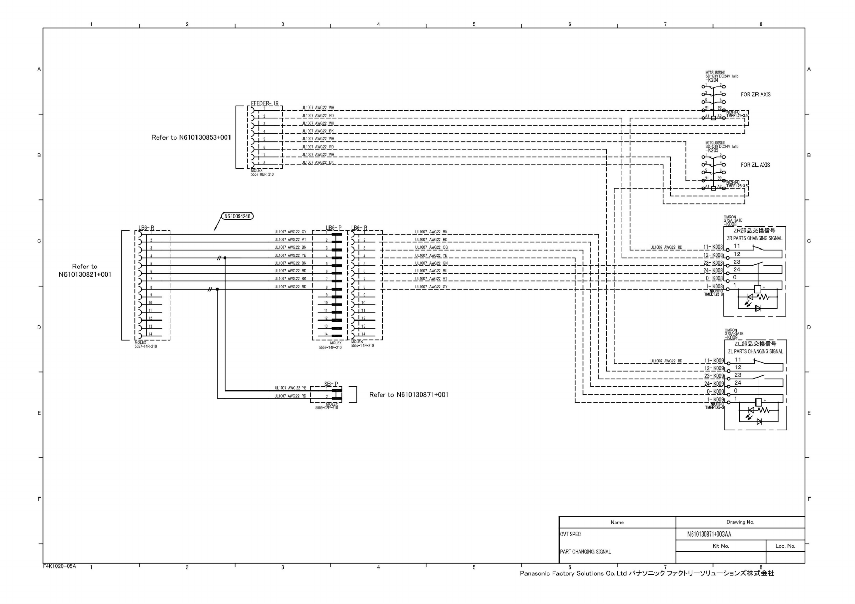
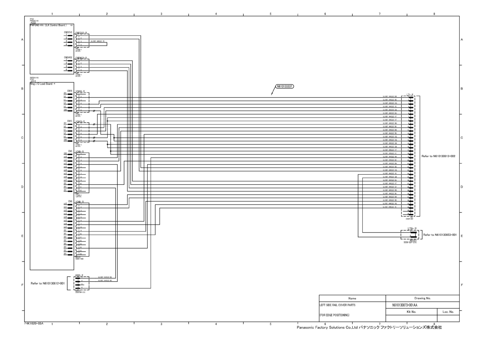
Refer to N6 101 3081 3+002 PNFOAA-AA PFSC -K312 177900-1 4P>^ ULI 007 AWG22 BN UL1007 AWG22 RD UL1007 AWG22 OG ULI 007 AWG22 YE UL1007 AWG22 GN ULI007 AWG22 BU UL1007 AWG22 VT UL1007 AWG22 VT UL1007 AWG22 WH UL1007 AW…

儿
1
007
AWG22
RD
UL1007
AWG22
RD
LB6-
R
/
r>
~i
"1
2
।
3
।
1
4
1
//
5
।
6
।
1
I
8
।
//
万
A
>
A
A
A
lN
MOLEX
55577
_
10
|
11
'
12
।
13
|
14
I
J
R-210
LB6-
UL1007
AWG22
GY
「
i
ULI
007
AWG22
VT
1
2
.
-P
LB6
L
A
.
a
:
「
J
ULipO7_AWG22
型
1
2
।
ULI007
AWG22
RD
UL1007
AWG22
BN
3
.
c
I
3
1
UL1007
AWG22
OG
UL1007
AWG22
YE
|
4
.
UL1007
AWG22
BN
I
5
.
I
)
|
4
」
UL1007_AWG22_YE
.
1
j
|
5
।
UM007_AWG
22
GN
_
!
、
1
6
1
UL1007
AWG22
BU
UL1007
AWG22
RD
6
.
UL1007
AWG22
BK
|
7
.
一
1
厂
l・
J
1
7
J
UL1007
AWG22
VT
UL1007
AWG22
RD
I
8
—
1
8
।
UL1007
AWG22
GY
I
—
I
IQ
—
I
I
-
.
L-
MO
仁点仁
c
iar-
-
1
—
1
w
X
“上砸
回
5557-14R-210
N61
0094246
FOR
ZL
AXIS
+
11
Ji
OMRON
G7SA-3A1B
跳
9
ZL
部品交
换信号
ZL
PARTS
CHANGING
SIGNAL
MITSUBISHI
SD-QI9
DC24V
1a
lb
-K205
12-
K009lo
12
G7SA^3A1B
期
8
ZR
部品交
换信号
ZR
PARTS
CHANGING
SIGNAL
演何
一
1
A2^TMEE
1.25-3.5
—
1
I
|J
J
to
23
24
1-
K008I
1
WWFC
TMEE125-3
23-
KOOjo
24-
K009
°
0-
K009
q
12
23
—
24
O
11-K008。
12-
K00%
23-
KOOSl^
24-
K008
°
0-
K008
q
11-K009。
SB-P
UL100/
AWG22
YE
I
UL1007
AWG22
RD
5559-O2P-21O
Refer
to
N61
01
30871
+001
UL1007
AWG22
BK
5557-O8R-21O
Refer
to
N61
01
30853+001
UL1007
AWG22
WH
UL1007
AWG22
RD
UL1007
AWG22
WH
UL1007
AWG22
BK
UL1007
AWG22
WH
UL1007
AWG22
RD
ULI
007
AWG22
WH
Name
Drawing
No.
CVT
SPEC
PART
CHANGING
SIGNAL
N610130871+003AA
Kit
No.
Loc.
No.
Refer
to
N610130821+001
JW\r-
F4K1020-05A
j
2
।
6
।
7
।
、
8
Panasonic
Factory
Solutions
Co.,
Ltd
十、/
二^夕
77
U
—
VUn.
—
株
式会社
1
I
2
1
3
1
4
1
5
7
I
8
L
L
-
IL
-
j
r^n
n
^^1*
-
_
_
_
-
-
t
4--
j-
i
L
L

Refer
to
N6
101
3081
3+002
PNFOAA-AA
PFSC
-K312
177900-1
4P>^
ULI
007
AWG22
BN
UL1007
AWG22
RD
UL1007
AWG22
OG
ULI
007
AWG22
YE
UL1007
AWG22
GN
ULI007
AWG22
BU
UL1007
AWG22
VT
UL1007
AWG22
VT
UL1007
AWG22
WH
UL1007
AWG22
BK
ULI007
AWG22
BN
UL1007
AWQ22
RO
ULI
007
AWG22
OG
ULI
007
AWG22
OG
ULI
007
AWG22
GN
UH
007
AWG22
GN
ULI
007
AWG22
VT
ULI007
AWG22
VT
UL1007
AWG22
WH
UL1007
AWG22
BK
UL1007
AWG22
BN
ULI
007
AWG22
RD
ULI
007
AWG22
OG
UL1007
AWG22
YE
ULI
007
AWG22
GN
UL1007
AWG22
BU
ULI007
AWG22
VT
UL1007
AWG22
GY
UL1007
AWG22
WH
UU007
AWG22
BK
UL1007
AWQ22
BN
ULI
007
AWG22
RD
UL10O7
AWG22
OG
ULI
007
AWG22
YE
W-
177900-1
4P
以
邛
SC
PNFOAE-AA
UL1007
AWG22
YE
LT8-P
Refer
to
N6
101
30853+001
M610133337
Name
Drawing
No.
LEFT
SIDE
RAIL
COVER
PARTS
(FOR
EDGE
POSITIONING)
N610130873+001AA
Kit
No.
Loc.
No.
43025-1600
Refer
to
N61
01
3081
2+001
ULI
007
AWG22
BN
ULI007
AWG22
RD
lAt-AA
ULK
Control
Board
)
CNCOV2
CNEMG2
F4K1020-05A
j
।
6
।
7
।
、
8
Panasonic
Factory
Solutions
Co.,
Ltd
/^7—
'7^
77
U
—
VUn.
—
株
式会社
7
I
8

4
7
8
心碰
逊)
N610133338
ULR2-
R
UL1007
AWG22
BN
C
UL1007
AWG22
BN
D-C73(SMC)
ULI
007
AWG22
GN
UL1007
AWG22
GN
A
A
UL1007
AWG22
BU
1396R
UL1007
AWG22
VT
ULI007
AWG22
WH
左
及庆限
UL1007
AWG22
BK
%
卓
ULI007
AWG22
BN
JJLIOO/^AWG^RD
P
1
III
1(X17
AWG2?
RD
UL1007
AWG22
RD
D-C73(SMC)
1396R
ULllXJ/
AWGZZ
GN
+
UL1007
AWG22
GN
I
I
UL1007
AWG22
GN
-XPH3
ULI007
AWG22
GN
22
LB
—
J"
—
—
—
1
—
、■忸
1
UL1007
AWC22
VT
22
PK
Refer
to
N61
01
30813+001
ULI007
AWG22
VT
22
LG
B
B
ULI007
AWG22
WH
22
OG
P919
(PFSC)
L
UL1007
AWG22
WH
UL1007
AWG22
YE
22
GY
III
1(X)7
AWR92
RK
UL1007
AWG22
BU
22
LBI
"I
"I
UL1007
AWG22
BN
PH4-R
P
板检出
4
5557-2OR-21O
P.
C.
B.
DETECTION
4
(MOLEX)
毕
308711
VC15T
L
5559-O2P-210
VQZ1351-5LO(SMC)
UL1007
AWG22
GY
L
UL1007
AWG22
BU
VQZ1351^-5LO?SMCr
UC16
V16-P
L
VQZ1151-5LO(SMC)
(MOLEX)
ULI007
AWG22
RO
UL1007
AWG22
OG
ULI007
AWG22
GY
-Y201
UL1007
AWG22
BK
D
D
UL1007
AWG22
OG
4
UL1007
AWG22
BN
2
ULI
007
AWG22
YE
P.C.B.
POSITIONER
VALVE(R)POS.
SY31
2O-5MOZ-C4-F1
(SMC)
Refer
to
N61
01
30864+001
for
P-Push
spec
ULI007
AWG22
OG
必
UL1007
AWG22
OG
ULI007
AWG22
BU
N610133443
UL1007
AWG22
GY
ULI007
AWG22
GY
UL1007
AWG22
RD
ULI007
AWG22
RD
UUO07
AWG22
RD
E
E
UL1007
AWG22
GN
UL1007
AWG22
OG
Refer
to
N6
101
3081
3+003
ULI007
AWG22
YE
UL1007
AWG22
GN
UU007
AWG22
BU
UL1007
AWG22
VT
5559-12P-210
F
F
F4K1020-05A
1
2
4
7
8
Panasonic
Factory
Solutions
Co.,
Ltd
代
十、)
二
、力
7T
夕卜
U
—
VUn.
—
株
式会社
1396Pl
(MOLEX:
TAIYO
CABLE
EXT-2
6c
X
22AWG
—
5559-O2P-210
SY100-30-4A-6
(SMC)
P
板检出
3
P.
C.
B.
DETECTION
3
JST
XADRP-36V
LEFT
RAIL
RETURN
LIMIT
左
L^—
Jlz
行限
LEFT
RAIL
TRAVERSE
LIMIT
左
一
J
原
3
)以
LEFT
RAIL
RETURN
VALVE
—
5559-O2P-210
左
l/一儿
行岂八
LEFT
RAIL
TRAVERSE
VALVE
-I
a
Si
o
g
二
M
n
<
POSITIONER
LEVER
VALVE
卅
ULI
007
AWG22
GN
5557-02R-210
(MOLEX)
斤
A
A
@包
氾函
Q
UL1007
AWG22
GN
UL1007
AWG22
YE
PH
UL1007
AWG22
OG
L
一
UL1007
AWC22
00
UL1007
AWG22
'WH
「
UL1007
AWG22
VT
W
W
-XV1
5R
1
RD
2
~
BK
生
邱建筑
包
V15T-P
*
5T
V
"
>
1
RD
j
qz
三工
RD
BK
-XV16
「
、
1
RD
二
5557-02R-210
-XULR1
1
BK
工二地
」当.
1396Pl
(MOLEX)
-XULR2
1
BK
HI
二地
」女_
1396Pl
(MOLEX)
UL1007
AWG22
VT
UL1007
AWG22
GN
胸磅
VC15R
__
!
4
f
7—
丰
5557-02R-210
I—
(MOLEX)
I
V(
UL
师
AWG22YE
「
3把
「
5一耐
|
:
[
|
2
|
1 1
555S-O2P-2IO
5557-02R-210
门
尹
1:
II
I.
士
1
Il
1
1
.1
1
.1
.1
J
J
.1
.1
.1
.1
」
—
UL1007
AWG22
YE
ULI007
AWG22
BN
UL1007
AWQ22
GY
ULI007
AWG22
WH
.
—
—
V
Name
Drawing
No.
LEFT
SIDE
RAIL
COVER
PARTS
(FOR
EDGE
POSITIONING)
N610130873+002AA
Kit
No.
Loc.
No.