RL132电路图N7205A093E.pdf - 第122页
555 卜 22P 5557-22R-21Q ULI 007 AWG22 GY — ULI 007 AWG22 GY w MH* ULI007 AWG22 GY ULIO07 AWG22 BK ULIO07 AWG22 BK WB ULIO07 AWG22 BK AWG22 BN .1007 AWG22 RD ULI 007 AWG22 OG UU007 AWG22 YE ULI 007 AWG22 GN ULI 007 AWG22 B…

UL1007
AWG22
BK
UL1007
AWG22
RD
Y17-R
UL1007
AWG22
BK
UL1007
AWG22
RD
ULI
007
AWG22
BK
UL1007
AWG22
RD
Y21-R
।
—
।
I
i
1
蛇」
AXT661-12
srac’
AXT661-12
W007AWG22BK
L
半%
AXT661-12
UL1007
AWG22
BK
UL1007
AWG22
RD
ULI
007
AWG22
BK
UL1007
AWG22
RD
UL1007
AWG22
BK
AXT661-12
产转为
一
_
YV13-.R
1
A
r"1
UL1007
AWG22
RD
I
—
i
|
3_
ULW07
AWG22
RD
Please
refer
to
N61
01
30822+003
/
(N6101
15468)
8
10
11
12
13
14
15
16
5559-1
6P-2
10
_12CN8-R._
[2CN8
A
%
X
mro
—
5557-16R-210
12CN8-1R
——
3
1
2
UL1007
AWG22
RD
!
2-1
1
UL1007
AWG22
OG
|
3J.
UL1007
AWG22
YE
|
二
1
1
5
UL1007
AWG22
GN
!
>
1
h
1
UL1007
AWG22
BU
1
7
UL1007
AWG22
VT
I
7
」
1
1
8
UL1007
AWG22
GY
!
〉
1
h
1
UL1007
AWG22
WH
।
qj.
!
10
ULI
007
AWG22
BK
I
1
昌一
1
1
11
UL1007
AWG22
BN
!
luJ
_
।
12
1
—
UL1007
AWG22
RD
।
|
13
UL1007
AWG22
OG
1
I
14
UL1007
AWG22
YE
!
14.
1
h5
1
UL1007
AWG22
GN
|
15-1
、:
16
I
UL1007
AWG22
BU
|
ifij
展
E
」
1
EF・
强制
统由
COMPULSIVE
OIL
SUPPLY
位
置修正
ZS/
卜^
7
LOCK
FOR
POSITION
CORRECT
PALLET
OPENED
位
置修正
2.
5mm
POSITION
CORRECT
FOR
2.5mm
位
置修正
5.0mm
POSITION
CORRECT
FOR
5.0mm
V
力^
卜位
置下降
V
CASSETTE
POSITION
DOWN
部
品修正
及
PART
CORRECT
CANCEL
位
置修正
7.
5mm
POSITION
CORRECT
FOR
7.5mm
位
置修正
2.5mm(4QA)
POSITION
CORRECT
FOR
2.5mm
(4th
QUADRANT
ANGLE)
VQZ1151-5LO(SMC)
Y21
A
注
I
B
VQZ1151-5LO(SMC)
VQTI
151-5LO(SMc7
Y18
q
VQZ1
151-5LO(SMCT
YV14
3
VQZ1
151-5LO(SMCT
YV13
平
O
-七
£
VQZ1
151-5LO(SMCF
VQZ1151-5LO(SMC)
PCF25MA-
R
VQZ3
fl
51-5LO(SMC)
一
7c
O-fe
1
PNF0AA-AA
PFSC
-K322
2
I
3
I
4
7
I
8
Name
Drawing
No.
L
FEEDER
PART:
RADIAL
4-PITCH
VALVE
N610130874+001AA
Kit
No.
Loc.
No.
F4K1020-05A
j
7
8
Panasonic
Factory
Solutions
Co.,
Ltd
十、/
二^夕
77
U
—
VUn.
—
株
式会社

555
卜
22P
5557-22R-21Q
ULI
007
AWG22
GY
—
ULI
007
AWG22
GY
w
MH*
ULI007
AWG22
GY
ULIO07
AWG22
BK
ULIO07
AWG22
BK
WB
ULIO07
AWG22
BK
AWG22
BN
.1007
AWG22
RD
ULI
007
AWG22
OG
UU007
AWG22
YE
ULI
007
AWG22
GN
ULI
007
AWG22
BU
UL1QO7
AWG22
VT
ULI
007
AWG22
YE
ULI
007
AWG22
BN
UL1007
AWG22
RD
UU0O7
AWG22
YE
ULI
007
AV£22
GN
ULI0O7
AWG22
BU
UL1007
AWG22
RD
ULI007
AWG22
WH
ULI
007
AWG22
VT
UL10O7
AWG22
GY
ULI
007
AWG22
Q
ULI007
AWG22
GY
ULI
007
AWG22
GY
UL1007
AWG22
WH
J
007
AWG22
BK
UL1007
AWG22
BN
UL1007
AWG22
RD
UL1007
AWG22
OG
UL1007
AWG22
YE
UL1007
AWG22
YE
UL1007
AWG22
YE
UL10O7
AWG22
YE
UL1007
AWG22
YE
UL1007
AWG22
WH
UL1007
AWG22
WH
UL1007
AWG22
WH
>
>
177901-1
6P>A
w-
177901-1
6P>A
J
-
>+^-
>H
-
>H
-
N6101
16877)
^/N6101
16876)
UU007
AWG22
BN
JU
007
AWG22
RD
JU
007
AWG22
OG
ULI007
AWG22
YE
UL1007
AWG22
GN
ULI007
AWG22
BU
ULI
007
AWG22
VT
ULI007
AWG22
GY
ULI
007
AWG22
WH
UL1007
AWG22
BK
「
4
迎
1
UL1007
AWG22
WH
工了
夕
少
AIR
DOWN
>4
X
:
H
>4
>1
X
A
X
:
H
:
H
>4
>4
X
A
>4
:ing
1/u
Load
board
利
XY
TABLE
INSIDE
PCB
DETECTION
POSI.ERR
DETECTION
RETURN
UM.
XAXIS
山
M1T
X
AXIS
ORG.
X
AXIS-LIMIT
LARGE
PCB
2nd
ORIGIN
Y
^IS*UM1T
Y
AXIS
ORG.
Y
AXIS-LIMIT
Refer
to
N61
01
30875+002
XN6ip0626lT)
ULI
007
AWG22
BN
ULIO07
AWG22
RD
ULI0O7
AWG22
OG
ULI
007
AWG22
YE
UL1007
AWG22
GN
UI
100。
AWG〃
BU
UL1007
AWG22
BK
ULI
007
AWG22
BN
ULI
007
AWG22
RD
ULI
007
AWG22
OG
UL1007
AWG22
BU
5559-I0P-2I0
“
UL1007
AWG22
BU
〃
ULI0O7
AWG22
BU
"■
UL1007
AWG22
BU
力
ULI007
AWG22
BN
一
z
ULI007
AWG22
BN
wdm
Refer
to
N61
01
3081
4+005
ULI0O7
AWG22
GN
ULI0O7
AWG22
GN
UL1007
AWG22
VT
ULI0O7
AWG22
GY
UL1007
AWG22
WH
UL1007
AWG22
WH
UL1007
AWG22
WH
Name
Drawing
No.
RIGHT
SIDE
RALXY
TABLECARRY
ARM
PARTS
Option
:
Large
PCB
Board
N610130875+001AA
Kit
No.
Loc.
No.
F4K1020-05A
j
2
1
6
।
7
।
、
8
Panasonic
Factory
Solutions
Co.,
Ltd
十、/
二^夕
77
1
夕卜
U
l
VUn.
—
株
式会社
>>>>»
»

L
叫
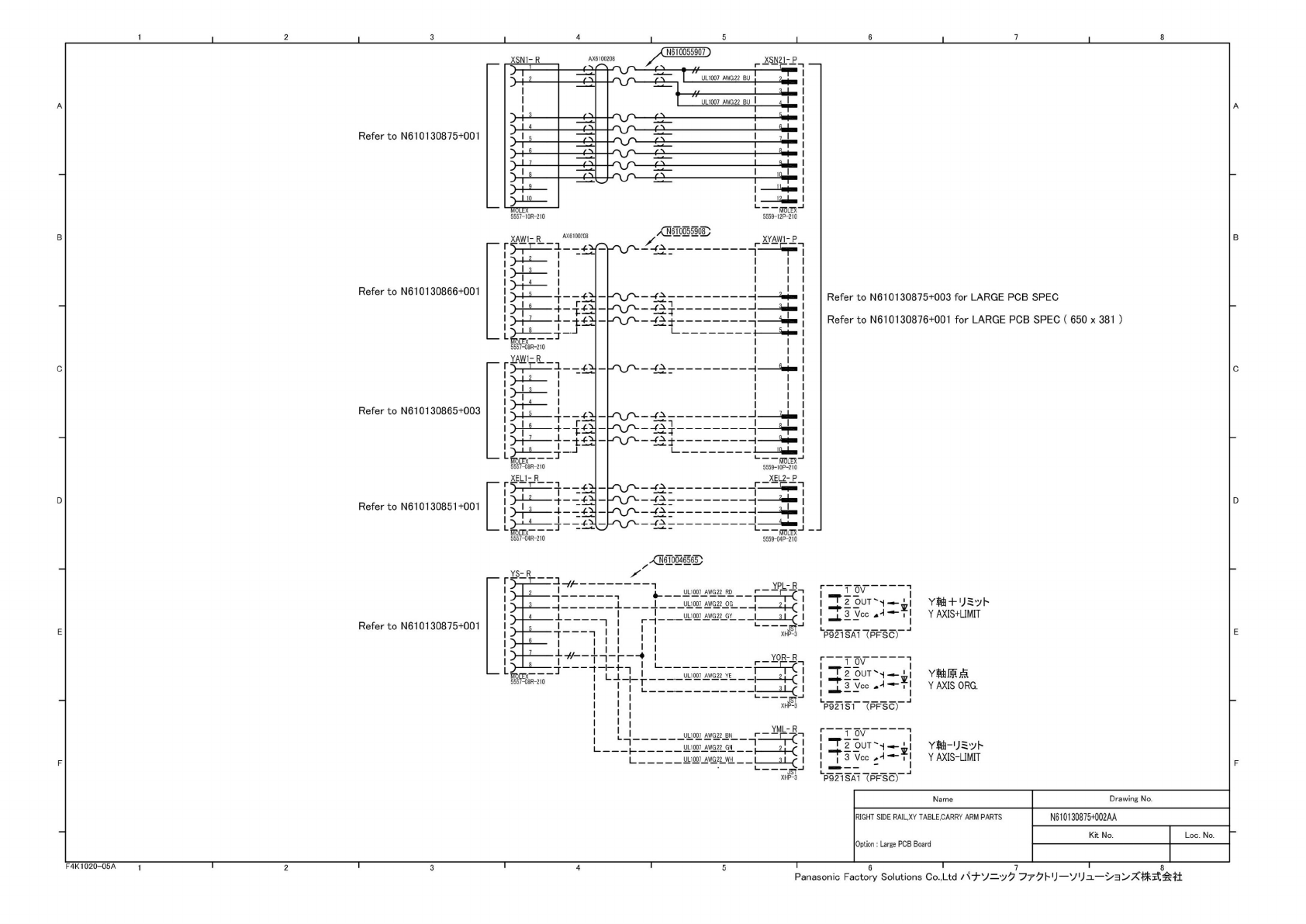
XN6
1
0055907)
.
力
[
UL1007
AWG22
BU
AX6100208
UL1007
AWG22
BU
XSN1-R
Refer
to
N61
01
30875+003
for
LARGE
PCB
SPEC
Refer
to
N610130876+001
for
LARGE
PCB
SPEC
(
650
x
381
)
Refer
to
N61
01
30875+001
Refer
to
N61
01
30866+001
Refer
to
N61
01
30865+003
Refer
to
N610130851+001
Refer
to
N61
01
30875+001
।
2
OV
j
[§VccJ—
Y
AXIS+UMIT
I
I
-
I
LP921SAi7PFSC)
1
「
——
TJv
1
I
h
2_gut、t一
制
Y
轴原点
I
^3
Vcc
J—
号
Y
AXIS
ORG.
P921S1
7PFSC)
j
j_
ov
1
工红
UT、T—$I
Yfeh-U^'>b
1
;
3
Vcc
Tl
Y
AXIS-UMIT
I
—
—
—
1
P921SA1
(PFSC)
Name
Drawing
No.
RIGHT
SIDE
RA1L.XY
TABLECARRY
ARM
PARTS
N610130875+002AA
Option
:
Large
PCB
Board
Kit
No.
Log.
No.
F4K1020-05A
1
4
1
6
1
7
।
、
8
Panasonic
Factory
Solutions
Co.,
Ltd
/^'7—
'7^
—
7U
J-
—
株
式会社
1
I
2
I
3
[
4
[
5
1
6
I
7
I
8