RL132电路图N7205A093E.pdf - 第26页

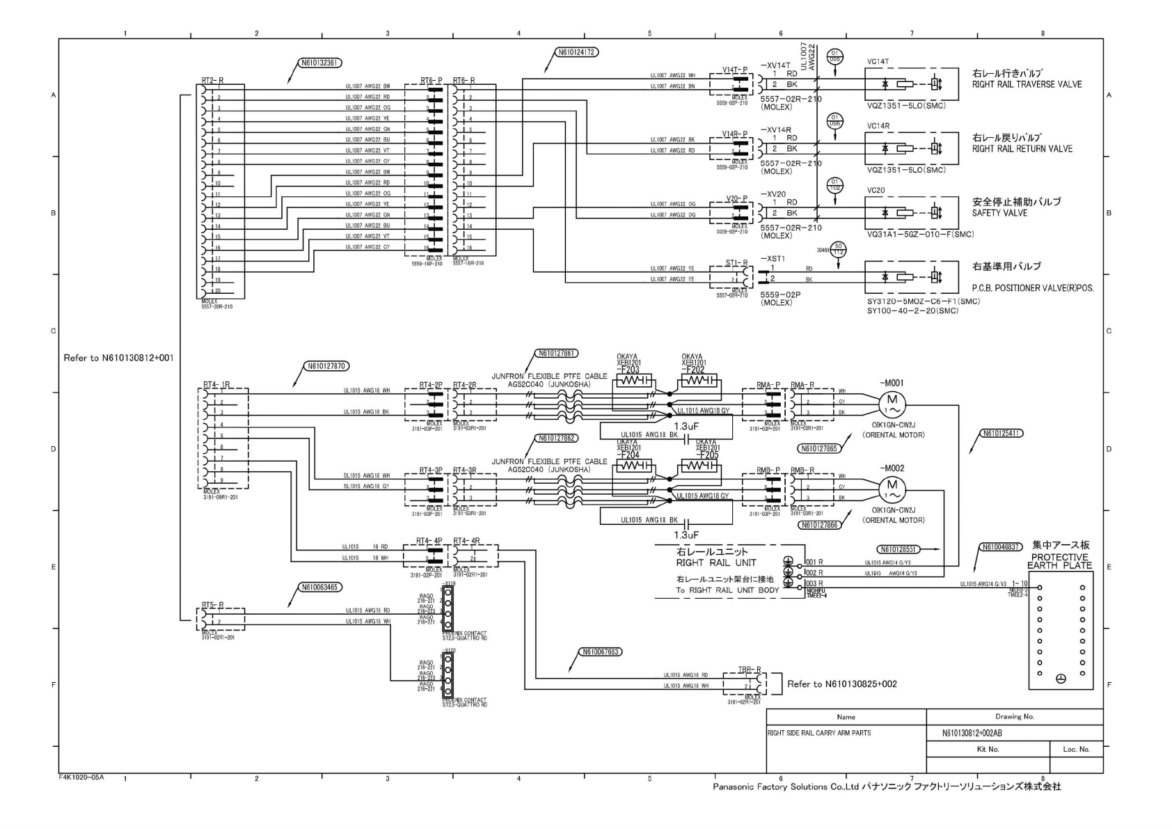
1 2 3 4 7 8 ,9弘 VC14T N610132361 -XV14T A A VQZ1351-5LO(SMC) 中 VC14R -XV14R UL1007 AWG22 BK 0 VQZ1351-5LO(SMC) UL1007 AWG22 BN UL1007 AWG22 RD VC20 UL1007 AWG22 OG -XV20 11 UL1007 AWG22 YE 12 B B UL1OO7 AWG22 GN UL1007 A…

100%1 / 130
King
1
U
Load
board
N6
10063428)
UL1007
AWG22
BN
UL1007
AWG22
RD
UL1007
AWG22
OG
UL1007
AWG22
YE
UL1007
AWG22
GN
UL100?
AWG22
BU
ULI007
AWG22
VT
UL1007
AWG22
GY
UL1007
AWG22
RD
UL1007
AWG22
RD
UL1007
AWG22
RD
ULI
007
AWG22
RD
UL1007
AWG22
GN
ULI007
AWG22
GN
UL1007
AWG22
VT
UL1007
AWG22
VT
Refer
to
N61
01
3081
2+002
REFER
TO
N6
101
30799+001
N610124787)
5-K001
3-
K001
UL1007
AWG22
BN
o
UU0O7
AWG22
YE
UL10I5
AWG18
WH
UL1O07
AWG22
OG
ULI007
AWG22
YE
UL10I5
AWG18
BK
ULI007
AWG22
GN
UU007
AWG22
GN
ULI007
AWG22
BU
ULI007
AWG22
VT
UL1007
AWG22
GY
UL1007
AWG22
VT
UL1015
AWG18
RD
-XI6.R
ULI0I5
AWG18
WH
REFER
TO
N610130799+0(T
WAG
918-773
5557-02R-2IC
ULI0I5
AWG18
RD
Refer
to
N6
101
3081
3+001
SSR
FOR
BRAKE
5-
Refer
to
N6
1
0
1
30800+001
for
Radial
spec.
0
%
5-
K003
3
-
K003
5=^
I-K003
4-
K003
O
TMEVI.25LY-3.5S
mil
BN
17/905-1
I2P"
SAFETY
RELAY
UNIT
39SC-040-TCO8D(OMRON]
17/aWri
ippyx
OfFDelay
Circuit
mOlR
5559-20P
OfHDelay
Circuit
PNF0AA-AA
PFSC
-K311
5;
R
)
9;
R
MRON
3±9A202S"UTU
3I91-O9P-201
NlUTlhU
TMEV125LY-35S
3q
|3-K0Q5
Refer
to
N61
01
30825+001
[
I
OMRON
G3R-OA202SLN-UTU
-K
展醐?
T
^^^^SZN~UTU
k“!
wUnlhU
TMEV1.25LY-35S
Refer
to
N6
101
3081
3+001
TMEV1.25LY-3.51
4-
K001
MIUHlkl
TMEV1.25LY-3.5S
UL1015
AWG18
WH
2
鹳%
""
专邮
5
NICHIFU
TMEV1.25LY-35S
Yn61012581Q
/
雁瀛昭
1
2
ULI007
AWG22
RD
3
.
UL1007
AWG22
OG
5^
UL1007
AWG22
YE
UL10I5
AWG18
WH
ULI0I5
AWG18
GY
1
-
ULI007
AWG22
BU
i
r
6
I
/
i
i
<
Name
Drawing
No.
RIGHT
SIDE
RAIL
CARRY
ARM
PARTS
N610130812+001AA
Kit
No.
Loc.
No.
F4K1020-05A
j
2
6
7
8
Panasonic
Factory
Solutions
Co.,
Ltd
十、/
二^夕
77
U
VUn.
式会社
)
^
s
g
1
2
3
4
7
8
,9弘
VC14T
N610132361
-XV14T
A
A
VQZ1351-5LO(SMC)
VC14R
-XV14R
UL1007
AWG22
BK
0
VQZ1351-5LO(SMC)
UL1007
AWG22
BN
UL1007
AWG22
RD
VC20
UL1007
AWG22
OG
-XV20
11
UL1007
AWG22
YE
12
B
B
UL1OO7
AWG22
GN
UL1007
AWG22
OG
13
J
UL1OO7
AWG22
BU
14
14
VQ31A1-5GZ-010-F(SMC)
UL1OO7
AWG22
VT
15
15
UL1OO7
AWG22
GY
16
17
*
中-也
I
右基型
用八儿
UL1007
AWG22
YE
RD
18
UL1OO7
AWG22
YE
BK
19
P.C.B.
POSITIONER
VALVE(R)POS.
I
20
7610127861
Refer
to
N61
01
3081
2+001
N610127870
-M001
UL1015
AWG18
WH
WH
GY
UL1015AWG18GY
UL1015
AWG18
BK
I
BK
1.3uF
N610125411
UL1015
AWG18
BK
(
N610127865
D
D
-M002
UL1015
AWG18
WH
CJL1015
AWG18
GY
GY
I)
I
BK
R1-201
(N61
01
27866
CN61
0128551
^^-
001
R
UL10I5AWG14G/Y3
E
E
o
1002
R
Lz-
IIzZL
二^
卜架台
仁接地
\I6
1
0063465
o
To
RIGHT
RAIL
UNIT
BODY
-
O
O
o
o
UL1015
AWG18
RD
O
o
UL1015
AWG18
WH
O
o
o
o
o
o
o
o
o
UL1015
AWG18
RD
9
Refer
to
N6101
30825+002
F
F
F4K1020-05A
1
2
4
7
8
Panasonic
Factory
Solutions
Co.,
Ltd
/^7—
'7^
夕卜
U
VUn.
式会社
>
>
5559-02P
(MOLEX)
)
)
)
)
)
>
)
)
OKAYA
XEB1201
-F202
OKAYA
XEB1201
-F203
初值
5559-02P-210
SY3120-5MOZ-C6-F1
(SMC)
SY100-40-2-20(SMC)
加值
3191-09R1-201
ZL
二^卜
RIGHT
RAIL
UNIT
5557-02R-21
(MOLEX)
MULtX
5557-20R-210
1
5s
5557-02R-21
(MOLEX)
3
I
q
OIK1GN-CW2J
(ORIENTAL
MOTOR)
安全停
止祷助
SAFETY
VALVE
l/f
行为
C
RIGHT
RAIL
TRAVERSE
VALVE
及层1
J
八),
RIGHT
RAIL
RETURN
VALVE
M
1
M
i
O1K1GN-CW2J
(ORIENTAL
MOTOR)
V14R-P
L
也二
r
RT6-
P
RT6-
R
RT4-
4P
RT4-
4R
RT4-2P
RT4-2R
RMA-
P
RMA-
R
产二年
7
斤口
JUNFRON
FLEXIBLE
PTFE
CABLE
AG52C040
(JUNKOSHA)
RT4-3P
RT4-3R
UL1015
18
WH
3191-O3R1-2O1
5557-02R-210
(MOLEX)
UL1015
18
RD
UL1015
AWG18
BK
1.3uF
30469^^
3191-03P-201
3191-03R1-201
UL1007
AWG22
BN
/N610124I72)
ST1-R
E
~
51T
L
5557-02R-210
高常嚼
MRW
3
。随
»1.20.
1
RD
P2
~
BK
1 1
oKAYA
XEB1201
-F20
1
RD
fl
~
BK
MOLEX
5559-16P-2I0
5557-16R-210
1
RD
P2
~
BK
UL1015
AWG14
G/Y3
-XST1
2
憾%
2
3
WAGO
216-221
>4^
2
WAGO
216-221
WAGO
21
6
23
WAGO
216-221
'41L1015AWG18GY
uuo^^
003
R
NICHIFU
TMEE2-4
-LJ
3191-02R1-201
RT5-R
1
)
i
16
-R
T
"I
WH
RT2-R
>
>
>
>
)
>
V14T-P
UL1007
AWG22
WH
|
UL1007
AWG22
BN
I
2^
1
届必
5559-O2P-210
UL1007
AWG22
RD
I
2_i
1
5
5559-02P-210
UL1015
AWG18
WH
1
被以
3191-02R1-201
UL1015AWG14G/Y3
1-
10
NICHIFU
TMEE2-4
集中
一入板
PROTECTIVE
ARTH
PLATE
N61
0046837
UKAYA
XEB1201
-F204
JUNFRON
FLEXIBLE
PTFE
CABLE
AG52C040
(JUNKOSHA)
n
2
UL1007
AWG22
RD
3
UL1007
AWG22
OG
4
UL1007
AWG22
YE
5
UL1007
AWG22
GN
6
UL1007
AWG22
BU
7
UL1007
AWG22
VT
8
UL1007
AWG22
GY
Name
Drawing
No.
RIGHT
SIDE
RAIL
CARRY
ARM
PARTS
N610130812+002AB
Kit
No.
Loc.
No.
ULI007
AWG22
VI
UL1007
AWG22
WH
ULI007
AWG22
BK
UL1007
AWG22
BN
ULI
007
AWC22
RD
ULI
007
AWG22
OG
UL1007
AWG22
YE
ULI
007
AWG22
GN
ULI
007
AWG22
BU
UL1007
AWG22
VT
UL1007
AWG22
GY
UL1007
AWG22
WH
ULI
007
AWG22
BK
UL1007
AWG22
BN
ULI
007
AWG22
RD
177900-1
4P>A
Refer
to
N6
101
3081
3+002
PNFOAA-AA
PFSC
-K312
Refer
to
N61
01
30812+001
UL1007
AWG22
YE
SC
PNFQAE-AA
LT8-P
Refer
to
N6
101
30853+001
N610124789
UL1015
AWGI8
WH
ULI015
AWGI8
BK
UL1015
AWGI8
WH
ULI0I5
AWGI8
GY
3191-06P-201
Refer
to
N6
101
3081
3+003
UL1007
AWG22
RD
UL1007
AWG22
OG
ULI
007
AWG22
YE
UL1007
AWG22
GN
ULI007
AWG22
BU
UL1007
AWG22
VT
UL1007
AWG22
VT
UL1007
AWG22
WH
UL1007
AWG22
BK
ULI007
AWG22
BN
UL1007
AWQ22
RO
ULI
007
AWG22
OG
ULI
007
AWG22
OG
ULI
007
AWG22
GN
UH
007
AWG22
GN
UL1007
AWG22
VT
\I6
101
32986
UL10Q7
AWG22
BN
LT1-P
W-
177900-1
4P
Kit
No.
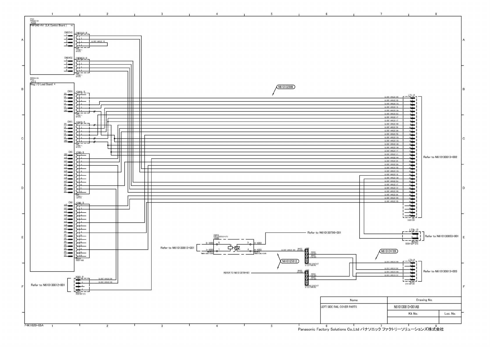
N610130813+001AB
Drawing
No.
Refer
to
N6
101
3081
2+001
Name
LEFT
SIDE
RAIL
COVER
PARTS
<ing
1/U
Load
board
CN16
lAt-AA
ULK
Control
Board
)
CNC0V2
CNEMG2
F4K1020-05A
j
6
7
8
Panasonic
Factory
Solutions
Co.,
Ltd
/^7—
'7^
77
U
VUn.
式会社
1
I
2
I
3
I
4
7
I
8