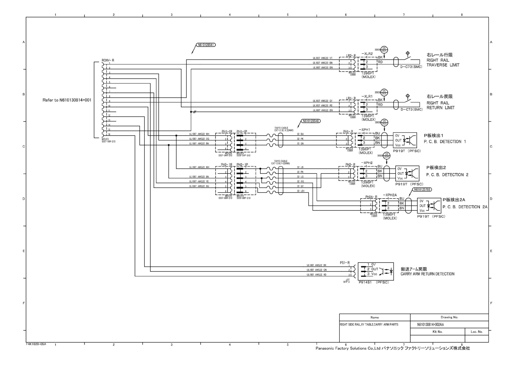
RL132电路图N7205A093E.pdf - 第32页
L& 绊 8 Refer to N610130814+001 Refer to N61 01 3081 4+004 任 — Refer to N61 01 3081 4+003 XEL1-R ~ k — 1 Refer to N610130814+001 Refer to N61 01 3081 4+001 P 921sAi (PFSC) ULI 007 AWG22 YE XHP-3 P921S1 (PFSC) P921SA1 …

Refer
to
N61
01
3081
4+001
UL1007
AWG22
VT
UL1007
AWG22
BN
UL1007
AWG22
BN
右
—
及
民限
LR1-R
UL1007
AWG22
GY
UL1007
AWG22
RD
D-C73(SMC)
UL1007
AWG22
BN
N61
01
28548)
JL1007
AWG22
WH
JL1007
AWG22
OG
JL1007
AWG22
BN
P919T
(PFSC)
BU
P
板横出
2
日
UL1007
AWG22
WH
22
LB
22
PK
P.
C.
B.
DETECTION
2
UL1007
AWG22
BN
22
LG
UL1007
AWG22
YE
22
OG
P919T
(PFSC)
22
GY
N610125793D
22
LB1
-XPH2A
PH2A-
R
iBU
4
P
板横出
2A
P.
C.
B.
DETECTION
2A
P919T
(PFSC)
WEI^IK
1396Pl
(MOLEX)
1396Pl
(MOLEX)
1396P1
(MOLEX)
139bpi
MOLLX
1396R
TAIYO
CABLE
EXT-2
3c
X
22AWG
MOLEX
1396R
MOLEX
1396R
RIGHT
RAIL
RETURN
LIMIT
右
L/
一
儿行限
RIGHT
RAIL
TRAVERSE
LIMIT
P
板检出
1
P.
C.
B.
DETECTION
1
ov
OUT
Vcc
—
即螭
"396PT'
(MOLEX)
MOLEX
TOCEX
5557-06R-210
5559-O6P-21O
PH1-R
一纤
D-C73(SMC)
5557-04R-210
燃阿
P-210
BK
jBN
-XPH2
-T--
3
。83
-XLR1
丫
g
LR
2K
-XLR2
早;
3!
TAIYO
CABLE
EXT-2
6CX22AWG
2
|bn
UL1007
AWG22
BU
5
UL1007
AWG22
BK
ULI
007
AWG22
GN
UL1007
AWG22
RD
P914S1
(PFSC)
搬送了
-A
戾限
CARRY
ARM
RETURN
DETECTION
Name
Drawing
No.
RIGHT
SIDE
RALXY
TABLECARRY
ARM
PARTS
N610130814+002AA
Kit
No.
Loc.
No.
22
BU
22
PK
22
GN
F4K1020-05A
j
2
।
6
।
7
।
、
8
Panasonic
Factory
Solutions
Co.,
Ltd
十、/
二^夕
77
U
—
VUn.
—
株
式会社
1
I
2
I
3
I
4
I
5
I
6
I
7
I
8

L&
绊
8
Refer
to
N610130814+001
Refer
to
N61
01
3081
4+004
任
—
Refer
to
N61
01
3081
4+003
XEL1-R
~
k
—
1
Refer
to
N610130814+001
Refer
to
N61
01
3081
4+001
P
921sAi
(PFSC)
ULI
007
AWG22
YE
XHP-3
P921S1
(PFSC)
P921SA1
(PFSC)
XHP-3
y
斯通
卜
丫
AXIS-UMIT
y
轴原点
丫
AXIS
ORG.
y
轴
+
3
卜
丫
AXIS+UMIT
YPL-R
1
—
2
+
<
।
J
I
1
即
」
XHP-3
YAW1-R
丁一一l
q
XAW1-
R
AXO1UO2O8
~
I
J
UL1007
AWG22
RD
UL1007
AWG22
0G
UL1007
AWG22
GY
1
ov
二
2
OUT、—.
J
3
Vcc
J
—
十
1
OV
;
3
Vcc
任
>1^-
>U-
UL1007
AWG22
BN
UL1007
AWG22
GN
UL1007
AWG22
WH
1
0V
Z^UT、一
土
[
3
Vcc
J—
十
加面」
5559-10P-210
XEL2-P
iZZL"!
c
_
Z|
*
_
X!
A
N6
10046565)
加
m
5559-04P-210
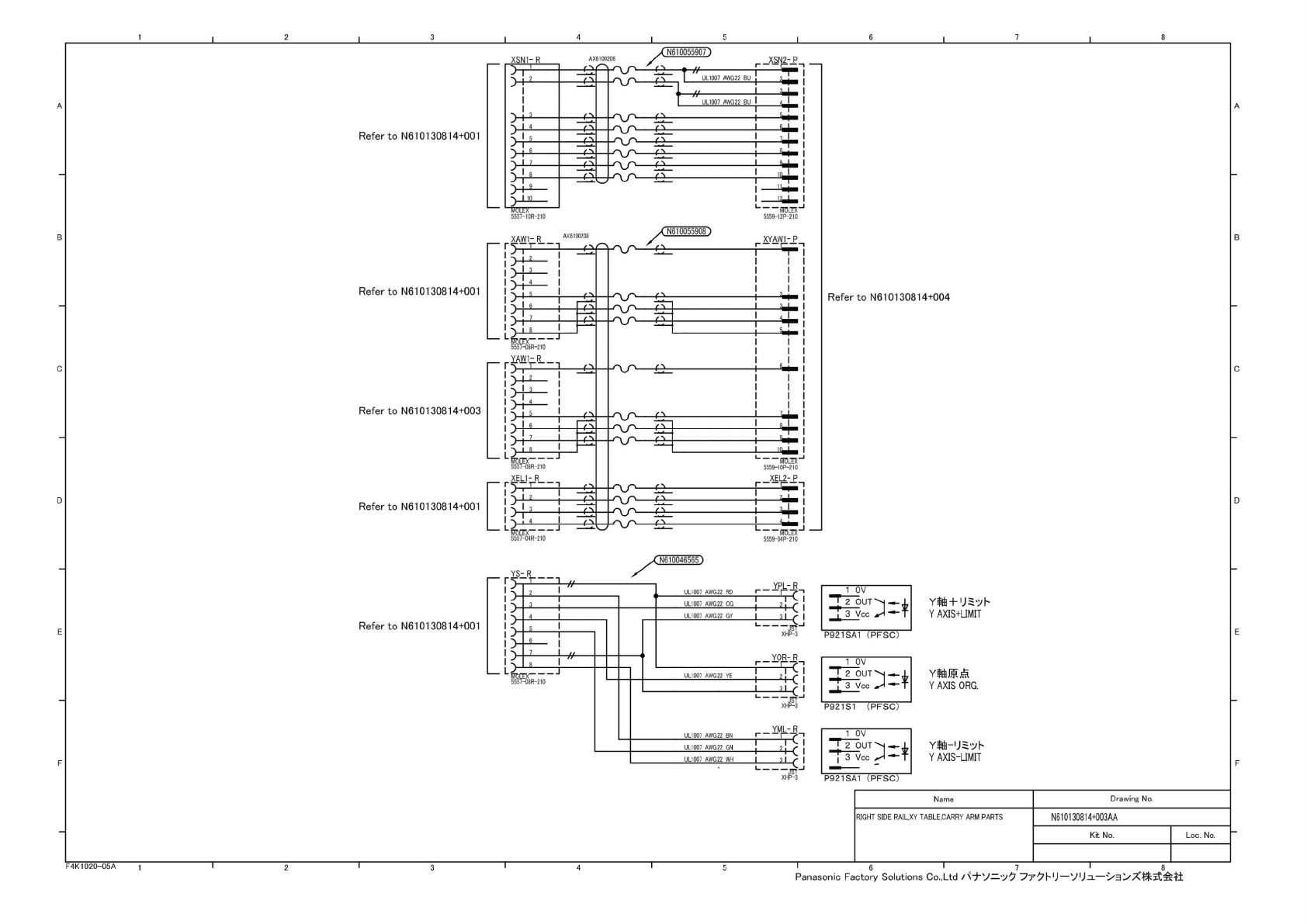
Name
Drawing
No.
RIGHT
SIDE
RALXY
TABLECARRY
ARM
PARTS
N610130814+003AA
Kit
No.
Log.
No.
XSNl-R
Refer
to
N61
01
3081
4+001
AX61
00208
AN61005590D
•‘C
[
UL1007
AWG22
BU
UL1007
AWG22
BU
MOLtX
5557-10R-2I0
加面」
5559-12P-210
F4K1020-05A
1
2
4
।
6
।
7
।
、
8
Panasonic
Factory
Solutions
Co.,
Ltd
二
、力
77
U
—
VUzl
—
株
式会社
1
I
2
I
3
I
4
I
5
I
6
I
7
I
8

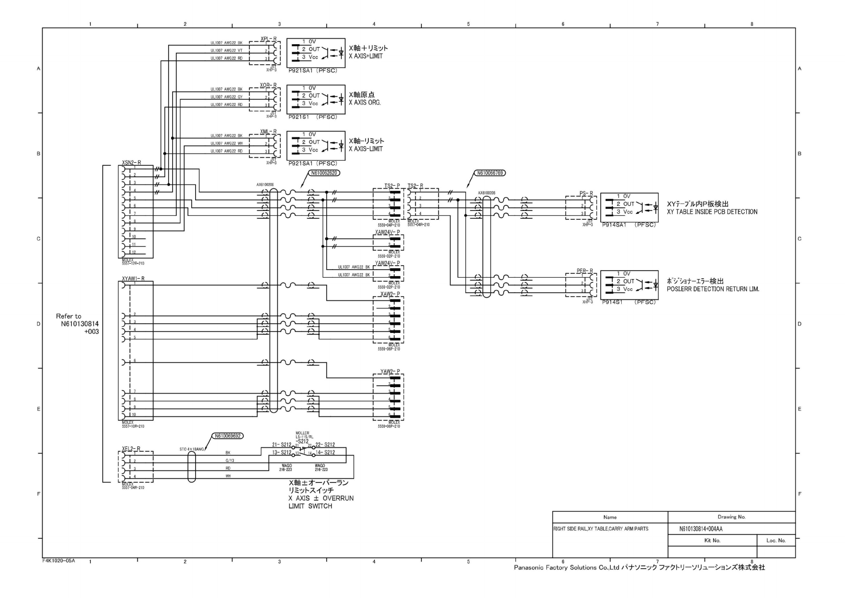
1
2
3
4
7
8
—
XPL-
R
r
—
T^"l
UL1007
AWG22
BK
UL1007
AWG22
VT
UL1007
AWG22
RD
A
A
P921SA1
(PFSC)
XOR-R
UL1OO7
AWG22
BK
UL1OO7
AWG22
GY
UL1007
AWG22
RD
UL1007
AWG22
BK
JL1OO/
AWG22
WH
JL1OO7
AWG22
RD
B
B
P921SA1
(PFSC)
7610066762
AX6100208
TS2-
P
TS2-
R
-A-
P914SA1
(PFSC)
PER-R
UL1007
AWG22
BK
-A-
P91461
(PFSC)
D
D
r
,喀「
E
E
M610069692
STO4X18AWG
BK
F
F
F4K1020-05A
1
2
4
7
8
Panasonic
Factory
Solutions
Co.,
Ltd
/^7—
'7^
夕卜
U
—
VUn.
—
株
式会社
WAGO
216-223
)
)
>
>
WAGO
216-223
X
新作什
X
AXIS-LIMIT
—
被向
5559-06P-210
加值
5559-06P-210
x
轴原点
X
AXIS
ORG,
5557-04R-210
XYfBz
内
P
板检出
XY
TABLE
INSIDE
PCB
DETECTION
J5T
XHP-3
X
轴土
才一八
一^:z
亚
卜天行
X
AXIS
±
OVERRUN
LIMIT
SWITCH
X
轴
+叶
卜
X
AXIS+LIMIT
JST
XHP-3
POSI.ERR
DETECTION
RETURN
L1M.
Refer
to
N610130814
+003
P921S1
(PFSC)
1
欣
n
」
5559-02P-210
XAW2
-
P
r
亡
1
加值」
5559-02P-210
YAW24V-
P
UL1007
AWG22
BK
匚二
「
府面
5559-04P-210
XAW24V-
P
「-
XEL2
-
R
「
k—
1
1
)
)
>
Ilex
5557-10R-210
MOLLER
LS-11S/RL
21-S212
"
"
22-
S212
13-
S2120i3^Lj4Q14-
S212
XML-R
<
——
M:
i
J
iLr
I
1
JST」
XHP-3
1
ov
二
2
OUT、—
土
二
3
Vcc
J—
十
1
OV
=2
0
m
二
3
Vcc
J—
十
XSN2-R
y
)
)
>
)
)
)
)
)
>
>
京
Lex
5557-12R-210
XYAW1-R
A
1
OV
Eut、一
$
3
Vcc
J—
十
1
0V
红
UTI_
土
3
Vcc
J
—千
1
0V
3
Vcc
J—
十
AX6
100208
"2
I
G/Y3
RD
2
!
4
1
1
1
WH
Name
Drawing
No.
RIGHT
SIDE
RALXY
TABLECARRY
ARM
PARTS
N610130814+004AA
Kit
No.
Loc.
No.