RL132电路图N7205A093E.pdf - 第33页

1 2 3 4 7 8 — XPL- R r — T^"l UL1007 AWG22 BK UL1007 AWG22 VT UL1007 AWG22 RD A A P921SA1 (PFSC) XOR-R UL1OO7 AWG22 BK UL1OO7 AWG22 GY UL1007 AWG22 RD UL1007 AWG22 BK JL1OO/ AWG22 WH JL1OO7 AWG22 RD B B P921SA1 (PFS…

100%1 / 130
L&
8
Refer
to
N610130814+001
Refer
to
N61
01
3081
4+004
Refer
to
N61
01
3081
4+003
XEL1-R
~
k
1
Refer
to
N610130814+001
Refer
to
N61
01
3081
4+001
P
921sAi
(PFSC)
ULI
007
AWG22
YE
XHP-3
P921S1
(PFSC)
P921SA1
(PFSC)
XHP-3
y
斯通
AXIS-UMIT
y
轴原点
AXIS
ORG.
y
+
3
AXIS+UMIT
YPL-R
1
2
+
<
J
I
1
XHP-3
YAW1-R
丁一一l
q
XAW1-
R
AXO1UO2O8
~
I
J
UL1007
AWG22
RD
UL1007
AWG22
0G
UL1007
AWG22
GY
1
ov
2
OUT、—.
J
3
Vcc
J
1
OV
3
Vcc
>1^-
>U-
UL1007
AWG22
BN
UL1007
AWG22
GN
UL1007
AWG22
WH
1
0V
Z^UT、一
[
3
Vcc
J—
加面」
5559-10P-210
XEL2-P
iZZL"!
c
_
Z|
*
_
X!
A
N6
10046565)
m
5559-04P-210
Name
Drawing
No.
RIGHT
SIDE
RALXY
TABLECARRY
ARM
PARTS
N610130814+003AA
Kit
No.
Log.
No.
XSNl-R
Refer
to
N61
01
3081
4+001
AX61
00208
AN61005590D
•‘C
[
UL1007
AWG22
BU
UL1007
AWG22
BU
MOLtX
5557-10R-2I0
加面」
5559-12P-210
F4K1020-05A
1
2
4
6
7
8
Panasonic
Factory
Solutions
Co.,
Ltd
、力
77
U
VUzl
式会社
1
I
2
I
3
I
4
I
5
I
6
I
7
I
8
1
2
3
4
7
8
XPL-
R
r
T^"l
UL1007
AWG22
BK
UL1007
AWG22
VT
UL1007
AWG22
RD
A
A
P921SA1
(PFSC)
XOR-R
UL1OO7
AWG22
BK
UL1OO7
AWG22
GY
UL1007
AWG22
RD
UL1007
AWG22
BK
JL1OO/
AWG22
WH
JL1OO7
AWG22
RD
B
B
P921SA1
(PFSC)
7610066762
AX6100208
TS2-
P
TS2-
R
-A-
P914SA1
(PFSC)
PER-R
UL1007
AWG22
BK
-A-
P91461
(PFSC)
D
D
r
,喀「
E
E
M610069692
STO4X18AWG
BK
F
F
F4K1020-05A
1
2
4
7
8
Panasonic
Factory
Solutions
Co.,
Ltd
/^7—
'7^
夕卜
U
VUn.
式会社
WAGO
216-223
)
)
>
>
WAGO
216-223
X
新作什
X
AXIS-LIMIT
被向
5559-06P-210
加值
5559-06P-210
x
轴原点
X
AXIS
ORG,
5557-04R-210
XYfBz
P
板检出
XY
TABLE
INSIDE
PCB
DETECTION
J5T
XHP-3
X
轴土
才一八
一^:z
卜天行
X
AXIS
±
OVERRUN
LIMIT
SWITCH
X
+叶
X
AXIS+LIMIT
JST
XHP-3
POSI.ERR
DETECTION
RETURN
L1M.
Refer
to
N610130814
+003
P921S1
(PFSC)
1
n
5559-02P-210
XAW2
-
P
r
1
加值」
5559-02P-210
YAW24V-
P
UL1007
AWG22
BK
匚二
府面
5559-04P-210
XAW24V-
P
「-
XEL2
-
R
k—
1
1
)
)
>
Ilex
5557-10R-210
MOLLER
LS-11S/RL
21-S212
"
"
22-
S212
13-
S2120i3^Lj4Q14-
S212
XML-R
<
——
M:
i
J
iLr
I
1
JST」
XHP-3
1
ov
2
OUT、—
3
Vcc
J—
1
OV
=2
0
m
3
Vcc
J—
XSN2-R
y
)
)
>
)
)
)
)
)
>
>
Lex
5557-12R-210
XYAW1-R
A
1
OV
Eut、一
$
3
Vcc
J—
1
0V
UTI_
3
Vcc
J
—千
1
0V
3
Vcc
J—
AX6
100208
"2
I
G/Y3
RD
2
!
4
1
1
1
WH
Name
Drawing
No.
RIGHT
SIDE
RALXY
TABLECARRY
ARM
PARTS
N610130814+004AA
Kit
No.
Loc.
No.
1
2
3
4
7
8
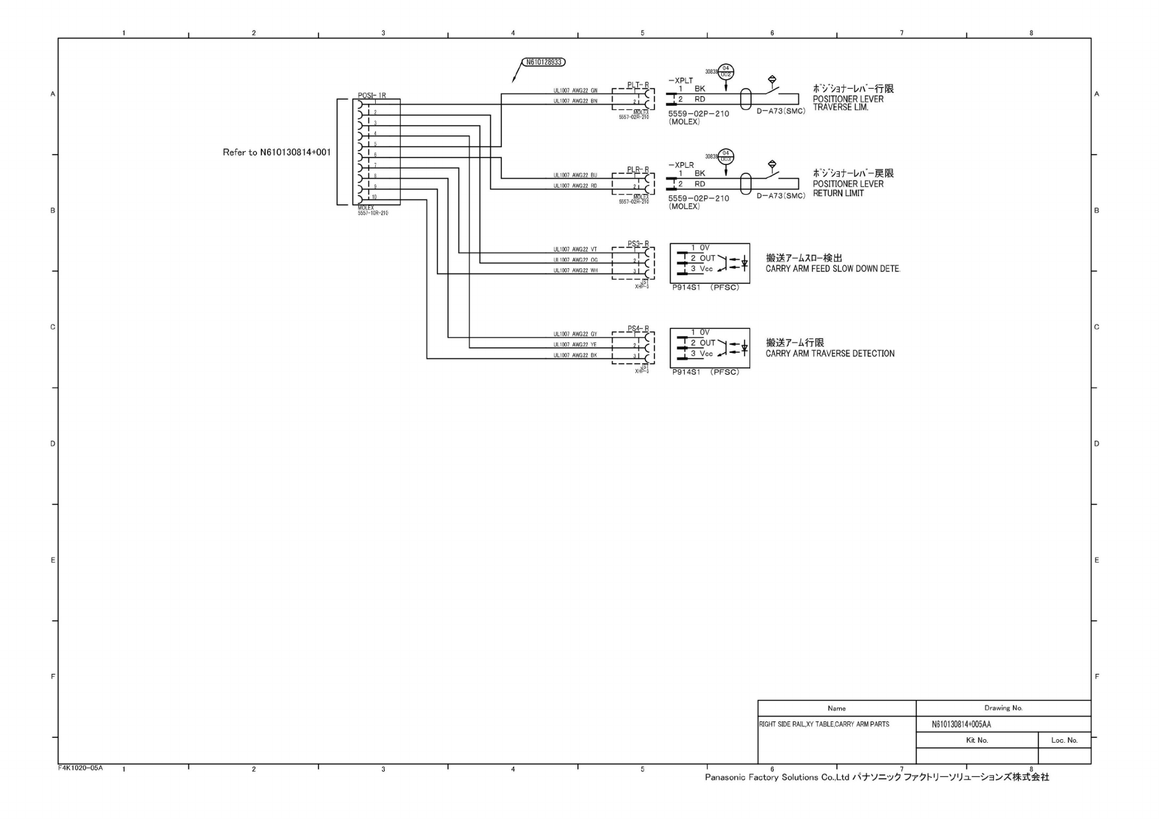
1
g
A
A
D-A73(SMC)
Refer
to
N610130814+001
D-A73(SMC)
B
B
1
OV
2
OUT\T
[
3
Vcc
J—
1
OV
2
OUT\T
3
Vcc
J—
P914S1
~
(PFSC)
D
D
E
E
F
F
2
4
7
8
Panasonic
Factory
Solutions
Co.,
Ltd
/^'7—
'7^
77
U
VUzl
式会社
5559-02P-210
(MOLEX)
5559-02P-210
(MOLEX)
搬送了
亍限
CARRY
ARM
TRAVERSE
DETECTION
P914S1
(PFSC)
XPLR
1
BK
[2
RD
水方
zHU
一行限
POSITIONER
LEVER
TRAVERSE
LIM.
代力打一1/
•—
戾限
POSITIONER
LEVER
RETURN
LIMIT
3083
=6
F4K
1020-05
A
i
-XPLT
1
BK
~
RD
搬送
j
一检出
CARRY
ARM
FEED
SLOW
DOWN
DETE.
Name
Drawing
No.
RIGHT
SIDE
RALXY
TABLECARRY
ARM
PARTS
N610130814+005AA
Kit
No.
Loc.
No.