RL132电路图N7205A093E.pdf - 第40页
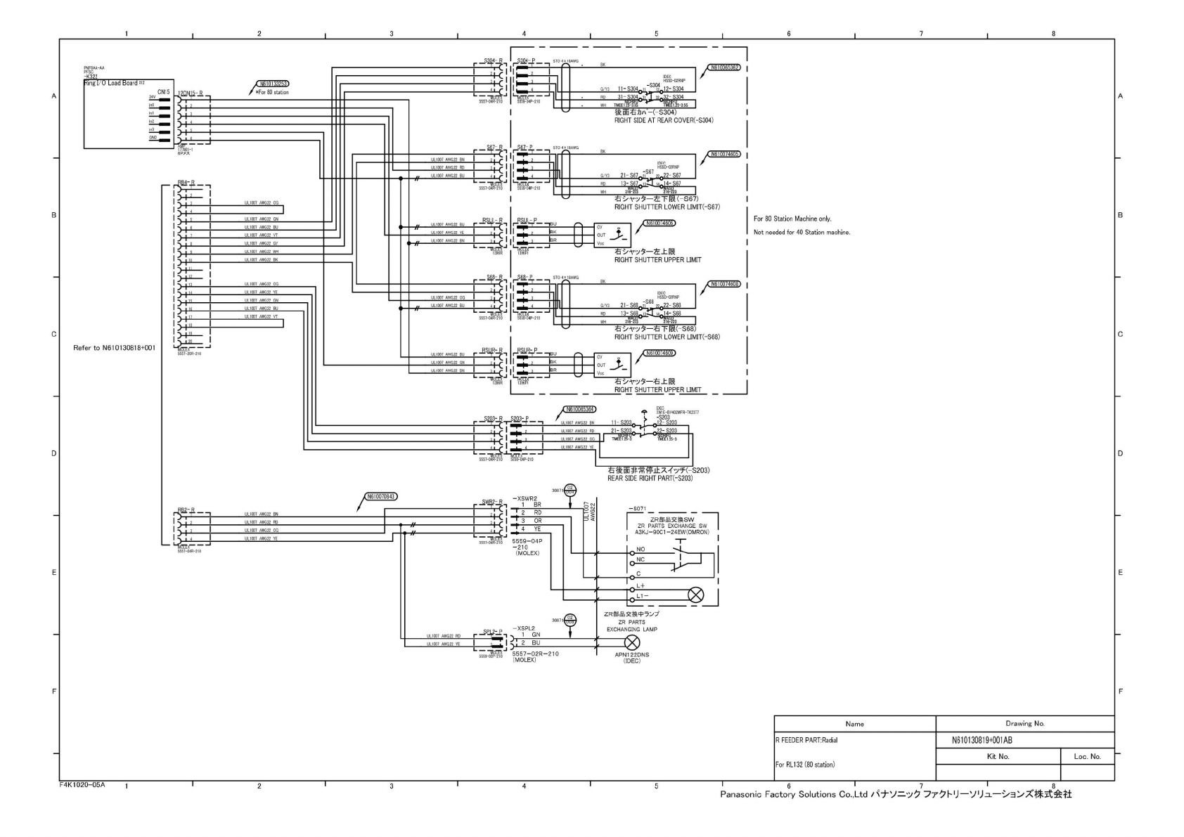
5557-O4R-2IQ ) ) ) > ) ) ) ) ) ) ) ) > JL1007 AWG22 YE Refer to N6 101 3081 8+001 STO4x I8AWG 11-S304 5557-04R-2IC STO4X18AWG BK I JD ULI007 AWG22 BN UL1007 AWG22 RD G/Y3 RD 5557-04R-2IC 腿 3 WH I For 80 Station Mac…

<ing
〕/u
Load
treara
xing
1
u
Load
board
PNFOAA-AA
PFSC
-K312
PNFOAA-AA
PFSC
-K31I
PFSC
PNFOAE-AA
N610064367)
N610132382
)
RB2-P
ULIOO7
AWG22
BN
ULIOO7
AWG22
BN
UL1OO7
AV/G22
VT
UL1007
AWG22
RD
UU007
AWG22
OG
ULI
007
AWG22
GY
ULI
007
AWG22
BK
UU007
AWG22
YE
ULI007
AWG22
GN
ULI007
AWG22
BU
ULI007
AWG22
BK
UL1007
AWG22
BN
UL10C7
AWG22
RO
UL1007
AWG22
BK
ULI007
AWG22
BN
UL1007
AWG22
RO
UL1007
AWG22
RD
UL1007
AWG22
VT
UL1007
AWG22
GY
UL1007
AWG22
WH
19
UL1007
AWG22
BK
2Q.
UL1007
AWG22
BN
UL1007
AWG22
OG
ULI
007
AWG22
RD
ULI007
AWG22
YE
ULI
007
AWG22
RD
」
一
UL10Q7
AWG22
GY
ULI
007
AWG22
BU
ULI007
AWG22
OG
UI
1007
AWfi?2
YF
UL1007
AWG22
RD
ULI
007
AWG22
GY
UL1007
AWG22
RD
ULI
007
AWG22
VT
ULI
007
AWG22
GY
UL1007
AWG22
WH
ULI007
AWG22
BK
UL1007
AWG22
BN
ULI
007
AWG22
RD
UL1007
AWG22
OG
UU007
AWG22
YE
LB1-R
AADR-OV
Refer
to
N6
10130821+001
>4^
X
X
^)7族土
棣畤、
N61
01
3081
9+001
参照
REFER
TO
N610130819+001
(For
80
Station
Only)
N610130819+001
参照
REFER
TO
N6
101
3081
9+001
(For
80
Station)
儿仕
糕畴、
N6101308I9M02
参照
REFER
TO
N610130819+002
(For
40
Station)
RB1-P
RB1-R
:
H-
%
w
—
F
(m
5559-O4P-210
>1
——
>K-
>+^
>R—
中
用
、
I
24
JST
XADR-2W
XADRP-28V
UL1007
AWG22
VT
ULI007
AWG22
GY
J
UL1007
AWG22
WH
ULI007
AWG22
OG
ULI007
AWG22
RD
Name
Drawing
No.
R
FEEDER
PART
N610130818+001AB
Kit
No.
Loc.
No.
F0AE-AA
(ILK
Control
Board
)
CNCOV3
CNUM3
CNEMG3
F4K1020-05A
j
7
8
Panasonic
Factory
Solutions
Co.,
Ltd
十、/
二^夕
77
U
—
VUn.
—
株
式会社
1
I
2
I
3
I
4
7
I
8
^
s
g
s
g
g
J
J

5557-O4R-2IQ
)
)
)
>
)
)
)
)
)
)
)
)
>
JL1007
AWG22
YE
Refer
to
N6
101
3081
8+001
STO4x
I8AWG
11-S304
5557-04R-2IC
STO4X18AWG
BK
I
JD
ULI007
AWG22
BN
UL1007
AWG22
RD
G/Y3
RD
5557-04R-2IC
腿
3
WH
I
For
80
Station
Machine
only.
ov
Not
needed
for
40
Station
machine.
ULI
007
AWG22
YE
OUT
Vcc
STO4X18AWG
BK
UL1007
AWG22
OG
UL1007
AWG22
BU
RD
527-04H-2IC
WH
I
OV
ULI
007
AWG22
GN
OUT
ULI007
AWG22
BN
Vcc
N6
1006536"
XI007
AWG22
BN
JL1007
AWG22
RD
JLI0O7
AWG22
OG
JL1007
AWG22
YE
3O87H
N6
1
0070843)
c
30871
GN
UL1007
AWG22
RD
UL1007
AWG22
YE
53
计
2
躅
5557-02R-210
(MOLEX)
IDEC
HS5D-O2RNP
彳
爰面右
力八
-
S304)
RIGHT
SIDE
AT
REAR
COVER(-S304)
都
夕一
左上限
RIGHT
SHUTTER
UPPER
LIMIT
右沙
夕一
右上限
RIGHT
SHUTTER
UPPER
LIMIT
右午5
5
-右
下限
GS68)
RIGHT
SHUTTER
LOWER
UMiT(-S68)
右
夕-
左下限
(
—S67)
RIGHT
SHUTTER
LOWER
UM1T(-S67)
MULtX
5557-04R-210
ZR
部品
交换中
ZR
PARTS
EXCHANGING
LAMP
APN122DNS
(IDEC)
4
WCOT
1396R
右
彳系面
非常停
止久不
3^(-6203)
REAR
SIDE
RIGHT
PART(-S203)
-S071
n
ZR
部
品交换
SW
ZR
PARTS
EXCHANGE
SW
A3KJ-90C1
-24EW(OMRON)
/CN6I0O746
电
11-S203
21-S203
贸
2
BU
IDFC
HS5D-O2RNP
21-S67
m
22-
S67
13-
S67
14-
S67
/N61
0074606)
|22
-
S68
Jg
二
§68
WT
.
ULI
007
AWG22
BN
G
Y3
21-S68#
詈
%
DEC
XWIE-BV402MFR-TK2377
-S203
I2-S2O3
公型
03
四
3
V
叫
WH
TMEE
桃黑
ULI007
AWG22
BU
L
"
“
ULI007
AWG22
BU
T
斗二
IDEC
HS5D-02RNP
-S304
10
CW
0n
1202
s
304
I
Name
Drawing
No.
R
FEEDER
PART:Radial
For
RL132
(80
station)
N610130819+001AB
Kit
No.
Loc.
No.
PNF0AA-AA
PFSC
*322
/
〔N61
01
33253)
*For
80
station
ULI007
AWG22
OG
ULI007
AWG22
GN
UL1007
AWG22
BU
ULI007
AWG22
VT
UL1007
AWG22
GY
UL10O7
AWG22
WH
ULI007
AWG22
BK
ULI007
AWG22
OG
ULI007
AWG22
YE
UL1007
AWG22
GN
UL1007
AWG22
BU
UL1007
AWG22
VT
ULI007
AWG22
BN
UL1007
AY/G22
RD
ULI007
AWG22
OG
驾
T
__
|
5559-04P-2I0
-XSWR2
1
BR
工
2
RD
工
3
OR
!4
~
ye"
5559-04P
-210
(MOLEX)
-XSPL2
I/O
Load
Board
牌
CN15
F4K1020-05A
j
2
1
6
।
7
।
、
8
Panasonic
Factory
Solutions
Co.,
Ltd
十、/
二^夕
77
U
—
VUn.
—
株
式会社
1
I
2
I
3
I
4
।
5
7
I
8

1
2
3
4
7
8
A
A
B
B
Refer
to
N61
0130818+001
D
D
E
E
F
F
F4K1020-05A
2
4
7
8
1
Panasonic
Factory
Solutions
Co.,
Ltd
/^7—
'7^
夕卜
U
—
VUn.
—
株
式会社
Name
Drawing
No.
R
FEEDER
PART:Radial
For
RL132
(40
station)
N610130819+002AA
Kit
No.
Loc.
No.