RL132电路图N7205A093E.pdf - 第44页
UL10C7 AWG24 RD UL1007 AWG24 RD UL1O07 AWG24 RD ULIO07 AWG24 RD UL1007 AWG24 RD UL1007 AWG24 RD UL1O07 AWG24 RD UL1007 AWG24 RD ULI007 AWG24 BK UL1007 AWG24 BK UL1O07 AWG24 BK UL10C7 AWG24 BK UL1007 AWG24 BK UL1007 AWG24…

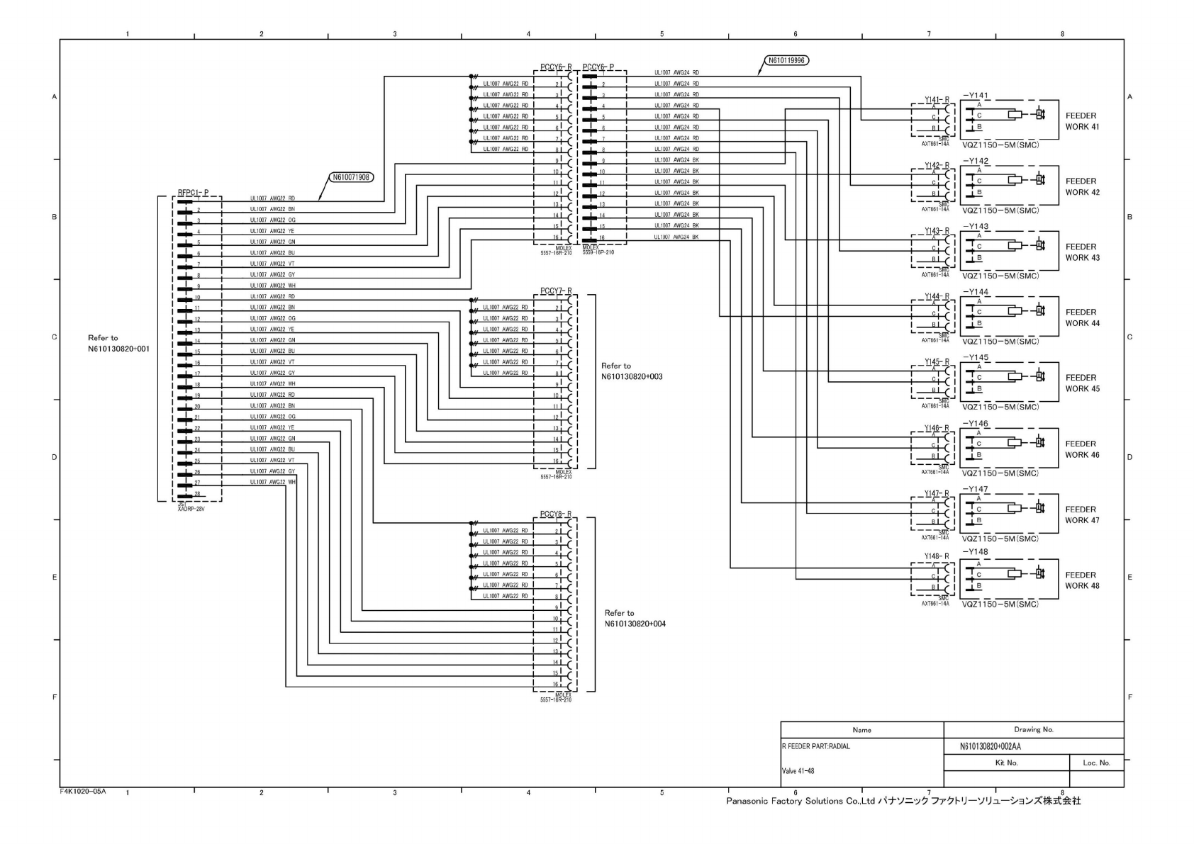
PCCY6-
R
UL1007
AWG24
RD
UL1007
AWG24
RD
ULI
007
AWG24
RD
UL1007
AWG24
RD
UL1007
AWG24
RD
UL1007
AWG24
RD
UL1007
AWG24
RD
UL1007
AWG24
RD
UL1007
AWG24
BK
UL1007
AWG24
BK
UL1007
AWG24
BK
UL1007
AWG24
BK
ULI
007
AWG24
BK
UL1007
AWG24
BK
UL1007
AWG24
BK
UL1007
AWG24
BK
UL1007
AWG22
RD
UL1007
AWG22
RD
UL1007
AWG22
RD
UL1007
AWG22
RD
UL1007
AWG22
RD
UL1007
AWG22
RD
UL1007
AWG22
RD
M
"
UL1007
AWG22
RD
“
UL1007
AWG22
RD
“
UL1007
AWG22
RD
UL1OO7
AWG22
RD
〃
UL1007
AWG22
RD
〃
UL1007
AWG22
RD
MOLEX
5557-16R-210
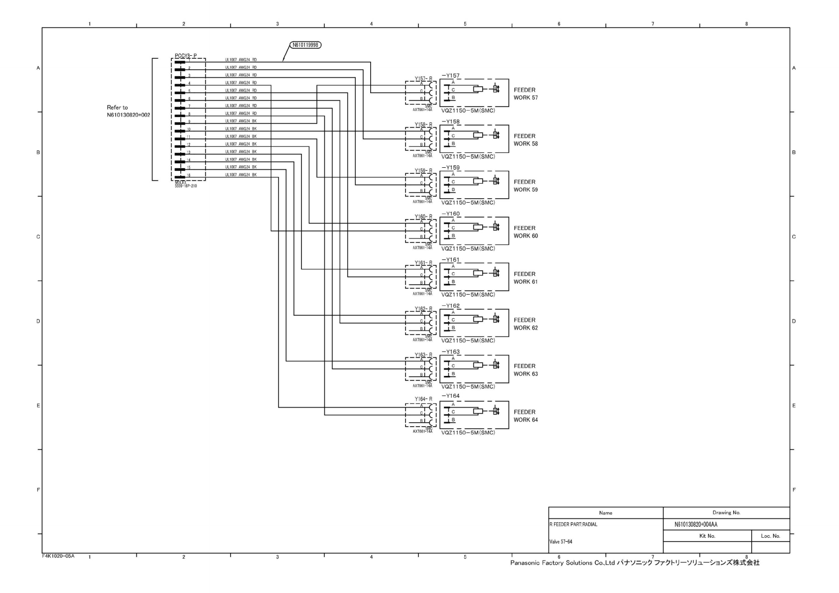
PCCY8-
R
!
匚
7
"1
-
"
।
I
1
〃
UL1007
AWG22
RD
:
2
1
厂
1
1
I
I
于
I
I
,,
UL1007
AWG22
RD
|
3
।
厂
1
1
I
斤
I
<
UL1007
AWG22
RD
1
4
:
厂
1
〃
UL1007
AWG22
RD
!
5
1
,
1
川
1
।
I
〃
UL1007
AWG22
RD
|
6
।
厂
1
1
澄
|
I
〃
UL1007
AWG22
RD
1
7
:
r
1
升
|
।
I
UL1007
AWG22
RD
8
I
/
1
13
UL1007
AWG22
RD
/N6
1007
1908)
Refer
to
N61
01
30820+001
UL1007
AWG22
RD
UL1007
AWG22
BN
UL1007
AWG22
OG
UL1007
AWG22
YE
UL1007
AWG22
GN
ULI
007
AWG22
BU
UL1007
AWG22
VT
ULI
007
AWG22
GY
UL1007
AWG22
WH
ULI
007
AWG22
RD
ULI
007
AWG22
BN
UL1007
AWG22
OG
UL1007
AWG22
YE
ULI
007
AWG22
GN
UL1007
AWG22
BU
UL1007
AWG22
VT
UL1007
AWG22
GY
UL1007
AWG22
WH
UL1007
AWG22
RD
UL1007
AWG22
BN
ULI007
AWG22
OG
UL1007
AWG22
YE
ULI
007
AWG22
GN
ULI007
AWG22
BU
UL1007
AWG22
VT
UL1007
AWG22
GY
UL1007
AWG22
WH
I
5557-
Refer
to
N61
01
30820+004
ZN6101
19996)
VQZ1150-5M(SMC)
AXT661-14A
VQZ1150-5M(SMC)
立
H
询
c
VQZ1150-5M(SMC)
VQZ1150-5M(SMC)
亡
H
询
K
l
VQZ1150-5M(SMC)
亡
H
询
AXT661-14A
VQZ1150-5M(SMC)
一
呼%
VQZ1150-5M(SMC)
-Y148
Y148-R
A
VQZ1
r50-5M(SMC)
AXT661-14A
FEEDER
WORK
46
FEEDER
WORK
45
FEEDER
WORK
44
FEEDER
WORK
47
FEEDER
WORK
48
FEEDER
WORK
41
FEEDER
WORK
42
FEEDER
WORK
43
SETC
AXT661-14A
-Y141
A
一
-Y144
A
—
—
_Y144-_R
I
—
I
1
柳」
AXT661-14A
-Y143
A
"
-Y145
A
_
-Y1_42
A
-
_Y141-_R
<
—
।
I
_
I
1
工点」
AXT661-14A
-Y1_46
A
一
-Y147
A
"
—1143
咄
1
A
r"1
!
—
Name
Drawing
No.
R
FEEDER
PART:RAD1AL
Valve
41-48
N610130820+002AA
Kit
No.
Loc.
No.
Refer
to
N61
01
30820+003
F4K1020-05A
j
7
8
Panasonic
Factory
Solutions
Co.,
Ltd
十、/
二^夕
77
U
—
VUn.
—
株
式会社
1
I
2
1
3
1
4
1
5
7
I
8
2
3
5_
9
c
2
3
4
5
I
o
2

UL10C7
AWG24
RD
UL1007
AWG24
RD
UL1O07
AWG24
RD
ULIO07
AWG24
RD
UL1007
AWG24
RD
UL1007
AWG24
RD
UL1O07
AWG24
RD
UL1007
AWG24
RD
ULI007
AWG24
BK
UL1007
AWG24
BK
UL1O07
AWG24
BK
UL10C7
AWG24
BK
UL1007
AWG24
BK
UL1007
AWG24
BK
UL1007
AWG24
BK
UL1O07
AWG24
BK
Refer
to
N61
01
30820+002
/N6101
19997)
AXT
661T
4A
_
_"54
咄
1
H-C
I
i
zLq
i
1
流」
AXT661-14A
VQZ1150-5M(SMC)
VQZ1150-5M(SMC)
VQZ1150-5M(SMC)
VQZ1150-5M(SMC)
VQZ1150-5M(SMC)
>4
VQZ1
r50-5M(SMC)
-Y154
A
_
工
I
B
-Y153
FEEDER
WORK
49
FEEDER
WORK
50
FEEDER
WORK
51
FEEDER
WORK
52
FEEDER
WORK
53
FEEDER
WORK
54
-Y155
_评5
-
_R
VQZ1150-5M(SMC)
FEEDER
WORK
56
FEEDER
WORK
55
SMC
AXT661-14A
Name
Drawing
No.
R
FEEDER
PART:RAD1AL
Valve
49-56
N610130820+003AA
Kit
No.
Loc.
No.
F4K1020-05A
j
2
4
।
6
।
7
।
、
8
Panasonic
Factory
Solutions
Co.,
Ltd
十、/
二^夕
77
U
—
VUn.
—
株
式会社
1
I
2
I
3
I
4
I
5
I
6
I
7
I
8

UL1007
AWG24
RD
UL1007
AWG24
RD
UL1007
AWG24
RD
UL1007
AWG24
RD
UL1007
AWG24
RD
UL1007
AWG24
RD
UL1007
AWG24
RD
UL1007
AWG24
RD
UL1007
AWG24
BK
UL1007
AWG24
BK
UL1007
AWG24
BK
UL1007
AWG24
BK
UL1007
AWG24
BK
UL1007
AWG24
BK
UL1007
AWG24
BK
UL1007
AWG24
BK
Refer
to
N61
01
30820+002
N61
01
19998)
-Y157
VQZ1150-5M(SMC)
-Y158
4
VQZ1150-5M(SMC)
-Y159
VQZ1150-5M(SMC)
-Y160
VQZ1150-5M(SMC)
-Y161
Y161-R
WB
MM
VQZ1150-5M(SMC)
-Y162
AXT661-14A
VQZ1150-5M(SMC)
-Y163
VQZ1150-5M(SMC)
-Y164
E
d-七
VQZ1150-5M(SMC)
FEEDER
WORK
57
FEEDER
WORK
58
FEEDER
WORK
59
FEEDER
WORK
60
FEEDER
WORK
63
FEEDER
WORK
64
FEEDER
WORK
62
FEEDER
WORK
61
-
—
廊
AXT661-14A
_Y159-_R
<
—
i
I
Bjr
|
1
飞
4
AXT661-14A
i
出」
AXT661-®
_修58-上
i
M-c
i
I
I
1
木」
AXT661-14A
一
Y160-』
1
k
7r
尊
I
I
I
1
市」
AXT66I-14A
Name
Drawing
No.
R
FEEDER
PART:RAD1AL
Valve
57-64
N610130820+004AA
Kit
No.
Loc.
No.
F4K1020-05A
j
2
।
6
।
7
।
、
8
Panasonic
Factory
Solutions
Co.,
Ltd
十、/
二^夕
77
U
—
VUn.
—
株
式会社
1
I
2
I
3
I
4
I
5
I
6
I
7
I
8
Is