RL132电路图N7205A093E.pdf - 第52页
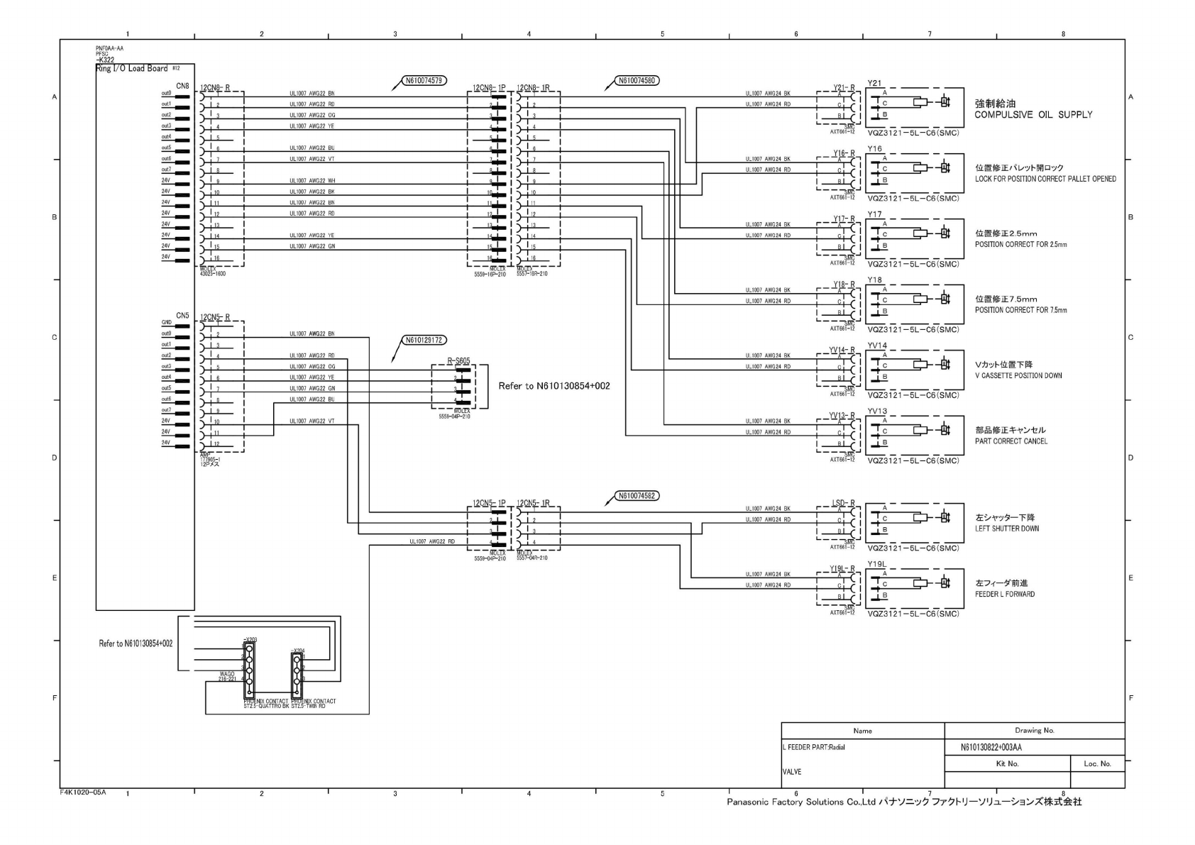
ling I/O Load Board *i< PNFOAA-AA -K324 UL1007 AWG22 BN UL1007 AWG22 RD UL1OO7 AWG22 OG UU007 AWG22 YE ULIOO7 AWG22 GN ULIOO7 AWG22 BU UL1OO7 AWG22 VT ULI007 AWG22 GY UL1007 AWG22 WH ULI 007 AWG22 BK UL1007 AWG22 BN U…

PNFOAA-AA
PFSC
-K322
^XN61
0074579)
/N61
0074580)
"I
UL1007
AWG22
BN
UL1007
AWG24
BK
C
UL1007
AWG22
RD
U
」007
AWG24
RD
B
UL1007
AWG22
OG
UL1007
AWG22
YE
VQZ3121-5L-C6(SMC)
UL1OO7
AWG22
BU
Y16
UL1007
AWG22
VT
UJ007
AWG24
BK
U
」OO7
AWG24
RD
8
UL1007
AWG22
WH
UL1OO7
AWG22
BK
10
VQZ3121-5L-C6(SMC)
UL1OO/
AWG22
BN
11
UL1007
AWG22
RD
12
Y17-R
UJ007
AWG24
BK
13
UL1OO7
AWG22
YE
UJ007
AWG24
RD
14
UL1OO7
AWG22
GN
15
i
16
VQZ3
12
1-5L-C6(SMC)
J
UJ007
AWG24
BK
C
U-1007
AWG24
RD
VQZ3121-5L-C6(SMC)
UL1OO7
AWG22
BN
N61O129172
UL1007
AWG22
RD
UJ007
AWG24
BK
UL1OO7
AWG22
OG
U-1007
AWG24
RD
UL1OO7
AWG22
YE
Refer
to
N61
01
30854+002
UL1007
AWG22
GN
VQZ3121-5L-C6(SMC)
UL1007
AWG22
BU
UL1007
AWG22
VT
UL1007
AWG24
BK
c
UJ007
AWG24
RD
B
VQZ3121-5L-C6(SMC)
^XN61
0074582)
UL1007
AWG24
BK
6也
UL1007
AWG24
RD
UL1007
AWG22
RD
VQZ3
12
1-5L-C6(SMC)
U-1007
AWG24
BK
UJ007
AWG24
RD
VQZ3121-5L-C6(SMC)
Refer
to
N6101
30854+002
—
mtn
5559-O4P-21O
部
品修正
及
PART
CORRECT
CANCEL
WAGO
216-221
左^
和^夕
一下降
LEFT
SHUTTER
DOWN
左
77
-夕
前
it
FEEDER
L
FORWARD
位
置修正
ZS/
卜^
7
LOCK
FOR
POSITION
CORRECT
PALLET
OPENED
V
力^
卜位
置下降
V
CASSETTE
POSITION
DOWN
麻
AXT661-12
6也
位
置修正
75mm
POSITION
CORRECT
FOR
7.5mm
强制
统由
COMPULSIVE
OIL
SUPPLY
—
—
I
、
i
4
位
置修正
2.
5mm
POSITION
CORRECT
FOR
2.5mm
Y17
A
Y18
A
NIX
CONTACT
TTOEN1X
CONTACT
ST2.5-QUATTRO
BK
ST2.5-TWIN
RD
LSD-R
i
——
1
i i
r
篇」
Y21
A
况值
TO®
5559-1
6P-2
10
5557-16R-210
井
3
YV14
A
一
_
YV13-.R
1
A
r"1
Y21-R
।
—
।
I
i
1
泥」
AXT661-12
YV13
A
Y19L
A
i
_
M
:
-嬴搬
A
%
X
1
——
I
I
i
1
蛇」
AXT661-12
—
M
:
i
I
廊」
AXT661-12
R-S605
12CN8zlP
12CN8-JR
丁立
匚二
Name
Drawing
No.
L
FEEDER
PART:Radial
VALVE
N610130822+003AA
Kit
No.
Loc.
No.
12CN8-R
F4K1020-05A
j
2
।
6
।
7
।
、
8
Panasonic
Factory
Solutions
Co.,
Ltd
N
+
、
j二
、、力
77
1
夕卜
U
l
VUn.
i
株
式会社
1
I
2
I
3
I
4
7
I
8

ling
I/O
Load
Board
*i<
PNFOAA-AA
-K324
UL1007
AWG22
BN
UL1007
AWG22
RD
UL1OO7
AWG22
OG
UU007
AWG22
YE
ULIOO7
AWG22
GN
ULIOO7
AWG22
BU
UL1OO7
AWG22
VT
ULI007
AWG22
GY
UL1007
AWG22
WH
ULI
007
AWG22
BK
UL1007
AWG22
BN
ULI007
AWG22
RD
Refer
to
UU007
AWG22
OG
N61
01
30823+002
UL1007
AWG22
YE
UL1007
AWG22
GN
UU007
AWG22
BU
ULI007
AWG22
"
UL1007
AWG22
GY
ULI007
AWG22
WH
UL1007
AWG22
BK
UL1007
AWG22
BN
ULI007
AWG22
RD
UL1007
AWG22
OG
UL1007
AWG22
YE
ULI007
AWG22
GN
ULI
007
AWG22
BU
UL1007
AWG22
VT
27
28
I
「
I
二
ULI007
AWG22
BN
UL1007
AWG22
RD
ULI007
AWG22
OG
UL1007
AWG22
YE
UU007
AWG22
GN
ULI007
AWG22
BU
UL1007
AWG22
VT
UL1007
AWG22
GY
UU007
AWG22
WH
UL1007
AWG2?
RK
Refer
to
N61
01
30823+005
JL1007
AWG22
BU
JU007
AWG22
VT
儿
1007
AWG22
GY
JL1007
AWG22
BN
JL1007
AWG22
RD
JL1007
AWG22
OG
JL1007
AWG22
YE
I1
1007
AWG
力
GN
।
C
I
ULI007
AWG22
RD
ULI007
AWG22
RD
ULI007
AWG22
RO
UU007
AWG22
RD
UL1007
AWG22
RO
JST
XADR-28V
JST
XADR-2RV
H-C
>4^-
X
X
H-C
将华
B
l
J
t
*
*
%
*
3
5557-1
OR-2
10
5559-1
OP-210
N610071145
UL1007
AWG22
BN
UL1007
AWG22
BN
UL1015
AWG18
RD
23
23-
K032
24
0
W\r-
UL1007
AWG22
RD
UL1007
AWG22
RD
-X203
UL1015
AWG18
RD
24-
K0321
Q
0-
K032
o
OMRON
S7SA-3A1B
WAGO
216-223
PHOENIX
ST
4-TWIN
RD
PH
ST
4-TWIN
RD
IX
ST
4-TWIN
RD
—
»
WAGO
216-221
ZLPART
|
/N6101
13932)
三
NIX
ST
4-TWIN
RD
UH
007
AWG22
RD
2
慨夕
1
ULI
007
AWG22
RD
2
您祝
1
UL1007
AWG22
RD
2
憾%
1-K032
1
MrnniFi
i
v—
TMI
UL1007
AWG22
BN
2
鹏*
UL1007
AWG22
BN
能%
UL1007
AWG22
BN
2
检%:
2
2
慨
WAGO
3
216-223
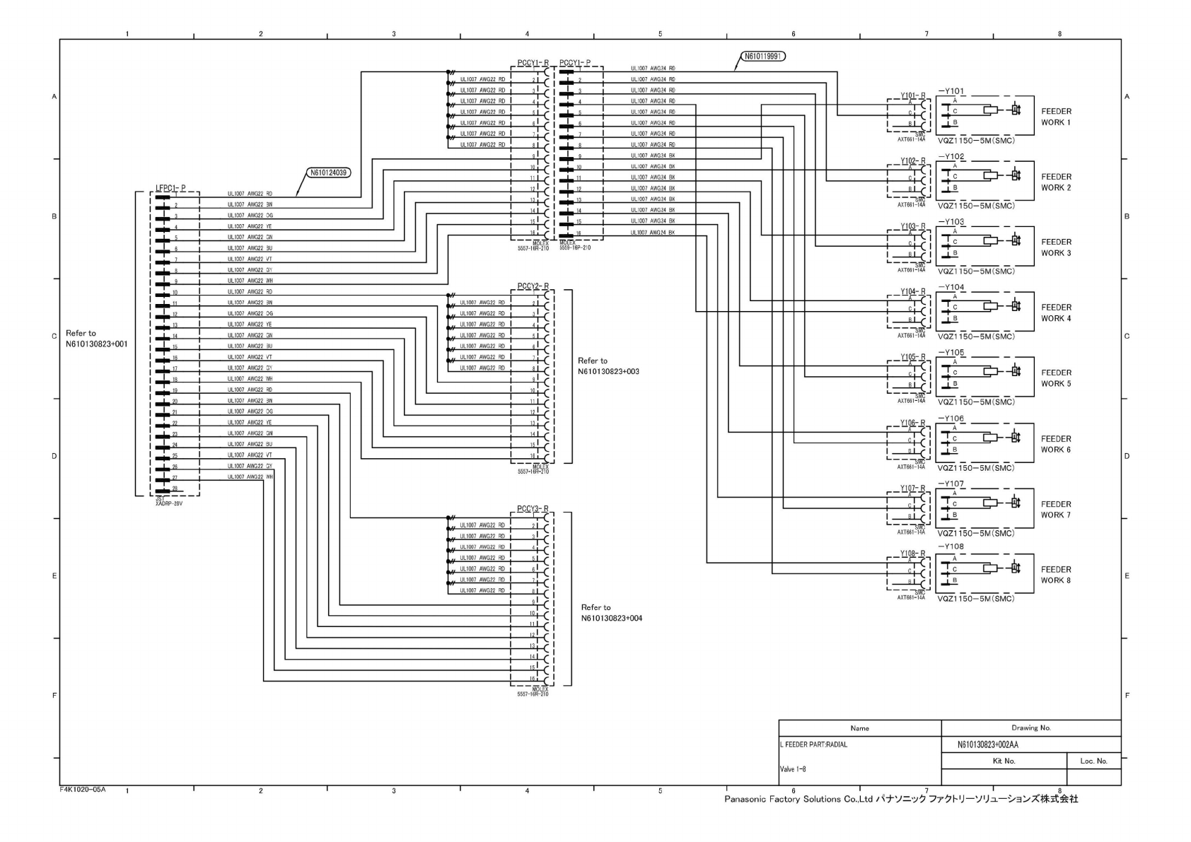
Name
L
FEEDER
PARTRADIAL
Valve
Drawing
No.
N610130823+001AA
Kit
No.
Loc.
No.
相
L
43025-1600
43025-1600
F4K1020-05A
j
।
6
।
7
।
、
8
Panasonic
Factory
Solutions
Co.,
Ltd
十、/
二^夕
77
U
—
VUn.
—
株
式会社
1
I
2
1
3
1
4
1
5
7
I
8

1
2
3
4
7
8
N6101
19991
兰晓
r
签生工
UL1007
AWG24
RD
UL1007
AWG22
RD
UL1007
AWG24
RD
UL1007
AWG22
RD
UL1007
AWG24
RD
-Y101
L-
黑
A
A
UL1007
AWG22
RD
UL1007
AWG24
RD
FEEDER
UL1007
AWG22
RD
UL1007
AWG24
RD
WORK
1
UL1OO7
AWG24
RD
UL1007
AWG22
RD
UL1007
AWG24
RD
VQZ1150-5M(SMC)
UL1007
AWG22
RD
UL1OO7
AWG24
RD
UL1OO7
AWG24
BK
-Y1O2
UL1OO7
AWG24
BK
10
0
N61
01
24039)
FEEDER
UL1007
AWG24
BK
11
11
WORK
2
UL10O7
AWG24
BK
12
12
UL1007
AWG22
RD
UL1007
AWG24
BK
13
13
UL1007
AWG22
3N
AXT661-14,
VQZ1150-5M(SMC)
UL1007
AWG24
BK
14
14
UL1007
AWG22
OG
B
B
UL1007
AWG24
BK
-Y1O3
15
15
L-
袋
UL1007
AWG22
YE
A
UL1007
AWG24
BK
16
"4
UL1007
AWG22
GN
FEEDER
而必
c
5559-16P-210
UL1007
AWG22
3U
WORK
3
UL1007
AWG22
VT
UL1007
AWG22
GY
VQZ1150-5M(SMC)
UL1007
AWG22
WH
-Y104
L-
已
性冷」
UL1007
AWG22
RD
10
A
UL1007
AWG22
3N
UL1007
AWG22
RD
11
di
FEEDER
UL1007
AWG22
OG
12
WORK
4
UL1007
AWG22
YE
,
UL1007
AWG22
RD
13
Refer
to
UL1007
AWG22
3N
UL1007
AWG22
RD
AXT661-14.
VQZ1150-5M(SMC)
14
N61
01
30823+001
UL1007
AWG22
3U
UL1007
AWG22
RD
15
6
UL1007
AWG22
RD
UL1007
AWG22
VT
16
Refer
to
UL1007
AWG22
GY
UL1007
AWG22
RD
17
8
N61
01
30823+003
FEEDER
ULI007
AWG22
WH
18
WORK
5
UL1007
AWG22
RD
10
19
UL1007
AWG22
3N
VQZ1150-5M(SMC)
20
11
UL1007
AWG22
OG
21
12
-Y106
UL1007
AWG22
YE
22
13
A
UL1007
AWG22
GN
23
14
FEEDER
c
UL1007
AWG22
BU
24
15
WORK
6
UL1007
AWG22
VT
D
D
25
16
UL1007
AWG22
GY
26
VQZ1150-5M(SMC)
5557-16R-210
UL1007
AWG22
'/VH
-Y107
A
立
H
也
XADRP-28V
FEEDER
WORK
7
2
UL1007
AWG22
RD
VQZ1150-5M(SMC)
UL1007
AWG22
RD
-Y1O8
.
UL1007
AWG22
RD
A
UL1007
AWG22
RD
FEEDER
c
6
E
E
WORK
8
UL1007
AWG22
RD
8
AXT661-14A
VQZ1150-5M(SMC)
Refer
to
io
N61
01
30823+004
11
12
13
14
15
F
F
F4K1020-05A
1
2
4
7
8
Panasonic
Factory
Solutions
Co.,
Ltd
)工十、)
二
、力
夕卜
U
—
VUn.
—
株
式会社
wo
AXT66I-14A
廊
AXT661-14A
师
AXT661-14A
询
MOLEX
16
1
/
——
1
二,
」
MOLEX
5557-1
6R-210
-Y1O5
A
竺
UL1007
AWG22
RD
„
UL10Q7
AWG22
RD
ft
16
।
<
I
:二
MOLEX
5557-16R-210
〃
UL1007
AWG22
RD
PCCY2-
R
什
UL1007
AWG22
RD
q!
Name
Drawing
No.
L
FEEDER
PART:RADIAL
Valve
1-8
N610130823+002AA
Kit
No.
Loc.
No.