RL132电路图N7205A093E.pdf - 第58页
UL1007 AWG22 BN UL1007 AWG22 BU UL1007 AWG22 OG UL1007 AWG22 BN UL1007 AWG22 BU UL1007 AWG22 BN PNFOAA-AA PFSC -K311 3 MOLEX MOLEX 5559-1 2P-210 5557-12R-2I0 UL1007 AWG22 BU UL1007 AWG22 YE UL1007 AWG22 GN UL1007 AWG22 B…

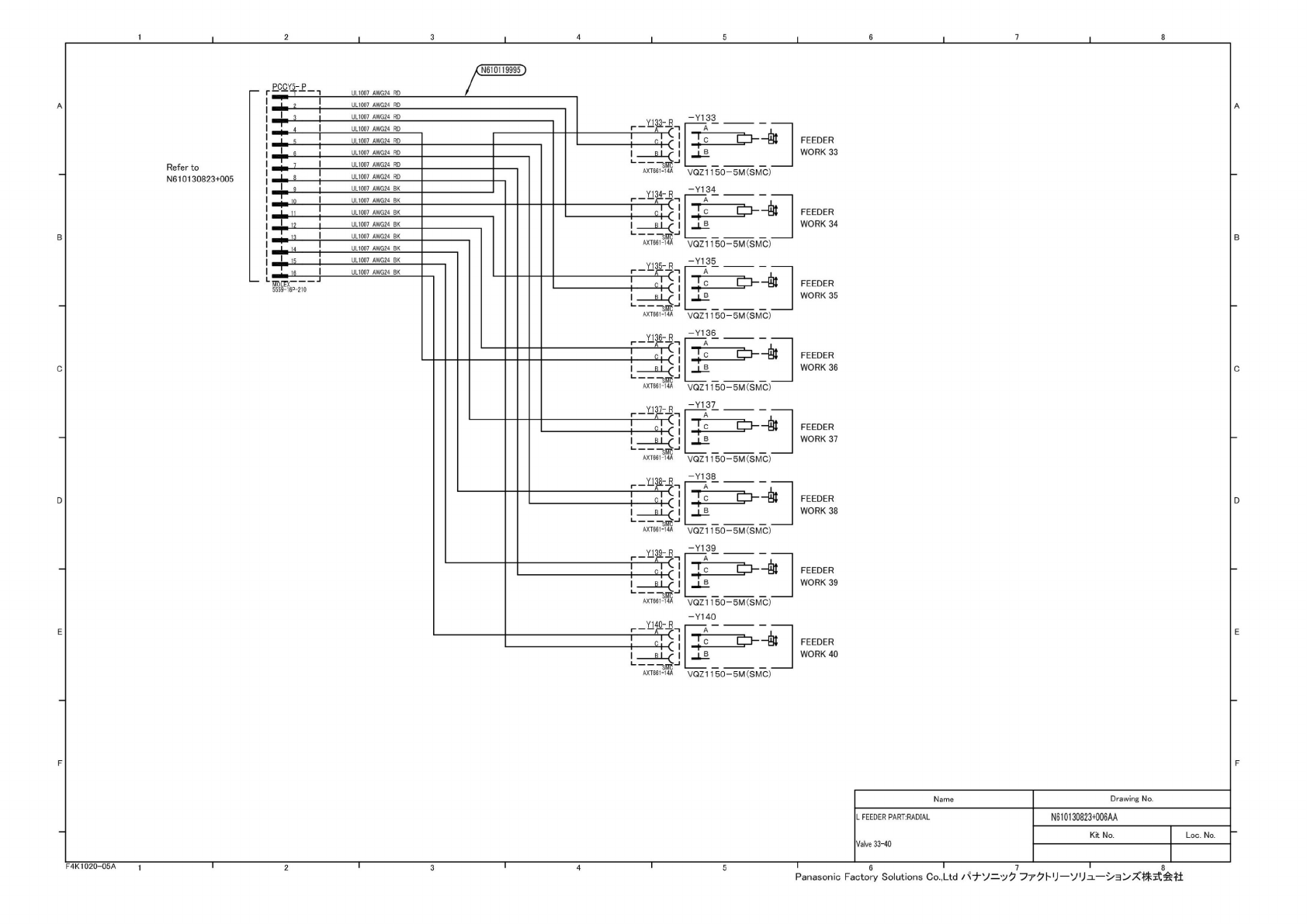
UL1007
AWG24
RD
UL1007
AWG24
RD
UL1007
AWG24
RD
UL1007
AWG24
RD
UL1007
AWG24
RD
UL1007
AWG24
RD
UL1007
AWG24
RD
UL1007
AWG24
RD
UL1007
AWG24
BK
UL1007
AWG24
BK
UL1007
AWG24
BK
UL1007
AWG24
BK
UL1007
AWG24
BK
UL1007
AWG24
BK
UL1007
AWG24
BK
UL1007
AWG24
BK
Refer
to
N61
01
30823+005
ZN61
01
19995)
AXT661-14A
AXT661-14A
Y137-R
L
—
二亡
7"»
i
I
I
LLf
I
1
蛇」
AXT661-14A
AXT661-14A
-Y133
VQZ1150-5M(SMC)
VQZ1150-5M(SMC)
-Y135
>4
VQZ1150-5M(SMC)
VQZ1150-5M(SMC)
-Y137
-U.
VQZ1
150-5M(SMC)"
-Y138
q
VQZ1
行
0-5M(S
靛)-
-Y139
VQZ1
TBo-
5M
(S
证)-
-Y140
q
VQZ1
150-5M(SMC)"
FEEDER
WORK
33
WORK
34
FEEDER
WORK
35
FEEDER
WORK
36
FEEDER
WORK
37
FEEDER
WORK
38
FEEDER
WORK
39
FEEDER
WORK
40
Name
Drawing
No.
L
FEEDER
PART:RADIAL
Valve
33-40
N610130823+006AA
Kit
No.
Loc.
No.
F4K1020-05A
1
2
4
1
6
।
7
।
、
8
Panasonic
Factory
Solutions
Co.,
Ltd
)工十、)
二
、力
77*^
卜
U
—
VUn.
—
犬株
式会社
r
PCC
-H-HH
HHH
H

UL1007
AWG22
BN
UL1007
AWG22
BU
UL1007
AWG22
OG
UL1007
AWG22
BN
UL1007
AWG22
BU
UL1007
AWG22
BN
PNFOAA-AA
PFSC
-K311
3
MOLEX
MOLEX
5559-1
2P-210
5557-12R-2I0
UL1007
AWG22
BU
UL1007
AWG22
YE
UL1007
AWG22
GN
UL1007
AWG22
BN
FAN-
R
6
>
>
>
>
>
>
N610067597
UL1007
AWG22
BN
UL1OO7
AWG22
RD
UL1OO7
AWG22
OG
UL1OO7
AWG22
YE
UL1OO7
AWG22
GN
UL1OO7
AWG22
BU
N61
0046348
UL1007
AWG24
RD
UL1007
AWG24
BK
UL1007
AWG24
WH
7
了
^干一
夕
(本
体左便
J)
FAN
MOTOR
(LEFT
SIDE)
1
4715KL-05W-B29-P00
I
(MINEBEA)
I
1
510067598
UL1007
AWG24
RD
UL1007
AWG24
BK
UL1007
AWG24
WH
-G1O7
厂、
7
了^毛一
夕
f
M
A
(制
御部)
1
—
7
FAN
MOTOR
^-r^CONTROLLER
PART)
1
4715KL-05W-B29-P00
I
(MINEBEA)
/(N
6
Kl
29400)
UL1007
AWG22
BU
ARMR-
P
UL1007
AWG22
BU
UL1007
AWG22
VT
I
1
?!
UL1007
AWG22
BN
'
31
UL1007
AWG22
GY
?
IP
UL1007
AWG22
BN
3
PCB
ARM
FORWARD
LIMIT
PCB
ARM
RETURN
LIMIT
Name
Drawing
No.
MAA
FRAME
FAN
&
CARRY
ARM
LIMIT
N610130824+001AA
Kit
No.
Loc.
No.
j
pu
2
IBK
2
—
<
|BK
3
(
BR
I
2
一」
I/O
Load
troard
F4K1020-05A
j
2
4
I
6
I
7
I
、
8
Panasonic
Factory
Solutions
Co.,
Ltd
十、/
二^夕
77
U
—
VUn.
—
株
式会社
1
I
2
I
3
I
4
7
I
8
oc
>>>>>*
s
l
t

ring
I/O
Load
Board
川
UL1007
AWG22
RD
UL1007
AWG22
OG
UL1007
AWG22
YE
ULI007
AWG22
GN
UL1007
AWG22
BU
UL100/
AWG22
VT
UL1007
AWG22
GY
UL1007
AWG22
WH
UL1007
AWG22
WH
UL1007
AWG22
BN
UL1007
AWG22
RD
UL1007
AWG22
OG
ULI
007
AWG22
YE
UL1007
AWG22
GN
UL1007
AWG22
BU
UL1007
AWG22
VT
UL1007
AWG22
GY
1
I
2
I
3
I
4
7
I
8
4F0AA-AA
_sc
<312
儿
1
007
AWG22
VT
5559-1
8P
UL1007
AWG22
BK
PFSC
PNFOAE-AA
-K302
1CN1I-R
177901-1
6P/X
1CN7-R
N610132374)
MAIN-R
Refer
to
N61
01
30825+002
5557-1
厂
2
雪
2
UL1007
AWG22
GN
ULI007
AWG22
BU
Refer
to
N61
01
30825+003
UL1007
AWG22
VT
UL1007
AWG22
GY
府而
5559-C2P-2I0
MOLEX
5557-18R-210
1
沈向
5557-04R-210
7
16
拜
)
]
18
>
,
1
UL1007
AWG22
BN
J
I
1
\
]
2
UL1007
AWG22
RD
21
J
I
\
1
3
UL1007
AWG22
OG
3
(
J
、
4
UL1007
AWG22
YE
4
I
/
J
I
、
5
UL1007
AWG22
GN
51
J
t
I
UL1007
AWG22
BU
61
UL1007
AWG22
VT
7
UL1007
AWG22
GY
1
81
J
1
\
1
9
UL1007
AWG22
WH
91
J
、
I
10
UL1007
AWG22
BK
10
i
J
|
mJ
Refer
to
N610130812+001
Name
Drawing
No.
INVERTER
DUST-COLLECTOR
VACUUM-PUMP
PARTS
N610130825+001AA
Kit
No.
Loc.
No.
R-210
F4K1020-05A
j
2
।
6
।
7
।
、
8
Panasonic
Factory
Solutions
Co.,
Ltd
十、/
二^夕
77
U
—
VUn.
—
株
式会社