RL132电路图N7205A093E.pdf - 第59页
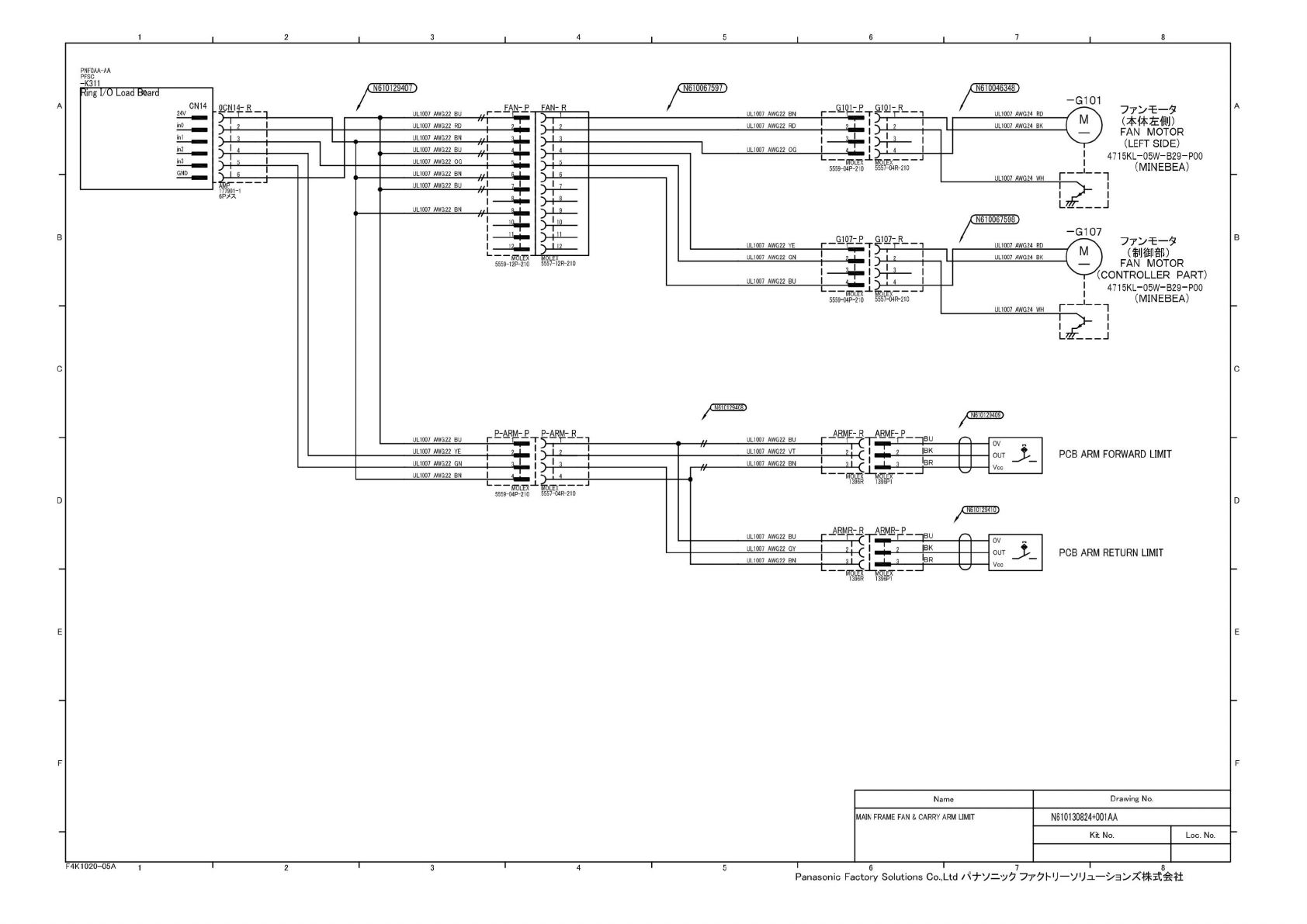
ring I/O Load Board 川 UL1007 AWG22 RD UL1007 AWG22 OG UL1007 AWG22 YE ULI007 AWG22 GN UL1007 AWG22 BU UL100/ AWG22 VT UL1007 AWG22 GY UL1007 AWG22 WH UL1007 AWG22 WH UL1007 AWG22 BN UL1007 AWG22 RD UL1007 AWG22 OG ULI 00…

UL1007
AWG22
BN
UL1007
AWG22
BU
UL1007
AWG22
OG
UL1007
AWG22
BN
UL1007
AWG22
BU
UL1007
AWG22
BN
PNFOAA-AA
PFSC
-K311
3
MOLEX
MOLEX
5559-1
2P-210
5557-12R-2I0
UL1007
AWG22
BU
UL1007
AWG22
YE
UL1007
AWG22
GN
UL1007
AWG22
BN
FAN-
R
6
>
>
>
>
>
>
N610067597
UL1007
AWG22
BN
UL1OO7
AWG22
RD
UL1OO7
AWG22
OG
UL1OO7
AWG22
YE
UL1OO7
AWG22
GN
UL1OO7
AWG22
BU
N61
0046348
UL1007
AWG24
RD
UL1007
AWG24
BK
UL1007
AWG24
WH
7
了
^干一
夕
(本
体左便
J)
FAN
MOTOR
(LEFT
SIDE)
1
4715KL-05W-B29-P00
I
(MINEBEA)
I
1
510067598
UL1007
AWG24
RD
UL1007
AWG24
BK
UL1007
AWG24
WH
-G1O7
厂、
7
了^毛一
夕
f
M
A
(制
御部)
1
—
7
FAN
MOTOR
^-r^CONTROLLER
PART)
1
4715KL-05W-B29-P00
I
(MINEBEA)
/(N
6
Kl
29400)
UL1007
AWG22
BU
ARMR-
P
UL1007
AWG22
BU
UL1007
AWG22
VT
I
1
?!
UL1007
AWG22
BN
'
31
UL1007
AWG22
GY
?
IP
UL1007
AWG22
BN
3
PCB
ARM
FORWARD
LIMIT
PCB
ARM
RETURN
LIMIT
Name
Drawing
No.
MAA
FRAME
FAN
&
CARRY
ARM
LIMIT
N610130824+001AA
Kit
No.
Loc.
No.
j
pu
2
IBK
2
—
<
|BK
3
(
BR
I
2
一」
I/O
Load
troard
F4K1020-05A
j
2
4
I
6
I
7
I
、
8
Panasonic
Factory
Solutions
Co.,
Ltd
十、/
二^夕
77
U
—
VUn.
—
株
式会社
1
I
2
I
3
I
4
7
I
8
oc
>>>>>*
s
l
t

ring
I/O
Load
Board
川
UL1007
AWG22
RD
UL1007
AWG22
OG
UL1007
AWG22
YE
ULI007
AWG22
GN
UL1007
AWG22
BU
UL100/
AWG22
VT
UL1007
AWG22
GY
UL1007
AWG22
WH
UL1007
AWG22
WH
UL1007
AWG22
BN
UL1007
AWG22
RD
UL1007
AWG22
OG
ULI
007
AWG22
YE
UL1007
AWG22
GN
UL1007
AWG22
BU
UL1007
AWG22
VT
UL1007
AWG22
GY
1
I
2
I
3
I
4
7
I
8
4F0AA-AA
_sc
<312
儿
1
007
AWG22
VT
5559-1
8P
UL1007
AWG22
BK
PFSC
PNFOAE-AA
-K302
1CN1I-R
177901-1
6P/X
1CN7-R
N610132374)
MAIN-R
Refer
to
N61
01
30825+002
5557-1
厂
2
雪
2
UL1007
AWG22
GN
ULI007
AWG22
BU
Refer
to
N61
01
30825+003
UL1007
AWG22
VT
UL1007
AWG22
GY
府而
5559-C2P-2I0
MOLEX
5557-18R-210
1
沈向
5557-04R-210
7
16
拜
)
]
18
>
,
1
UL1007
AWG22
BN
J
I
1
\
]
2
UL1007
AWG22
RD
21
J
I
\
1
3
UL1007
AWG22
OG
3
(
J
、
4
UL1007
AWG22
YE
4
I
/
J
I
、
5
UL1007
AWG22
GN
51
J
t
I
UL1007
AWG22
BU
61
UL1007
AWG22
VT
7
UL1007
AWG22
GY
1
81
J
1
\
1
9
UL1007
AWG22
WH
91
J
、
I
10
UL1007
AWG22
BK
10
i
J
|
mJ
Refer
to
N610130812+001
Name
Drawing
No.
INVERTER
DUST-COLLECTOR
VACUUM-PUMP
PARTS
N610130825+001AA
Kit
No.
Loc.
No.
R-210
F4K1020-05A
j
2
।
6
।
7
।
、
8
Panasonic
Factory
Solutions
Co.,
Ltd
十、/
二^夕
77
U
—
VUn.
—
株
式会社

^/N61
00641
97)
ULI007
AWG22
BN
ULI007
AWG22
RD
UL1007
AWG22
OG
ULI
007
AWG22
YE
ULI007
AWG22
GN
ULI007
AWG22
BU
ULI007
AWG22
VT
UL1007
AWG22
GY
ULI007
AWG22
WH
ULI007
AWG22
BK
Refer
to
N61
01
30825+001
OV
SD
o
M610132377
STF-
T201
STF
O
STR-
T201
STR
O
UL10I5
AWG12
G/Y3
O
RH-
T201
RH
RM-
T201
RL
MRS
RUN
O
SE-
T201
COM
SE
O
7610047231
A-
T201
A
COM
C
N61013246Q
IWH
BRAKE
O
集中了
一入板
PROTECTIVE
EARTH
PLATE
o
o
o
o
o
o
o
o
求
i
而
3191-03R1-201
3191-03P-201
(MOLEX)
3191
-02P-201
(MOLEX)
d)八一
夕巽
常信号
INVERTER
ABNORMAL
SIGNAL
d
:z
八
一夕行
利言号
INVERTER
FORWARD
SIGNAL
drz
八
一夕戾
信号
INVERTER
REVERSE
SIGNAL
d^八一
夕速
度指令
1
INVERTER
SPEED
COMMAND
1
八一
夕速
度指令
2
INVERTER
SPEED
COMMAND
2
八
一夕速
度指令
3
INVERTER
SPEED
COMMAND
3
d^八一
夕昊常
Ut、3/
卜
INVERTER
ABNORMAL
RESET
八一
夕信号
INVERTER
RUN
SIGNAL
搬送
干一夕
TRANSFER
MOTOR
M8MA40GB4Y1
(M
日)
-M005
T
2
队
NICHIFU
虺
"MEE5.5-4N
-XTBR
1
YE
工
2
"""
YE
Refer
to
N61
01
3081
2+002
匚
o
o
o
o
o
°
FR-E720-0.1K
MITSUBISHI
-T201
INVERTER
1-11
NIUHIHJ
~
TMEE5.5-4
u-
T201
V-T20I
W-
T201
Nicrifu
TMEE1.25-4M
C-
T201
RL-
T201
MRS-
T201
""WEiDwunrn
HO.34/12
RUN-
T201
UL1015
AWG12
G
ZY3
2~
6
NlbHIhU
TMEE5.5-4
TDK
ZCAT3O35-133O
-V106
n
SD-
T201
M
3
3083
-XHSM
1
WH
2
3
BK
Name
Drawing
No.
INVERTER
DUST-COLLECTOR
VACUUM-PUMP
PARTS
N610130825+002AA
Kit
No.
Log.
No.
F4K1020-05A
1
2
4
।
6
।
7
।
、
8
Panasonic
Factory
Solutions
Co.,
Ltd
二
、力
77
U
—
VUzl
—
株
式会社
1
I
2
I
3
I
4
I
5
I
6
I
7
I
8
p-
r
L