RL132电路图N7205A093E.pdf - 第60页
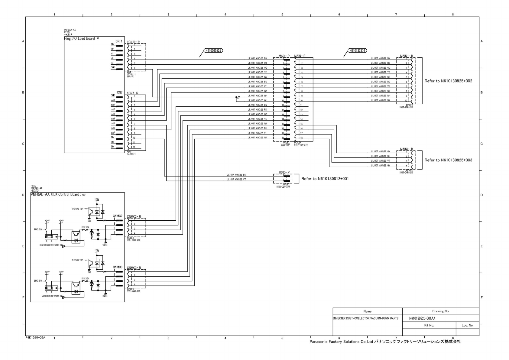
^/N61 00641 97) ULI007 AWG22 BN ULI007 AWG22 RD UL1007 AWG22 OG ULI 007 AWG22 YE ULI007 AWG22 GN ULI007 AWG22 BU ULI007 AWG22 VT UL1007 AWG22 GY ULI007 AWG22 WH ULI007 AWG22 BK Refer to N61 01 30825+001 OV SD o M61013237…

ring
I/O
Load
Board
川
UL1007
AWG22
RD
UL1007
AWG22
OG
UL1007
AWG22
YE
ULI007
AWG22
GN
UL1007
AWG22
BU
UL100/
AWG22
VT
UL1007
AWG22
GY
UL1007
AWG22
WH
UL1007
AWG22
WH
UL1007
AWG22
BN
UL1007
AWG22
RD
UL1007
AWG22
OG
ULI
007
AWG22
YE
UL1007
AWG22
GN
UL1007
AWG22
BU
UL1007
AWG22
VT
UL1007
AWG22
GY
1
I
2
I
3
I
4
7
I
8
4F0AA-AA
_sc
<312
儿
1
007
AWG22
VT
5559-1
8P
UL1007
AWG22
BK
PFSC
PNFOAE-AA
-K302
1CN1I-R
177901-1
6P/X
1CN7-R
N610132374)
MAIN-R
Refer
to
N61
01
30825+002
5557-1
厂
2
雪
2
UL1007
AWG22
GN
ULI007
AWG22
BU
Refer
to
N61
01
30825+003
UL1007
AWG22
VT
UL1007
AWG22
GY
府而
5559-C2P-2I0
MOLEX
5557-18R-210
1
沈向
5557-04R-210
7
16
拜
)
]
18
>
,
1
UL1007
AWG22
BN
J
I
1
\
]
2
UL1007
AWG22
RD
21
J
I
\
1
3
UL1007
AWG22
OG
3
(
J
、
4
UL1007
AWG22
YE
4
I
/
J
I
、
5
UL1007
AWG22
GN
51
J
t
I
UL1007
AWG22
BU
61
UL1007
AWG22
VT
7
UL1007
AWG22
GY
1
81
J
1
\
1
9
UL1007
AWG22
WH
91
J
、
I
10
UL1007
AWG22
BK
10
i
J
|
mJ
Refer
to
N610130812+001
Name
Drawing
No.
INVERTER
DUST-COLLECTOR
VACUUM-PUMP
PARTS
N610130825+001AA
Kit
No.
Loc.
No.
R-210
F4K1020-05A
j
2
।
6
।
7
।
、
8
Panasonic
Factory
Solutions
Co.,
Ltd
十、/
二^夕
77
U
—
VUn.
—
株
式会社

^/N61
00641
97)
ULI007
AWG22
BN
ULI007
AWG22
RD
UL1007
AWG22
OG
ULI
007
AWG22
YE
ULI007
AWG22
GN
ULI007
AWG22
BU
ULI007
AWG22
VT
UL1007
AWG22
GY
ULI007
AWG22
WH
ULI007
AWG22
BK
Refer
to
N61
01
30825+001
OV
SD
o
M610132377
STF-
T201
STF
O
STR-
T201
STR
O
UL10I5
AWG12
G/Y3
O
RH-
T201
RH
RM-
T201
RL
MRS
RUN
O
SE-
T201
COM
SE
O
7610047231
A-
T201
A
COM
C
N61013246Q
IWH
BRAKE
O
集中了
一入板
PROTECTIVE
EARTH
PLATE
o
o
o
o
o
o
o
o
求
i
而
3191-03R1-201
3191-03P-201
(MOLEX)
3191
-02P-201
(MOLEX)
d)八一
夕巽
常信号
INVERTER
ABNORMAL
SIGNAL
d
:z
八
一夕行
利言号
INVERTER
FORWARD
SIGNAL
drz
八
一夕戾
信号
INVERTER
REVERSE
SIGNAL
d^八一
夕速
度指令
1
INVERTER
SPEED
COMMAND
1
八一
夕速
度指令
2
INVERTER
SPEED
COMMAND
2
八
一夕速
度指令
3
INVERTER
SPEED
COMMAND
3
d^八一
夕昊常
Ut、3/
卜
INVERTER
ABNORMAL
RESET
八一
夕信号
INVERTER
RUN
SIGNAL
搬送
干一夕
TRANSFER
MOTOR
M8MA40GB4Y1
(M
日)
-M005
T
2
队
NICHIFU
虺
"MEE5.5-4N
-XTBR
1
YE
工
2
"""
YE
Refer
to
N61
01
3081
2+002
匚
o
o
o
o
o
°
FR-E720-0.1K
MITSUBISHI
-T201
INVERTER
1-11
NIUHIHJ
~
TMEE5.5-4
u-
T201
V-T20I
W-
T201
Nicrifu
TMEE1.25-4M
C-
T201
RL-
T201
MRS-
T201
""WEiDwunrn
HO.34/12
RUN-
T201
UL1015
AWG12
G
ZY3
2~
6
NlbHIhU
TMEE5.5-4
TDK
ZCAT3O35-133O
-V106
n
SD-
T201
M
3
3083
-XHSM
1
WH
2
3
BK
Name
Drawing
No.
INVERTER
DUST-COLLECTOR
VACUUM-PUMP
PARTS
N610130825+002AA
Kit
No.
Log.
No.
F4K1020-05A
1
2
4
।
6
।
7
।
、
8
Panasonic
Factory
Solutions
Co.,
Ltd
二
、力
77
U
—
VUzl
—
株
式会社
1
I
2
I
3
I
4
I
5
I
6
I
7
I
8
p-
r
L

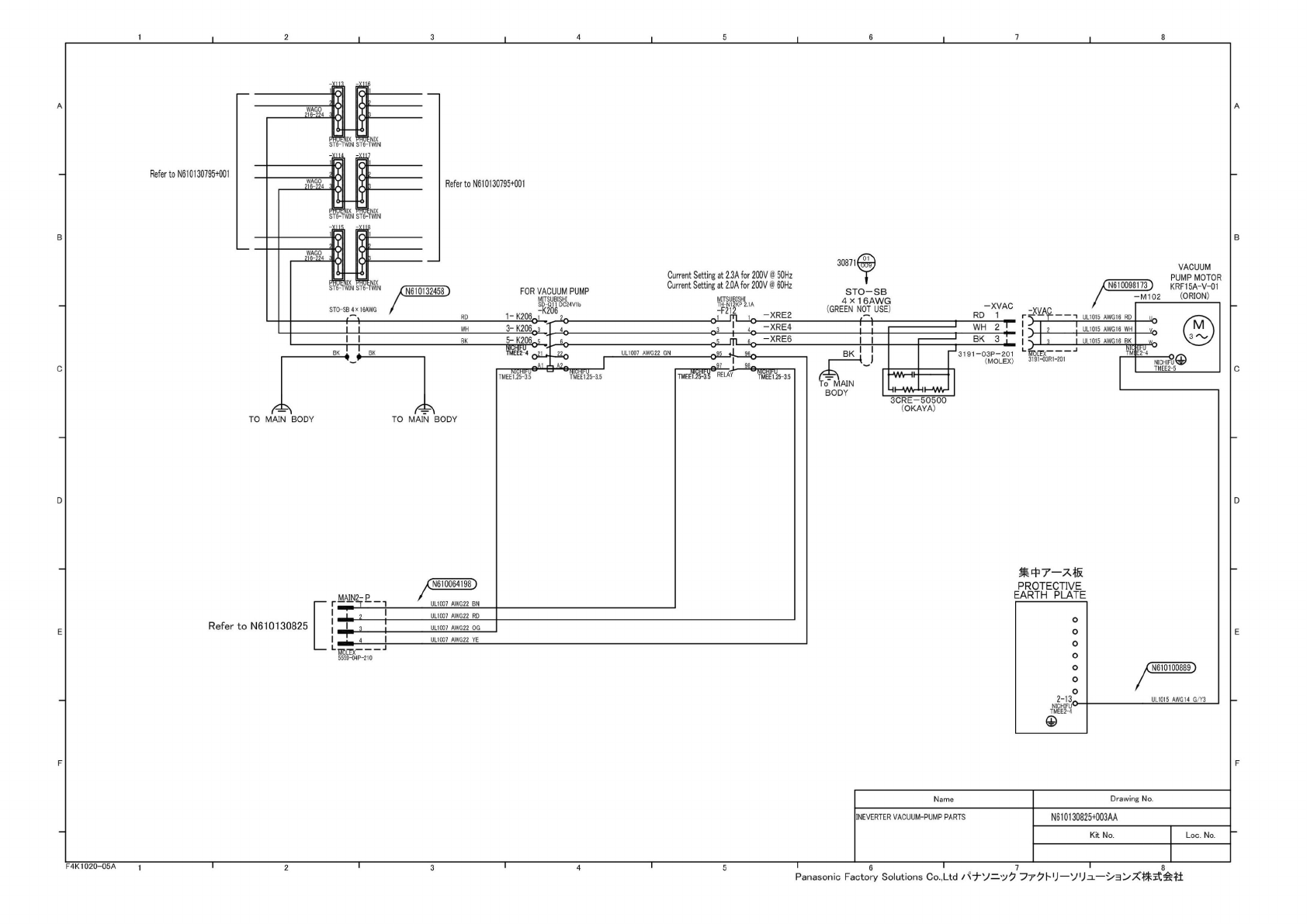
N61
00981
73)
-M1O2
j
UL1015
AWG16
RD
।
UL1015
AWG16
WH
I
UL1O15
AWG16
BK
VACUUM
PUMP
MOTOR
KRF15A-V-01
(ORION)
-XVAC
RD
1
1r
「
WH
2
匚
J
BK
3
工
"J3191-03P-201
(MOLEX)
Refer
to
N61
01
30795+001
TO
MAIN
BODY
TO
MAIN
BODY
NICH1FU
TMEE1.25-3.5
-K206
1-K206|
3
-
K206|
5-
K206
FOR
VACUUM
PUMP
SMvtb
心
4
」
照
西
3.5
Current
Setting
at
2.3A
for
200V
@
50Hz
Current
Setting
at
2.0A
for
200V
@
60Hz
-XRE6
UL1OO7
AWG22
GN
正
LAY
TM
-XRE2
-XRE4
30871?
STO-SB
4
x
1
6AWG
(GREEN
NOT
USE)
H
—
1—
I
_
TH
3CRE-50500
(OKAYA)
Refer
to
N61
01
30795+001
Refer
to
N610130825
/CN61
00641
98)
UL1007
AWG22
BN
UL1007
AWG22
RD
UL1007
AWG22
OG
UL1007
AWG22
YE
集中
7
-入板
PROTECTIVE
EARTH
PLATE
Name
Drawing
No.
INEVERTER
VACUUM-PUMP
PARTS
N610130825+003AA
Kit
No.
Loc.
No.
2
4
7
8
Panasonic
Factory
Solutions
Co.,
Ltd
十、/
二^夕
77
U
—
VUn.
—
株
式会社
F4K1020-05A
j
1
I
2
I
3
I
4
I
5
I
6
I
7
I
8
2