RL132电路图N7205A093E.pdf - 第73页

UL1007 AWG22 BN UL1007 AWG22 VT U1 1007 AWG 勿 WH UL1007 AWG22 BN UL1007 AWG22 BU UL100/ AWG22 WH SQ48- R SQ48- P UL1007 AWG22 GN UL1007 AWG22 BN EE-1001 UL1007 AWG22 WH 移替 前 TRANSFER SWING FRONT 0068964) 移替 ^出层 TRANSFER …

100%1 / 130
森都嘴
'盛际
一」
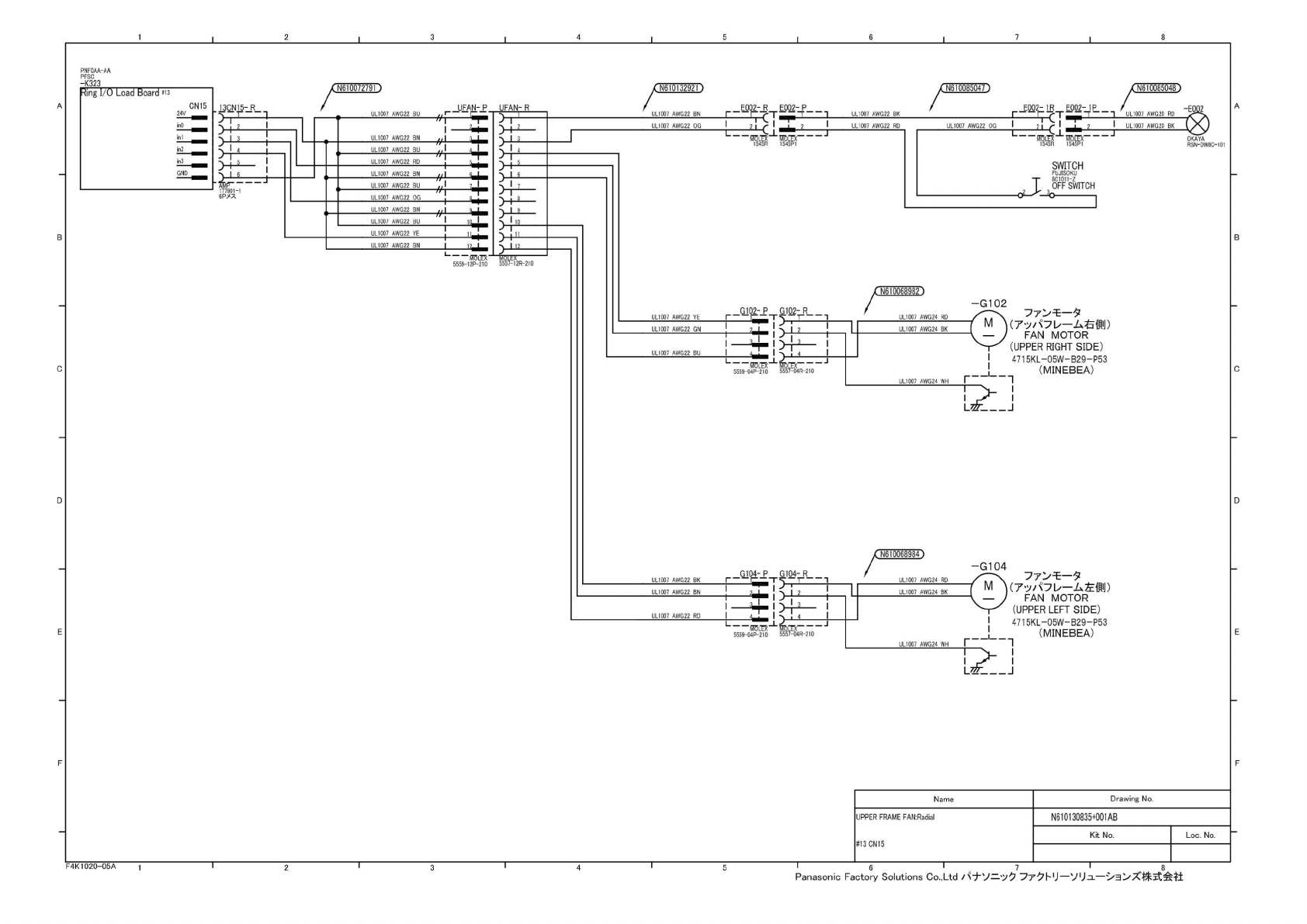
UL1007
AWG22
BN
UL1007
AWG22
BU
UL1007
AWG22
RD
UL1007
AWG22
BN
UL1007
AWG22
BU
UL1007
AWG22
OG
UL1OO7
AWG22
BK
UL1OO7
AWG22
BN
UL1OO7
AWG22
RD
毛一夕
(八
左俱
I])
FAN
MOTOR
(UPPER
LEFT
SIDE)
UL1007
AWG24
WH
4715KL-05W-B29-P53
(MINEBEA)
I
1
[ZJ
UL1OO7
AWG22
BN
UL1OO/
AWG22
BU
UL1OO7
AWG22
YE
UL1OO7
AWG22
BN
PNFOAA-AA
PFSC
-K323
177901-1
UL1007
AWG22
YE
UL1007
AWG22
GN
UL1007
AWG22
BU
UL1007
AWG24
RD
UL1007
AWG24
BK
ULI
007
AWG24
WH
-G102
7
了2^毛
一夕
M
\(了、以t7^-
右侧
J)
FAN
MOTOR
(UPPER
RIGHT
SIDE)
4715KL-05W-B29-P53
(MINEBEA)
I
1
3
*
Name
Drawing
No.
UPPER
FRAME
FAN:Radial
#13CN15
N610130835+001AB
Kit
No.
Loc.
No.
UFAN-
R
Xing
I/O
Load
Board
3
F4K1020-05A
j
6
7
8
Panasonic
Factory
Solutions
Co.,
Ltd
十、/
二^夕
77
U
VUn.
式会社
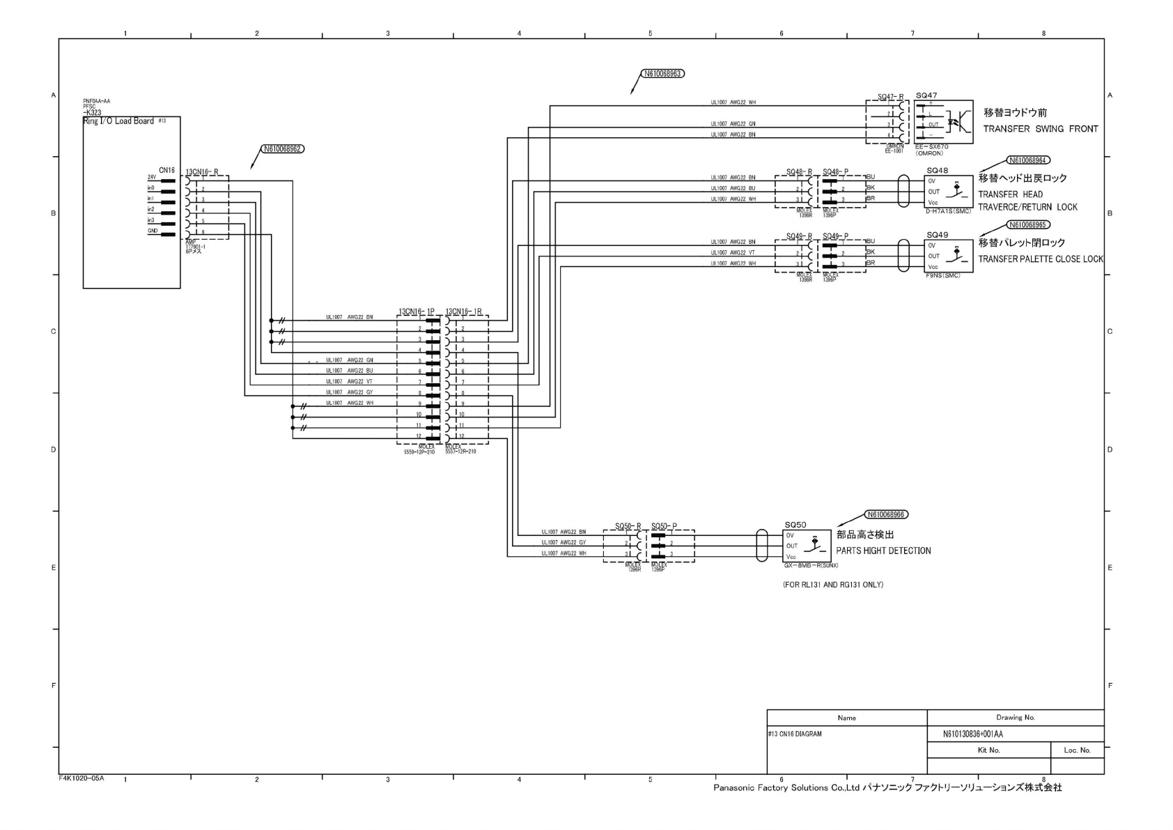
UL1007
AWG22
BN
UL1007
AWG22
VT
U1
1007
AWG
WH
UL1007
AWG22
BN
UL1007
AWG22
BU
UL100/
AWG22
WH
SQ48-
R
SQ48-
P
UL1007
AWG22
GN
UL1007
AWG22
BN
EE-1001
UL1007
AWG22
WH
移替
TRANSFER
SWING
FRONT
0068964)
移替
^出层
TRANSFER
HEAD
TRAVERCE/RETURN
LOCK
H6I006896D
移替
/t沙:/
卜^
口、八7
TRANSFER
PALETTE
CLOSE
LOCK
SQ47
EE-SX67O
(OMRON)
SQ48
D-H7A1S(SMC)
SQ49
F9NS
SMC
1
I
2
I
3
4
5
6
I
7
I
8
UL1007
AWG22
BN
UL1007
AWG22
GY
UL1007
AWG22
WH
SQ50
ov
OUT
Vcc
部品
检出
PARTS
HIGHT
DETECTION
GX-8MB-R(SUNX)
(FORRL131
AND
RG131
ONLY)
ULI
007
AWG22
BN
.
.
ULI
007
AWG22
GN
ULI
007
AWG22
BU
UL1007
AWG22
VT
UL1007
AWG22
GY
UL1007
AWG22
WH
Name
Drawing
No.
#13
CN
16
DIAGRAM
N610130836+001AA
Kit
No.
Loc.
No.
PNF0AA-AA
PFSC
-K323
I/O
Load
Board
CN16
F4K1020-05A
j
7
8
Panasonic
Factory
Solutions
Co.,
Ltd
十、/
二^夕
77
U
VUn.
式会社
R-
6
2
4
Q
2
1
u
Nl
3C
L
3
品有瓢
8
PART
PRESENCES
PM-R24(SUNX)
JST
)
i
J2
1SPM-03V-KX
J21SF-03V-KX
品有瓢
7
PART
PRESENCE?
PM-R24(SUNX)
N610068640)
1
J5T
J21SPM-03V-KX
J21SF-03V-KX
品有瓢
6
PART
PRESENCE6
PM-R24(SUNX)
N61
0068640)
——
JST
J21SPM-O3V-KX
J21SF-03V-KX
r
1
1
BU
2
1
BK
'
3
1
BN
t
品有瓢
5
PART
PRESENCES
PM-R24(SUNX)
N61
0068640)
PART4-.P
品有瓢
4
PART
PRESENCE4
PM-R24(SUNX)
N6
1006864(9
JST
J21
SPM-03V-KX
J21
SF-03V-KX
2
(一
T
1
bU
"2
I
BK
1
3
1
BN
/A
平上
T
J21SPM-03V-KX
J21SF-O3V-KX
BU
c
BK
BN
品有舞
3
PART
PRESENCE3
PM-R24(SUNX)
N6
10068640)
J2
1
SPM-O3V-KX
J2
1
SF-03V-KX
品有辗
2
PART
PRESENCE2
PM-R24(SUNX)
N61
0068640)
J21SPM-03V-KX
J21SF-03V-KX
品有瓢
1
PART
PRESENCE】
PM-R24(SUNX)
N61
0068640)
1
I
2
I
3
I
4
7
I
8
N61
0068640)
加值
5559-1
6P-210
14IN-
1P
Name
Drawing
No.
#14
Ring
I/O
Load
Board
Parts
Presence
1-8
N610130837+001AB
Kit
No.
Loc.
No.
UL1007
AWG22
BK
UL1007
AWG22
BK
UL1007
AWG22
BN
UL1OO/
AWG22
OG
UL1OO7
AWG22
YE
UL1OO7
AWG22
GN
UL1OO7
AWG22
BU
UL1OO7
AWG22
VT
UL1007
AWG22
GY
U1
1007
AWG22
WH
ULI
007
AWG22
RD
UL1007
AWG22
RD
ULI
007
AWG22
RD
UL1007
AWG22
RD
PNFOAA-AA
PFSC
-K324
N610133042
24
OG/BK1
24
OG/RD1
24
GY/BK1
/
24
GY/RD1
24
WH
BK1
24
WH/RD1
24
YE/BK1
24
YE/RDI
24
PK/BK1
24
PK/RD1
24
OG/BK2
24
OG/RD2
24
GY/BK2
24
GY/RD2
24
mi/BK2
24
WH/RD2
24
YE/BK2
24
YE/RD2
24
PK/BK2
24
PK/RD2
Z\
24
OG/BK3
24
OG/RD3
24
GY/BK3
24
GY/RD3
z
TAIYO
CABLE
2464To
61/
HA-SB
LF
12Px
24AWG
7
14IN-
1R
5=P=
i
>p-
i
>k-
>?-
>p—
)
I
16
MOLEX
5557-16R-210
Ring
I/O
Load
Board
CN16
CN15
24V
GND
F4K1020-05A
j
7
8
Panasonic
Factory
Solutions
Co.,
Ltd
十、/
二^夕
77
U
VUn.
式会社
AAAAX