OM-1615-004_w.pdf - 第43页
OM-1615 40 ACV タグアンテナ回路図 1 USB HUB U178 N74F U125-X12502 USB2 USB USB IN USB1 USB3 USB4 V+ V- USB HUB U182 N74B USB2 USB1 USB3 USB4 USB USB IN 10B 24B1 10B 24B1 USB USB [A-/03/1B] POWER V+ V- POWER USB3 LCD (TP) USB4 U91…

OM-1615
39
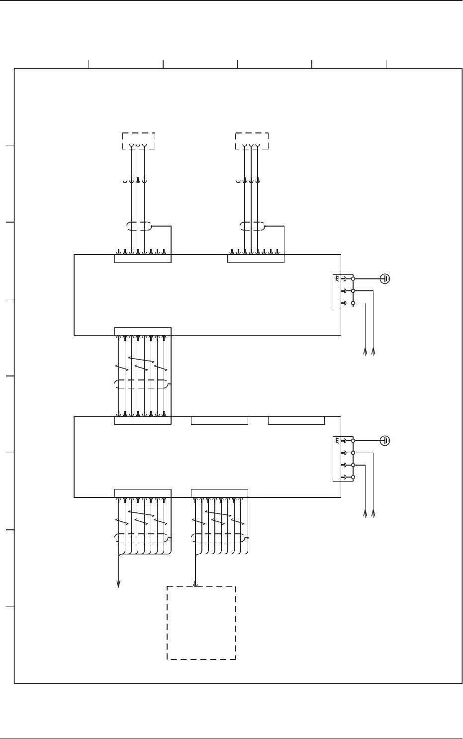
10.2 ACV タグアンテナブロック図
CN3
U125
LAN HUB
CN2
CN1
CN4
CN5
USB1USB2USB3USB4
U178
USB HUB
U81
CPU2
USB3LAN2
CN2
POWER
X8102
USB IN
POWER
USB4
USB1USB2USB3USB4
U182
USB HUB
POWER
USB IN
U91
CPU1
(24B1)
DC24V
(24B1)
DC24V
X1300D2BX1300D2F
Port1 Prot2
LAN
U166
X16602X16601
Ethernet
Converter
POWER
U167
(24B1)
DC24V
X300F X300B
X300N74BN74F
X7401F X7401B
X18201X17801
X16603
LCD
(TP)
LCD
(TP)
LAN
LAN
GS-OP100
アンテナ
タグ
DC24V
RS232C RS232C
CTR
ID
外部ユニット
接続一括コネクタ(前側)
外部ユニット
接続一括コネクタ(後側)
本体ユニット
接続一括コネクタ
多段トレイカート
(後側)
タッチパネルモニタ
(前側)
タッチパネルモニタ
USB
USB
LAN
1 2 3 4 5 6 7 8
A
B
C
D
E
F
1101-003 A(M949WA---2001)
10.2 ACV タグアンテナブロック図

OM-1615
40
ACV タグアンテナ回路図 1
USB HUB
U178
N74F
U125-X12502
USB2
USB
USB IN
USB1
USB3
USB4
V+ V-
USB HUB
U182
N74B
USB2
USB1
USB3
USB4
USB
USB IN
10B
24B1
10B
24B1
USB
USB
[A-/03/1B]
POWER
V+ V-
POWER
USB3
LCD
(TP)
USB4
U91
CPU1
X9105
X9106
LCD
(TP)
LAN2
タッチパネルモニタ(前側)
X17805
タッチパネルモニタ(後側)
X18205
X17801
X18201
X19105
X19106
X7401F
X7401B
X9108
1 2 3 4 5 6 7 8
A
B
C
D
E
F
1101-002 A(M949WA---2002)
10.2 ACV タグアンテナブロック図

OM-1615
41
ACV タグアンテナ回路図 2
LANHUB
U125
1
3
2
6
5
4
7
8
NC
NC
RX-
TX-
RX+
TX+
NC
NC
X12502
CN2
1
3
2
6
5
4
7
8
NC
NC
RX-
TX-
RX+
TX+
NC
NC
X12503
CN3
NC
NC
RX-
TX-
RX+
TX+
NC
NC
1
3
2
6
5
4
7
8
NC
NC
RX-
TX-
RX+
TX+
NC
NC
1
3
2
6
5
4
7
8
CN1
CN4
10B
24B1
U91-X9108
[A-/02/7D]
Ethernet Convertor
U166
1
3
2
6
5
4
7
8
NC
NC
RX-
TX-
RX+
TX+
NC
NC
SD
RD
SG
1
3
2
6
5
4
7
8
1
3
2
6
5
4
7
8
Port1
10B
24B1
10/100M
Ethernet
X16603
NC
NC
RX-
TX-
RX+
TX+
NC
NC
1
3
2
6
5
4
7
8
CN5
:B1
:8
:7
:6
X300F
:A2
:A1
:B1
:8
:7
:6
X300B
:A2
:A1
Port2
SD
RD
SG
X1300D2F
:B2
X1300D2B
:B2
HI COM
POWER
HI COM
POWER
HIB
U81
CPU2
CN2
BASE-T
10/100
X8102
X12501 X16601
外部ユニット
接続一括コネクタ(前側)
X16602
外部ユニット
接続一括コネクタ(後側)
1 2 3 4 5 6 7 8
A
B
C
D
E
F
1101-002 A(M949WA---2003)
10.2 ACV タグアンテナブロック図