circuit of HS60 - 第103页
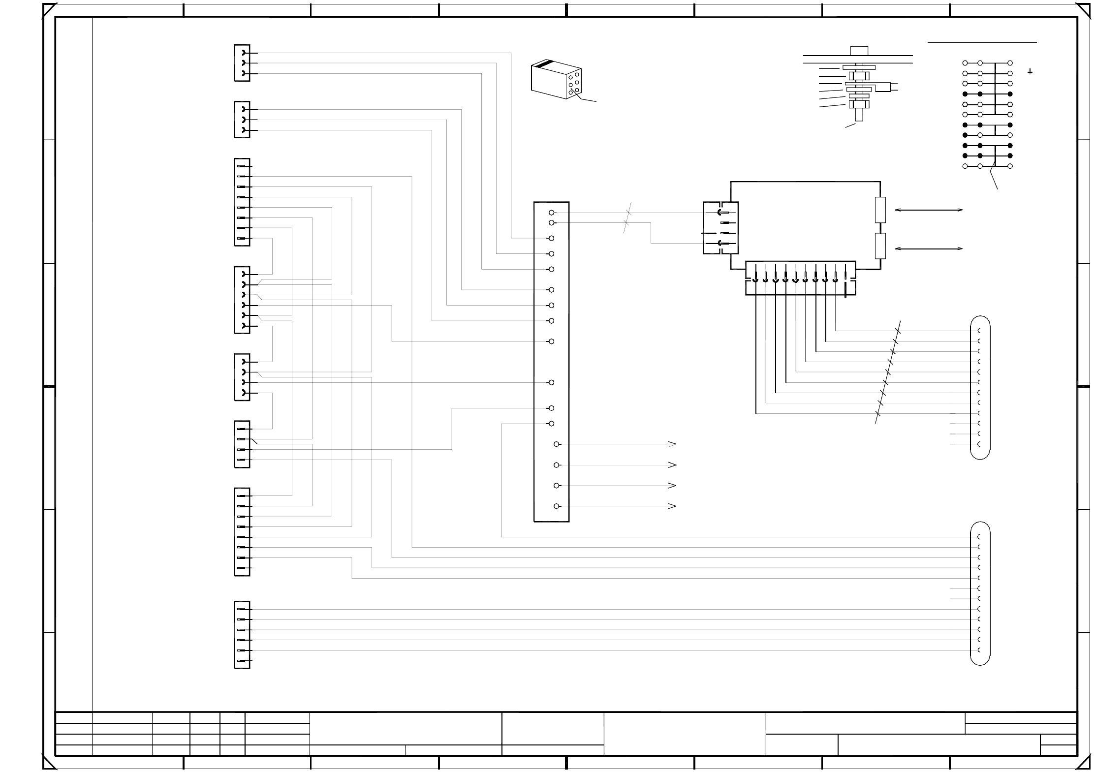
3 - 8 0033615 2-030 103LD3 Distrib utor , secto r 1 (Sh. 2 of 2) 4 5 6 2 3 4 6 0.56m m² / b k X17* +24V GND X9ar X9ar has been har d wir ed; i nstall ed as opt ion only! CAN input /outp ut modul e 3 ( A2) E A 1 6 0V 0V X…

3 - 7
00336152-030103LD3 Distributor, sector 1 (Sh. 1 of 2)
3
5
2
4
6
1
GND
+5V
+24V
Voltages ring circuit
Sec4<>Sec1
Voltages ring circuit
Sec1<>Sec2
Infeed
Socket 1, peripheral modules
StartStopInputRight
Emerg.StopPCBInput
Safety ring circuit
Sec4<>Sec1
Safety ring circuit
Sec1<>Sec2
5
B
SMD Placement System SIPLACE HS60
4
X1af
A7
A10
+24V
+24V
1P34V
P8V
N8V/34V
GND
+5V
+24V
876
D
2
X3ag and X4ag ,
X100 terminals overview
X5af
X2af
X8af
X4af
X6af
X3af
Hood1
All control lines: 1.00mm² / black
Cable ties are used to form the cable harness !
+24V
X25af
CompFlap1
X7af
2
F
A module
M5 split washer, DIN 7980
M5x16 fillister head screw, DIN 912
M5 hexagon nut, DIN 439
Distributor sheet
Locking clip plug:
To Harting plug housing (from X1)
PE
A11
N8V/34V
6
1
P8V
32
C
+5V
CAN_INT
CAN_RESET
GND
+5V
GND
A
Ground connection :
Contact washer
M5 hexagon nut, DIN 439
Annular cable lug
B5
B6
B9
B8
B7
10
B module
CANL
CANH
3
4
5
76
X3ag
X4ag
B10
B11
B12
B2
34
A6
+5V
C
A3
A8
A4
E
gnye
00336788gnye
00336789gnye
00336790
PE
PE
8
B
5
1
D
1
A9
A1
A2
X3ag
X2ag
M5 washer, DIN 125
X1ag
500kbps
CAN bus
500kbps
X5ar - X16ar
B4
key
key
B1
A5
A
8
A12
2
3
CAN bus
1P34V
To cover
To distributor sheet
To machine frame
0.56mm² / bk
Bridge
A1 CAN-bus coupler
00332557 (ag)
0.56mm² / bk
00336787
X100
7
ab c
GND
F
03.
01.
03.
Tek
Tek
Tek
2
gnye
B3
+24V
X1af
GND
X4ag
E
4b
1a
2c
4c
109
24.03.99
1
00336152-030103LD3
Distributor, sector 1
Hoffmann
11.12.1997
10.04.00
24.03.99
Document stat.
Product stat.
Function stat.
3
5
4
1
2
3
6
6
7
4
5
3
1
2
8 / 9
4
2
1
2
3
4
PE
PE
5
4
6
7
1
3
PL EA1 E2
5
1
1
3
6
2
4
1
3
2
2
8 / 9
1
2
3
1
2
3
4
5
8
8
29
must be as viewed from the rear side of the casing.
Cable
GROUND
7
PE
6a
7a
7b
7c
3c
that the numerical sequence of a locking clip plug
Please note that ...
4a
PE
16
71
1
5
4
4
3
3
2
6
6c
2a
4
Spare
Spare
Spare
Address bit 1
GND_Address
Address bit 0
S_Begin
L_Begin
L_End
S_End
Spare
Spare
PCC11
PCC12
ModifiedStatus Stand.Date Name
Orig. Replaced byRepl. f.
Author
Check.
Date
Spare
S_CompEnd
S_hood
S_StartButton
S_Emerg.StopButton
S_CompFlap
S_StopButton
L_End
L_Begin
S_Emerg.StopButton
S_StartButton
S_StopButton
L_End
L_Begin
S_hood
L_End
L_Begin
S_CompFlap
L_End
S_StopButton
S_CompFlap
S_Emerg.StopButton
S_StartButton
S_hood
L_End
S_CompEnd
Spare
PCC11
PCC12
Spare
Sheet
Sh.
=
SIEMENS AG
+

3 - 8
00336152-030103LD3 Distributor, sector 1 (Sh. 2 of 2)
4
5
6
2
3
4
6
0.56mm² / bk
X17*
+24V
GND
X9arX9ar
has been hard wired; installed as option only!
CAN input/output module 3 (A2)
E
A
1
6
0V
0V
X8ar
0V
0V
E
X16ar
CAN input/output module 3
4
3
X7arX7ar
key
0.56mm² / bk
GND
E
E
4
X14ar
E
key
Nozzle changer 4b
0.56mm² / bk
+24V
GND
+5V
GND
Not
24V
24V
0V
0V
X13ar
X100
1
2
A
X10arX10ar
A
E
+24V
4
3
24V
24V
0V
0V
1
6
A
24V
24V
0V
0V
X12ar
key
key
24V
0V
0V
+24V
X11ar
X12ar
X13ar
X14ar
E
A
24V
24V
0V
24V
24V
0V
6
2
F
678
key
connected
CAN bus
125kbps
X5ar
key
24V
24V
E
0V
SMD Placement System SIPLACE HS60
A
3
4
A2
6
0.56mm² / bk
Please note !
0V
14
00336801
X17ar
0V
X11ar
key
E
GND
GND
Nozzle changer 1b
0V
10.04.00
11.12.1997
Hoffmann
Distributor, sector 1
00336152-030103LD3
2
24.03.99
X1ar is reserved for the "Fill level" monitoring
Reserved
GND
X1ar X2ar
6
2
4
5
6
0V
X6ar X6ar
E
A
Nozzle changer 3b
key
2
5
3
2
2
Tek
Tek
Tek
03.
01.
03.
Function stat.
Product stat.
Document stat.
24.03.99
PL EA1 E2
6
5
5
5
1
X18af
1
2
3
4
5
6
3
X17af
1
2
3
4
5
6
2
1
2
1
4
5
6
5
6
1
2
3
5a
1
1
6
1
2
3
4
5
6
3
4
5
6
1
2
3
5
1
5
4
4
5
6
1
2
3
4
5
6
1
3
4
5
6
3
4
5
6
1
2
3
4
5
6
1
2
3
4
5
6
2
3
1b
1c
1
5
2
5
1
3
1
5
2
6
X19af
1
2
3
4
5
6
6b
1
1
X20af
1
2
3
4
5
1
2
3
4
1
2
3
4
5
3
2
S_LeftNozzles(open)
S_RightNozzles(closed)
Ctrl_ValveNozzles
S_LeftNozzles(open)
S_RightNozzles(closed)
Ctrl_ValveNozzles
Stand.Status NameDateModified
Orig. Repl. f. Replaced by
Date
Check.
Author
Sheet
Sh.
S_LeftNozzles(open)
S_RightNozzles(closed)
Ctrl_ValveNozzles
Ctrl_ValveNozzles
S_LeftNozzles(open)
S_RightNozzles(closed)
1
6
2
4
5
E
A
24V
24V
0V
0V
5
A
B
567
2
2
D
C
0V
0V
X3ar
E
A
24V
24V
0V
2
B
F
E
=
SIEMENS AG
+
D
C
10
11
12
13
24V
24V
A
X15ar
8
X18ar
X17ar
X16ar
2
4
5
6
1 4
3
4
6
1
3
4
GND
32
X4ar
24V
E
A
24V
key
X8ar
A
key
key
key
+24V
Nozzle changer 2b
3
4
5
6
7
A
24V
24V
3
4
6
1
3
4
8
9
00329698 (ar)
GND
X15ar
GND
X5ar
24V
23

3 - 9
00336153-030104LD3 Distributor, sector 4 (Sh. 1 of 4)
3
5
2
4
6
1
=
SIEMENS AG
+
X2df
X1df
A7
A10
A11
A12
A5
A3
+24V
+24V
GND
SSK41
SSK42
1P34V
GND
+5V
+24V
GND
+5V
X7df
X6df
X25df
X5df
X4df
X3df
X8df
+24V
A8
A4
A6
A9
A1
A2
X4dg
X1df
E
P8V
N8V/34V
8
(dg)
4
B4
B5
B6
B9
B7
GND
1P34V
P8V
N8V/34V
X3dg
1 4
+24V
X400
X10df_2
E
F
00332557
A
B
56
key
10
X1dm - X16dm,
X1dn - X16dn
+5V
X3dg
0,56qmm
832
F
67
X1dg X2dg
500kbps
1
B8
CANL
CANH
CAN_INT
CAN_RESET
A
B1
500kbps
key
2
3
D
7
B
5
B10
B11
B12
X4dg
GND
+5V
C
23
B2
B3
C
D
9c
4
Tek
Tek
Tek
03.
01.
04.
25.03.99
27.01.00
11.12.1997
Hoffmann
00336153-030104LD3
1
25.03.99
2
3
4
1
8
3
13a
20b
11c
9b
6
3
2
1
9a
7b
1c
9
910
1
7
6
3
6
7
7
8
4
5
4
1
1
2
3
4
1
3
2
4
5
24a
1
2
8 / 9
4
2
1
5
4
5
30c
2a
3c
6c
8c
3a
6a
8a
14a
16a
15a
PL EA1 E2
2
6
17b
1
2
3
1
2
3
3
4
53
4
1
6
7
2
1
8 / 9
3
5
4
6
2
Function stat.
Product stat.
Document stat.
Status Modified Date Name Stand.
Check.
Author
Date
Orig. Repl. f. Replaced by
Distributor, sector 4
SMD Placement System SIPLACE HS60
Sheet
Sh.
Voltages ring circuit
Sec3<>Sec4
Voltages ring circuit
Sec4<>Sec1
HoodPCBInput
LeftStartButtonOn
Safety ring circuit
Sec3<>Sec4
CompFlap4
Hood4
Spare
S_StopButton
S_CompEnd
S_hood
S_StartButton
S_Emerg.StopButton
S_CompFlap
L_End
L_Begin
S_hood
S_StartButton
L_End
S_StopButton
L_Begin
S_hood
L_End
L_Begin
S_CompFlap
L_End
Socket 4, peripheral modules
Infeed
Sec4<>Sec1
Safety ring circuit
S_CompFlap
S_CompEnd
S_hood
S_StartButton
S_Emerg.StopButton
L_End
Spare
S_StopButton
PCC41
PCC42
Spare
Cable
Locking clip plug: X3dg and X4dg ,
M5 washer, DIN 125
Annular cable lug
M5 hexagon nut, DIN439
M5 split washer, DIN 7980
M5 hexagon nut, DIN439
Contact washer
Ground connection :
Distributor sheet
M5x16 fillister head screw, DIN 912
must be as viewed from the rear side of the casing.
that the numerical sequence of a locking clip plug
Please note that ...
A1 CAN-bus coupler
bk
CAN bus
CAN bus
bk
Address bit 0
GND_Address
Address bit 1
Spare
Spare
Spare
B module
A module
L_End
S_End
S_Begin
L_Begin
Spare
Spare
Cable ties are used to form the cable harness !
All control lines: 1.00qmm / black
Bauteilangaben nur zur Information
Weitergabe sowie Vervielfaeltigung dieser Unterlage, Ver-
wertung und Mitteilung ihres Inhalts nicht gestattet, soweit
nicht ausdruecklich zugestanden. Alle Rechte vorbehalten, ins-
besondere fuer den Fall der Patenterteilung oder GM-Eintragung.
Comunicado como segredo empresarial. Reservados todos os direitos.
Confie a titre de secret d'entreprise. Tous droits reserves.
Proprietary data , company confidential . All rights reserved.
Confiado como secrete industrial. Nos reservamos todos los derechos.
0.56mm²