circuit of HS60 - 第112页
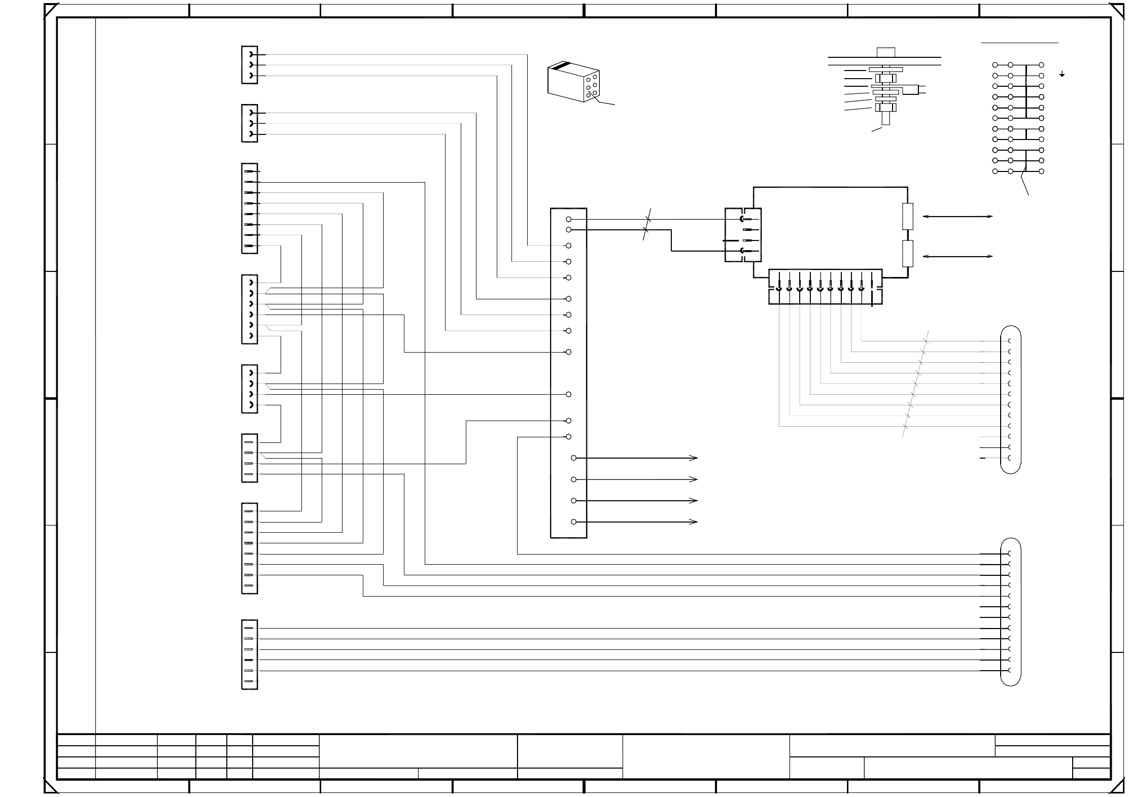
3 - 17 0033615 4-020 101LD 3 HS60 main d istribu tor (Sh . 5 of 5 ) = SIEMENS AG + 17 16 18 19 20 32 31 33 34 35 39 2 1 3 4 5 6 7 8 9 11 10 12 2 1 3 4 ab c 5 6 31 33 34 35 36 36 39 21 21 37 37 38 38 40 40 +5V -12V +12V -…

3 - 16
00336154-020101LD3 HS60 main distributor (Sh. 4 of 5)
=
SIEMENS AG
+
5
7
9
2
4
1
3
5
2
4
1
3
5
2
4
1
3
6
8
5
7
9
ON button
Ready
Ctrl_ON
Emergency-Stop
2P34V
P34V
Control ON
2
4
1
3
6
8
PCC54
1mm² 1mm²
P8V
1P34V
PCC
N8V/34V
PCC
Spare
Spare
Spare
P8V
1P34V
N8V/34V
P8V
1P34V
N8V/34V
priphery
2
4
1
3
5
bk bk
bk
bk
bk
bk
bk
bk
bk bk
bk
bk
Contact not fitted
Contact not fitted
Contact not fitted
Contact not fitted
Contact not fitted
Contact not fitted
Contact not fitted
B
F
E
D
1mm²
1mm²
Spare
6
A
87
1 45
F
678
1234
E
Spare
Spare
1mm²
38b
X26do
17b
1
38c
X27do X28do
X9/
2
3
Spare
X31/
X31/
5
6
4X31/
X31/
X31/
X101/
X101/
X101/
X101/
C
D
C
23
5
B
A
36b
Contact not fitted
X26/4
32c
36c
X26/5
X27/4
31b
35b
X27/5
PCC
P8V
1P34V
PCC
N8V/34V
Spare
Infeed
X101/
X101/
X101/
X101/
X101/
X101/
X25/3
X25/4
X24/5
X24/6
X24/7
X24/8
X24/9
34b
X102/7
X24do
Control signals
power supply
Infeed
X102/7
GND
bus bar
Spare
PCC
socket 1
Sheet 3
2
4
1
3
6
5
X25do
PCC43
PCC53
PCC44
X101/
X101/
X31do
Control signals
Sector 4
2
4
1
3
5
32b
periphery
32a
36a
X25/5
X25/6
2
1
3
4
N48V
N48V
P48V
P48V
X101/
X102/12
X23do
DC/DC converter
39b
40b
X102/8
X101/
Infeed
Ctrl_EmptyTapeC.
Emergency-Stop
Spare
P24V
Ctrl_ON
Control ON
Ready
ON button
2P34V
01.
01.
02.
Tek
Tek
Tek
5
X29do
priphery
socket 2
priphery
Infeed
socket 3
priphery
Infeed
socket 4
PL EA1 E2
11.09.98
4
00336154-020101LD3
HS60 main distributor
Hoffmann
06.03.1998
11.09.98
11.09.98
Function status
Product status
Doc. status
SMD Placement System SIPLACE HS60
Stand.Status DateModified Name
Orig. Repl. f. Replaced by
Author
Check.
Date
Sheet
Sh.
2.5mm² 2.5mm²
2.5mm² 2.5mm² 2.5mm² 2.5mm²
2.5mm²

3 - 17
00336154-020101LD3 HS60 main distributor (Sh. 5 of 5)
=
SIEMENS AG
+
17
16
18
19
20
32
31
33
34
35
39
2
1
3
4
5
6
7
8
9
11
10
12
2
1
3
4
ab c
5
6
31
33
34
35
3636
39
21 21
3737
3838
4040
+5V
-12V
+12V
-15V
+15V
+24V
P8V
P34V
7
8
9
11
10
12
13
14
15
GND
GND
+5V
+24V
21a
21c
Bus bar
Conversion board
ab c
PE
PE
Jumper
Ground
X101/PE
X101/PE
To housing
main distributor
To main grounding point (MGP)
2,5mm²
gn/ye
2,5mm²
13
14
15
17
16
18
19
20
32
21b
5c
20c
+24V
+24V
+24V
Ill.VC
Ill.PCB
Ill.1
Ill.2
Ill.3
GND
camera illumination
for
X101 terminal overview
B
F
E
D
C
23
5
1P34V
2P34V
P48V
Terminal not used
Terminal used
Conversion board
37a
Bus bar
+34V
87
1 45
F
678
1234
E
C
D
gn/ye
00336179
00336188
with M5 annular cable lug
with M5 annular cable lug
22 22
01.
01.
02.
Tek
Tek
Tek
5
5
/ 300mm
B
A
6
A
PL EA1 E2
11.09.98
00336154-020101LD3
HS60 main distributor
Hoffmann
06.03.1998
11.09.98
11.09.98
Function status
Product status
Doc. status
SMD Placement System SIPLACE HS60
step motor
for
Stand.Status DateModified Name
Orig. Repl. f. Replaced by
Author
Check.
Date
Sheet
Sh.

3 - 18
00336181-030201LD3 Distributor, sector 2
3
5
2
4
6
1
=
SIEMENS AG
+
1P34V
P8V
N8V/34V
GND
+5V
Voltages ring circuit
Sec2<>Sec3
Infeed
Socket 2, peripheral modules
StartStopOutputLeft
HoodPCBOutput
Safety ring circuit
Sec1<>Sec2
Safety ring circuit
Sec2<>Sec3
SMD Placement System SIPLACE HS60
00336790gnye
8
To Harting plug housing (from X1)
+24V
+24V
+24V
X25bf
CompFlap2
X7bf
2
B9
M5 washer, DIN 125
M5 split washer, DIN 7980
M5x16 fillister head screw, DIN 912
+24V
GND
+5V
+24V
X5bf
X2bf
X8bf
X4bf
X6bf
X3bf
Hood2
All control lines: 1.00mm² / black
Cable ties are used to form the cable harness !
Voltages ring circuit
Sec1<>Sec2
432
1 4
10
key
X3bg
X200 terminals overview
B1
X1bf
B module
C
1
X4bg
X4bg
F
E
D
1
2
3
4
5
6
7
+5V
GND
X1bg
A
3 6
A
B3
B4
B5
B6
B8
CANL
ab
87
A1 CAN-bus coupler
00332557 (bg)
B10
B11
B12
B2
E
B
56
3
2
key
+5V
X3bg and X4bg
A2
A1
A9
A6
A4
A8
A3
A5
A12
A11
A10
A7
X1bf
87
500kbps
CAN bus
CANH
Ground connection :
0.56mm² / bk
0.56mm² / bk
M5 hexagon nut, DIN 439
Distributor sheet
Locking clip plug:
c
PE
GND
B7
F
5
B
D
C
GND
+5V
+24V
Jumper
PE
PE
1P34V
GND
A module
P8V
N8V/34V
X2bg
X3bg
CAN bus
500kbps
CAN_INT
CAN_RESET
Function stat.
01.
03.
Tek
Tek
Tek
1
M5 hexagon nut, DIN 439
Contact washer
00336787gnye
To machine frame
00336788gnye
To distributor sheet
00336789gnye
To cover
Annular cable lug
8 / 9
2
2
5
4
7
02.
25.03.99
1
00336181-030201LD3
Distributor, sector 2
Hoffmann
11.12.1997
13.01.00
13.01.00
Document stat.
Product stat.
6
3
3
1
4
2
6
3
4
5
3
8 / 9
2
1
3
2
1
4
5
3
1
7a
PE
PE
PE
3c
7c
1
7
6
2
4
2
1
1
5
4
3
2
1
PE
that the numerical sequence of a locking clip plug
Please note that ...
must be as viewed from the rear side of the casing.
Cable
3
3
6
GROUND
6a
1
2
2
3
PL EA1 E2
8
8
9
910
1
2
3
4
7b
5
56
6
7
7
1a
2c
4c
6c
2a
4a
14
4
1
4
4b
Spare
S_CompEnd
S_hood
S_StartButton
S_Emerg.StopButton
S_CompFlap
S_StopButton
L_End
L_Begin
S_hood
S_StartButton
S_StopButton
L_End
L_Begin
S_hood
L_End
L_Begin
S_CompFlap
L_End
S_StopButton
S_CompFlap
S_Emerg.StopButton
S_StartButton
S_hood
L_End
S_CompEnd
Spare
PCC21
PCC22
Spare
Address bit 0
GND_Address
Address bit 1
Spare
Spare
Spare
S_Begin
L_Begin
L_End
S_End
Spare
Spare
PCC21
PCC22
ModifiedStatus Stand.Date Name Orig. Replaced byRepl. f.
Author
Check.
Date
Sheet
Sh.
Bauteilangaben nur zur Information
Weitergabe sowie Vervielfaeltigung dieser Unterlage, Ver-
wertung und Mitteilung ihres Inhalts nicht gestattet, soweit
nicht ausdruecklich zugestanden. Alle Rechte vorbehalten, ins-
besondere fuer den Fall der Patenterteilung oder GM-Eintragung.
Comunicado como segredo empresarial. Reservados todos os direitos.
Confie a titre de secret d'entreprise. Tous droits reserves.
Proprietary data , company confidential . All rights reserved.
Confiado como secrete industrial. Nos reservamos todos los derechos.