circuit of HS60 - 第115页
3 - 20 001 19092-0 10101 LD3 Adapterbo x SMEM A - Siem ens fo r HS-6 0 5 D 1. # 00119092-01010 1LD 3 A E SIPLACE HS60 3 F Ha 20. 01.99 Ha 20. 01.99 Ha 20. 01.99 20.01.99 Haas Convey or control 1 Conveyo r contr ol 2 SMEM…

3 - 19
00336182-030102LD3 Distributor, sector 3
=
SIEMENS AG
+
3
5
2
4
6
1
4
that the numerical sequence of a locking clip plug
Please note that ...
must be as viewed from the rear side of the casing.
7b
7c
3c
PE
PE
PE
PE
7
8
8
GROUND
PL EA1 E2
7a
4
5
6
6
7
1
5
14
31
2
2
3
3
1
5
4
2
8 / 9
3
5
4
6
2a
4a
6a
7
1
2
3
1
2
3
6
3
6
4b
1a
2c
4c
6c
4
5
3
4
6
7
5
4
1
2
2
4
1
3
2
8 / 9
2
1
3
1
2
Spare
S_CompFlap
S_StopButton
L_End
S_Emerg.StopButton
S_StartButton
S_hood
S_CompEnd
L_Begin
S_StartButton
S_Emerg.StopButton
S_StopButton
L_End
L_Begin
S_hood
L_End
L_Begin
S_CompFlap
L_End
S_StopButton
S_CompFlap
S_Emerg.StopButton
S_StartButton
S_hood
L_End
S_CompEnd
Spare
PCC31
PCC32
Spare
Address bit 0
GND_Address
Address bit 1
Spare
Spare
Spare
S_Begin
L_Begin
L_End
S_End
Spare
Spare
PCC31
PCC32
ModifiedStatus Stand.Date Name Orig. Creat. byCreat. f.
Author
Check.
Date
Sheet
Sh.
1
X300 terminals overview
CAN bus
X3cg
X2cg
F
B
500kbps
32
1
4
5
6
7
ab c
CAN bus
500kbps
+5V
B10
B11
B12
B2
00332557 (cg)
2
X4cg
Locking clip plug:
key
key
B module
X1cf
B1
B6
B8
CANH
CAN_INT
CANL
C
D
E
10
2
3
A1 CAN-bus coupler
X3cg and X4cg
3
2
8
78
A
X300
To cover
gnye
PE
GND
B7
B9
00336790
X1cg
X3cg
4
3
1
D
C
GND
B5
B4
B3
gnye
To distributor sheet
00336789
Ground connection :
Contact washer
M5 hexagon nut, DIN 439
Annular cable lug
M5 washer, DIN 125
5
B
gnye
To Harting plug housing (from X1)
E
+5V
+24V
Bridge
0.56mm² / bk
0.56mm² / bk
6
5
M5 split washer, DIN 7980
M5x16 fillister head screw, DIN 912
M5 hexagon nut, DIN 439
Distributor sheet
4
SMD Placement System SIPLACE HS60
GND
+5V
A
X4cg
X7cf
X3cf
Hood3
All control lines: 1.00mm² / black
Cable ties are used to form the cable harness !
+24V
X25cf
CompFlap3
CAN_RESET
F
67
PE
PE
8
00336787gnye
To machine frame
00336788
+24V
+24V
1P34V
P8V
N8V/34V
GND
+5V
+24V
GND
+5V
+24V
X5cf
X2cf
X8cf
X4cf
X6cf
GND
1P34V
P8V
N8V/34V
A module
X1cf
A7
A10
A11
A12
A5
A3
A8
A4
A6
A9
A1
A2
02.
Function stat.
Product stat.
Document stat.
24.03.99
08.09.99
11.12.1997
Hoffmann
Distributor, sector 3
00336182-030102LD3
1
24.03.99
Voltages ring circuit
Sec2<>Sec3
Voltages ring circuit
Sec3<>Sec4
Infeed
Socket 3, peripheral modules
StartStopOutputRight
Emerg.StopPCBOutput
Safety ring circuit
Sec2<>Sec3
Safety ring circuit
Sec3<>Sec4
Cable
1
Tek
Tek
Tek
03.
01.
9
910
1
2
3
4
1

3 - 20
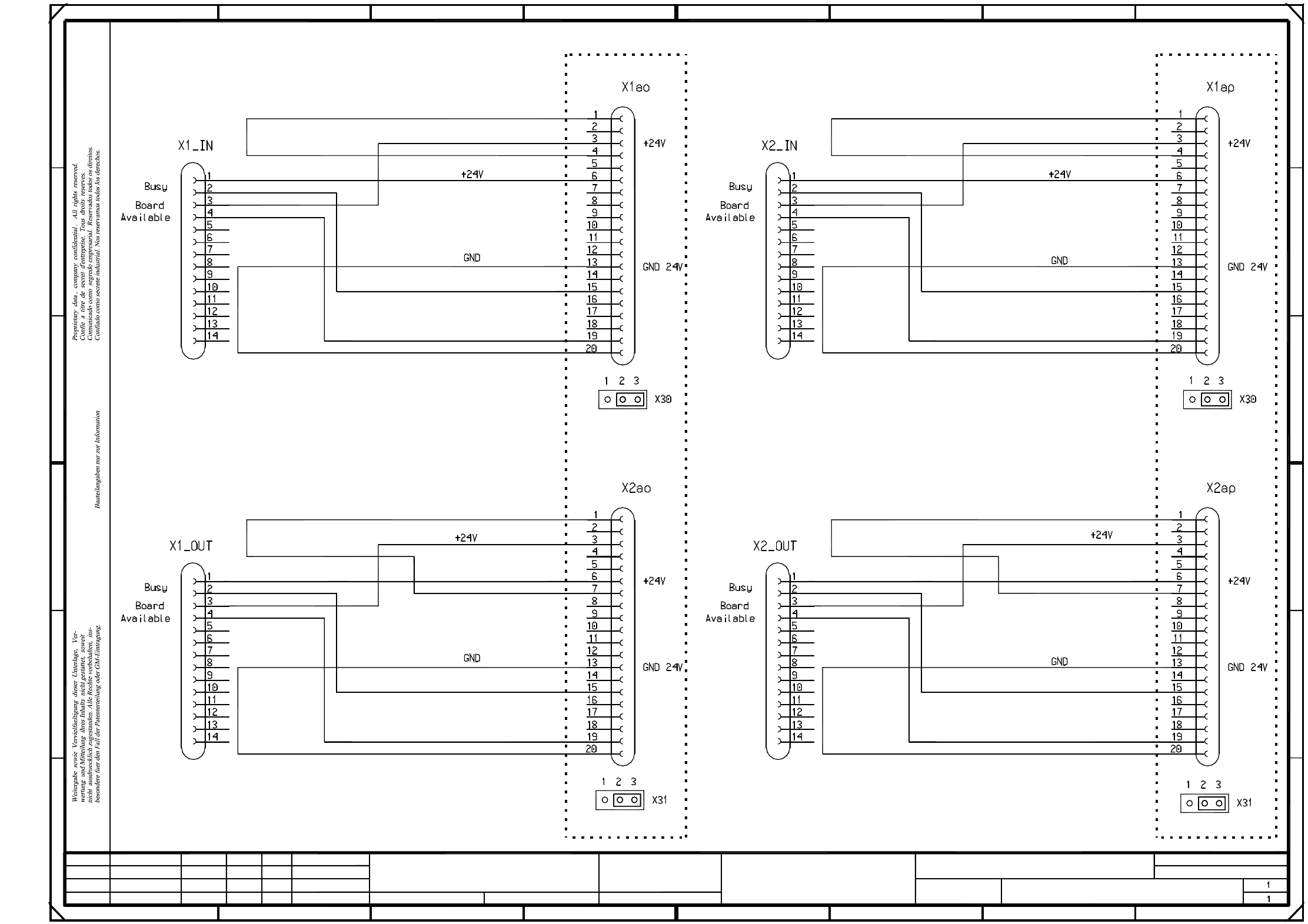
00119092-010101LD3 Adapterbox SMEMA - Siemens for HS-60
5
D
1.
#
00119092-010101LD3
A
E
SIPLACE HS60
3
F
Ha20.01.99
Ha20.01.99
Ha20.01.99 20.01.99
Haas
Conveyor control 1
Conveyor control 2
SMEMA interface coding, input
Permission
Request
SMEMA interface <--> Siemens input conveyor 1
SMEMA interface coding, input
Permission
Request
SMEMA interface <--> Siemens input conveyor 2
SMEMA interface coding, outputSMEMA interface coding, output
Permission
Request
Permission
Request
SMEMA interface <--> Siemens output conveyor 2SMEMA interface <--> Siemens output conveyor 1
In addition, select the interface via the operator menu (see operator interface description).
Important: Insert jumper 2 – 3 on X30/X31 for SMEMA operation!!
Adapter box SMEMA <--> SIEMENS
for HS60
Sheet
Sh.
Status DateModified Stand.Name Orig. Repl. f. Replaced by
Function stat.
Product stat.
Document stat.
Check.
Date
Author
00345973
00345972
00345974
31 6
E
C
8
F
4
C
B
7
6
2
SIEMENS AG
+
=
00345971
2
5
A
1 8
4
7
D
B
PLEA1 E
SIPLACE HS-60 Detailed Circuit Diagrams Folder
03/2003 US Edition
4 - i
4 Assemblies - Overview Diagrams
00334808-020301TD3 HS-60 control unit, viewed from the front 4 - 1
00334809-010401TD3 HS-60 control unit without boards, viewed from the front (Sh. 1 of 2) 4 - 2
00334809-010401TD3 HS-60 control unit without boards, viewed from the back (Sh. 2 of 2) 4 - 3
00334810-020103TD3 HS-60 servo unit, viewed from the front (Sh. 1 of 2) 4 - 4
00334810-020103TD3 HS-60 servo unit, viewed from the front (Sh. 2 of 2) 4 - 5
00335891-010202TD3 HS60 servo unit without boards, viewed fron the front (Sh. 1 of 2) 4 - 6
00335891-010202TD3 HS60 servo unit without boards, viewed fron the back (Sh. 2 of 2) 4 - 7
00335897-010102TD3 HS60 potential distributor 4 - 8
00336152-030103TD3 Distributor, sector 1 4 - 9
00336153-030301TD3 Distributor, sector 4 4 - 10
00336154-020201TD3 HS60 main distributor 4 - 11
00336181-030103TD3 Distributor, sector 2 4 - 12
00336182-030103TD3 Distributor, sector 3 4 - 13