TR5SNK-Rev00 - 第32页
- 29 - 15. SYSTEM DIAGRAM (4) SYSTEM DIAGRA M(4) 㹋㹗㸰ࠉ㹂㹁 㸰㸲㹔 㹁㹌㸯㸮㸵㸫 㸿 㹁㹌㸮㸵㸰㸫㸿 㸲㹝㸳㹀 㸦㹁㹃㸧 㸲㹝㸳㹀 㸦㹁㹃㸧 㹁㹌㸯㸰㸲 㹁㹌㸯㸰㸰 㹁㹌㸯㸰㸯 㹁㹌㸯㸯㸷 㸯㹝㸯㹀 㸦㹁㹃㸧 㹁㹌㸮㸴㸵㸫㹀 㸯㸲 㸯㸱 㸶 㹐㹊㹗㸯㸴 㸯㸰 㸯㸲 㸯㸱 㸶 㹐㹊㹗㸯㸲 㸯㹝㸳㹀 㸦㹁㹃㸧 㹁㹌㸮㸴㸵㸫㸿 㹒㹀㸰 㸫 㸫 㸯㸰 㹒㹀㸰 㸩 㸩 㹁㹌㸯㸮㸵㸫 㹀 㸲㹝㸲㹀…

- 28 -
REF.NO NOTE PART NO D E S C R I P T I O N
品 名
Qty
1 400-49722 Y LIMIT+ SENSOR CABLE ASM
Y LIMIT+センサケーブル組
1
2 400-49723 Y ORG/LIMIT- SENSOR CABLE ASM
Y ORG/LIMIT−センサケーブル組
1
3 400-49724 TRAY HLD/RLS M SENSOR CABLE ASM
トレイHLD/RLS Mセンサケーブル組
1
4 400-49725 TRAY HLD/RLS S SENSOR CABLE ASM
トレイHLD/RLS Sセンサケーブル組
1
5 400-49726 TRAY SENSOR+ CABLE ASM
トレイセンサ+ケーブル組M
1
6 400-49727 TRAY SENSOR- CABLE ASM
トレイセンサ−ケーブル組
1
7 400-45143 TRAY HOLD S.V. CABLE 1 ASM
トレイホルダS.V.ケーブル1組
1
8 400-49729 FAN MOTOR(Y MOTOR) CABLE ASM
ファンモータ(Yモータ)ケーブル組
1
9 400-49728 TRAY HLD S.V. ASM
トレイHLD S.V.組
1
10 400-49579 FAN MOTOR(Y MOTOR) ASM
ファンモータ(Yモータ)組
1
11 400-49730 CMPNT SENSOR R CABLE ASM
CMPNTセンサRケーブル組
1
12 401-52797 CMPNT SENSOR R ASM(SNI)
CMPNTセンサR組(SNI)
1
13 400-49598 CMPNT SENSOR L CABLE ASM
CMPNTセンサLケーブル組
1
14 401-52798 CMPNT SENSOR L ASM(SNI)
CMPNTセンサL組(SNI)
1
15 400-63677 CMPNT 35.0 EMITTER RELAY CABLE ASM
CMPNT35.0投光中継束線組
1
16 401-52802 CMPNT 35.0 SENSOR CABLE ASM
CMPNT35.0センサケーブル組
1
17 400-63678 CMPNT 35.0 RECEIVER RELAY CABLE ASM
CMPNT35.0受光中継束線組
1
18 401-52802 CMPNT 35.0 SENSOR CABLE ASM
CMPNT35.0センサケーブル組
1
19 400-49700 SLOW MODE CABLE ASM
スローモードケーブル組
1
20 400-49701 SLOW MODE POWER CABLE ASM
スローモードパワーケーブル組
1
21 400-49702 SLOW MODE(TRAY HLD 1) CABLE ASM
スローモード(トレイ HLD 1)ケーブル組
1
22 400-49586 SLOW MODE(TRAY HLD 1) ASM
スローモード(トレイ HLD 1)組
1
23 400-49703 SLOW MODE(TRAY HLD 2) CABLE ASM
スローモード(トレイ HLD 2)ケーブル組
1
24 400-49588 SLOW MODE(TRAY HLD 2) ASM
スローモード(トレイ HLD 2)組
1
25 400-49704 SLOW MODE(SHT) CABLE 1 ASM
スローモード(SHT)ケーブル1組
1
26 400-49705 SLOW MODE(SHT) CABLE 2 ASM
スローモード(SHT)ケーブル2組
1
27 400-49706 SLOW MODE(SHT) ASM
スローモード(SHT)組
1

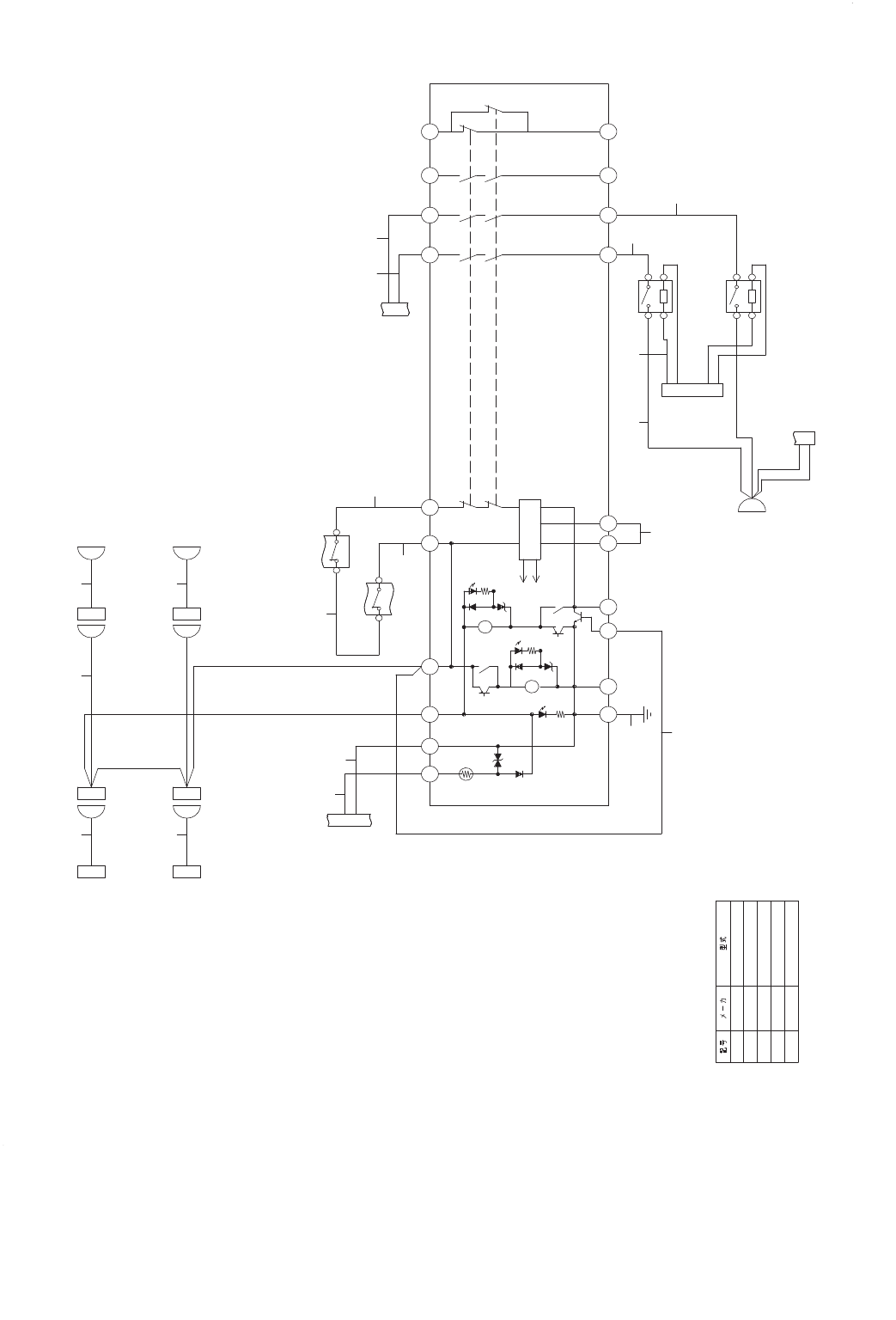
- 29 -
15.SYSTEM DIAGRAM (4)
SYSTEM DIAGRAM(4)
㹋㹗㸰ࠉ㹂㹁㸰㸲㹔
㹁㹌㸯㸮㸵㸫㸿
㹁㹌㸮㸵㸰㸫㸿
㸲㹝㸳㹀
㸦㹁㹃㸧
㸲㹝㸳㹀
㸦㹁㹃㸧
㹁㹌㸯㸰㸲
㹁㹌㸯㸰㸰
㹁㹌㸯㸰㸯
㹁㹌㸯㸯㸷
㸯㹝㸯㹀
㸦㹁㹃㸧
㹁㹌㸮㸴㸵㸫㹀
㸯㸲㸯㸱
㸶
㹐㹊㹗㸯㸴
㸯㸰
㸯㸲㸯㸱
㸶
㹐㹊㹗㸯㸲
㸯㹝㸳㹀
㸦㹁㹃㸧
㹁㹌㸮㸴㸵㸫㸿
㹒㹀㸰
㸫
㸫
㸯㸰
㹒㹀㸰
㸩
㸩
㹁㹌㸯㸮㸵㸫㹀
㸲㹝㸲㹀
㸦㹁㹃㸧
㹅㸷㹑㸿㸫㸱㸮㸯
㹍㹋㹐㹍㹌
㹑㹐㹊㹗㸯
㹁㹌㸮㸵㸰㸫㹀
㸲㹝㸲㹀
㸦㹁㹃㸧
㹒㹀㸰
㸫
㸩
㸰㸰
㸰㸯
㹋㹁㸰
㸰㸰
㸰㸯
㹋㹁㸯
㹑㹐㹊㹗㸯
㹑㹁㸫㸮㸱㸭㹅ࠉ㹂㹁㸰㸲㹔
㹑㹁㸫㸮㸱㸭㹅ࠉ㹂㹁㸰㸲㹔
㹋㹗㸰ࠉ㹂㹁㸰㸲㹔
㹄㹓㹈㹇
㹄㹓㹈㹇
㹍㹋㹐㹍㹌
㹍㹋㹐㹍㹌
㹋㹁㸰
㹋㹁㸯
㹐㹊㹗㸯㸴
㹐㹊㹗㸯㸲
㹉㸰
㹉㸯
㹠㹉㸰
㹉㸰
㹉㸯
㹟
㹉㸯
㹒㹆
㹑㸿
㹠
㹟
㹁㹭㹬㹲㹰㹭㹪
㹁㹧㹰㹡㹳㹧㹲
㸲㸰㸱㸲㸰㸲
㸯㸲
㹀㸿
㹒㸰㸱 㹒㸰㸰㹒㸰㸯
㹎㹃
㸿㸰
㸲㸯
㸱㸱㸰㸱
㸯㸱
㹒㸱㸰㹒㸱㸯㹒㸯㸰㹒㸯㸯
㸿㸯
㸯㸰
㸱
㸲
㸳
㸴
㸵
㸶
㸯㸮
㸷
㸯㸲
㸯㸳
㸯㸯
㸯㸰
㸯㸱
㸯㸴
㸯㸵
㸯㸶
㸯㸷

- 30 -
REF.NO NOTE PART NO D E S C R I P T I O N
品 名
Qty
1 400-49741 DOOR M OPEN SW CABLE ASM
ドア M オープンスイッチケーブル組
1
2 400-49743 EMERGENCY SW CABLE(REAR_CE) ASM
エマージェンシースイッチケーブル(リア_CE)組
1
3 401-37846 SAFETY RELAY UNIT CABLE ASM
セーフティリレーユニットケーブル組
1
4 400-49749 RELAY12 I/O CABLE 1 ASM
リレー12 I/Oケーブル1組
1
5 400-49750 RELAY10 I/O CABLE 1 ASM
リレー10 I/Oケーブル1組
1
6 401-17274 SRLY POWER CABLE(+) ASM
SRLYパワーケーブル(+)組
1
7 401-17275 SRLY POWER CABLE(-) ASM
SRLYパワーケーブル(−)組
1
8 401-37843 MC1-22 CABLE ASM
MC1−22ケーブル組
1
9 401-37842 MC2-21 CABLE ASM
MC2−21ケーブル組
1
10 401-37844 SRLY1-T32 CABLE ASM
SRLY1−T32ケーブル組
1
11 400-45220 SRLY-FG CABLE ASM
SRLY−FGケーブル組
1
12 401-13776 SRLY1-T23 CABLE ASM
SRLY1−T23ケーブル組
1
13 401-17282 SRLY-AB CABLE ASM
SRLY−ABケーブル組
1
14 400-49642 SRLY-23 CABLE ASM
SRLY−23ケーブル組
1
15 400-49643 SRLY-13 CABLE ASM
SRLY−13ケーブル組
1
16 400-49747 RELAY14_16 OUTPUT CABLE ASM
リレー14,16出力ケーブル組
1
17 400-49748 RELAY14_16 DRIVE CABLE ASM
リレー14,16ドライブケーブル組
1
18 400-49745 SRLY-14 CABLE ASM
SRLY−14ケーブル組
1
19 400-49746 SRLY-24 CABLE ASM
SRLY−24ケーブル組
1