00193897-0302_AI_MTC2 BE_DE EN - 第143页
X113 12 11 10 9 8 7 2 4 6 5 3 1 X3ra 9 8 7 2 4 6 5 3 1 12 11 10 X143 7 9 8 6 5 4 3 1 2 X54 6 5 4 3 1 2 n.b. X14ra 3 5 6 4 2 1 n.b. 9 X18ra 4 8 7 6 5 2 3 1 9 4 8 7 6 5 2 3 X23ra 1 rt bl gr&rs gn&ge ws br gr&rs…

Assembly instructions MTC2 and Component docking unit on SIPLACE HF and X-series
Edition 07/2009
140
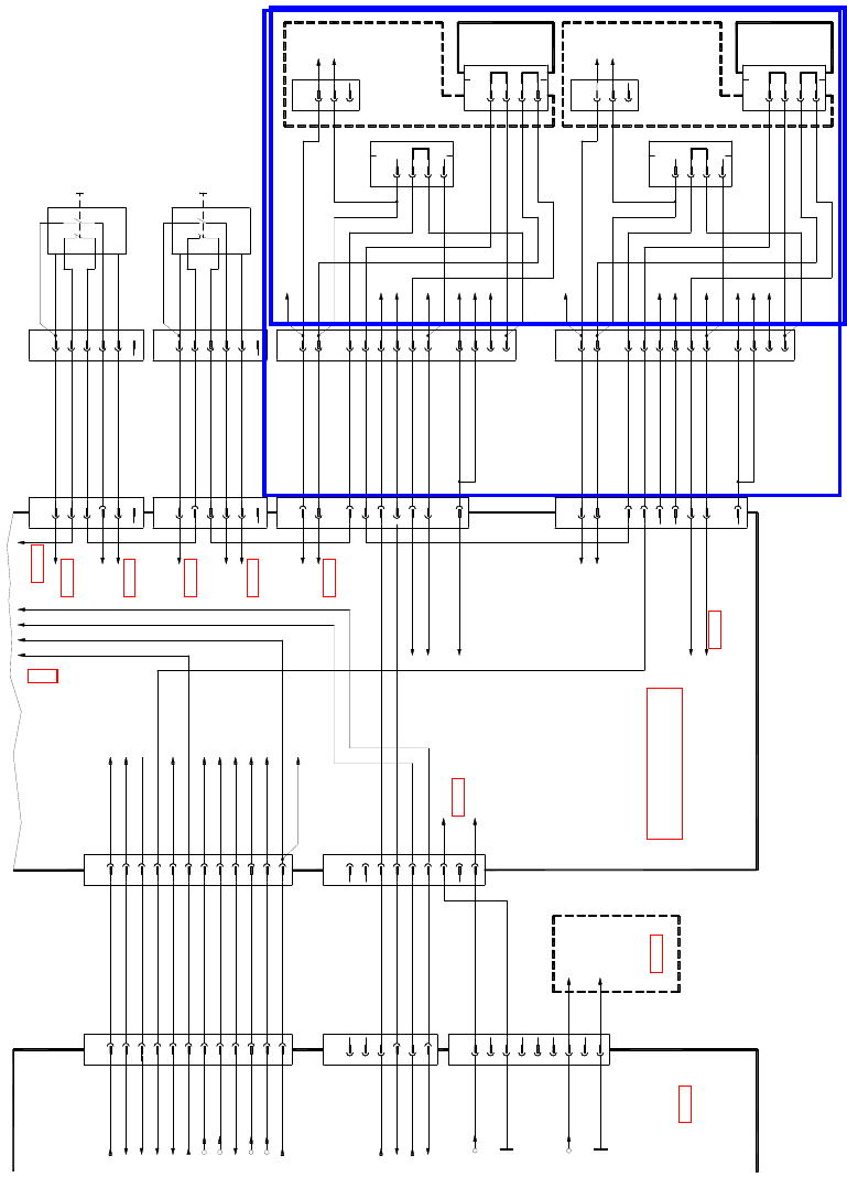
2.14 Circuit diagrams
X123
12
11
10
9
8
7
2
4
6
5
3
1
X3qa
12
9
8
7
2
4
6
5
3
1
X2qa
10
11
2
7
9
8
6
5
4
3
1
12
11
10
X133
7
9
8
6
5
4
3
1
2
X53
6
5
4
3
1
2
6
5
4
3
2
X52
1
n.b.
n.b.
n.b.
6
X14qa
3
5
6
4
2
1
n.b.
X13qa
4
5
3
2
1
9
X18qa
4
8
7
6
5
2
3
1
9
4
8
7
6
5
2
3
X23qa
1
(Kabel)
03002527-xx
ws&br
gn&ge
gr&rs
bl
rt
NOTHALT-Schleife2
NOTHALT-Schleife1
GND
M_Haube
+24V
gr&rs
gn&ge
rt
bl
br
ws
rt
bl
gr&rs
gn&ge
ws
br
gr&rs
gn&ge
rt
bl
ws&br
NOTHALT-Schleife1
NOTHALT-Schleife2
M_Haube
GND
(Kabel)
+24V
03002528-xx
(Kabel)
GND
03002531-xx
03002535-xx
GND
(Kabel)
+24V
+24V
NOTHALT-Schleife2
NOTHALT-Schleife1
NOTHALT-Schleife1
NOTHALT-Schleife2
gnge&1
gnge&1
2&3
4
5
6
7
8
9
10
11
n.b.
n.b.
2&3
4
5
6
7
8
9
10
11
n.b.
n.b.
M_Klappe
M_Klappe
M_NOTHALT-TasteMTC
M_BE-Tisch2
NOTHALT-SchleifeMTC2in
NOTHALT-SchleifeMTC2out
M_BE-Tisch3
X1qa_24V
X12qa_3
+24V
or
sw
Zum Stecker
X1qa_0V
GND
ws
X1qa_Haube
sw
sw
or
X1qa_24V
+24V
sw
X1qa_Haube
X1qa_0V
GND
sw
sw
ws
sw
ws
or
X1qa_0V
GND
X1qa_24V
+24V
sw
sw
X1qa_24V
X1qa_0V
+24V
GND
or
ws
sw
n.b.
n.b.
sw
sw
sw
sw
sw
NOTHALT-SchleifeMTC2in
NOTHALT-SchleifeMTC2out
X1qa_M_Klappe
X1qa_M_NOTHALT-TasteMTC
X3qb_6 (DI5)
NOTHALT-Schleife
CAN-E/A-Modul
X1qa_38
X1qa_35
n.b.
X3qb_7 (DI6)
X1qa_M_Klappe sw
swCAN-E/A-Modul
X1qa_38
n.b.
n.b.
n.b.
X1qa_Vin(+)Beleuchtung
X1qa_0V
sw
sw
sw
sw
SSK54
SSK53
SSK44
SSK43
X4qb_2 (DI9)
sw
sw
sw
sw
rs
ws
sw
sw
ws
sw
sw
or
M_Bereit
StartTaste_ON
X1qa_StartTaste
CAN-E/A-Modul
M_PortalCrash
n.b.
NOTHALT-Schleife
C_SoftwareEIN
X1qa_SoftwareFreigabe
SpannungGurtschneider
SchutzMeldungenOK
X7qb_1 (DO0)
CAN-E/A-Modul
+5V
GND (5V)
X1qa_0V
X1qa_5V
GND (24V)
+24V
X1qa_24V
X1qa_0V
M_NOTHALT-SchleifeOK
X3qb_1 (DI0)
CAN-E/A-Modul
Zum Stecker X73qa_9
Zum Stecker X72qa_3
Zum Stecker X72qa_4
Zum Stecker X71qa_6
Hauptverteiler
03001531 (qa)
+
-
21
22 14
13
03006476-xx
(Kabel)
Haubenschalter
Haube 2
Haube 3
Haubenschalter
1321
-
1422
03006476-xx
(Kabel)
+
gr
(W2)
(W2)ws
(W1)
(W1)1
2
(W1)
(W2)br
4
5(W1)
(W1)6
(W1)
(W1)7
8
(W2)ge
(W1)
(W1)9
10
(W1)11
(W1)
(W2)gn
3
X22h
1
2
X12f
1
2
3
4
sw
BE-Wagen Einzug
Stellplatz 2
Adapterstecker
BE-Klappe
03006496
X120
E29/30
B29/30
C29/30
D29/30
sw
rt
Stellplatz 2
BE-Wagen
(Kabel)
03006858-W1/W2
+24V
GND
11 (W1)
gn
3(W1)
(W2)
10
9
(W1)
(W1)
Stellplatz 3
BE-Wagen
E29/30
D29/30 rt
swB28/30
C29/30
X130
5(W1)
ge
8
(W2)
(W1)
6
7
(W1)
(W1)
br
4(W1)
(W2)
ws
2
(W2)
(W1)
X13f
4
3
2
1
sw
03006496
Adapterstecker
BE-Klappe
gr
1(W1)
(W2)
03006858-W1/W2
(Kabel)
BE-Wagen Einzug
Stellplatz 3
GND
+24V
2
1
X23h
ws
gr
9
12
10
11
8
7
6
5
ge
gr
gn
br
X16
2
3
4
1
br
gn
ws
ws
(W4)
(W2)
(W2)
(W4)
(W1)
(W1)
(W3)
(W3)
(W3)
(W4)
(W4)
(W4)
1
2
1
2
(Kabel)
03002505-W1/W2/W3/W4
X17
3
6
4
5
2
1
9
8
3
7
6
4
5
2
1
X18
2
1
(W2)
(W2)
(W3)1
2(W3)
(Kabel)
03002506-W2/W3
n.b.
n.b.
(W4)1
n.b.
(W4)2
n.b.
n.b.
n.b.
(W5)
n.b.
2
(W5)1
X3ra_9
X3ra_7
03001532 (ra)
Unterverteiler
(Blatt 4)
Vin(+)Beleuchtung
F12
Vin(+)Beleuchtung
F12
Vin(-)
Vin(-)
GND (24V)
X20_6
X20_3
+24V
X20_5
X20_6
GND (5V)
(Kabel)
03002506-W4/W5
SpannungGurtschneider
M_NOTHALT-SchleifeOK
C_SoftwareEIN
NOTHALT-Schleife
M_PortalCrash
StartTaste_ON
M_Bereit
SSK53
SSK44
SSK54
SSK43
(Blatt 3)
Stromversorgung
00354626-xx
(Blatt 1)
(Blatt 3)
(Blatt 3)
(Blatt 3)
(Blatt 3)
(Blatt 3)
(Blatt 3)
(Blatt 3)
(Blatt 3)
(Blatt 3)
(Blatt 3)
(Blatt 3)
sw
sw
3
3
NOTHALT-Schleife 2
Siehe Seite 4-6
2
Fig. 2.14.1 Circuit diagram

X113
12
11
10
9
8
7
2
4
6
5
3
1
X3ra
9
8
7
2
4
6
5
3
1
12
11
10
X143
7
9
8
6
5
4
3
1
2
X54
6
5
4
3
1
2
n.b.
X14ra
3
5
6
4
2
1
n.b.
9
X18ra
4
8
7
6
5
2
3
1
9
4
8
7
6
5
2
3
X23ra
1
rt
bl
gr&rs
gn&ge
ws
br
gr&rs
gn&ge
rt
bl
ws&br
NOTHALT-Schleife1
NOTHALT-Schleife2
M_Haube
GND
(Kabel)
+24V
03002540-xx
(Kabel)
GND
03002542-xx
03002547-xx
GND
(Kabel)
+24V
+24V
NOTHALT-Schleife2
NOTHALT-Schleife1
NOTHALT-Schleife1
NOTHALT-Schleife2
gnge&1
gnge&1
2&3
4
5
6
7
8
9
10
11
n.b.
n.b.
2&3
4
5
6
7
8
9
10
11
n.b.
n.b.
M_Klappe
M_Klappe
M_BE-Tisch1
M_BE-Tisch4
X13ra_3
Zum Stecker
or
X1ra_24V
+24V
sw
X1ra_Haube
X1ra_0V
GND
sw
sw
ws
sw
ws
or
X1ra_0V
GND
X1ra_24V
+24V
sw
sw
X1ra_24V
X1ra_0V
+24V
GND
or
ws
sw
n.b.
sw
n.b.
n.b.
sw
M_Klappe sw
sw
n.b.
n.b.
n.b.
X1ra_Vin(+)Beleuchtung
X1ra_0V
Haube 4
Haubenschalter
1321
-
1422
03006476-xx
(Kabel)
+
gr
(W2)
(W2)ws
(W1)
(W1)1
2
(W1)
(W2)br
4
5(W1)
(W1)6
(W1)
(W1)7
8
(W2)ge
(W1)
(W1)9
10
(W1)11
(W1)
(W2)gn
3
X21h
1
2
X11f
1
2
3
4
sw
BE-Wagen Einzug
Stellplatz 1
Adapterstecker
BE-Klappe
03006496
X110
E29/30
B29/30
C29/30
D29/30
sw
rt
Stellplatz 1
BE-Wagen
(Kabel)
03006858-W1/W2
+24V
GND
11 (W1)
gn
3(W1)
(W2)
10
9
(W1)
(W1)
Stellplatz 4
BE-Wagen
E29/30
D29/30 rt
swB29/30
C29/30
X140
5(W1)
ge
8
(W2)
(W1)
6
7
(W1)
(W1)
br
4(W1)
(W2)
ws
2
(W2)
(W1)
X14f
4
3
2
1
sw
03006496
Adapterstecker
BE-Klappe
gr
1(W1)
(W2)
03006858-W1/W2
(Kabel)
BE-Wagen Einzug
Stellplatz 4
GND
+24V
2
1
X24h
ws
gr
Unterverteiler
03001532 (ra)
NOTHALT-SchleifeMTC4out
NOTHALT-SchleifeMTC4in
M_NOTHALT-TasteMTC
ws
sw
sw
X1ra_Klappe
M_NOTHALT-TasteMTC
X4rb_8(DI15)
CAN-E/A-Modul
M_Klappe
X1ra_Klappe
M_Haube
n.b.
n.b.
n.b.
n.b.
2
1
1
2
X18_7
X18_9
Stromversorgung
00354626-xx
03002506-W5
(Kabel)
GND
X1ra_0V
ws
9
9
8
sw
n.b.
M_NOTHALT-Taste
M_StartTaste
M_StoppTaste
M_Klappe
M_Haube
3
sw
5
7
6
4
sw
sw
sw
sw
2
1
X73ra
sw
sw
NOTHALT-SchleifeMTC4in
NOTHALT-SchleifeMTC4out
NOTHALT-SchleifeAusgang
X15ra_1
NOTHALT-TasteMTCsw
2
6
5
3
4
n.b.
sw
sw
sw
1
X72ra
sw
+5V
rs
1
SpannungBeleuchtungA
SpannungBeleuchtungB
SpannungGurtschneider
X1ra_5V
X1ra_0V
X1ra_24V
X1ra_0V
n.b.
7
8
6
gr
gr
sw
3
5
4
2
+24V
or
GND
ws
GND
ws
X71ra
gn&ge (W3)
1(W1)
2(W3)
3(W3)
1(W3)
1(W2)
2(W2)
2(W1)
(W2)
(W2)
(W2)
(W1)
(W1)
(W1)
br
gn
br
ws
gn
ws
rt
gn
ge
gr
rs
gn
br
ws
Main Distributor
Zum Stecker X73qa
03003221-xx
(Blatt 3)
(Kabel)
NOTHALT-SchleifeOK
X1ra_StartTaste
X1ra_NOTHALT-Taste
X1ra_StoppTaste
X1ra_Klappe
X1ra_Haube
M_BE-Tisch1
M_BE-Tisch4
X3rb_1(DI0)
CAN-E/A-Modul
(Kabel)
(Blatt 3)
03002520-W1/W2
Zum Stecker X72qa
Main Distributor
SchleifeAbwurfBehälter
X2rc_7
X2rc_9
X17ra_4
(VbelB)
(VbelA)
03002519-W1/W2/W3
(Kabel)
Main Distributor
(Blatt 3)
Zum Stecker X71qa
(Blatt 5)
(Blatt 5)
(Blatt 5)
(Blatt 5)
(Blatt 5)
(Blatt 5)
(Blatt 5)
(Blatt 5)
(Blatt 5)
sw
sw
3
3
Siehe Seite 4-7
Siehe Seite 3-7
Assembly instructions MTC2 and Component docking unit on SIPLACE HF and X-series
Edition 07/2009
141
2
Fig. 2.14.2 Circuit diagram

Assembly instructions MTC2 and Component docking unit on SIPLACE HF and X-series
Edition 07/2009
142
2
Fig. 2.14.3 Diagram of cable harnesses