00193897-0302_AI_MTC2 BE_DE EN - 第54页
Montageanleitung MTC2 und BE-Wageneinzug an SIPLACE HF und X-Serie Ausgabe 07/2009 52 1 Abb. 1.10.4 MTC-Kabel 1 1 1 1 1 1 1 1 1 1 1 1 1 1 1

3
B
A
4
5
BB
AA
B
A
B
A
B
A
B
A
Brücke
zu SIPLACE
B
A
XS_Sicherheitsschleife_Siplace2
XS_Sicherheitsschleife_Meldung_Ausgang
XS_Sicherheitsschleife_Meldung_Eingang
XS_Sicherheitsschleife_MTC2
XS_Sicherheitsschleife_MTC1
ws
/4.7
/4.7
/4.7
/4.7
/4.7
ws
sw
br
gr
rt
bl
XS_Sicherheitsschleife_Siplace1
/4.7
NYSYÖ-J 7x1.0mm²
-W035
Wago 12-polig, Stift
zu SIPLACE
3
4
5
6
7
8
9
A
B
6
4
3
B
A
B
A
5
B
A
B
A
8
7
B
A
B
A
B
A
9
B
A
10
A
B
2
A
B
A
B
6
-XS_ODU.3
B
Feld 3
1
8
BB
7
AA
BB
9
AA
B
A
B
A
B
2
A
B
Wago 12-polig, Stift
-X1*2
A
B
AA
BB
A
BBB
AA
A
B
A
B
2
br
Feld 1
-XS_ODU_1
CAN-Bus
-X1*6
B BA BA AA B B
D_SUB 9-polig, Buchse
CANH
=SIPLACE
-X1*6
GND CANL GND
=SIPLACE
-X1*5
D_SUB 9-polig, Stift
A
Stellplatzkodierung
Schirm
A
B
A
-XS_ODU_2
1
Feld 2
B
A
CAN_GND1_SIPLACE
CAN_H_SIPLACE
CAN_GND2_SIPLACE
CAN_L_SIPLACE
CAN_SHLD1_SIPLACE
-XS_ODU
/18.8
/18.8
/18.8
/18.8
/18.8
0,25 mm²
0,25 mm²
0,25 mm²
br
-W025
ge
ws
0,25 mm²
0,00 mm²
gn
Schirm
LiYY 4x0,34mm²
-W030
gn
ADR0_1
/18.8
ADR1_1
ADR_GND
/18.8
/18.8
Sicherheitsschleife
A
B
10
12
-X112
=SIPLACE
BBB
AAA
11
AA
BB
10
A
-X1*5
A
B
A
B
B
A
B
A
A
B
A
B
A
B
A
B
B
A
B
A
B
A
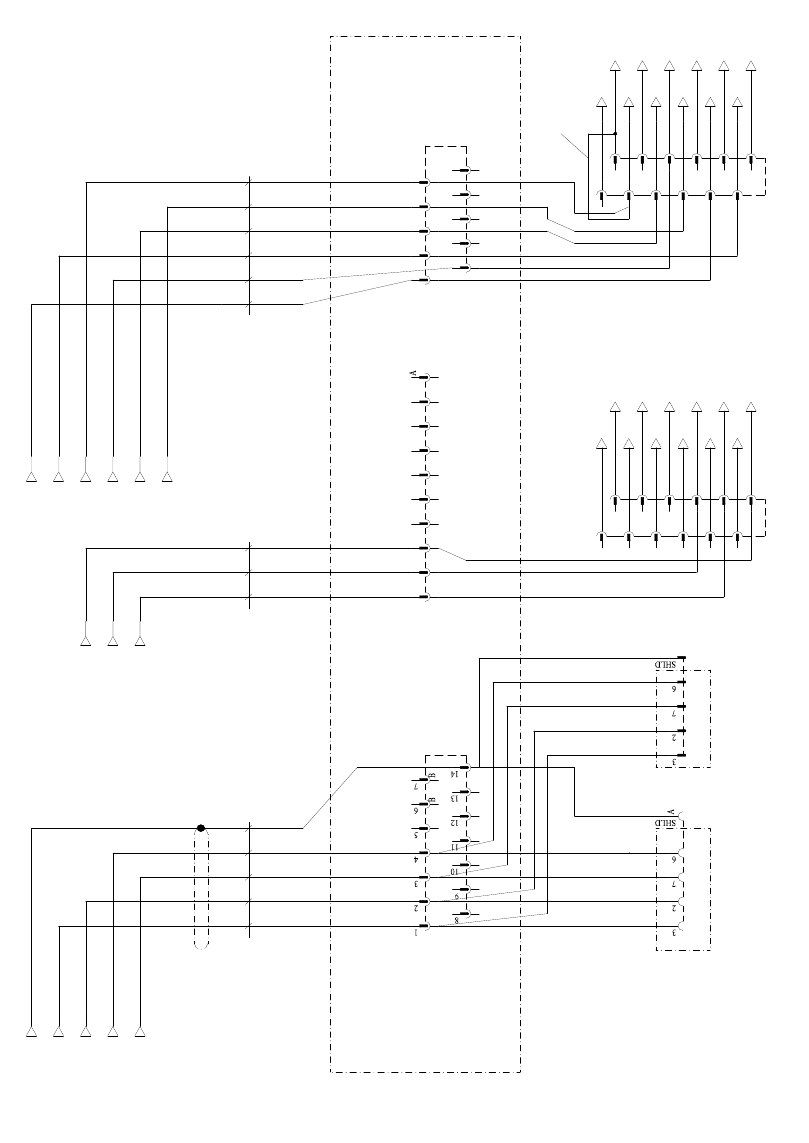
Montageanleitung MTC2 und BE-Wageneinzug an SIPLACE HF und X-Serie
Ausgabe 07/2009
51
1
Abb. 1.10.3 Stromlaufplan Einschubrahmen MTC2

Montageanleitung MTC2 und BE-Wageneinzug an SIPLACE HF und X-Serie
Ausgabe 07/2009
52
1
Abb. 1.10.4 MTC-Kabel
1
1
1
1
1
1
1
1
1
1
1
1
1
1
1

Montageanleitung MTC2 und BE-Wageneinzug an SIPLACE HF und X-Serie
Ausgabe 07/2009
53
1
Abb. 1.10.5 BE-Wagen Einzug: Steckerverbindungen SIPLACE X-Serie
: Kürzen Sie die Abdeckleiste des Kabelkanals um 3 Abschnitte bzw. Zähne (siehe Bild unten).
: Verlegen Sie die Kabel im Kabelkanal und schieben Sie die langen Kabel in den Maschinen-
ständer zurück.
hier kürzen
Kabelkanal
zurückgeschobene
Kabel
1
SIPLACE X-Serie
Kabelbaum BE-Wagen Einzug
X-Zuführmodule (03021067-)
Stellplatz 1 Stellplatz 2 Stellplatz 3 Stellplatz 4
FCU / Entriegelungsleiste /
Schneidgerät / Option (Pipettenwechsler /
Sensor BE-Abwurfbehälter)
Leistung
X2*1
03020610-
X111
03002491-
X121
03002492-
X131
03002493-
X141
03002494-
FCU-Einzugssteuerung
X2*5
03021069-
X215
03021071-
X225
03021072-
X235
03021073-
X245
03021074-
BE-Signalisierung
(Stellplatz Adressierung /
Steuereinheit Schneidgerät)
X1*2
03019056-
X112
03002541-
X122
03002530-
X132
03002534-
X142
03002546-
Sicherheit
(Sicherheitsschalter)
X1*3 / X2*3
03019057-
X113
03002542-
X123
03002531-
X133
03002535-
X143
03002547-
CAN-Bus / 1 Wire (in)
X1*5
03019058-
X115
03010051-
X125
03010053-
X135
03010054-
X145
03010052-
CAN-Bus / 1 Wire (out)
X1*6
03019058-
X116
03010050-
X126
03010054-
X136
03010059-
X146
03010051-
Einzug Ventil Ein/Aus
X2*4
03021030-
X2fn
03017446-
X2gn
03017447-
X2hn
03017448-
X2kn
03017449-
Pneumatik Versorgung Bulk 03004200- 03004679- 03004679- 03004679- 03004679-
Option: Patch-Kabel zum
1-wire CAT5 Verteiler
(Pipettenwechsler + Sensor
Abwurfbehälter)
X4*k
X4rk
03041627-
X4qk
03041627-
X2qk
03041628-
X2rk
03041628-