00193897-0302_AI_MTC2 BE_DE EN - 第66页
Montageanleitung MTC2 und BE-Wageneinzug an SIPLACE HF und X-Serie Ausgabe 07/2009 64 1.1 1.2 Andocken des MTC2 : Kontrollieren Sie di e Höhe des MTC2. Er muss die gleiche Hö he wie der Bestückautomat haben. 1 Die Höhe k…

3
B
A
4
5
BB
AA
B
A
B
A
B
A
B
A
Brücke
zu SIPLACE
B
A
XS_Sicherheitsschleife_Siplace2
XS_Sicherheitsschleife_Meldung_Ausgang
XS_Sicherheitsschleife_Meldung_Eingang
XS_Sicherheitsschleife_MTC2
XS_Sicherheitsschleife_MTC1
ws
/4.7
/4.7
/4.7
/4.7
/4.7
ws
sw
br
gr
rt
bl
XS_Sicherheitsschleife_Siplace1
/4.7
NYSYÖ-J 7x1.0mm²
-W035
Wago 12-polig, Stift
zu SIPLACE
3
4
5
6
7
8
9
A
B
6
4
3
B
A
B
A
5
B
A
B
A
8
7
B
A
B
A
B
A
9
B
A
10
A
B
2
A
B
A
B
6
-XS_ODU.3
B
Feld 3
1
8
BB
7
AA
BB
9
AA
B
A
B
A
B
2
A
B
Wago 12-polig, Stift
-X1*2
A
B
AA
BB
A
BBB
AA
A
B
A
B
2
br
Feld 1
-XS_ODU_1
CAN-Bus
-X1*6
B BA BA AA B B
D_SUB 9-polig, Buchse
CANH
=SIPLACE
-X1*6
GND CANL GND
=SIPLACE
-X1*5
D_SUB 9-polig, Stift
A
Stellplatzkodierung
Schirm
A
B
A
-XS_ODU_2
1
Feld 2
B
A
CAN_GND1_SIPLACE
CAN_H_SIPLACE
CAN_GND2_SIPLACE
CAN_L_SIPLACE
CAN_SHLD1_SIPLACE
-XS_ODU
/18.8
/18.8
/18.8
/18.8
/18.8
0,25 mm²
0,25 mm²
0,25 mm²
br
-W025
ge
ws
0,25 mm²
0,00 mm²
gn
Schirm
LiYY 4x0,34mm²
-W030
gn
ADR0_1
/18.8
ADR1_1
ADR_GND
/18.8
/18.8
Sicherheitsschleife
A
B
10
12
-X112
=SIPLACE
BBB
AAA
11
AA
BB
10
A
-X1*5
A
B
A
B
B
A
B
A
A
B
A
B
A
B
A
B
B
A
B
A
B
A
Montageanleitung MTC2 und BE-Wageneinzug an SIPLACE HF und X-Serie
Ausgabe 07/2009
63
1
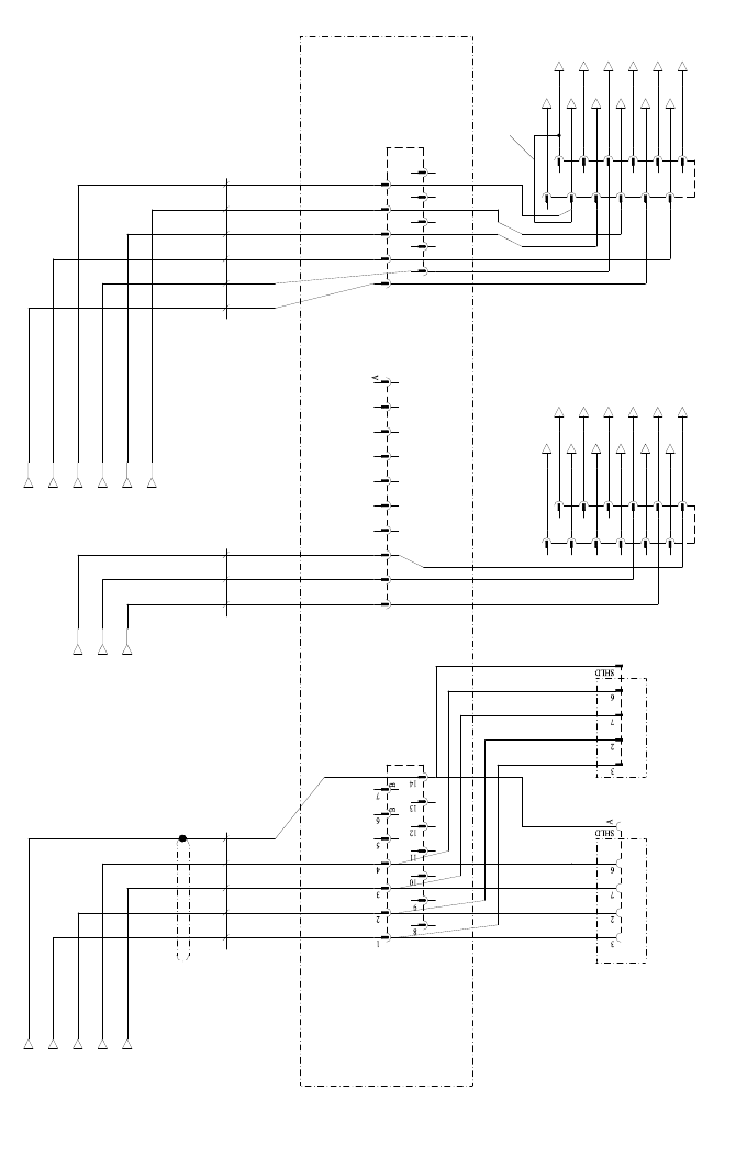
Abb. 1.11.11 Stromlaufplan Einschubrahmen MTC2

Montageanleitung MTC2 und BE-Wageneinzug an SIPLACE HF und X-Serie
Ausgabe 07/2009
64
1.11.2 Andocken des MTC2
: Kontrollieren Sie die Höhe des MTC2.
Er muss die gleiche Höhe wie der Bestückautomat haben.
1
Die Höhe können Sie im kleinen Fenster unter der Abdeckung unter der Tür von Turm 1 ablesen
(830 / 900 / 930 / 950 ± 15 mm).
1
: Sollte er nicht die gleiche Höhe wie der Bestückautomat haben, stellen Sie den MTC auf die
Maschinenhöhe ein und docken Sie ihn dann an die Maschine an.
1
Informationen hierzu finden Sie in der Betriebsanleitung MTC2:
00193634- Betriebsanleitung SIPLACE MTC2
00193635- User Manual SIPLACE MTC2 1
1
Der MTC darf nicht höher als die Klemmkanten des LP-Transports sein. 1
1
1
Abb. 1.11.12 Die Höhe MTC muss an den LP-Transport ausgerichtet werden.
1
1
1
1

Montageanleitung MTC2 und BE-Wageneinzug an SIPLACE HF und X-Serie
Ausgabe 07/2009
65
: Kontrollieren Sie die waagrechte Ausrichtung mittels Libelle am MTC.
1
Abb. 1.11.13 Draufsicht: MTC ausrichten
1
: Sichern Sie den MTC in der Maschine.
1
1
1
1
1
1