P-0200-001.pdf - 第16页

0108-005 1-2 ㇱຠ⇟ภ ㇱ ຠ ฬ ஻ ⠨ PART No. PART NAME REMARKS CT-0853S,L CT-0860S,L CT-0861S,L CT-0862S,L CT-0880S,L,PS,PL CT-0881S,L,PS,PL CT-0882S,L,PS,PL CT-0885S,L,PS,PL CT-0886S,L,PS,PL CT-0887S,L,PS,PL CT-0888S,L,PS,PL 1 …

100%1 / 166
0108-002
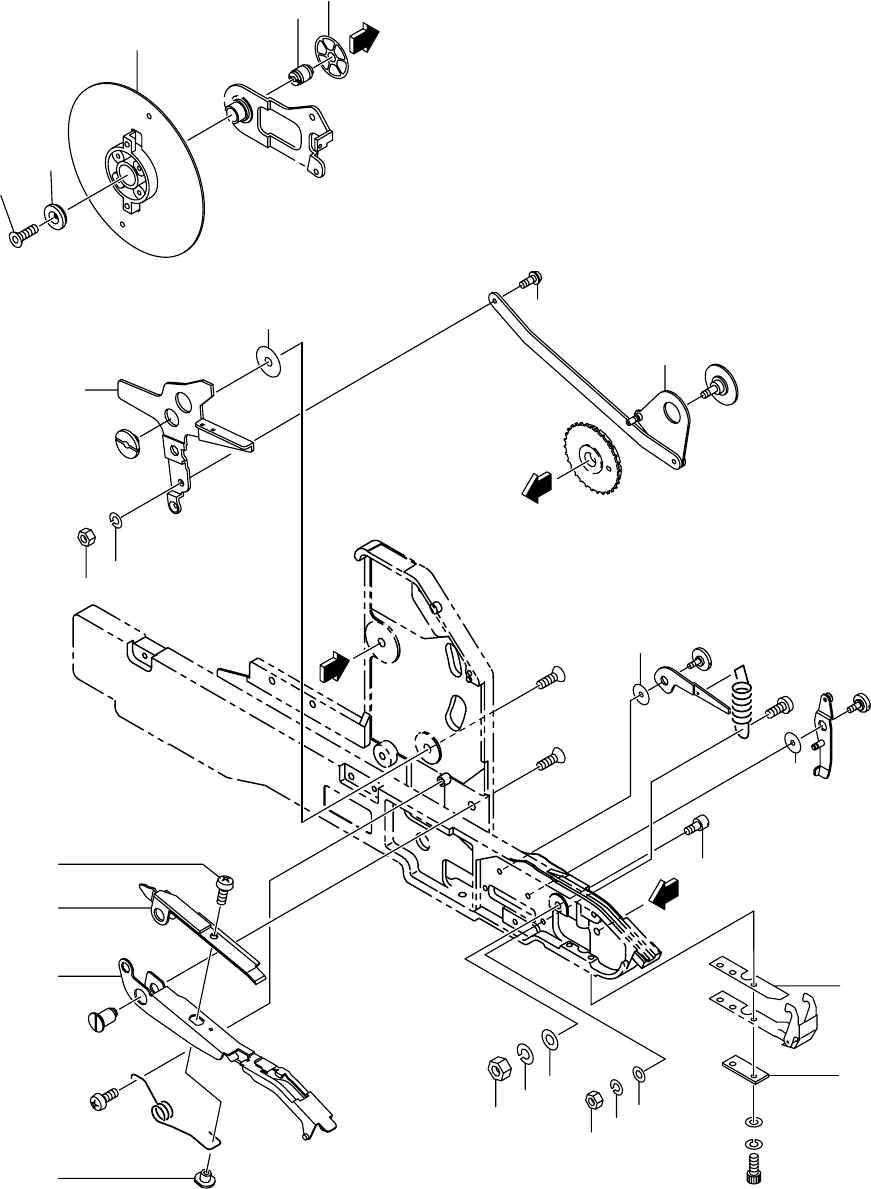
8mm ᏷࠹࡯ࡊࡈࠖ࡯࠳ 8mm TAPE FEEDER
Fig. 1-2 ࠹࡯ࡊ㚟േㇱ Tape Driving Section
Sheet-2
70
79
78
71
1
15
55
57
40
39
38
9-1
9-2
9-3
50
47
46
49
112-2
112-1
111
86
85
A
76
27
37
A
for CT-0853
B
B
0108-005
1-2
ㇱຠ⇟ภ
PART No. PART NAME REMARKS
CT-0853S,L
CT-0860S,L
CT-0861S,L
CT-0862S,L
CT-0880S,L,PS,PL
CT-0881S,L,PS,PL
CT-0882S,L,PS,PL
CT-0885S,L,PS,PL
CT-0886S,L,PS,PL
CT-0887S,L,PS,PL
CT-0888S,L,PS,PL
1 630 039 5129 COLLAR 1 582E--01B-014
2 630 054 2349 LEVER(LOCATE NOTCH) 1111111111 725B--01B-021
2 630 043 5238 LEVER(LOCATE NOTCH) 1 582E--01B-021
3 630 078 6286 PIN,LOCATE 1111111111 725B--01B-024
3 630 037 0218 PIN,LOCATE 1 582E--01B-024
4 411 141 5807 WASHER F 3X6X0.5 11111111111 FWS3
5 411 141 2806 WASHER SPR 3 11111111111 SW3
6 411 140 9905 NUT HEX 3 11111111111 M3
7 411 152 8101 SCR TRS 3X6 1111111111 725B--01H-003
7 411 152 7906 SCR TRS 3X12 1 582E--01H-007
8 630 055 3949 SPRING,TENSION 1111111111 725B--01B-023
8 630 039 5167 SPRING,TENSION 1 582E--01B-023
9 -1 411 141 5807 WASHER F3X6X0.5 1 FWS3
9 -2 411 141 2806 WASHER SPR 3 1 SW3
9 -3 411 140 9905 NUT HEX 3 1 M3
11 630 055 1761 PIN,GUIDE 1 1 1 1 1 11111 725B--01B-027
11 630 037 0256 PIN,GUIDE 1 582E--01B-027
12 411 141 5807 WASHER F 3X6X0.5 11111111111 FWS3
13 411 141 2806 WASHER SPR 3 11111111111 SW3
14 411 140 9905 NUT HEX 3 11111111111 M3
15 630 039 5150 COLLAR 1 582E--01B-022
16 630 059 7806 LEVER(SHUTTER LEVER ASSY) 1 1 1 1 1 11111
16 630 050 6938 LEVER(ASSY SHUTTER LEVER) 1
17 630 054 5111 PIN,LOCATE 1 1 1 1 1 1 1 725B--01B-026
17 630 085 9614 PIN,LOCATE 1 1 1 725D--02B-026
17 630 039 5662 PIN,LOCATE 1 582E--01B-026
18 411 141 5807 WASHER F 3X6X0.5 11111111111 FWS3
19 411 141 2806 WASHER SPR 3 11111111111 SW3
20 411 140 9905 NUT HEX 3 11111111111 M3
21 411 152 8101 SCR TRS 3X6 11111111111 725B--01H-003
22 630 055 3154 SPRING,TENSION 1 1 1 1 1 11111 725B--01B-040
22 630 037 0386 SPRING,TENSION 1 582E--01B-040
26
630 059 7769 SPROCKET(SPROCKET ASSY) 1 1 1 1 1
26
630 050 6143 SPROCKET(ASSY SPROCKET) 1 1 1
26
630 094 7274 SPROCKET(ASSY SPROCKET) 1 1
26
630 050 6846 SPROCKET(ASSY SPROCKET) 1
27
630 050 6945 LEVER(ASSY SWING PLATE) 1
27 -2
630 098 5092 ASSY,LEVER 1 1 1 1 1 1 1 1
ᢙ㊂
Q'ty
ᵈᗧ
NOTE
⷗಴⇟
Key No.
0108-005
1-2
ㇱຠ⇟ภ
PART No. PART NAME REMARKS
CT-0853TS,TL
CT-0860TS,TL
CT-0861TS,TL
CT-0862TS,TL
CT-0880TS,TL,HS,HL
CT-0881TS,TL,HS,HL
CT-0882TS,TL,HS,HL
CT-0885TS,TL,HS,HL
CT-0886TS,TL,HS,HL
CT-0887TS,TL,HS,HL
CT-0888TS,TL,HS,HL
1 630 039 5129 COLLAR 1 582E--01B-014
2 630 054 2349 LEVER(LOCATE NOTCH) 1111111111 725B--01B-021
2 630 043 5238 LEVER(LOCATE NOTCH) 1 582E--01B-021
3 630 078 6286 PIN,LOCATE 1111111111 725B--01B-024
3 630 037 0218 PIN,LOCATE 1 582E--01B-024
4 411 141 5807 WASHER F 3X6X0.5 11111111111 FWS3
5 411 141 2806 WASHER SPR 3 11111111111 SW3
6 411 140 9905 NUT HEX 3 11111111111 M3
7 411 152 8101 SCR TRS 3X6 1111111111 725B--01H-003
7 411 152 7906 SCR TRS 3X12 1 582E--01H-007
8 630 055 3949 SPRING,TENSION 1111111111 725B--01B-023
8 630 039 5167 SPRING,TENSION 1 582E--01B-023
9 -1 411 141 5807 WASHER F3X6X0.5 1 FWS3
9 -2 411 141 2806 WASHER SPR 3 1 SW3
9 -3 411 140 9905 NUT HEX 3 1 M3
11 630 055 1761 PIN,GUIDE 1 1 1 1 1 11111 725B--01B-027
11 630 037 0256 PIN,GUIDE 1 582E--01B-027
12 411 141 5807 WASHER F 3X6X0.5 11111111111 FWS3
13 411 141 2806 WASHER SPR 3 11111111111 SW3
14 411 140 9905 NUT HEX 3 11111111111 M3
15 630 039 5150 COLLAR 1 582E--01B-022
16 630 059 7806 LEVER(SHUTTER LEVER ASSY) 1 1 1 1 1 11111
16 630 050 6938 LEVER(ASSY SHUTTER LEVER) 1
17 630 054 5111 PIN,LOCATE 1 1 1 1 1 1 1 725B--01B-026
17 630 085 9614 PIN,LOCATE 1 1 1 725D--02B-026
17 630 039 5662 PIN,LOCATE 1 582E--01B-026
18 411 141 5807 WASHER F 3X6X0.5 11111111111 FWS3
19 411 141 2806 WASHER SPR 3 11111111111 SW3
20 411 140 9905 NUT HEX 3 11111111111 M3
21 411 152 8101 SCR TRS 3X6 11111111111 725B--01H-003
22 630 055 3154 SPRING,TENSION 1 1 1 1 1 11111 725B--01B-040
22 630 037 0386 SPRING,TENSION 1 582E--01B-040
26
630 059 7769 SPROCKET(SPROCKET ASSY) 1 1 1 1 1
26
630 050 6143 SPROCKET(ASSY SPROCKET) 1 1 1
26
630 094 7274 SPROCKET(ASSY SPROCKET) 1 1
26
630 050 6846 SPROCKET(ASSY SPROCKET) 1
27
630 050 6945 LEVER(ASSY SWING PLATE) 1
27 -2
630 098 5092 ASSY,LEVER 1 1 1 1 1 1 1 1
ᢙ㊂
Q'ty
ᵈᗧ
NOTE
⷗಴⇟
Key No.