P-0200-001.pdf - 第37页
0108-004 2-2 ㇱຠ⇟ภ ㇱ ຠ ฬ ⠨ PART No. PART NAME REMARKS CT-1252S,L,PS,PL CT-1260S,L CT-1261S,L CT-1280S,L,PS,PL CT-1281S,L,PS,PL CT-1252TS,TL,HS,HL CT-1260TS,TL CT-1261TS,TL CT-1280TS,TL,HS,HL CT-1281TS,TL,HS,HL 2 630 039…

0209-005
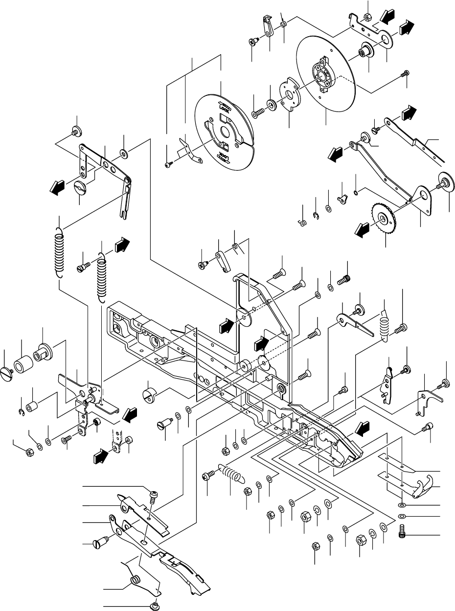
12mm ࠹ࡊࡈࠖ࠳ 12mm TAPE FEEDER
Fig. 2-2 ࠹ࡊ㚟േㇱ Tape Driving Section
G
A
C
D
104
92
91
103-1
101
102
11 3
11 2
111-1
111
77-1
76
27-1
28
B
26
27
33
32
31
30
29
98
81
80
82
G
108
106
107
F
102
101
103
A
83
93
67
68
69
3
2
73
52
11
8
7
16
16-1
17
17-1
B
37
55
56
57
58
59
34
35
36
9-1
9-2
9-3
40
39
38
14
13
12
20
19
18
21
22
6
5
4
65
64
63
66
C
D
78-1
71
71-2
71-1
74
75
76-1
76-2
76-3
72-2
72-1
72
51
46
47
50
48
49
111-2
F
114
114-1
114-2
114-3

0108-004
2-2
ㇱຠ⇟ภ ㇱ ຠ ฬ ⠨
PART No. PART NAME REMARKS
CT-1252S,L,PS,PL
CT-1260S,L
CT-1261S,L
CT-1280S,L,PS,PL
CT-1281S,L,PS,PL
CT-1252TS,TL,HS,HL
CT-1260TS,TL
CT-1261TS,TL
CT-1280TS,TL,HS,HL
CT-1281TS,TL,HS,HL
2 630 039 4115 LEVER(LOCATE NOTCH) 1 1 1 1 671G--01B-021
2 630 061 0598 LEVER(LOCATE NOTCH) 1 1 1 1 671H--01B-021
3 630 037 0218 PIN,LOCATE 1111 1111 671G--01B-024
4 411 141 3902 WASHER V 3X7X0.5 1111 1111 FW3
5 411 141 2806 WASHER SPR 3 1111 1111 SW3
6 411 140 9905 NUT HEX 3 1111 1111 M3
7 411 152 7906 SCR TRS 3X12 1111 1111 671G--01H-008
8 630 039 5167 SPRING,TENSION 1111 1111 671G--01B-023
9 -1 411 141 3902 WASHER V 3X7X0.5 1111 1111 FW3
9 -2 411 141 2806 WASHER SPR 3 1111 1111 SW3
9 -3 411 140 9905 NUT HEX 3 1111 1111 M3
11 630 037 0256 PIN,GUIDE 1111 1111 671G--01B-027
12 411 141 3902 WASHER V 3X7X0.5 1 1 1 1 1 1 1 1 FW3
13 411 141 2806 WASHER SPR 3 1 1 1 1 1 1 1 1 SW3
14 411 140 9905 NUT HEX3 1 1 1 1 1 1 1 1 M3
16 630 050 7034 LEVER(ASSY SHUTTER) 1 1 1 1 1 1 1 1
16 -1 630 050 7201 LEVER(ASSY LOCATE NOTCH) 1 1
17 630 039 4146 PIN,LOCATE 1 1 1 1 1 1 1 1 671G--01B-026
17 -1 630 037 0898 PIN,LOCATE 1 1 582J--01B-024
18 411 141 3902 WASHER V 3X7X0.5 1111111111 FW3
19 411 141 2806 WASHER SPR 3 1111111111 SW3
20 411 140 9905 NUT HEX 3 1111111111 M3
21 411 152 8101 SCR TRS 3X6 1111111111 671G--01H-007
22 630 037 0386 SPRING,TENSION 1 1 1 1 671G--01B-040
22 630 041 0778 SPRING, TENSION 1 1 1 1 671H--01B-040
22 630 037 0881 SPRING, TENSION 1 1 582J--01B-023
26 630 050 7003 SPROCKET(ASSY SPROCKET) 1 1 1 1
26 630 061 2066 SPROCKET(SPROCKET ASSY) 1 1 1 1
26 630 050 7126 SPROCKET(ASSY SPROCKET) 1 1
27 630 077 6904 LEVER(SWING PLATE ASSY) 1 1
27
630 060 6003 LEVER(SWING PLATE ASSY) 1 1
27
-1
630 077 6928 LEVER(SWING PLATE ASSY) 1 1
27
-1
630 060 6041 LEVER(SWING PLATE ASSY) 1 1
27
-1
630 050 7133 LEVER(ASSY SWING PLATE) 1 1
28
630 010 6015 COLLAR 1111111111 671G--01B-012
29 630 039 3040 LEVER(RATCHET CLICK) 1111111111 671G--01B-019
ᵈᗧ
NOTE
ᢙ㊂
Q'ty
⇟
ภ
Key No.

0003-003
2-2
ㇱຠ⇟ภ ㇱ ຠ ฬ ⠨
PART No. PART NAME REMARKS
CT-1252S,L,PS,PL
CT-1260S,L
CT-1261S,L
CT-1280S,L,PS,PL
CT-1281S,L,PS,PL
CT-1252TS,TL,HS,HL
CT-1260TS,TL
CT-1261TS,TL
CT-1280TS,TL,HS,HL
CT-1281TS,TL,HS,HL
30 411 088 9005 WASHER F 3X6X0.5 1111111111 FWS3 F
31 411 000 9304 RING E 2 1111111111 671G--01H-011
32 630 039 3033 SPRING,TORSION 1111111111 671G--01B-018
33 630 037 0379 PIN,LOCATE 1111111111 671G--01B-038
34 411 141 4008 WASHER V 4X9X0.8 1111111111 FW4
35 411 141 2905 WASHER SPR 4 1111111111 SW4
36 411 141 0307 NUT HEX 4 1111111111 M4
37 630 061 1762 PIN,GUIDE 1111 1111 671G--01B-020
37 630 037 0140 PIN,GUIDE 1 1 582J--01B-020
38 411 141 4008 WASHER V 4X9X0.8 1111111111 FW4
39 411 141 2905 WASHER SPR 4 1111111111 SW4
40 411 141 0307 NUT HEX 4 1111111111 M4
46 630 060 5976 LEVER(SUPPRESSOR ASSY) 1 1 1 1
46 630 060 6027 LEVER(SUPPRESSOR ASSY) 1 1 1 1
46 630 050 7164 LEVER(ASSY SUPPRESSOR) 1 1
47 630 040 7464 LEVER 1111111111 671G--01B-031
48 630 040 6986 SPRING,TORSION 1111111111 671G--01B-057
49 630 039 4153 HOOK 1111111111 671G--01B-032
50 411 152 8101 SCR TRS 3X6 1111111111 671G--01H-007
51 630 037 0348 PIN,LOCATE 1111111111 671G--01B-037
52 411 108 7103 SCR FLT 3X10 1111 1111 M3X10 FLT
52 630 037 5688 BOLT(FLT HEX-SCT) 1 1 582J--01H-015
55 630 039 3835 SPRING,FLAT 2121221212 671G--01B-066
56 630 050 7072 HOOK(ASSY HOOK) 1111111111
57 411 141 3902 WASHER V 3X7X0.5 2222222222 FW3
58 411 141 2806 WASHER SPR 3 2222222222 SW3
59 630 000 7503 BOLT,HEX-SCT 2222222222 M3X6
63
411 119 1909 WASHER V 3X7X0.5 1111111111 FW3 F
64
411 086 4408 WSHER SPR 3 1111111111 SW3 F
65
630 037 0690 PIN,GUIDE 1111111111 671G--01B-086
66
630 039 3224 PIN,GUIDE 1111111111 671G--01B-052
67 411 141 4008 WASHER V 4X9X0.8 1111111111 FW4
ᵈᗧ
NOTE
ᢙ㊂
Q'ty
⇟
ภ
Key No.