P-0200-001.pdf - 第75页
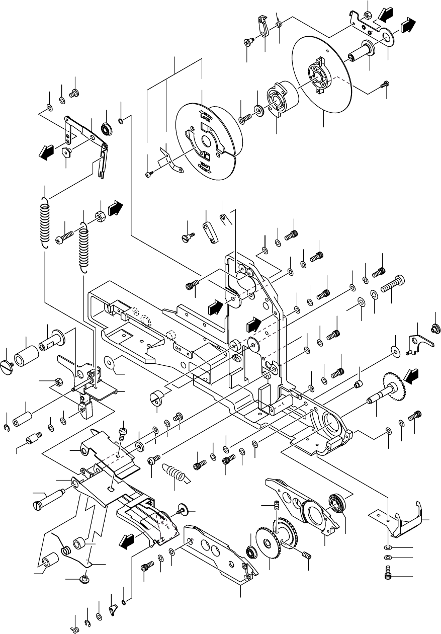
0003-003 5-2 ㇱຠ⇟ภ ㇱ ຠ ฬ ⠨ PART No. PART NAME REM ARK S CT-3260L,PL-12,16,20,24 CT-3260TL,HL-12,16,20,24 1 630 006 8979 BEAR ING,R ADIAL 1 1 671V- -01H-018 2 630 042 6205 CHUT E 1 1 671V-- 01B-093 3 411 141 3902 W ASHER…

0209-005
32mm ࠹ࡊࡈࠖ࠳ 32mm TAPE FEEDER
㧔ࠛࡦࡏࠬ࠹ࡊ↪㧕 (for Embossed Tape)
Fig. 5-2 ࠹ࡊ㚟േㇱ Tape Driving Section
104
G
A
92
91
111-2
11 3
11 2
111-1
111
102
101
103
81-1
80
103-1
101
102
93
94
95
83
84
85
47
48
49
51
52
53
47
48
49
51
52
53
25
26
27
3
4
5
21
B
6
3
4
5-1
56
57
58
59
1
2
8
17
7
16
8
32
15
30
29
28
24
23
22
40
76
77
78
66
45
31
71-7
71-6
71-1
42
9
46
B
46-2
43
44
46-1
20
19
18
10
11
12
13
14
99
A
F
96
97
98
81
G
82
108
106
107
105
F
72-2
72-1
72
71-4
71-3
71-2
70
71
114
114-1
114-2
114-3

0003-003
5-2
ㇱຠ⇟ภ ㇱ ຠ ฬ ⠨
PART No. PART NAME REMARKS
CT-3260L,PL-12,16,20,24
CT-3260TL,HL-12,16,20,24
1 630 006 8979 BEARING,RADIAL 1 1 671V--01H-018
2 630 042 6205 CHUTE 1 1 671V--01B-093
3 411 141 3902 WASHER V 3X7X0.5 2 2 FW3
4 411 141 2806 WASHER SPR 3 2 2 SW3
5 630 000 7527 BOLT,HEX-SCT 1 1 M3X10
5 -1 630 000 7534 BOLT,HEX-SCT 1 1 M3X12
6 630 041 7890 GEAR 1 1 671V--01B-008
7 630 050 7577 SPROCKET(ASSY SPROCKET) 1 1
8 630 000 8920 SET SCREW 2 2 M4X6 SET
9 630 062 6070 LEVER(SUPPRESSOR ASSY) 1 1
10 630 010 6015 COLLAR 1 1 671V--01B-012
11 630 041 4912 LEVER(RATCHET CLICK) 1 1 671V--01B-019
12 411 088 9005 WASHER F 3X6X0.5 1 1 FWS3 F
13 411 000 9304 RING E 2 1 1 671V--01H-011
14 630 039 3033 SPRING,TORSION 1 1 671V--01B-018
15 630 061 7719 PIN,LOCATE 1 1 671V--01B-038
16 630 042 6212 CHUTE 1 1 671V--01B-102
17 630 007 1641 BEARING,RADIAL 1 1 671V--01H-016
18 411 141 3902 WASHER V 3X7X0.5 2 2 FW3
19 411 141 2806 WASHER SPR 3 2 2 SW3
20 630 000 7527 BOLT,HEX-SCT 2 2 M3X10
21 630 063 0459 PIN,GUIDE 1 1 671V--01B-020
22 411 141 3902 WASHER V 3X7X0.5 1 1 FW3
23 411 141 2806 WASHER SPR 3 1 1 SW3
24 630 000 7503 BOLT,HEX-SCT 1 1 M3X6
25 630 039 2975 COLLAR 1 1 671V--01B-096
26 630 050 7607 LEVER(ASSY LOCATE NOTCH) 1 1
27 630 061 7696 PIN,LOCATE 1 1 671V--01B-024
28 411 141 3902 WASHER V 3X7X0.5 1 1 FW3
29 411 141 2806 WASHER SPR 3 1 1 SW3
30 630 000 7503 BOLT,HEX-SCT 1 1 M3X6
31 411 152 8101 SCR TRS 3X6 1 1 671V--01H-007
32 630 039 3071 SPRING,TENSION 1 1 671V--01B-023
40 630 041 7654 SPACER 1 1 671V--01B-099
ᵈᗧ
NOTE
ᢙ㊂
Q'ty
⇟
ภ
Key No.

0108-003
5-2
ㇱຠ⇟ภ ㇱ ຠ ฬ ⠨
PART No. PART NAME REMARKS
CT-3260L,PL-12,16,20,24
CT-3260TL,HL-12,16,20,24
42 630 061 7757 LEVER 1 1 671V--01B-031
43 630 040 6986 SPRING,TORSION 1 1 671V--01B-057
44 630 039 4153 HOOK 1 1 671V--01B-032
45 411 152 8101 SCR TRS 3X6 1 1 671V--01H-007
46 630 046 7482 PIN,LOCATE 1 1 671V--01B-037
46 -1 630 041 7678 SPACER 1 1 671V--01B-101
46 -2 630 041 9559 SPACER 1 1 671V--01B-104
47 411 141 3902 WASHER V 3X7X0.5 1 1 FW3
48 411 141 2806 WASHER SPR 3 1 1 SW3
49 630 000 7527 BOLT,HEX-SCT 1 1 M3X10
11
51 411 119 2104 WASHER V 4X9X0.8 1 1 FW4 F
52 411 008 1706 WASHER SPR 4 1 1 SW4 F
53 411 113 2308 SCR PAN 4X25 1 1 M4X25 PAN
56 630 050 7645 HOOK(ASSY HOOK) 1 1
57 411 141 3902 WASHER V 3X7X0.5 2 2 FW3
58 411 141 2806 WASHER SPR 3 2 2 SW3
59 630 000 7503 BOLT,HEX-SCT 2 2 M3X6
66 630 039 3224 PIN,GUIDE 1 1 671V--01B-052
67 411 141 4008 WASHER V 4X9X0.8 1 1 FW4
68 411 141 2905 WASHER SPR 4 1 1 SW4
69 630 000 7640 BOLT,HEX-SCT 1 1 M4X14
70 630 061 7689 COLLAR 1 1 671V--01B-044
71 630 062 6063 LEVER(SWING ARM ASSY) 1 1
71 -1 630 051 8252 PIN,GUIDE 1 1 671V--01B-119
71 -2 411 141 4107 WASHER V 5X10X1 1 1 FW5
71 -3 411 141 6705 WASHER SPR 5 1 1 SW5
71 -4 411 141 0505 NUT HEX 5 1 1 M5
11
71 -6 630 066 4027 ROLLER 1 1 671V--01B-127
71 -7 411 000 9304 RING E 2 1 1 671V--01H-011
72
630 068 9891 PI,LOCATE 1 1 671V--01B-015
72 -1
630 066 4041 ROLLER 1 1 671V--01B-128
72 -2
630 067 5535 PIN,GUIDE 1 1 671V--01B-129
ᵈᗧ
NOTE
ᢙ㊂
Q'ty
⇟
ภ
Key No.