N7205A110B00 - 第139页
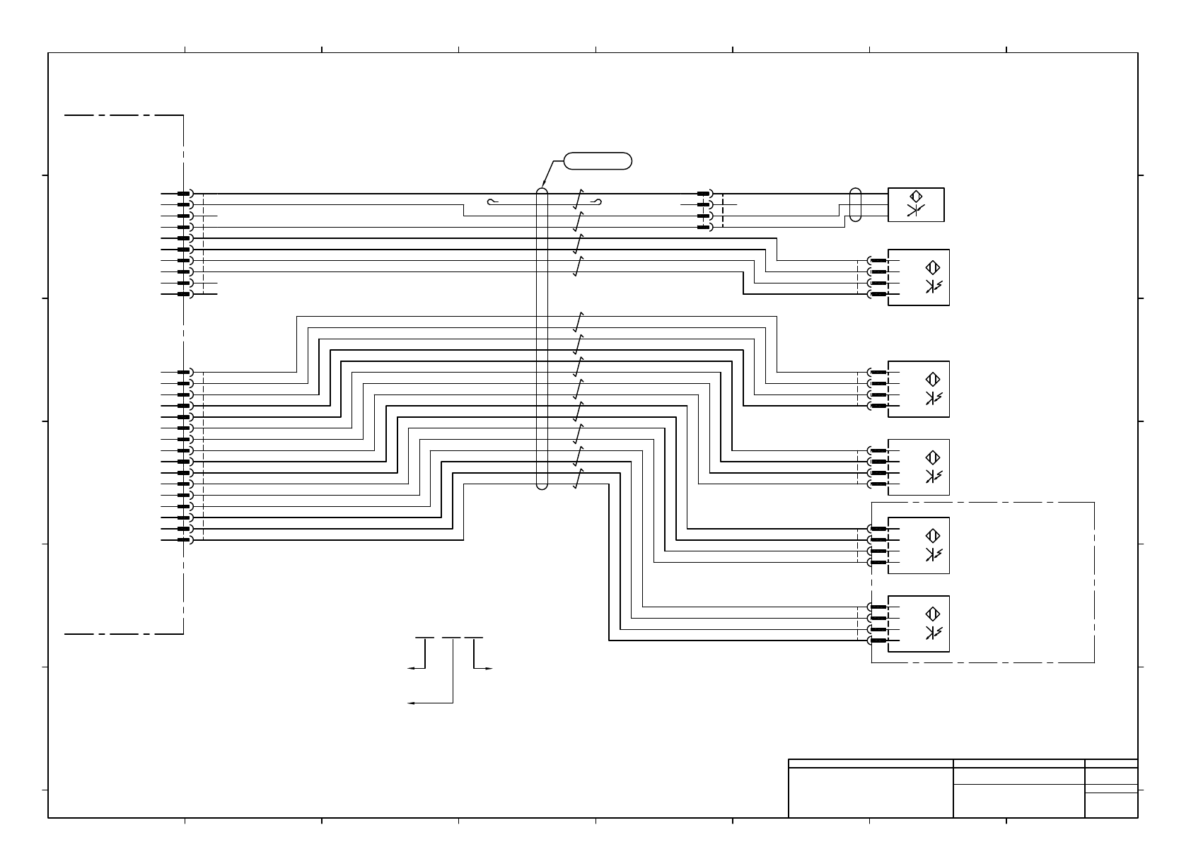
L1 Wait For Loading(Left Side) PCB Detection 1 -B1127 P24 OUT IN GND 1 2 3 4 -B1131 L1 Wait For Loading(Left Side) PCB Detection 2 P24 OUT IN GND 1 2 3 4 -B1012 L1 Mount Position2 PCB Detection 4 JST B1131(B1126) PAP-04V…

L2 Width Adjustment axis Motor
L2 Support Pin Detection (Receiver)
-B1D01T
-B1D01
BU
BK
BN
BU
BN
L2 Support Pin Detection (Projector)
-B1D00
BN
BK
WH
BU
L2 Width Adjustment axis Dual Mode ORG Detection
+V24(M)
GND(M)
+V24(C)
GND(C)
N.C.
N.C.
N.C.
EMG20
D+SUB
D-SUB
+V24(C)
GND(C)
N.C.
N.C.
1
2
3
14
6
4
5
7
8
9
12
13
10
11
15
16
17
18
-M639
P24(M)
GND(M)
P24(C)
GND(C)
-LS
ORG
+LS
EMG
DATA+
DATA-
CW/CCW
BUSY
NC
OUTPUT COM
NC
NC
NC
NC
Note1) Connector pin arrangement is not sequential.
AMP
B1D00R
177900-1
4
3
2
1
AMP
B1D01R
177900-1
4
3
2
1
BN/WH
BN
BK/WH
BK
RD/WH
RD
GN/WH
GN
RD
18
17
16
15
11
10
13
12
9
8
7
5
4
6
14
3
2
1
N610163988AC
RD/WH
FG1B1CD01
R1.25-4
JST
FGB1CD01
R1.25-4
JST
WH
GN
RD
BK
Note1)
JST
M609R(M639R)
PHDR-18VS
YE/WH
YE
BK
BK/WH
2464-1061/ⅡA(PF) LF 2P×24AWG
2464-1061/ⅡA(PF) LF 5P×24AWG
N610163989AB
T/2464-3599 BK LF 4×24AWG
AMP
1B1C01P(1B1D01P)
177908-1
4
3
2
1
AMP
B1C01P(B1D01P)
177908-1
4
3
2
1
AMP
1B1C01R(1B1D01R)
177900-1
4
3
2
1
UL1007 24AWG BU
UL1007 24AWG BU
UL1007 24AWG BU
BU
BU
UL1007 24AWG BU BU
BU
UL1007 24AWG BU BU
RD
RD/WH
BK
BK/WH
2464-1061/ⅡA(PF) LF 2P×24AWG
AMP
B1C02P
177908-1
4
3
2
1
AMP
B1C00P(B1D00P)
177908-1
4
3
2
1
AMP
B1C03P
177908-1
4
3
2
1
MOLEX
1M639P
5559-14P-210
14
13
12
11
10
9
8
7
6
5
4
3
2
1
MOLEX
1M609R/1M639R(1M639R)
5557-14R-210
1
2
3
4
5
6
7
8
9
10
11
12
13
14
AMP
1B1C02R
177900-1
4
3
2
1
BU
N610163985AB
UL1007 24AWG BU
1
1
1
Main Body Wiring:NPM-W2
N610169329**:
1
2
2
・Dual Conveyor L1
・Single Conveyor (Rear Reference)
・Dual Conveyor L2
・Single Conveyor (Front Reference)
*** / *** (***)
[White Mark Tube]
[White Mark Tube]
[Yellow Mark Tube]
Note2) Relation Between Connector Name and Conveyor Specification
2
Note2)
2
Note2)
2
Note2)
2
Note2)
2
Note2)
2
Note2)
2
Panasonic Factory Solutions Co.,Ltd. パナソニック ファクトリーソリューションズ株式会社
Name
Drawing No.
Loc. No.
F4K1020-05A
1
2 3 4 5 6 7 8
A
B
C
D
E
F
1 2 3 4 5 6 7 8
A
B
C
D
E
F
Page. No.
NPM-W2:Dual Conveyor Unit
Width Adjustment Axis 2
N610163964+013AC
P013

L1 Wait For Loading(Left Side) PCB Detection 1
-B1127
P24
OUT
IN
GND
1
2
3
4
-B1131
L1 Wait For Loading(Left Side) PCB Detection 2
P24
OUT
IN
GND
1
2
3
4
-B1012
L1 Mount Position2 PCB Detection 4
JST
B1131(B1126)
PAP-04V-S
4
3
2
1
JST
B1012(B1125)
PAP-04V-S
4
3
2
1
P24
OUT
IN
GND
1
2
3
4
-B1123
L1 Mount Position2 PCB Detection 5
JST
B1123(B1107)
PAP-04V-S
4
3
2
1
P24
OUT
IN
GND
1
2
3
4
-B1136
L1 Mount Position2 PCB Detection 1
JST
B1136(B1117)
PAP-04V-S
4
3
2
1
P24
OUT
IN
GND
1
2
3
4
-B1113
L1 Mount Position2 PCB Detection 2
JST
B1113(B1124)
PAP-04V-S
4
3
2
1
AMP
B1127R
177900-1
4
3
2
1
AMP
B1127P(B1130P)
177908-1
4
3
2
1
Option
BU
BK
BN
MOLEX
1B1127R/1B1120R(1B1130R)
5557-10R-210
1
2
3
4
5
6
7
8
9
10
MOLEX
1B1012R/1B1115R(1B1125R)
5557-16R-210
1
2
3
4
5
6
7
8
9
10
11
12
13
14
15
16
24VOUT
PH127
N.C
24GND
24VOUT
PH131
OUT103
24GND
N.C
N.C
24VOUT
PH012
OUT100
24GND
24VOUT
PH123
OUT100
24GND
24VOUT
PH136
OUT100
24GND
24VOUT
PH113
OUT100
24GND
OG/WH
OG
GY/WH
GY
BU/WH
BU
BN/WH
BN
YE/WH
YE
GN/WH
GN
BK/WH
BK
RD/WH
RD
VT/WH
VT
LG/WH
LG
N610163992AB
PK/WH
PK
LB/WH
LB
2464-1061/ⅡA(PF) LF 12P×24AWG
1
1
1
Main Body Wiring:NPM-W2
N610169329**:
MOLEX
1B1127P
5559-10P-210
10
9
8
7
6
5
4
3
2
1
MOLEX
1B1012P
5559-16P-210
16
15
14
13
12
11
10
9
8
7
6
5
4
3
2
1
・Dual Conveyor L1
・Single Conveyor (Rear Reference)
・Dual Conveyor L2
・Single Conveyor (Front Reference)
*** / *** (***)
[White Mark Tube]
[White Mark Tube]
[Yellow Mark Tube]
Note1) Relation Between Connector Name and Conveyor Specification
2
Note1)
2
Note1)
2
Note1)
2
Note1)
2
Note1)
2
Note1)
2
Note1)
2
Note1)
2
Panasonic Factory Solutions Co.,Ltd. パナソニック ファクトリーソリューションズ株式会社
Name
Drawing No.
Loc. No.
F4K1020-05A
1
2 3 4 5 6 7 8
A
B
C
D
E
F
1 2 3 4 5 6 7 8
A
B
C
D
E
F
Page. No.
NPM-W2:Dual Conveyor Unit
Position Sensor 1
N610163964+014AC
P014

L1 Wait For Loading(Right Side) PCB Detection 2
-B1120
BU
BK
BN
P24
OUT
IN
GND
1
2
3
4
-B1121
L1 Wait For Loading(Right Side) PCB Detection 1
P24
OUT
IN
GND
1
2
3
4
-B1115
L1 Mount Position1 PCB Detection 5
JST
B1121(B1132)
PAP-04V-S
4
3
2
1
JST
B1115(B1134)
PAP-04V-S
4
3
2
1
P24
OUT
IN
GND
1
2
3
4
-B1122
L1 Mount Position1 PCB Detection 4
JST
B1122(B1112)
PAP-04V-S
4
3
2
1
RD/WH
RD
AMP
B1120R
177900-1
4
3
2
1
AMP
B1120P(B1133P)
177908-1
4
3
2
1
BU
BK
BN
MOLEX
1B1120R/1B1127R(1B1133R)
5557-10R-210
1
2
3
4
5
6
7
8
9
10
MOLEX
1B1115R/1B1012R(1B1134R)
5557-16R-210
1
2
3
4
5
6
7
8
9
10
11
12
13
14
15
16
24VOUT
PH120
N.C
24GND
24VOUT
PH121
OUT102
24GND
N.C
N.C
24VOUT
PH115
OUT100
24GND
24VOUT
PH122
OUT100
24GND
24VOUT
PH113
OUT100
24GND
24VOUT
PH136
OUT100
24GND
OG/WH
OG
GY/WH
GY
BU/WH
BU
BN/WH
BN
YE/WH
YE
GN/WH
GN
BK/WH
BK
2464-1061/ⅡA(PF) LF 8P×24AWG
N610164143AB
1
1
1
Main Body Wiring:NPM-W2
N610169329**:
MOLEX
1B1120P
5559-10P-210
10
9
8
7
6
5
4
3
2
1
MOLEX
1B1115P
5559-16P-210
16
15
14
13
12
11
10
9
8
7
6
5
4
3
2
1
・Dual Conveyor L1
・Single Conveyor (Rear Reference)
・Dual Conveyor L2
・Single Conveyor (Front Reference)
*** / *** (***)
[White Mark Tube]
[White Mark Tube]
[Yellow Mark Tube]
Note1) Relation Between Connector Name and Conveyor Specification
2
Note1)
2
Note1)
2
Note1)
2
Note1)
2
Note1)
2
Note1)
2
Panasonic Factory Solutions Co.,Ltd. パナソニック ファクトリーソリューションズ株式会社
Name
Drawing No.
Loc. No.
F4K1020-05A
1
2 3 4 5 6 7 8
A
B
C
D
E
F
1 2 3 4 5 6 7 8
A
B
C
D
E
F
Page. No.
NPM-W2:Dual Conveyor Unit
Position Sensor 2
N610163964+015AC
P015