N7205A110B00 - 第34页
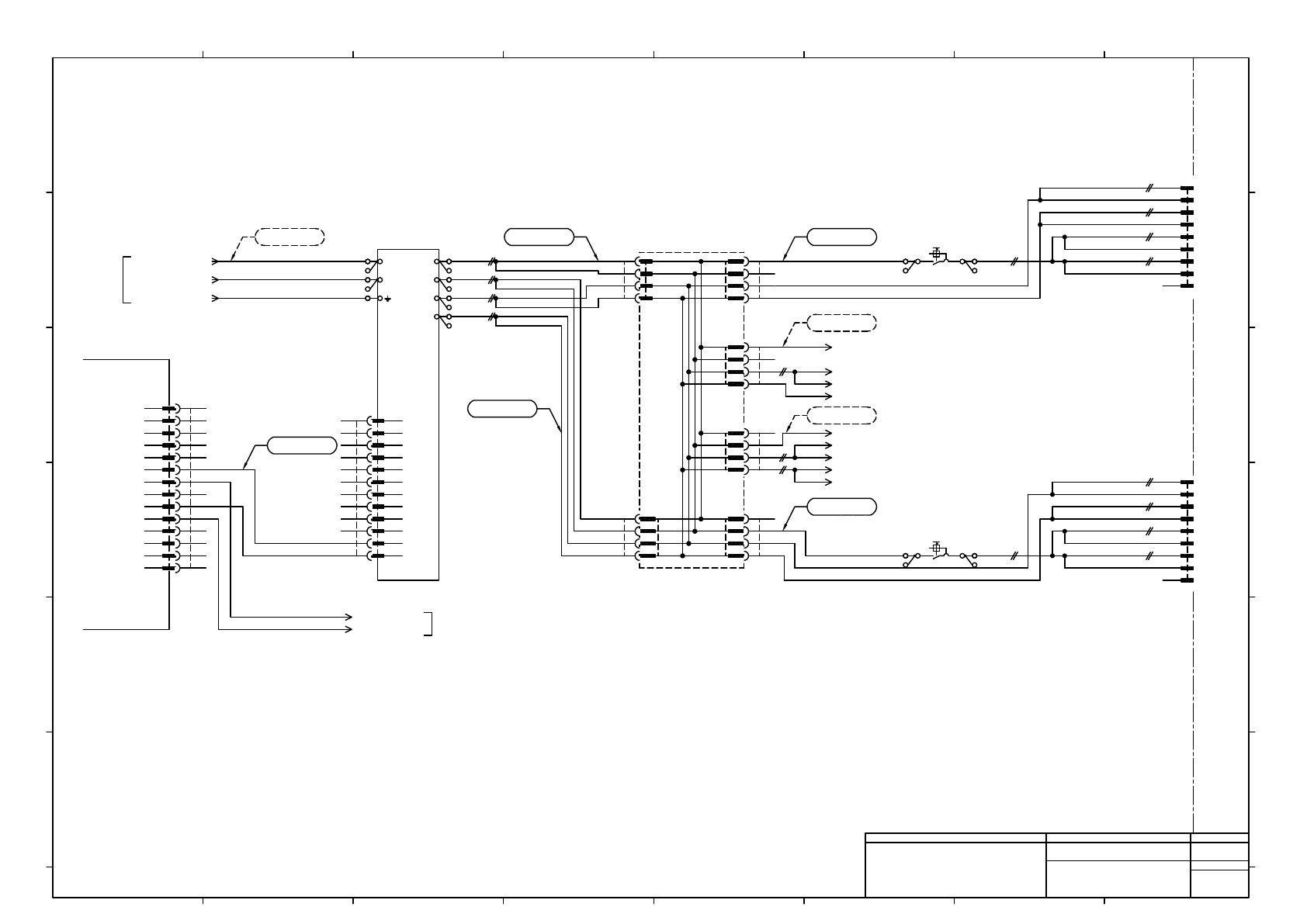
UL1015 16AWG GN/YE UL1015 16AWG BK UL1007 20AWG BU UL1015 16AWG BK UL1015 16AWG BK UL1015 16AWG BK To Vacuum Pump TH100 G24 PUMP ON G24 1 2 3 4 CNMC2 -K321 PNF0B4 L1-3 COM1 L1-2 COM2 N.C -K323 PNF0AN 1 2 3 4 5 L1 L2 L3 F…

FK5.5-S4
JST
1aK221
3aK221
5aK221
-K221
SD-Q19 DC24V 1a1b
1 2
3 4
5 6
13 14
Mitsubishi Electric
21 22
A1 A2
2aK221
FK5.5-S4
JST
4aK221
6aK221
FK1.25-M3
JST
21aK221
A1aK221
22aK221
FK1.25-M3
JST
A2aK221
L11-1 P003-6E
L21-1 P003-6E
L31-1 P003-6E
21aK221 P011-4A
A1aK221 P011-4C
A2aK221 P011-4C
A1aK223 P011-4C
A2bK221
N610169454**
From X111
From K221
From K223
N610169454**
N610169454** N610169454**
N610169487**
N610169488**
N610169489**
-K223
SD-Q19 DC24V 1a1b
1 2
3 4
5 6
13 14
Mitsubishi Electric
21 22
A1 A2
3aK223
5aK223
L112-1
P004-1C
L212-1
P004-1C
L312-1
P004-1C
A1aK223
4aK223
6aK223
A2aK223
22aK223
P011-4D
FK5.5-S4
JST
1aK223
FK1.25-M3
JST
21aK223
2aK223
FK5.5-S4
JST
22aK223
FK1.25-M3
JST
UL1015 12AWG BK BK
UL1015 12AWG BK BK
UL1015 12AWG BK BK
UL1007 22AWG BU BU
UL1007 22AWG BU BU
N610169572AA
N610169505AA
N610169506AB
N610169571AA
N610169570AA
N610169457**
N610169493**
N610169494**
N610169495**
To X112
To K321
1
Panasonic Factory Solutions Co.,Ltd. パナソニック ファクトリーソリューションズ株式会社
Name
Drawing No.
Loc. No.
F4K1020-05A
1
2 3 4 5 6 7 8
A
B
C
D
E
F
1 2 3 4 5 6 7 8
A
B
C
D
E
F
Page. No.
NPM-W2:Power Unit Wiring
(Driver Power 2)
MTKA001180+006AC
P006
2
2
2

UL1015 16AWG GN/YE
UL1015 16AWG BK
UL1007 20AWG BU UL1015 16AWG BK
UL1015 16AWG BK
UL1015 16AWG BK
To
Vacuum Pump
TH100
G24
PUMP ON
G24
1
2
3
4
CNMC2
-K321
PNF0B4
L1-3
COM1
L1-2
COM2
N.C
-K323
PNF0AN
1
2
3
4
5
L1
L2
L3
FG
1
2
3
L1-3
COM1
L1-2
COM2
1
2
3
4
CN1
CNX2
CNX1
4
BK
3aK222
5aK222
-K222
MSOD-Q11CX(KP) 1.3A 200V DC24V
Mitsubishi Electric
1
3
5
13
A2
2
4
6
14
A1
96
98
95
97
2bK222
4aK222
4bK222
6aK222
6bK222
E9 P004-4D
FK2-M3
JST
U_F221
V_F221
W_F221
E10 P003-6B
UN-SA33
Mitsubishi Electric
-F221
UL1015 16AWG BK BK
BK
BK
UL1015 16AWG BK BK
BK
UL1015 16AWG GN/YE GN/YE
UL1015 16AWG GN/YE GN/YE
UL1007 22AWG BU BU
BU
UL1007 22AWG BU BU
To
Inspection Box
FK2-M3
JST
1aK222 2aK222
FK2-M3
JST
FK1.25-M3
JST
A2aK222 A1aK222
FK1.25-M3
JST
95aK222
FK1.25-M3
JST
97aK222
96aK222
98aK222
FK1.25-M3
JST
UL1015 16AWG BK BK
UL1015 16AWG BK BK
UL1015 16AWG BK BK
UL1015 16AWG BK BK
UL1015 16AWG BK BK
UL1015 16AWG BK BK
UL1007 22AWG BU BU
UL1007 22AWG BU BU
UL1007 22AWG BU BU
UL1007 20AWG BU BU
UL1007 20AWG BU BU
UL1007 20AWG BU BU
AMP
PUMP
2-179553-4
4
3
2
1
AMP
CNX1K321
177900-1
4
3
2
1
JST
CNMC2K321
PAP-04V-S
4
3
2
1
AMP
CNX2K323
1-178288-5
5
4
3
2
1
AMP
CN1K323
1-178128-4
4
3
2
1
N610169490AB
N610169491AB
N610169492AB
N610169502AC
N610169503AC
N610169497AC
N610169574AA
N610169573AA
N610169498AC
N610169504AA N610169481AC
AMP
B4010AC
1-179553-4
4
3
2
1
E3 P003-6D
L11-2 P003-6F
L21-2 P003-6F
L31-2 P003-6F
UL1015 18AWG BK BK
UL1015 18AWG BK
UL1015 18AWG BK
BK
BK
L11-3 P003-6A
L21-3 P003-6B
L31-3 P003-6B
GN/YE
ILK Board
From X111
From X111
From X112
From X111
1
1
1
1
1
1
1
1
2
2
2
2
2
2
2
Panasonic Factory Solutions Co.,Ltd. パナソニック ファクトリーソリューションズ株式会社
Name
Drawing No.
Loc. No.
F4K1020-05A
1
2 3 4 5 6 7 8
A
B
C
D
E
F
1 2 3 4 5 6 7 8
A
B
C
D
E
F
Page. No.
NPM-W2:Power Unit Wiring
(Pump & Momentary Power Failure Detection)
MTKA001180+007AC
P007

UL1007 24AWG BU
To
Head
(Front)
To
Head
(Rear)
-F124
CP31FI/10(CCC)
(10A)
1 2 1
Fuji Electric FA Components & Systems
2aF124
FK1.25-4
JST
2aF128
FK1.25-4
JST
FK2-4
JST
1aF124
FK2-4
JST
1aF128
UL1007 20AWG BU BU
A1
A2
A3
AMP
X211
1827691-3
A4
B4
B3
B2
B1
C1
C2
C3
C4
F4
F3
F2
F1
D4
D3
D2
D1
E1
E2
E3
E4
-T121
HWS600-24
(31A)
TDK-Lambda
AC(L)
AC(N)
A +V1
+V2
-V1
-V2
UL1015 14AWG BK BK
UL1015 14AWG GN/YE GN/YE
UL1015 14AWG BK BK
FK2-4
JST
AC(L)aT121
R2-4
ET121
AC(N)aT121
AMP
FX211
1-178128-4
4
3
2
1
AMP
AX211
1-178128-4
4
3
2
1
AMP
BX211
1-178128-4
4
3
2
1
AMP
CX211
1-178128-4
4
3
2
1
AMP
DX211
1-178128-4
4
3
2
1
AMP
EX211
1-178128-4
4
3
2
1
UL1015 14AWG BU BU
+V1aT121
FK5.5-5
JST
+V2aT121
-V1aT121
-V2aT121
UL1015 14AWG BU BU
UL1015 14AWG BU BU
UL1015 14AWG BU BU
UL1015 14AWG BU BU
UL1015 14AWG BU BU
UL1015 14AWG BU BU
UL1015 14AWG BU BU
UL1007 20AWG BU BU
UL1007 20AWG BU BU
UL1007 20AWG BU BU
UL1007 20AWG BU BU
UL1007 20AWG BU BU
UL1007 20AWG BU BU
UL1007 20AWG BU BU
UL1007 20AWG BU BU
UL1007 20AWG BU BU
UL1007 20AWG BU BU
UL1007 20AWG BU BU
UL1007 20AWG BU BU
UL1007 20AWG BU BU
UL1007 20AWG BU BU
UL1007 20AWG BU BU
AMP
HEAD2PW
177911-1
9
8
7
6
5
4
3
2
1
AMP
HEAD1PW
177911-1
9
8
7
6
5
4
3
2
1
-F128
CP31FI/10(CCC)
(10A)
1 2 1
Fuji Electric FA Components & Systems
UL1015 14AWG BU BU
UL1015 14AWG BU BU
N610169447AC
N610169448AD
N610169445AC
N610169446AB
-K321
PNF0B4
ILK Board
JST
CN3DK321
PUDP-14V-S
1
2
3
4
5
6
7
8
9
10
11
12
13
14
JST
CN2T121
PHDR-12VS
12
11
10
9
8
7
6
5
4
3
2
1
CN3D
24GND
24VOUT
24VOUT
IN034
24VOUT
24GND
24GND
IN035
24GND
24GND
24GND
IN036
IN037
24VOUT
1
2
3
4
5
6
7
8
9
10
11
12
13
14
CN2
+Vm
+S
-Vm
-S
PC
COM
PV
N.C.
CNT
TOG
PF
TOG
1
2
3
4
5
6
7
8
9
10
11
12
UL1007 24AWG BU BU
BU
N610169444AC
UL1007 24AWG BU
UL1007 24AWG BU BU
BU
IN035
P009-2D
24GND
P009-2D
G24(1-1)T121
P013-6B
G24(2-2)T121
P014-4B
G24(3-1)T121
P013-6E
P24(1)T121
P013-2B
AC(L)T121 P004-7E
AC(N)T121 P004-7E
E4-1 P004-7E
N610169454**
N610169454**
N610169443**
G24(3-2)T121
P013-6E
G24(1-2)T121
P013-6B
-VCOM
P009-6B
G24(2-1)T121
P014-4B
P24(2)T121
P014-4B
From T121R
To T123
To F122
To CARTF1
To F123
To CARTR2
To CARTR2
To CARTR3
To CARTR3
To CARTF1
To BX212
1
1
1
2
2
2
2 1
1
1
Panasonic Factory Solutions Co.,Ltd. パナソニック ファクトリーソリューションズ株式会社
Name
Drawing No.
Loc. No.
F4K1020-05A
1
2 3 4 5 6 7 8
A
B
C
D
E
F
1 2 3 4 5 6 7 8
A
B
C
D
E
F
Page. No.
NPM-W2:Power Unit Wiring1
(DC Power Supply 1)
MTKA001180+008AD
P008
3