N7205A110B00 - 第104页
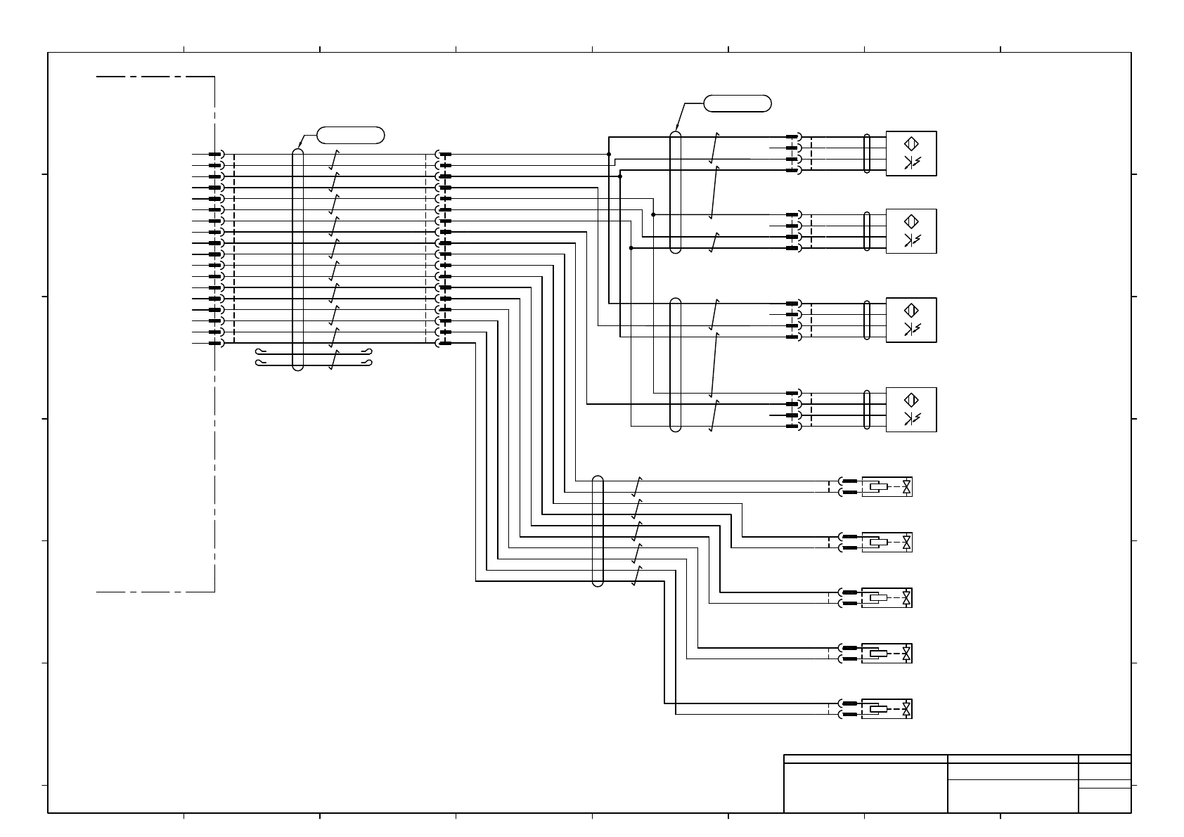
PCB Support Change ILK (Mount Position #2) -B1141 BN BK WH BU P.C.B Support Upper (Mount Position #2) P.C.B Support Lower (Mount Position #2) -B1235 BN BK WH BU -B1236 BN BK WH BU PCB Support Change Lower (Mount Position…

PCB Support Upper
(Mount Position #1)
PCB Support Lower
(Mount Position #1)
-B1244
BN
BK
WH
BU
-B1245
BN
BK
WH
BU
2464-1061/ⅡA(PF) LF 3P×24AWG
PCB Support Change Lower
(Mount Position #1)
-B1233
BN
BK
WH
BU
N610121637AF
PCB Support Change ILK
(Mount Position #1)
-B1140
BN
BK
WH
BU
-R4134
PCB Support Up
(Mount Position #1)
-R4135
PCB Support Down
(Mount Position #1 )
-R4130
-R4131
Support Change Up
(Mount Position #1)
Support Change Down
(Mount Position #1)
BK/WH
BK
RD/WH
RD
GN/WH
GN
YE/WH
YE
OG/WH
OG
GY/WH
GY
BU/WH
BU
BN/WH
BN
YE/WH
YE
GN/WH
GN
BK/WH
BK
RD/WH
RD
N610123275AC
VL/WH
VL
2464-1061/ⅡA(PF) LF 10P×24AWG
LG/WH
LG
2464-1061/ⅡA(PF) LF 5P×24AWG
BN
BN/WH
-R4222
PCB Support Up/Down Speed Change
(Mount Position #1 )
2464-1061/ⅡA(PF) LF 3P×24AWG
MOLEX
CN31R
43025-1800
1
2
3
4
5
6
7
8
9
10
11
12
13
14
15
16
17
18
MOLEX
1B1233P
43020-1800
1
2
3
4
5
6
7
8
9
10
11
12
13
14
15
16
17
18
MOLEX
1B1233R
43025-1800
18
17
16
15
14
13
12
11
10
9
8
7
6
5
4
3
2
1
AMP
B1244P
177908-1
4
3
2
1
AMP
B1244R
177900-1
4
3
2
1
AMP
B1245R
177900-1
4
3
2
1
AMP
B1233R
177900-1
4
3
2
1
AMP
B1140R
177900-1
4
3
2
1
AMP
B1140P
177908-1
4
3
2
1
AMP
B1233P
177908-1
4
3
2
1
AMP
B1245P
177908-1
4
3
2
1
CKD
R4130
4G-SOCKET-SET-FL388859
-
+
CKD
R4131
4G-SOCKET-SET-FL388859
-
+
CKD
R4134
4G-SOCKET-SET-FL388859
-
+
CKD
R4135
4G-SOCKET-SET-FL388859
-
+
SMC
R4222
SY100-29-1
-
+
GN/WH
GN
BK/WH
BK
RD/WH
RD
GN/WH
GN
BK/WH
BK
RD/WH
RD
1
1
1
1
1
1
1
1
1
Panasonic Factory Solutions Co.,Ltd. パナソニック ファクトリーソリューションズ株式会社
Name
Drawing No.
Loc. No.
F4K1020-05A
1 2 3 4 5 6 7 8
A
B
C
D
E
F
1 2 3 4 5 6 7 8
A
B
C
D
E
F
Page. No.
NPM-W2:Single Conveyor Unit
Under Support I/O #1
N610163963+010AB
P010
P24
IN244
G24
IN233
P24
IN245
G24
PH140
EX+24V
VL130
VL131
24GND
24VOUT
OUT134
24VOUT
OUT135
OUT222
P24
Main Body Wiring:NPM-W2
N610169329**:
MOLEX
CN31P
43020-1800
18
17
16
15
14
13
12
11
10
9
8
7
6
5
4
3
2
1

PCB Support Change ILK
(Mount Position #2)
-B1141
BN
BK
WH
BU
P.C.B Support Upper
(Mount Position #2)
P.C.B Support Lower
(Mount Position #2)
-B1235
BN
BK
WH
BU
-B1236
BN
BK
WH
BU
PCB Support Change Lower
(Mount Position #2)
-B1234
BN
BK
WH
BU
N610121638AG
-R4136
-R4137
-R4132
-R4133
Support Change Up
(Mount Position #2)
Support Change Down
(Mount Position #2)
BK/WH
BK
RD/WH
RD
GN/WH
GN
YE/WH
YE
PCB Support Up
(Mount Position #2)
PCB Support Down
(Mount Position #2 )
OG/WH
OG
GY/WH
GY
BU/WH
BU
BN/WH
BN
YE/WH
YE
GN/WH
GN
BK/WH
BK
RD/WH
RD
N610123274AC
2464-1061/ⅡA(PF) LF 10P×24AWG
VL/WH
VL
LG/WH
LG
BN
BN/WH
2464-1061/ⅡA(PF) LF 5P×24AWG
-R4223
PCB Support Up/Down Speed Change
(Mount Position #2 )
2464-1061/ⅡA(PF) LF 3P×24AWG
BK/WH
BK
RD/WH
RD
2464-1061/ⅡA(PF) LF 2P×24AWG
BK/WH
BK
RD/WH
RD
2464-1061/ⅡA(PF) LF 2P×24AWG
GN/WH
GN
BK/WH
BK
RD/WH
RD
MOLEX
CN30R
43025-1800
1
2
3
4
5
6
7
8
9
10
11
12
13
14
15
16
17
18
MOLEX
1B1234R
43025-1800
18
17
16
15
14
13
12
11
10
9
8
7
6
5
4
3
2
1
MOLEX
1B1234P
43020-1800
1
2
3
4
5
6
7
8
9
10
11
12
13
14
15
16
17
18
AMP
B1235R
177900-1
4
3
2
1
AMP
B1235P
177908-1
4
3
2
1
AMP
B1236P
177908-1
4
3
2
1
AMP
B1234P
177908-1
4
3
2
1
AMP
B1141P
177908-1
4
3
2
1
AMP
B1141R
177900-1
4
3
2
1
AMP
B1234R
177900-1
4
3
2
1
AMP
B1236R
177900-1
4
3
2
1
SMC
R4223
SY100-29-1
-
+
CKD
R4137
4G-SOCKET-SET-FL388859
-
+
CKD
R4136
4G-SOCKET-SET-FL388859
-
+
CKD
R4133
4G-SOCKET-SET-FL388859
-
+
CKD
R4132
4G-SOCKET-SET-FL388859
-
+
1
1
1
1
1
1
1
1
1
Panasonic Factory Solutions Co.,Ltd. パナソニック ファクトリーソリューションズ株式会社
Name
Drawing No.
Loc. No.
F4K1020-05A
1 2 3 4 5 6 7 8
A
B
C
D
E
F
1 2 3 4 5 6 7 8
A
B
C
D
E
F
Page. No.
NPM-W2:Single Conveyor Unit
Under Support I/O #2
N610163963+011AB
P011
P24
IN235
G24
IN234
P24
IN236
G24
PH141
EX+24V
VL132
VL133
24GND
24VOUT
OUT136
24VOUT
OUT137
OUT223
P24
MOLEX
CN30P
43020-1800
18
17
16
15
14
13
12
11
10
9
8
7
6
5
4
3
2
1
Main Body Wiring:NPM-W2
N610169329**:

IN223
G24
IN224
IN225
G24
IN226
IN227
G24
Transfer Specification Bit1
Spare Input3
※For flow direction(IN223) use only.
Flow Direction
Transfer Specification
1
5
4
2
6
8
3
7
3
2
1
RD
RD/WH
BK
BK/WH
GN
GN/WH
UL1007 24AWG BU
BU
N610163998AC
A1
A2
A3
B1
B2
B3
A1
A2
A3
B1
B2
B3
Transfer Specification Bit2
A1
A2
A3
B1
B2
B3
3
2
1
UL1007 24AWG BU
BU
BN
BN/WH
Spare Input2
Note1) Connector pin arrangement is not sequential.
Note1)
MOLEX
1B1223R
5557-08R-210
Sumitomo 3M
B1223P
37306-3163-0M0 FL
Sumitomo 3M
B1225P
37306-3163-0M0 FL
Sumitomo 3M
B1227P
37306-3163-0M0 FL
Sumitomo 3M
37103-3163-000FL
Sumitomo 3M
37103-3163-000FL
YE
YE/WH
Transfer Specification Bit0
A1
A2
A3
B1
B2
B3
Sumitomo 3M
SPARE
37306-3163-0M0 FL
Transfer Specification Bit3
3
2
1
UL1007 24AWG BU
BU
3
2
1
UL1007 24AWG BU
BU
Sumitomo 3M
37103-3163-000FL
Sumitomo 3M
37103-3163-000FL
Spare Input1
N610123273AB
Conveyor Type
Standard Lane
Transfer
Specification
Flow Direction IN223
Bit0
Bit1
Bit2
Bit3
IN224
IN225
IN226
IN227
Spare
Connector
Spare Input 3
Spare Input 2
Spare Input 1
Dual Conveyor
Single Conveyor
Front
Reference
Rear
Reference
-
Standard Flow:0 Reverse Flow:1
※Spare input 3 for flow direction(IN223) use only.
※)About transfer specification. (0:Open , 1:Short)
Standard Flow:1 Reverse Flow:0
1
0
0
0
0
1
0
0
0
0
1
0
1
1
1
1
1
1
1
1
Main Body Wiring:NPM-W2
N610169329**:
MOLEX
1B1223P
5559-08P-210
7
3
8
6
2
4
5
1
1
2464-1061/ⅡA(PF) LF 5P×24AWG
2
Panasonic Factory Solutions Co.,Ltd. パナソニック ファクトリーソリューションズ株式会社
Name
Drawing No.
Loc. No.
F4K1020-05A
1
2 3 4 5 6 7 8
A
B
C
D
E
F
1 2 3 4 5 6 7 8
A
B
C
D
E
F
Page. No.
NPM-W2:Single Conveyor Unit
Transport Specification Setting
N610163963+012AC
P012