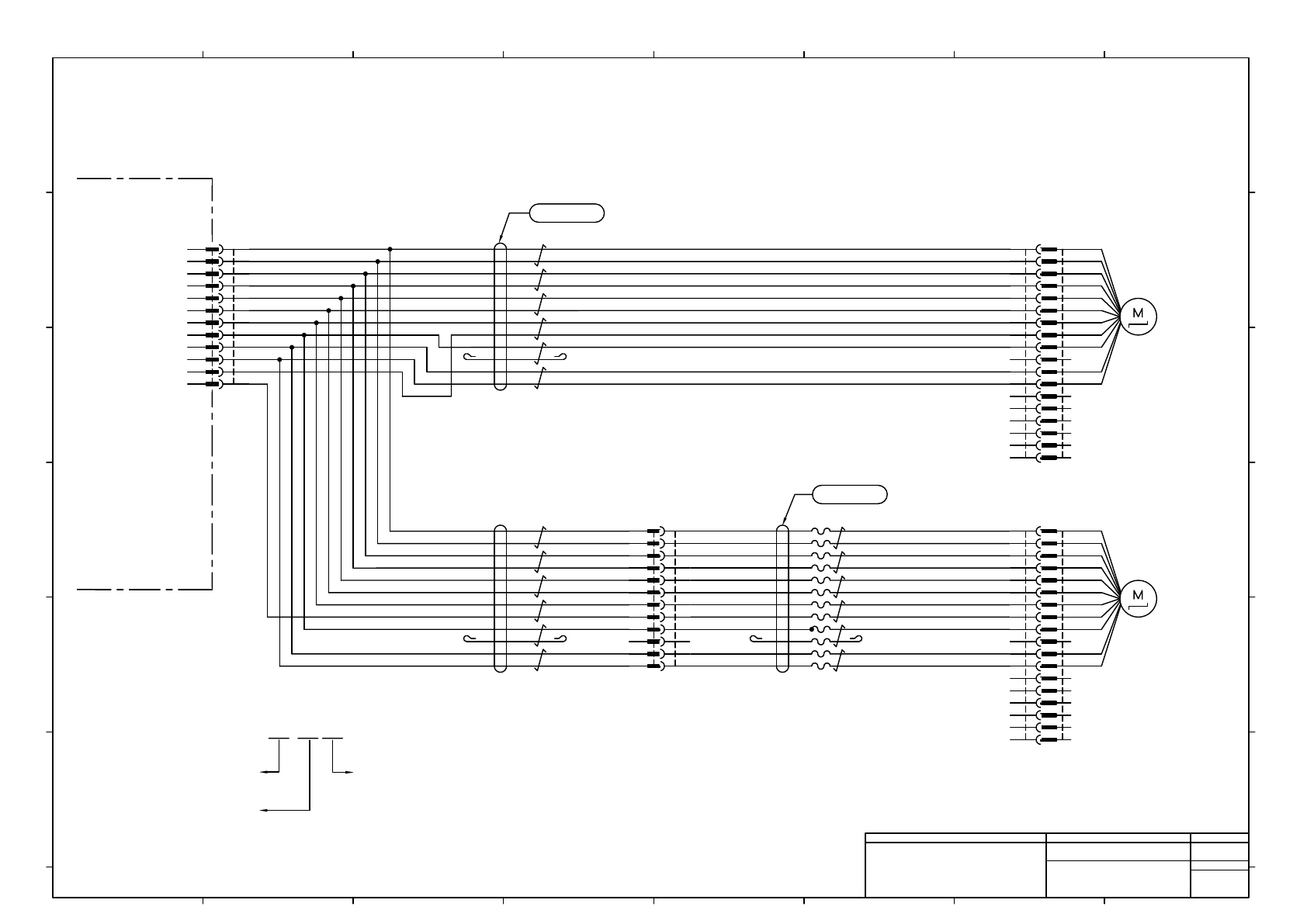
N7205A110B00 - 第132页
Note1) Connector pin arrangement is not sequential. N610163982AB JST M604R/M601R(M631R) PHDR-18VS 18 17 16 15 11 10 13 12 9 8 7 5 4 6 14 3 2 1 Note1) T/2464-3599 BK LF 6P×24AWG VT PK GY BK LB BN GN OG BU RD WH YE 1 2 3 4…

Note1) Connector pin arrangement is not sequential.
L1 Mount Position1
L1 Mount Position1
+24V(M)
GND(M)
+24V(C)
GND(C)
M-REV02
OUT111
M-SPD02
EMG10
D+MAIN
D-MAIN
N.C.
GND(C)
1
2
3
14
6
4
5
7
8
9
12
13
10
11
15
16
17
18
-M603
P24(M)
GND(M)
P24(C)
GND(C)
Revers
STR/STP
SPD_H/L
EMG
DATA+
DATA-
CW/CCW
BUSY
OUT1
OUTPUT COM
NC
NC
NC
NC
1
2
3
14
6
4
5
7
8
9
12
13
10
11
15
16
17
18
-M607
P24(M)
GND(M)
P24(C)
GND(C)
Revers
STR/STP
SPD_H/L
EMG
DATA+
DATA-
CW/CCW
BUSY
OUT1
OUTPUT COM
NC
NC
NC
NC
N610163983AB
JST
M603R/M602R(M632R)
PHDR-18VS
18
17
16
15
11
10
13
12
9
8
7
5
4
6
14
3
2
1
Note1)
T/2464-3599 BK LF 6P×24AWG
VT
PK
GY
BK
LB
BN
GN
OG
BU
RD
WH
YE
1
2
3
4
5
6
7
8
9
10
11
12 12
11
10
9
8
7
6
5
4
3
2
1
N610164151AB
2464-1061/ⅡA(PF) LF 6P×24AWG
BN/WH
BN
BU/WH
BU
YE/WH
YE
GN/WH
GN
BK/WH
BK
RD/WH
RD
JST
M607R/M606R(M636R)
PHDR-18VS
18
17
16
15
11
10
13
12
9
8
7
5
4
6
14
3
2
1
AMP
1M607P/1M606P(1M636P)
177913-1
AMP
1M607R/1M606R(1M636R)
177905-1
Note1)
2464-1061/ⅡA(PF) LF 6P×24AWG
BN/WH
BN
BU/WH
BU
YE/WH
YE
GN/WH
GN
BK/WH
BK
RD/WH
RD
MOLEX
1M603R/1M602R(1M632R)
5557-12R-210
1
2
3
4
5
6
7
8
9
10
11
12
MOLEX
1M603P
5559-12P-210
12
11
10
9
8
7
6
5
4
3
2
1
1
1
1 1
Main Body Wiring:NPM-W2
N610169329**:
Transfer Motor
(Fixed Side)
Transfer Motor
(Movable Side)
1
1
2
2
・Dual Conveyor L1
・Single Conveyor (Rear Reference)
・Dual Conveyor L2
・Single Conveyor (Front Reference)
*** / *** (***)
[White Mark Tube]
[White Mark Tube]
[Yellow Mark Tube]
Note2) Relation Between Connector Name and Conveyor Specification
2
Note2) Note2)
Note2) Note2)
Note2)
2
2
2 2 2
2
2
Panasonic Factory Solutions Co.,Ltd. パナソニック ファクトリーソリューションズ株式会社
Name
Drawing No.
Loc. No.
F4K1020-05A
1
2 3 4 5 6 7 8
A
B
C
D
E
F
1 2 3 4 5 6 7 8
A
B
C
D
E
F
Page. No.
NPM-W2:Dual Conveyor Unit
Conveyor Motor 3
N610163964+006AC
P006

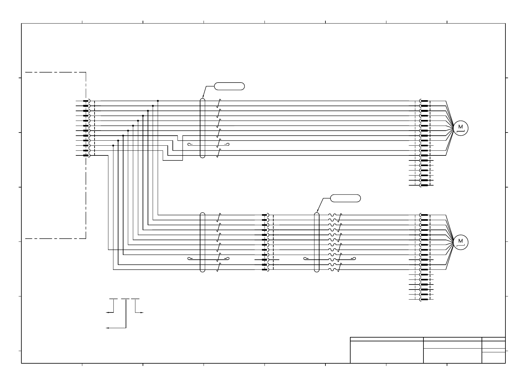
Note1) Connector pin arrangement is not sequential.
N610163982AB
JST
M604R/M601R(M631R)
PHDR-18VS
18
17
16
15
11
10
13
12
9
8
7
5
4
6
14
3
2
1
Note1)
T/2464-3599 BK LF 6P×24AWG
VT
PK
GY
BK
LB
BN
GN
OG
BU
RD
WH
YE
1
2
3
4
5
6
7
8
9
10
11
12 12
11
10
9
8
7
6
5
4
3
2
1
N610164145AB
2464-1061/ⅡA(PF) LF 6P×24AWG
BN/WH
BN
BU/WH
BU
YE/WH
YE
GN/WH
GN
BK/WH
BK
RD/WH
RD
JST
M608R/M605R(M635R)
PHDR-18VS
18
17
16
15
11
10
13
12
9
8
7
5
4
6
14
3
2
1
AMP
1M608P/1M605P(1M635P)
177913-1
AMP
1M608R/1M605R(1M635R)
177905-1
L1 Right
L1 Right
Note1)
+V24(M)
GND(M)
+V24(C)
GND(C)
M-REV01
OUT110
M-SPD01
EMG10
D+MAIN
D-MAIN
N.C.
GND(C)
1
2
3
14
6
4
5
7
8
9
12
13
10
11
15
16
17
18
-M604
P24(M)
GND(M)
P24(C)
GND(C)
Revers
STR/STP
SPD_H/L
EMG
DATA+
DATA-
CW/CCW
BUSY
OUT1
OUTPUT COM
NC
NC
NC
NC
1
2
3
14
6
4
5
7
8
9
12
13
10
11
15
16
17
18
-M608
P24(M)
GND(M)
P24(C)
GND(C)
Revers
STR/STP
SPD_H/L
EMG
DATA+
DATA-
CW/CCW
BUSY
OUT1
OUTPUT COM
NC
NC
NC
NC
2464-1061/ⅡA(PF) LF 6P×24AWG
BN/WH
BN
BU/WH
BU
YE/WH
YE
GN/WH
GN
BK/WH
BK
RD/WH
RD
MOLEX
1M604P
5559-12P-210
12
11
10
9
8
7
6
5
4
3
2
1
MOLEX
1M604R/1M601R(1M631R)
5557-12R-210
1
2
3
4
5
6
7
8
9
10
11
12
1
1
1
1
Main Body Wiring:NPM-W2
N610169329**:
Transfer Motor
Transfer Motor
(Movable Side)
(Fixed Side)
1
1
2
2
・Dual Conveyor L1
・Single Conveyor (Rear Reference)
・Dual Conveyor L2
・Single Conveyor (Front Reference)
*** / *** (***)
[White Mark Tube]
[White Mark Tube]
[Yellow Mark Tube]
Note2) Relation Between Connector Name and Conveyor Specification
2
Note2) Note2)
Note2) Note2)
Note2)
2
2
2
2
2 2 2
Panasonic Factory Solutions Co.,Ltd. パナソニック ファクトリーソリューションズ株式会社
Name
Drawing No.
Loc. No.
F4K1020-05A
1
2 3 4 5 6 7 8
A
B
C
D
E
F
1 2 3 4 5 6 7 8
A
B
C
D
E
F
Page. No.
NPM-W2:Dual Conveyor Unit
Conveyor Motor 4
N610163964+007AC
P007

UL1007 24AWG BU
L1 Width Adjustment Axis Motor
1
2
3
14
6
4
5
7
8
9
12
13
10
11
15
16
17
18
-M609
BN/WH
BN
BK/WH
BK
RD/WH
RD
GN/WH
GN
RD
18
17
16
15
11
10
13
12
9
8
7
5
4
6
14
3
2
1
N610163988AC
RD/WH
L1 Support Pin Detection (Receiver)
-B1C01T
-B1C01
BU
BK
BN
BU
BN
P24(M)
GND(M)
P24(C)
GND(C)
-LS
ORG
+LS
EMG
DATA+
DATA-
CW/CCW
BUSY
NC
NC
NC
NC
NC
OUTPUT COM
+V24(M)
GND(M)
+V24(C)
GND(C)
N.C.
N.C.
N.C.
EMG20
D+MAIN
D-MAIN
+V24(C)
GND(C)
N.C.
N.C.
FG1B1CD01
R1.25-4
JST
FGB1CD01
R1.25-4
JST
WH
GN
RD
BK
Note1) Connector pin arrangement is not sequential.
Note1)
JST
M609R(M639R)
PHDR-18VS
YE/WH
YE
BK
BK/WH
2464-1061/ⅡA(PF) LF 2P×24AWG
L1 Support Pin Detection (Projector)
2464-1061/ⅡA(PF) LF 5P×24AWG
UL1007 24AWG BU
UL1007 24AWG BU
BU
BU
-B1C00
BN
BK
WH
BU
L1 Single Mode Detection
-B1C02
BN
BK
WH
BU
-B1C03
BN
BK
WH
BU
UL1007 24AWG BU BU
BU
UL1007 24AWG BU BU
RD
RD/WH
BK
BK/WH
N610163989AB
T/2464-3599 BK LF 4×24AWG
AMP
1B1C01P(1B1D01P)
177908-1
4
3
2
1
AMP
B1C01P(B1D01P)
177908-1
4
3
2
1
AMP
1B1C01R(1B1D01R)
177900-1
4
3
2
1
AMP
B1C01R
177900-1
4
3
2
1
AMP
B1C00R
177900-1
4
3
2
1
AMP
B1C02R
177900-1
4
3
2
1
AMP
B1C03R
177900-1
4
3
2
1
AMP
B1C02P
177908-1
4
3
2
1
AMP
B1C00P(B1D00P)
177908-1
4
3
2
1
AMP
B1C03P
177908-1
4
3
2
1
L1 Width Adjustment Axis Dual Mode ORG Detection
L1 Width Adjustment Axis Single Mode ORG Detection
2464-1061/ⅡA(PF) LF 2P×24AWG
MOLEX
1M609R/1M639R(1M639R)
5557-14R-210
1
2
3
4
5
6
7
8
9
10
11
12
13
14
MOLEX
1M609P
5559-14P-210
14
13
12
11
10
9
8
7
6
5
4
3
2
1
1
1
Main Body Wiring:NPM-W2
N610169329**:
1
2
2
・Dual Conveyor L1
・Single Conveyor (Rear Reference)
・Dual Conveyor L2
・Single Conveyor (Front Reference)
*** / *** (***)
[White Mark Tube]
[White Mark Tube]
[Yellow Mark Tube]
Note2) Relation Between Connector Name and Conveyor Specification
2
Note2)
2
Note2)
2
Note2)
2
Note2)
2
Note2)
2
Note2)
2
Panasonic Factory Solutions Co.,Ltd. パナソニック ファクトリーソリューションズ株式会社
Name
Drawing No.
Loc. No.
F4K1020-05A
1
2 3 4 5 6 7 8
A
B
C
D
E
F
1 2 3 4 5 6 7 8
A
B
C
D
E
F
Page. No.
NPM-W2:Dual Conveyor Unit
Width Adjustment Axis 1
N610163964+008AC
P008