N7205A110B00 - 第135页
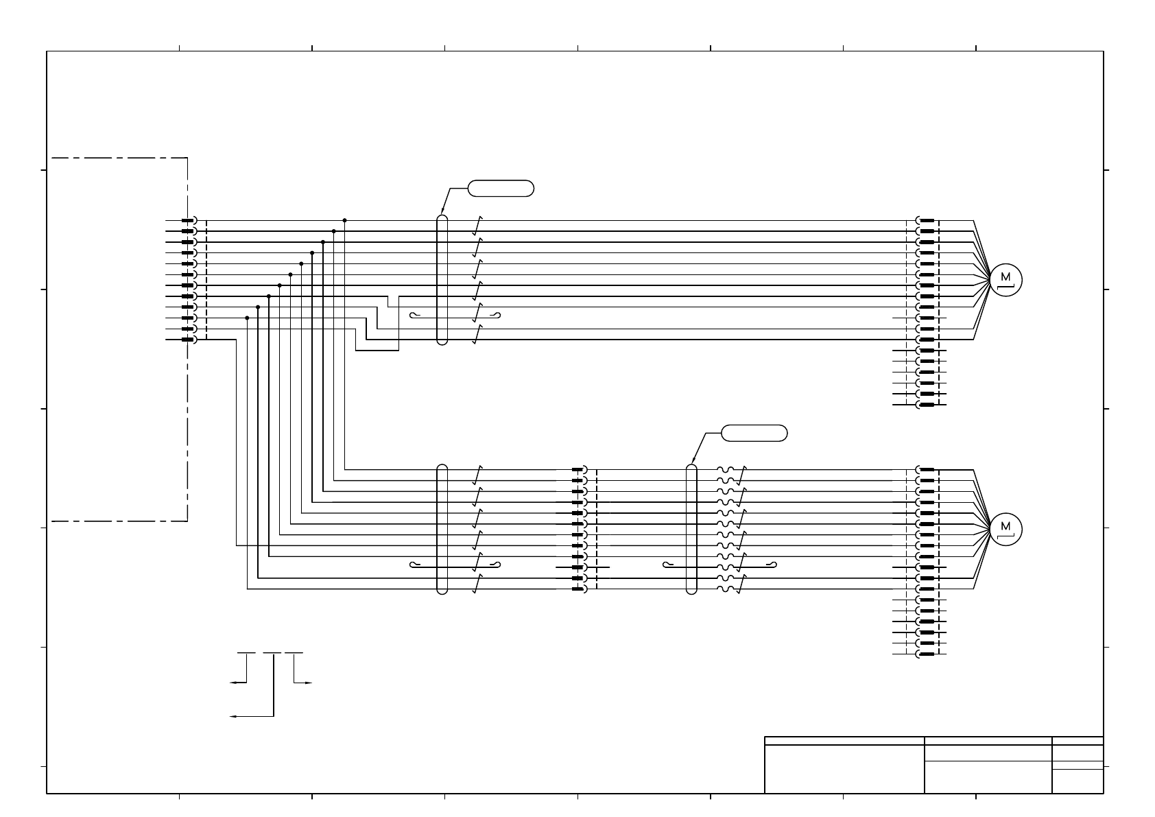
Note1) Connector pin arrangement is not sequential. L2 Mount Position2 L2 Mount Position2 +V24(M) GND(M) +V24(C) GND(C) S-REV21 OUT123 S-SPD21 EMG11 D+SUB D-SUB GND(C) N.C. 1 2 3 14 6 4 5 7 8 9 12 13 10 11 15 16 17 18 -M…

Note1) Connector pin arrangement is not sequential.
1
2
3
14
6
4
5
7
8
9
12
13
10
11
15
16
17
18
-M631
1
2
3
14
6
4
5
7
8
9
12
13
10
11
15
16
17
18
-M635
P24(M)
GND(M)
P24(C)
GND(C)
Revers
STR/STP
SPD_H/L
EMG
DATA+
DATA-
CW/CCW
BUSY
OUT1
OUTPUT COM
NC
NC
NC
NC
P24(M)
GND(M)
P24(C)
GND(C)
Revers
STR/STP
SPD_H/L
EMG
DATA+
DATA-
CW/CCW
BUSY
OUT1
OUTPUT COM
NC
NC
NC
NC
L2 Left
L2 Left
+V24(M)
GND(M)
+V24(C)
GND(C)
S-REV03
OUT116
S-SPD03
EMG11
D+SUB
D-SUB
GND(C)
N.C.
N610163982AB
JST
M604R/M601R(M631R)
PHDR-18VS
18
17
16
15
11
10
13
12
9
8
7
5
4
6
14
3
2
1
Note1)
T/2464-3599 BK LF 6P×24AWG
VT
PK
GY
BK
LB
BN
GN
OG
BU
RD
WH
YE
1
2
3
4
5
6
7
8
9
10
11
12 12
11
10
9
8
7
6
5
4
3
2
1
N610164145AB
2464-1061/ⅡA(PF) LF 6P×24AWG
BN/WH
BN
BU/WH
BU
YE/WH
YE
GN/WH
GN
BK/WH
BK
RD/WH
RD
JST
M608R/M605R(M635R)
PHDR-18VS
18
17
16
15
11
10
13
12
9
8
7
5
4
6
14
3
2
1
AMP
1M608P/1M605P(1M635P)
177913-1
AMP
1M608R/1M605R(1M635R)
177905-1
Note1)
2464-1061/ⅡA(PF) LF 6P×24AWG
BN/WH
BN
BU/WH
BU
YE/WH
YE
GN/WH
GN
BK/WH
BK
RD/WH
RD
MOLEX
1M604R/1M601R(1M631R)
5557-12R-210
1
2
3
4
5
6
7
8
9
10
11
12
MOLEX
1M631P
5559-12P-210
12
11
10
9
8
7
6
5
4
3
2
1
1
1
1
1
Main Body Wiring:NPM-W2
N610169329**:
Transfer Motor
Transfer Motor
(Movable Side)
(Fixed Side)
1
1
2
2
・Dual Conveyor L1
・Single Conveyor (Rear Reference)
・Dual Conveyor L2
・Single Conveyor (Front Reference)
*** / *** (***)
[White Mark Tube]
[White Mark Tube]
[Yellow Mark Tube]
Note2) Relation Between Connector Name and Conveyor Specification
2
Note2) Note2)
Note2) Note2)
Note2)
2
2
2 2 2
Panasonic Factory Solutions Co.,Ltd. パナソニック ファクトリーソリューションズ株式会社
Name
Drawing No.
Loc. No.
F4K1020-05A
1
2 3 4 5 6 7 8
A
B
C
D
E
F
1 2 3 4 5 6 7 8
A
B
C
D
E
F
Page. No.
NPM-W2:Dual Conveyor Unit
Conveyor Motor 5
N610163964+009AC
P009

Note1) Connector pin arrangement is not sequential.
L2 Mount Position2
L2 Mount Position2
+V24(M)
GND(M)
+V24(C)
GND(C)
S-REV21
OUT123
S-SPD21
EMG11
D+SUB
D-SUB
GND(C)
N.C.
1
2
3
14
6
4
5
7
8
9
12
13
10
11
15
16
17
18
-M632
P24(M)
GND(M)
P24(C)
GND(C)
Revers
STR/STP
SPD_H/L
EMG
DATA+
DATA-
CW/CCW
BUSY
OUT1
OUTPUT COM
NC
NC
NC
NC
1
2
3
14
6
4
5
7
8
9
12
13
10
11
15
16
17
18
-M636
P24(M)
GND(M)
P24(C)
GND(C)
Revers
STR/STP
SPD_H/L
EMG
DATA+
DATA-
CW/CCW
BUSY
OUT1
OUTPUT COM
NC
NC
NC
NC
N610163983AB
JST
M603R/M602R(M632R)
PHDR-18VS
18
17
16
15
11
10
13
12
9
8
7
5
4
6
14
3
2
1
Note1)
T/2464-3599 BK LF 6P×24AWG
VT
PK
GY
BK
LB
BN
GN
OG
BU
RD
WH
YE
1
2
3
4
5
6
7
8
9
10
11
12 12
11
10
9
8
7
6
5
4
3
2
1
N610164151AB
2464-1061/ⅡA(PF) LF 6P×24AWG
BN/WH
BN
BU/WH
BU
YE/WH
YE
GN/WH
GN
BK/WH
BK
RD/WH
RD
JST
M607R/M606R(M636R)
PHDR-18VS
18
17
16
15
11
10
13
12
9
8
7
5
4
6
14
3
2
1
AMP
1M607P/1M606P(1M636P)
177913-1
AMP
1M607R/1M606R(1M636R)
177905-1
Note1)
2464-1061/ⅡA(PF) LF 6P×24AWG
BN/WH
BN
BU/WH
BU
YE/WH
YE
GN/WH
GN
BK/WH
BK
RD/WH
RD
MOLEX
1M632P
5559-12P-210
12
11
10
9
8
7
6
5
4
3
2
1
MOLEX
1M603R/1M602R(1M632R)
5557-12R-210
1
2
3
4
5
6
7
8
9
10
11
12
1
1
1 1
Main Body Wiring:NPM-W2
N610169329**:
Transfer Motor
Transfer Motor
(Movable Side)
(Fixed Side)
1
1
2
2
・Dual Conveyor L1
・Single Conveyor (Rear Reference)
・Dual Conveyor L2
・Single Conveyor (Front Reference)
*** / *** (***)
[White Mark Tube]
[White Mark Tube]
[Yellow Mark Tube]
Note2) Relation Between Connector Name and Conveyor Specification
2
Note2) Note2)
Note2) Note2)
Note2)
2
2
2 2 2
Panasonic Factory Solutions Co.,Ltd. パナソニック ファクトリーソリューションズ株式会社
Name
Drawing No.
Loc. No.
F4K1020-05A
1
2 3 4 5 6 7 8
A
B
C
D
E
F
1 2 3 4 5 6 7 8
A
B
C
D
E
F
Page. No.
NPM-W2:Dual Conveyor Unit
Conveyor Motor 6
N610163964+010AC
P010

Note1) Connector pin arrangement is not sequential.
L2 Mount Position1
L2 Mount Position1
+V24(M)
GND(M)
+V24(C)
GND(C)
S-REV02
OUT115
S-SPD02
EMG11
D+SUB
D-SUB
GND(C)
N.C.
1
2
3
14
6
4
5
7
8
9
12
13
10
11
15
16
17
18
-M633
P24(M)
GND(M)
P24(C)
GND(C)
Revers
STR/STP
SPD_H/L
EMG
DATA+
DATA-
CW/CCW
BUSY
OUT1
OUTPUT COM
NC
NC
NC
NC
1
2
3
14
6
4
5
7
8
9
12
13
10
11
15
16
17
18
-M637
P24(M)
GND(M)
P24(C)
GND(C)
Revers
STR/STP
SPD_H/L
EMG
DATA+
DATA-
CW/CCW
BUSY
OUT1
OUTPUT COM
NC
NC
NC
NC
N610164160AB
JST
M602R/M603R(M633R)
PHDR-18VS
18
17
16
15
11
10
13
12
9
8
7
5
4
6
14
3
2
1
Note1)
T/2464-3599 BK LF 6P×24AWG
VT
PK
GY
BK
LB
BN
GN
OG
BU
RD
WH
YE
1
2
3
4
5
6
7
8
9
10
11
12 12
11
10
9
8
7
6
5
4
3
2
1
N610164166AB
2464-1061/ⅡA(PF) LF 6P×24AWG
BN/WH
BN
BU/WH
BU
YE/WH
YE
GN/WH
GN
BK/WH
BK
RD/WH
RD
JST
M606R/M607R(M637R)
PHDR-18VS
18
17
16
15
11
10
13
12
9
8
7
5
4
6
14
3
2
1
AMP
1M606P/1M607P(1M637P)
177913-1
AMP
1M606R/1M607R(1M637R)
177905-1
Note1)
2464-1061/ⅡA(PF) LF 6P×24AWG
BN/WH
BN
BU/WH
BU
YE/WH
YE
GN/WH
GN
BK/WH
BK
RD/WH
RD
MOLEX
1M602R/1M603R(1M633R)
5557-12R-210
1
2
3
4
5
6
7
8
9
10
11
12
MOLEX
1M633P
5559-12P-210
12
11
10
9
8
7
6
5
4
3
2
1
1
1
1
1
Main Body Wiring:NPM-W2
N610169329**:
Transfer Motor
Transfer Motor
(Movable Side)
(Fixed Side)
1
1
2
2
・Dual Conveyor L1
・Single Conveyor (Rear Reference)
・Dual Conveyor L2
・Single Conveyor (Front Reference)
*** / *** (***)
[White Mark Tube]
[White Mark Tube]
[Yellow Mark Tube]
Note2) Relation Between Connector Name and Conveyor Specification
2
Note2) Note2)
Note2) Note2)
Note2)
2
2
2 2 2
Panasonic Factory Solutions Co.,Ltd. パナソニック ファクトリーソリューションズ株式会社
Name
Drawing No.
Loc. No.
F4K1020-05A
1
2 3 4 5 6 7 8
A
B
C
D
E
F
1 2 3 4 5 6 7 8
A
B
C
D
E
F
Page. No.
NPM-W2:Dual Conveyor Unit
Conveyor Motor 7
N610163964+011AC
P011