N7205A110B00 - 第140页
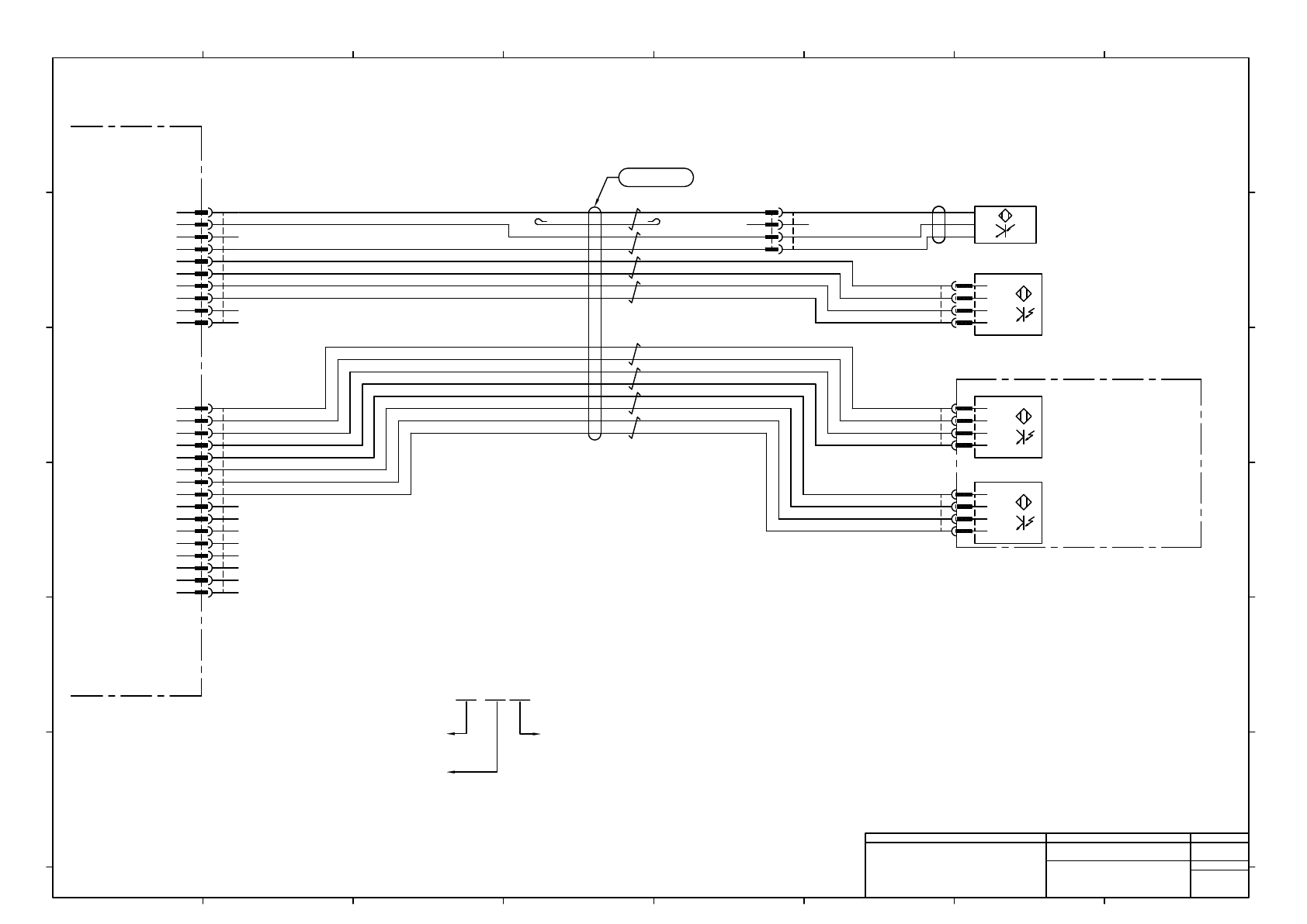
L1 Wait For Loading(Right Side) PCB Detection 2 -B1120 BU BK BN P24 OUT IN GND 1 2 3 4 -B1121 L1 Wait For Loading(Right Side) PCB Detection 1 P24 OUT IN GND 1 2 3 4 -B1115 L1 Mount Position1 PCB Detection 5 JST B1121(B11…

L1 Wait For Loading(Left Side) PCB Detection 1
-B1127
P24
OUT
IN
GND
1
2
3
4
-B1131
L1 Wait For Loading(Left Side) PCB Detection 2
P24
OUT
IN
GND
1
2
3
4
-B1012
L1 Mount Position2 PCB Detection 4
JST
B1131(B1126)
PAP-04V-S
4
3
2
1
JST
B1012(B1125)
PAP-04V-S
4
3
2
1
P24
OUT
IN
GND
1
2
3
4
-B1123
L1 Mount Position2 PCB Detection 5
JST
B1123(B1107)
PAP-04V-S
4
3
2
1
P24
OUT
IN
GND
1
2
3
4
-B1136
L1 Mount Position2 PCB Detection 1
JST
B1136(B1117)
PAP-04V-S
4
3
2
1
P24
OUT
IN
GND
1
2
3
4
-B1113
L1 Mount Position2 PCB Detection 2
JST
B1113(B1124)
PAP-04V-S
4
3
2
1
AMP
B1127R
177900-1
4
3
2
1
AMP
B1127P(B1130P)
177908-1
4
3
2
1
Option
BU
BK
BN
MOLEX
1B1127R/1B1120R(1B1130R)
5557-10R-210
1
2
3
4
5
6
7
8
9
10
MOLEX
1B1012R/1B1115R(1B1125R)
5557-16R-210
1
2
3
4
5
6
7
8
9
10
11
12
13
14
15
16
24VOUT
PH127
N.C
24GND
24VOUT
PH131
OUT103
24GND
N.C
N.C
24VOUT
PH012
OUT100
24GND
24VOUT
PH123
OUT100
24GND
24VOUT
PH136
OUT100
24GND
24VOUT
PH113
OUT100
24GND
OG/WH
OG
GY/WH
GY
BU/WH
BU
BN/WH
BN
YE/WH
YE
GN/WH
GN
BK/WH
BK
RD/WH
RD
VT/WH
VT
LG/WH
LG
N610163992AB
PK/WH
PK
LB/WH
LB
2464-1061/ⅡA(PF) LF 12P×24AWG
1
1
1
Main Body Wiring:NPM-W2
N610169329**:
MOLEX
1B1127P
5559-10P-210
10
9
8
7
6
5
4
3
2
1
MOLEX
1B1012P
5559-16P-210
16
15
14
13
12
11
10
9
8
7
6
5
4
3
2
1
・Dual Conveyor L1
・Single Conveyor (Rear Reference)
・Dual Conveyor L2
・Single Conveyor (Front Reference)
*** / *** (***)
[White Mark Tube]
[White Mark Tube]
[Yellow Mark Tube]
Note1) Relation Between Connector Name and Conveyor Specification
2
Note1)
2
Note1)
2
Note1)
2
Note1)
2
Note1)
2
Note1)
2
Note1)
2
Note1)
2
Panasonic Factory Solutions Co.,Ltd. パナソニック ファクトリーソリューションズ株式会社
Name
Drawing No.
Loc. No.
F4K1020-05A
1
2 3 4 5 6 7 8
A
B
C
D
E
F
1 2 3 4 5 6 7 8
A
B
C
D
E
F
Page. No.
NPM-W2:Dual Conveyor Unit
Position Sensor 1
N610163964+014AC
P014

L1 Wait For Loading(Right Side) PCB Detection 2
-B1120
BU
BK
BN
P24
OUT
IN
GND
1
2
3
4
-B1121
L1 Wait For Loading(Right Side) PCB Detection 1
P24
OUT
IN
GND
1
2
3
4
-B1115
L1 Mount Position1 PCB Detection 5
JST
B1121(B1132)
PAP-04V-S
4
3
2
1
JST
B1115(B1134)
PAP-04V-S
4
3
2
1
P24
OUT
IN
GND
1
2
3
4
-B1122
L1 Mount Position1 PCB Detection 4
JST
B1122(B1112)
PAP-04V-S
4
3
2
1
RD/WH
RD
AMP
B1120R
177900-1
4
3
2
1
AMP
B1120P(B1133P)
177908-1
4
3
2
1
BU
BK
BN
MOLEX
1B1120R/1B1127R(1B1133R)
5557-10R-210
1
2
3
4
5
6
7
8
9
10
MOLEX
1B1115R/1B1012R(1B1134R)
5557-16R-210
1
2
3
4
5
6
7
8
9
10
11
12
13
14
15
16
24VOUT
PH120
N.C
24GND
24VOUT
PH121
OUT102
24GND
N.C
N.C
24VOUT
PH115
OUT100
24GND
24VOUT
PH122
OUT100
24GND
24VOUT
PH113
OUT100
24GND
24VOUT
PH136
OUT100
24GND
OG/WH
OG
GY/WH
GY
BU/WH
BU
BN/WH
BN
YE/WH
YE
GN/WH
GN
BK/WH
BK
2464-1061/ⅡA(PF) LF 8P×24AWG
N610164143AB
1
1
1
Main Body Wiring:NPM-W2
N610169329**:
MOLEX
1B1120P
5559-10P-210
10
9
8
7
6
5
4
3
2
1
MOLEX
1B1115P
5559-16P-210
16
15
14
13
12
11
10
9
8
7
6
5
4
3
2
1
・Dual Conveyor L1
・Single Conveyor (Rear Reference)
・Dual Conveyor L2
・Single Conveyor (Front Reference)
*** / *** (***)
[White Mark Tube]
[White Mark Tube]
[Yellow Mark Tube]
Note1) Relation Between Connector Name and Conveyor Specification
2
Note1)
2
Note1)
2
Note1)
2
Note1)
2
Note1)
2
Note1)
2
Panasonic Factory Solutions Co.,Ltd. パナソニック ファクトリーソリューションズ株式会社
Name
Drawing No.
Loc. No.
F4K1020-05A
1
2 3 4 5 6 7 8
A
B
C
D
E
F
1 2 3 4 5 6 7 8
A
B
C
D
E
F
Page. No.
NPM-W2:Dual Conveyor Unit
Position Sensor 2
N610163964+015AC
P015

L2 Wait For Loading(Left Side) PCB Detection 1
-B1133
P24
OUT
IN
GND
1
2
3
4
-B1132
L2 Wait For Loading(Left Side)PCB Detection 2
P24
OUT
IN
GND
1
2
3
4
-B1134
L2 Mount Position2 PCB Detection 1
P24
OUT
IN
GND
1
2
3
4
-B1112
L2 Mount Position2 PCB Detection 2
AMP
B1133R
177900-1
4
3
2
1
Option
JST
B1121(B1132)
PAP-04V-S
4
3
2
1
JST
B1115(B1134)
PAP-04V-S
4
3
2
1
JST
B1122(B1112)
PAP-04V-S
4
3
2
1
AMP
B1120P(B1133P)
177908-1
4
3
2
1
BU
BK
BN
RD/WH
RD
BU
BK
BN
MOLEX
1B1120R/1B1127R(1B1133R)
5557-10R-210
1
2
3
4
5
6
7
8
9
10
MOLEX
1B1115R/1B1012R(1B1134R)
5557-16R-210
1
2
3
4
5
6
7
8
9
10
11
12
13
14
15
16
24VOUT
PH133
N.C
24GND
24VOUT
PH132
OUT105
24GND
N.C
N.C
24VOUT
PH134
OUT101
24GND
24VOUT
PH112
OUT101
24GND
N.C
N.C
N.C
N.C
N.C
N.C
N.C
N.C
OG/WH
OG
GY/WH
GY
BU/WH
BU
BN/WH
BN
YE/WH
YE
GN/WH
GN
BK/WH
BK
2464-1061/ⅡA(PF) LF 8P×24AWG
N610164143AB
1
1
1
Main Body Wiring:NPM-W2
N610169329**:
MOLEX
1B1133P
5559-10P-210
10
9
8
7
6
5
4
3
2
1
MOLEX
1B1134P
5559-16P-210
16
15
14
13
12
11
10
9
8
7
6
5
4
3
2
1
・Dual Conveyor L1
・Single Conveyor (Rear Reference)
・Dual Conveyor L2
・Single Conveyor (Front Reference)
*** / *** (***)
[White Mark Tube]
[White Mark Tube]
[Yellow Mark Tube]
Note1) Relation Between Connector Name and Conveyor Specification
2
Note1)
2
Note1)
2
Note1)
2
Note1)
2
Note1)
2
Note1)
2
Panasonic Factory Solutions Co.,Ltd. パナソニック ファクトリーソリューションズ株式会社
Name
Drawing No.
Loc. No.
F4K1020-05A
1
2 3 4 5 6 7 8
A
B
C
D
E
F
1 2 3 4 5 6 7 8
A
B
C
D
E
F
Page. No.
NPM-W2:Dual Conveyor Unit
Position Sensor 3
N610163964+016AC
P016