N7205A110B00 - 第164页
在线预览 N7205A110B00 PDF 文档。

3.
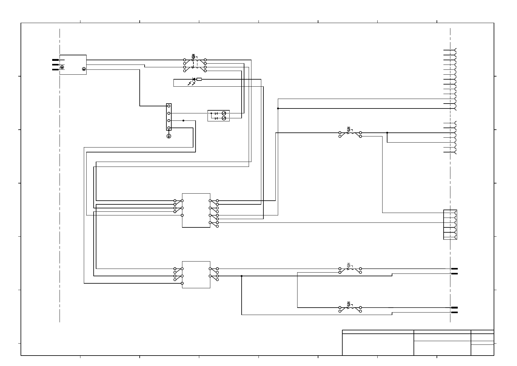
CONTROL BOX DIAGRAM OPTION
コントロール BOX 配線図オプション
3-3 POWER SUPPLY UNIT(FEEDER AND CART PDA)
電源ユニット(フィーダ&カート PDA)
EJM7DB-10-303-00

-T102
PBA300F-24
AC(L)
AC(N)
FG
+V
+V
-V
-V
COSEL
LOAD LINE
-F101
NH1L-2100S-3AA5C-TK2539
(3A)
1 2
3 4
BK RD
IDEC
-X001
N210001550AA
1aF101
TMEE1.25-4
NICHIFU
3aF101
4aF101
2aF101
TMEE2-4
NICHIFU
UL#16 105/600-1.25mm2 BK
UL#16 105/600-1.25mm2 BK
AC100V
~AC240V
INPUT
TMEE1.25-4
NICHIFU
TMEE1.25-4
NICHIFU
GN/YE
UL#16 105/600-1.25mm2
LaT101
TMEE2-3
NICHIFU
NaT101
TMEE1.25-3
NICHIFU
+VaT101
TMEE1.25-3
NICHIFU
-VaT101
3
4
RD
WH
GN/YE
1
2
AWG#18(0.75mm2)
AWG#20(0.5mm2)
AWG#20(0.5mm2)
-V01
FN9222R-3-06
SCHAFFNER
5559-02P-210
DC12-1
MOLEX
1
2
5559-02P-210
DC12-2
MOLEX
1
2
UL#16 105/600-1.25mm2 BK
UL#16 105/600-1.25mm2 BK
GN/YE
UL#16 105/600-1.25mm2
2bF101
4bF101
TMEE1.25-4
NICHIFU
BU
2aF102
TMEE1.25-4
NICHIFU
BU
UL#20 80/300-0.5mm2
BU
UL#20 80/300-0.5mm2
UL#16 80/300-1.25mm2 BU
BU UL#20 80/300-0.5mm2
BU
UL#20 80/300-0.5mm2
1aF102
TMEE2-4
NICHIFU
LaT102
TMEE2-4
NICHIFU
NaT102
TMEE1.25-4
NICHIFU
+VaT102
TMEE2-4
NICHIFU
+VbT102
TMEE1.25-4
-VaT102
-F201
R.A.V-781BWZ-4
BK
BK
GN/YE
OKAYA
2aF104
TMEE2-4
NICHIFU
1aF104
TMEE2-4
NICHIFU
TMEE1.25-4
NICHIFU
UL#16 80/300-1.25mm2
LbT102
NbT102
-T101
PBA75F-12
(6.3A)
AC(L)
AC(N)
FG
+V
-V
COSEL
For
Feeder
cart
51238-2011
CART
MOLEX
C5
C4
C3
C2
C1
B5
B4
B3
B2
B1
A5
A4
A3
A2
A1
D5
D4
D3
D2
D1
BU
UL#18 80/300-0.75mm2
BU
UL#18 80/300-0.75mm2
BU
UL#18 80/300-0.75mm2
BU
UL#18 80/300-0.75mm2
For
Tape
Feeder,
C-CON
JR06-7A-6S-R
FEEDER
JAE
3
2
1
6
5
4
-VbT102
-VcT102
BU UL#24 80/300-0.2mm2
BU
UL#24 80/300-0.2mm2
For PDA
For PDA
1aF102
TMEE2-4
NICHIFU
1bF102
UL#16 80/300-1.25mm2
BU
2bF104
TMEE1.25-4
NICHIFU
-F104
CP31FI/10(CCC)
(10A)
1 2
FUJI ELECTRIC
1
1
1
1
-F102
CP31FI/3(CCC)
(3A)
1 2
FUJI ELECTRIC
2
2
-F103
CP31FI/3(CCC)
(3A)
1 2
FUJI ELECTRIC
2aF103
TMEE1.25-4
NICHIFU
Panasonic Factory Solutions Co.,Ltd. パナソニック ファクトリーソリューションズ株式会社
Name
Drawing No.
Loc. No.
F4K1020-05A
1
2 3 4 5 6 7 8
A
B
C
D
E
F
1 2 3 4 5 6 7 8
A
B
C
D
E
F
Page. No.
Power supply unit
(Feeder and Cart PDA)
N610101909+007AB
P007